Кондиционеры Daikin EWAD-D-SS - инструкция пользователя по применению, эксплуатации и установке на русском языке. Мы надеемся, она поможет вам решить возникшие у вас вопросы при эксплуатации техники.
Если остались вопросы, задайте их в комментариях после инструкции.
"Загружаем инструкцию", означает, что нужно подождать пока файл загрузится и можно будет его читать онлайн. Некоторые инструкции очень большие и время их появления зависит от вашей скорости интернета.

D–EIMAC00204-14EU - 93/152
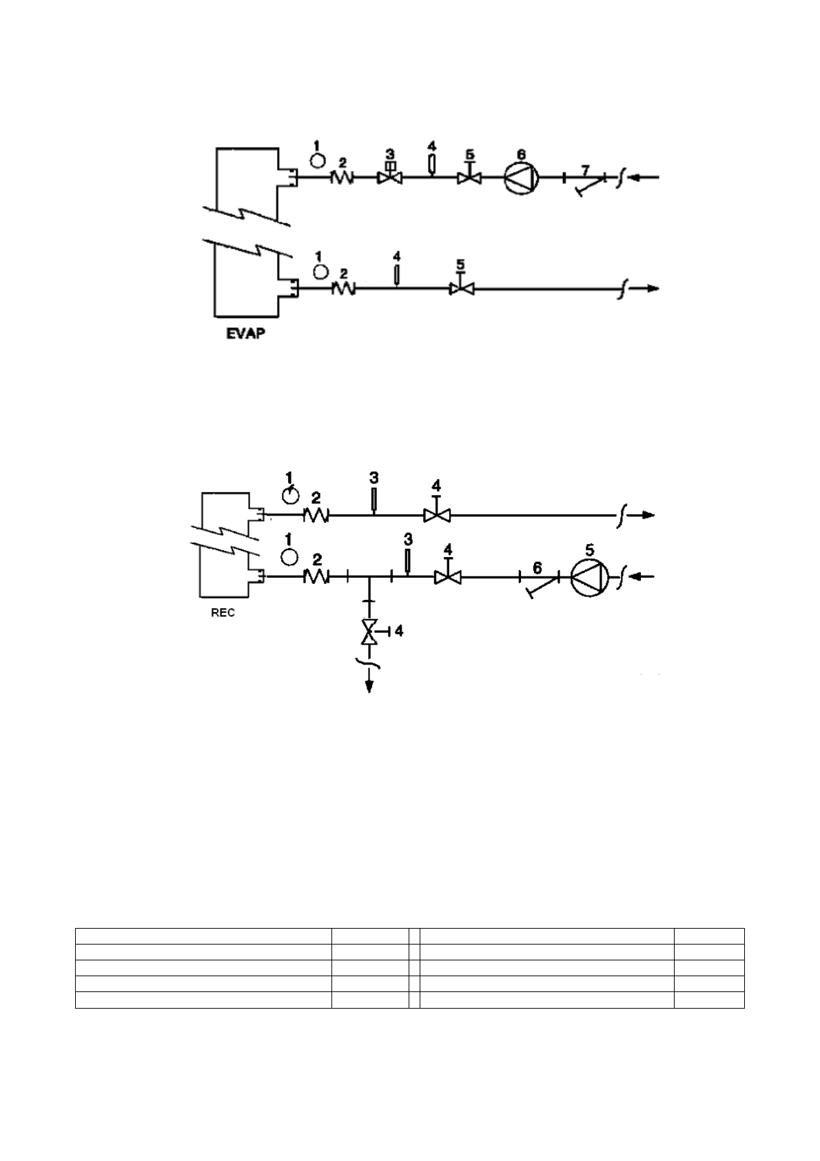
Kuvat 5 – Vesiputkien liitäntä höyrystimeen
1. Manometri
2. Letkuliitin
3. Virtausmittari
4. Lämpötila-anturi
5. Eristysventtiili
6. Pumppu
7. Suodatin
Kuva 6 - Vesiputkien liitäntä lämmöntalteenottoon tarkoitetuilla lämmönvaihtimilla
1. Manometri
2. Letkuliitin
3. Lämpötila-anturi
4. Eristysventtiili
5. Pumppu
6. Suodatin
Veden käsittely
Puhdista vesipiiri ennen yksikön käynnistämistä. Lika, kalkki,
korroosiojäämät
ja
muut
materiaalit
voivat
kerääntyä
lämmönvaihtimen
sisäpuolelle
vähentäen
sen
lämmönvaihtokykyä.
Myös
paineenlasku
voi
lisääntyä
vähentämällä veden virtausta. Sopiva veden käsittely voi näin
ollen vähentää korroosio-, eroosio-, kalkin muodostumisriskiä
jne..Tarkoituksenmukaisin veden käsittely on määriteltävä
paikallisesti, järjestelmän ja veden ominaisuuksien perusteella.
Valmistaja ei vastaa mahdollisista laitteistolle syntyneistä
vahingoista tai toimintahäiriöistä, jotka johtuvat suorittamatta
jätetystä tai väärästä veden käsittelystä.
Taulukko 1 – Hyväksyttävät veden laaturajat
pH (25°C)
6,8
÷
8,0
Kokonaiskovuus (mg CaCO
3
/ l)
<
200
Sähköinen johtavuus
µ
S/cm (25°C)
<
800
Rauta (mg Fe / l)
<
1,0
Kloridi-ioni (mg Cl
-
/ l)
<
200
Solfuri-ioni (mg S
2 -
/ l)
Ei mikään
Sulfaatti-ioni (mg SO
2
4
-
/ l)
<
200
Ammoniumioni (mg NH
4
+
/ l)
<
1,0
Emäksisyys (mg CaCO
3
/ l)
<
100
Piihappo (mg SiO
2
/ l)
<
50