Кондиционеры Daikin EWAD-D-SS - инструкция пользователя по применению, эксплуатации и установке на русском языке. Мы надеемся, она поможет вам решить возникшие у вас вопросы при эксплуатации техники.
Если остались вопросы, задайте их в комментариях после инструкции.
"Загружаем инструкцию", означает, что нужно подождать пока файл загрузится и можно будет его читать онлайн. Некоторые инструкции очень большие и время их появления зависит от вашей скорости интернета.

D–EIMAC00204-14EU - 51/152
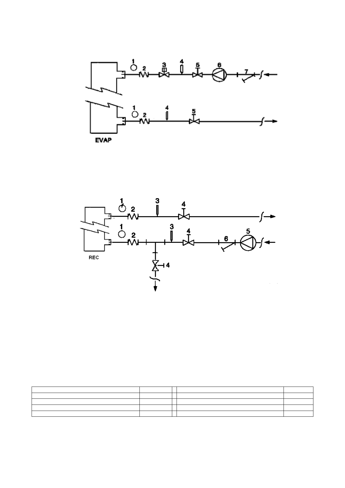
Figure 5 – Collegamento dei tubi dell’acqua per l’evaporatore
1. Manometro
2. Connettore flessibile
3. Flussostato
4. Sonda di temperatura
5. Valvola di isolamento
6. Pompa
7. Filtro
Figura 6 - Collegamento dei tubi dell’acqua per gli scambiatori di recupero di calore
1. Manometro
2. Connettore flessibile
3. Sonda di temperatura
4. Valvola di isolamento
5. Pompa
6. Filtro
Trattamento dell’acqua
Prima di azionare l’unità pulire il circuito idraulico. Sporco,
calcare, detriti da corrosione e altro materiale possono
accumularsi all’interno dello scambiatore di calore riducendone
la capacità di scambio termico. Può verificarsi anche un
aumento del calo pressione, con conseguente riduzione del
flusso dell’acqua. Un trattamento adeguato dell’acqua può
quindi ridurre il rischio di corrosione, erosione, formazione di
calcare ecc. E’ necessario scegliere il trattamento più
adeguato in loco, considerando il tipo di sistema e le
caratteristiche dell’acqua.
Il produttore non sarà responsabile per eventuali danni o
malfunzionamenti dell’apparecchiatura causati da mancato o
improprio trattamento dell’acqua.
Tabella 1 – Limiti di qualità dell’acqua accettabili
pH (25°C)
6,8
÷
8,0
Durezza totale (mg CaCO
3
/ l)
<
200
Conduttività elettrica
µ
S/cm (25°C)
<
800
Ferro (mg Fe / l)
<
1,0
Ione cloruro (mg Cl
-
/ l)
<
200
Ione solfuro (mg S
2 -
/ l)
Nessuno
Ione solfato (mg SO
2
4
-
/ l)
<
200
Ione ammonio (mg NH
4
+
/ l)
<
1,0
Alcalinità (mg CaCO
3
/ l)
<
100
Silice (mg SiO
2
/ l)
<
50