Кондиционеры Daikin EWAD-D-SS - инструкция пользователя по применению, эксплуатации и установке на русском языке. Мы надеемся, она поможет вам решить возникшие у вас вопросы при эксплуатации техники.
Если остались вопросы, задайте их в комментариях после инструкции.
"Загружаем инструкцию", означает, что нужно подождать пока файл загрузится и можно будет его читать онлайн. Некоторые инструкции очень большие и время их появления зависит от вашей скорости интернета.

D–EIMAC00204-14EU - 72/152
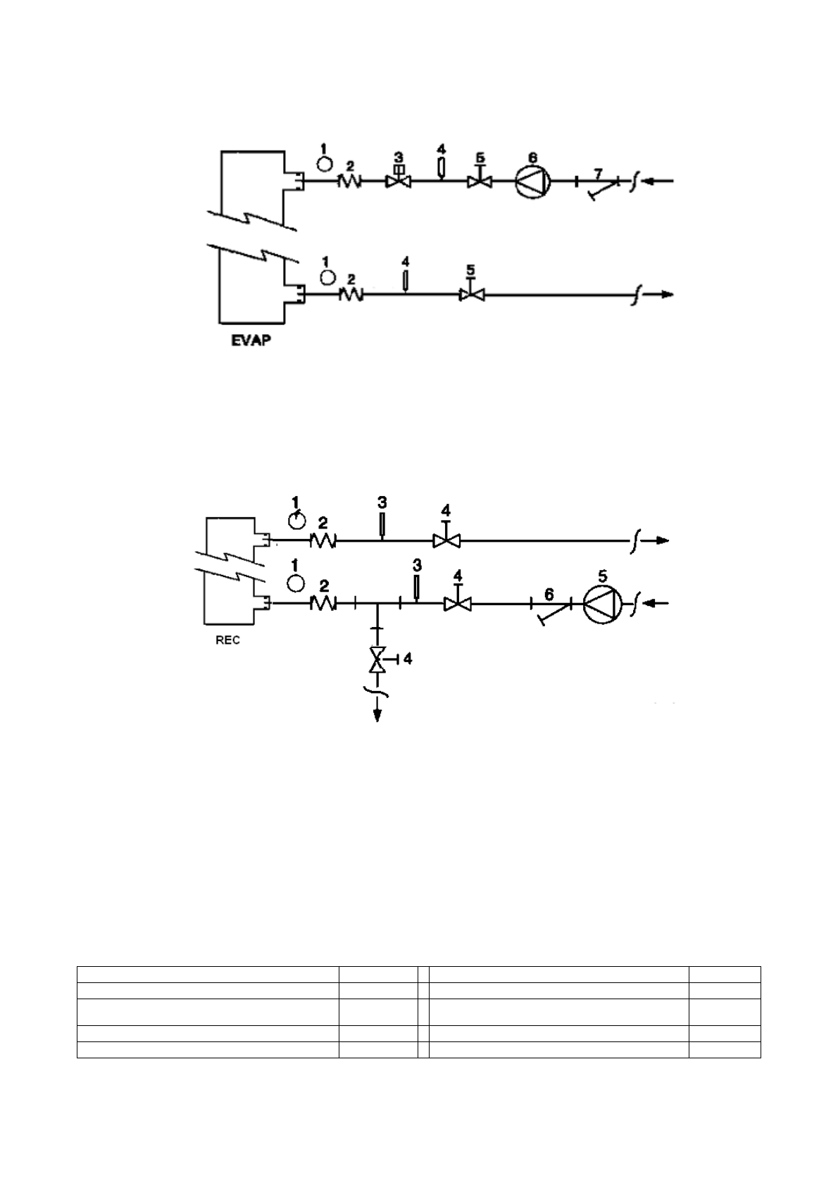
Рисунок
5 –
Схема
подключения
гидравлических
линий
к
испарителю
1.
Манометр
2.
Гибкое
гидравлическое
соединение
3.
Реле
протока
4.
Датчик
температуры
5.
Отсечной
клапан
6.
Насос
7.
Фильтр
Рисунок
6 -
Схема
подключения
гидравлических
линий
к
теплообменникам
рекуперации
тепла
1.
Манометр
2.
Гибкое
гидравлическое
соединение
3.
Датчик
температуры
4.
Отсечной
клапан
5.
Насос
6.
Фильтр
Обработка
воды
Перед
вводом
агрегата
в
эксплуатацию
выполните
очистку
гидравлического
контура
.
Грязь
,
накипь
,
продукты
коррозии
и
другие
инородные
частицы
могут
скапливаться
в
теплообменнике
,
ухудшая
условия
теплообмена
,
а
также
приводя
к
увеличению
сопротивления
системы
и
снижению
расхода
воды
.
Таким
образом
,
надлежащая
водоподготовка
уменьшает
риск
коррозии
,
эрозии
и
образования
накипи
и
т
.
д
.
Способ
водоподготовки
определяется
непосредственно
на
месте
установки
агрегата
,
исходя
из
типа
системы
и
характеристик
используемой
воды
.
Производитель
не
несет
ответственность
за
повреждение
или
неисправную
работу
оборудования
,
возникающие
в
результате
применения
необработанной
или
неправильно
обработанной
воды
.
Таблица
1 –
Допустимое
содержание
примесей
в
воде
pH (25°C)
6,8
÷
8,0
Общая
жесткость
(
мг
CaCO
3
/
л
)
<
200
Электропроводность
µ
S/
см
(25°C)
<
800
Железо
(
мг
Fe /
л
)
<
1,0
Ионы
хлора
(
мг
Cl
-
/
л
)
<
200
Ионы
сульфида
(
мг
S
2 -
/
л
)
Отсутству
ет
Ионы
сульфата
(
мг
SO
2
4
-
/
л
)
<
200
Ионы
аммония
(
мг
NH
4
+
/
л
)
<
1,0
Щелочность
(
мг
CaCO
3
/
л
)
<
100
Двуокись
кремния
(
мг
SiO
2
/
л
)
<
50