Inforce EH 6 TR - Инструкция по эксплуатации

Inforce EH 6 TR

Обогреватель Inforce EH 6 TR - инструкция пользователя по применению, эксплуатации и установке на русском языке. Мы надеемся, она поможет вам решить возникшие у вас вопросы при эксплуатации техники.

Если остались дополнительные вопросы — свяжитесь с нами через контактную форму.

1 Страница 1
2 Страница 2
3 Страница 3
4 Страница 4
5 Страница 5
6 Страница 6
7 Страница 7
8 Страница 8
9 Страница 9
10 Страница 10
11 Страница 11
12 Страница 12
13 Страница 13
14 Страница 14
15 Страница 15
16 Страница 16
Страница: / 16

Содержание:

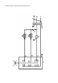
  • Страница 3 – Описание и работа тепловентилятора; Сведения о содержании драгоценных металлов: серебро – 2,85848 г.; Соответствие положений ручки переключателя режимов работы
  • Страница 4 – Рисунок 1. Внешний вид тепловентилятора EH-6 TR
  • Страница 5 – Подготовка к эксплуатации; номиналом не менее 32 А.
  • Страница 6 – Для повторного включения тепловентилятора необходимо
  • Страница 7 – Техническое обслуживание; жен производить профилактический осмотр тепловентилятора.
  • Страница 9 – Возможные неисправности и методы их устранения; Таблица 2; Гарантии изготовителя
  • Страница 11 – Телефоны и адреса центральных сервисных центров; в регионах можно на
  • Страница 13 – Таблица Б1 – Перечень деталей к внешнему виду тепловентиляторов
  • Страница 14 – Изделие проверялось во всех
Загрузка инструкции

Электротепловентилятор
Модель

EH-6 TR

www.inforce.ru

Руководство

по эксплуатации

"Загрузка инструкции" означает, что нужно подождать пока файл загрузится и можно будет его читать онлайн. Некоторые инструкции очень большие и время их появления зависит от вашей скорости интернета.

Краткое содержание

Страница 3 - Описание и работа тепловентилятора; Сведения о содержании драгоценных металлов: серебро – 2,85848 г.; Соответствие положений ручки переключателя режимов работы

1. Описание и работа тепловентилятора 1.1. Назначение теплогенератора Тепловентилятор имеет термостат, отключающий нагреватели при возникновении не- нормального режима работы (перегрев вследствие остановки электродвигателя, пере- крытия входного или выходного отверстия). Установленный срок службы – ...

Страница 4 - Рисунок 1. Внешний вид тепловентилятора EH-6 TR

Конструктивно тепловентилятор представляет собой металлический корпус, в котором размещены электродвигатель с крыльчаткой и электронагревательные элементы (далее ТЭНы). Переключатель (12 на рисунке 1) на четыре положения предназначен для установ- ления режимов работы. Термостат (15 на рисунке 1) отк...

Страница 5 - Подготовка к эксплуатации; номиналом не менее 32 А.

2. Указания по технике безопасности 3. Эксплуатация тепловентилятора 2.1. Запрещено: 2.1.1. Ставить около тепловентилятора легковоспламеняющиеся вещества. 2.1.2. При включенном тепловентиляторе касаться его внутренних частей. 2.1.3. Перекрывать входное и выходное отверстия. 2.1.4. Направлять работаю...

Характеристики

Другие модели - Обогреватели Inforce

Все обогреватели Inforce