Страница 3 - КОНСТРУКТИВНЫЕ
Простота эксплуатации • Три года ограниченной гарантии • Упрощённое техническое обслуживание в течение трёх лет при использовании мотора в личных целях • Отсутствие периода обкатки • Простой запуск ( без обогатителя и подкачки топлива ) • Электронное управление двигателем • Система охлаждения сконст...
Страница 6 - ОГЛАВЛЕНИЕ; ЭКСПЛУАТАЦИЯ
4 ОГЛАВЛЕНИЕ КАК ПОЛЬЗОВАТЬСЯ РУКОВОДСТВОМ .......................................................................... 6 УКАЗАНИЯ ПО МЕРАМ БЕЗОПАСНОСТИ ........................................................................ 7 ССЫЛКИ , ИЛЛЮСТРАЦИИ И ТЕХНИЧЕСКИЕ ХАРАКТЕРИСТИКИ ...........................
Страница 8 - ОПАСНОСТЬ
6 КАК ПОЛЬЗОВАТЬСЯ РУКОВОДСТВОМ Настоящее Руководство является неотъемлемой ча - стью комплектации подвесного мотора Evinrude Е - ТЕС . Оно содержит информацию , необходимую для пра - вильной эксплуатации , технического обслуживания , а главное — для безопасного использования Вашего подвесного мотор...
Страница 9 - ПРЕДОСТЕРЕЖЕНИЕ; ОБЩИЕ; УКАЗАНИЯ
7 Данное Руководство содержит информацию , необходи - мую для того , чтобы предотвратить возможные травмы или повреждение имущества . Предупредительные со - общения находятся в тексте Руководства . Будьте внимательны ! Ошибка человека может быть вы - звана различными причинами : небрежностью , устал...
Страница 14 - ПРЕДУПРЕЖДАЮЩИЕ
12 ►ЭКСПЛУАТАЦИЯ ПОДВЕСНОГО МОТОРА EVINRUDE E-TEC ИНФОРМАЦИЯ ПО БЕЗОПАСНОСТИ НА ПОДВЕСНОМ МОТОРЕ Подвесной мотор поставляется с навесными ярлыка - ми , содержащими важную информацию по безопасно - му использованию подвесного мотора . ПРЕДУПРЕЖДАЮЩИЕ ЗНАКИ Следующие символы используются для обозначен...
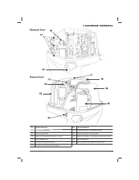
Страница 16 - ОСНОВНЫЕ
14 ►ЭКСПЛУАТАЦИЯ ПОДВЕСНОГО МОТОРА EVINRUDE E-TEC ОСНОВНЫЕ ЭЛЕМЕНТЫ Поз . Наименование Поз . Наименование 1 Отверстие для впуска воздуха , захват для подъ - ёма мотора 6 Штуцер шланга подачи топлива 2 Контрольное отверстие системы охлаждения , отверстие для промывки системы охлаждения 7 Кулачковый о...
Страница 17 - Правый борт
15 ►ОСНОВНЫЕ ЭЛЕМЕНТЫ Правый борт Левый борт Поз . Наименование Поз . Наименование 10 Топливный фильтр 16 Переключатель подъёма мотора 11 Свечи зажигания 17 Защитная крышка маховика 12 Фиксатор крышки моторного отсека 18 Крышка заливной горловины масляного бака 13 Предохранитель 19 Масляный бак 14 З...
Страница 18 - МАСЛО; ТРЕБОВАНИЯ; Evinrude/Johnson XD100; СИСТЕМА; Заправк а
16 ►ЭКСПЛУАТАЦИЯ ПОДВЕСНОГО МОТОРА EVINRUDE E-TEC МАСЛО И ТОПЛИВО ТРЕБОВАНИЯ К МАСЛАМ Масла марки Evinrude/Johnson Масла марки Evinrude/Johnson обеспечивают наи - более эффективную работу двигателя , не дают на - гара на поршне и в камере сгорания , имеют высо - кие смазывающие качества , продлевают...
Страница 19 - ►МАСЛО
17 Снимите крышку моторного отсека , чтобы открыть до - ступ к масляному баку . Снимите крышку заливной горловины масляного бака , залейте в бак рекомендованное масло ( см . раздел « ТРЕБОВАНИЯ К МАСЛАМ » на странице 16. Установите и надёжно затяните крышку заливной гор - ловины масляного бака . Уст...
Страница 20 - ПРИСАДКИ; ТОПЛИВНАЯ; ►ЭКСПЛУАТАЦИЯ
18 Спиртосодерж ащее топливо Ваш подвесной мотор сконструирован в расчёте на при - менение вышеуказанных сортов топлива . Имейте в виду следующее : • В конструкцию топливной системы Вашего судна могут быть заложены особые требования к спир - тосодержащим топливам . См . Руководство по экс - плуатаци...
Страница 21 - МЕРЫ; ЗАПУСК; Клипс
19 ►ЭКСПЛУАТАЦИЯ ЭКСПЛУАТАЦИЯ МЕРЫ БЕЗОПАСНОСТИ ПРЕДОСТЕРЕЖЕНИЕ НЕ ЗАПУСКАЙТЕ двигатель в закрытом по - мещении без надлеж ащей вентиляции либо обеспечьте надёжный отвод отработавших га - зов . В выхлопных газах содержится моноксид углерода ( угарный га з ), который представля - ет опасность для жиз...
Страница 22 - Запуск
20 Закрепите шнур безопасности на одежде или спаса - тельном жилете в таком месте , где он не мог бы слу - чайно отстегнуться . 1. Шнур безопасности Если водитель удаляется от поста управления на рас - стояние , превышающее длину шнура безопасности ( например , падает в воду ), клипс срывается с ава...
Страница 23 - ДИСТАНЦИОННОЕ
21 После запуска двигателя отпустите ключ зажигания . Если двигатель не запустился , незамедлительно отпу - стите ключ , после чего попробуйте ещё раз . Каждый раз при повороте ключа зажигания из положе - ния OFF ( выкл .) в положение ON ( вкл .) система контро - ля выполняет процедуру самодиагности...
Страница 25 - Перек лючение; Регулирование
23 ПЕРЕКЛЮЧЕНИЕ РЕЖИМОВ И РЕГУ - ЛИРОВАНИЕ ОБОРОТОВ ДВИГАТЕЛЯ ВАЖНО : Проверьте работу всех органов управления и систем мотора , перед тем как покидать причал . НЕ ВКЛЮЧАЙТЕ режим ПЕРЕДНЕГО или ЗАДНЕГО ХОДА , пока мотор не работает . ПРЕДОСТЕРЕЖЕНИЕ Во избеж ание несчастного случая обязатель - но ис...
Страница 28 - ПОДЪЁМ; Подъём
26 Ручной подъем При необходимости мотор можно поднимать и опускать вручную с помощью винта ручной регулировки . ПРЕДОСТЕРЕЖЕНИЕ Следите , чтобы никто не подходил к подня - тому мотору , когда Вы регулируете винтом его угол нак лона , так как мотор может нео - жиданно упасть и нанести сильный удар ....
Страница 29 - Фиксирующий
27 Крепко возьмитесь за захват на крышке мотора и под - нимите мотор на всю высоту . 1. Захват для подъёма мотора Упоры самостоятельно встанут в требуемое положение . ПРЕДОСТЕРЕЖЕНИЕ Когда мотор поднят , рукоятка ПОДЪЕМ / ДВИ - Ж Е Н И Е д ол ж н а о с т а в а т ь с я в п ол о ж е н и и ПОДЪЕМ (TILT...
Страница 30 - Регулировк а
28 ►ЭКСПЛУАТАЦИЯ ПОДВЕСНОГО МОТОРА EVINRUDE E-TEC Регулировк а трима ПРЕДОСТЕРЕЖЕНИЕ Остойчивость судна и усилие , прик ладываемое для поворота при рулении , зависят от состоя - ния акватории . Если ск ладываются условия , неблагоприятные для нормального движения суд - на , прикройте дроссельную зас...
Страница 35 - ОСОБЫЕ
33 ►ОСОБЫЕ УСЛОВИЯ ЭКСПЛУАТАЦИИ ОСОБЫЕ УСЛОВИЯ ЭКСПЛУАТАЦИИ ЭКСПЛУАТАЦИЯ ПОДВЕСНОГО МОТО - РА В СОЛЕНОЙ ВОДЕ Для защиты мотора , эксплуатируемого в соленой или жёсткой воде , предусмотрена анодная защита . Подняв мотор из соленой воды , оставьте его в верти - кальном положении до тех пор , пока вся ...
Страница 37 - КОНТРОЛЬ; ►КОНТРОЛЬ
35 ВАЖНО : Подвесной мотор может быть оснащён си - стемой контроля состояния двигателя , например I-Command , SystemCheck ( или аналогичной ). Система предупреждает водителя о возникновении си - туаций , которые могут привести к поломке мотора . Си - стема контроля двигателя состоит из монтируемого ...
Страница 40 - ПЕРЕЧЕНЬ
38 Общая проверк а состояния мотора ( пере д к аждым спуском лодки на воду ) Проверьте уровень топлива . Проверьте уровень масла . Проверьте работоспособность рулевого управления , переключения режимов и управления дроссельной за - слонкой ; проверьте работоспособность системы аварийного выключения ...
Страница 42 - ►ТЕХНИЧЕСКОЕ; ИНФОРМАЦИЯ
40 Техническое обслу живание , замену и ремонт устройств и систем защиты от выбросов вред - ных веществ в атмосферу можно производить в любой мастерской по обслу живанию морских двигателей с искровым зажиганием (SI) или с а - мостоятельно . Ответственность производите ля Начиная с 1999 модельного го...
Страница 43 - РЕГЛАМЕНТ
41 Регулярный осмотр и техническое обслуживание прод - левают срок службы подвесного мотора . Данная та - блица периодичности технического обслуживания со - держит перечень работ по техническому обслужива - нию мотора , которые должен проводить авторизован - ный дилер . ВАЖНО : На моторах , находящи...
Страница 44 - РЕКОМЕНДАЦИИ
42 ПРОМЫВКА СИСТЕМЫ ОХЛАЖДЕНИЯ Подвесной мотор желательно промывать после каж - дой поездки , поставив лодку на трейлер или у причала . Мотор должен находиться в вертикальном положении . 1) Расположите мотор в вертикальном положении в ме - сте с хорошим стоком воды . 2) Подсоедините садовый шланг к ...
Страница 45 - ПРЕДОХРАНИТЕЛЬ; ТРАНСПОРТИРОВКА; ►РЕКОМЕНДАЦИИ
43 СВЕЧИ ЗАЖИГАНИЯ ОПАСНОСТЬ Система зажигания представляет собой се - рьёзную опасность поражения электрическим током . Будьте предельно осторожны , чтобы не допустить травм , вызванных поражени - ем электрическим током или Вашей реакци - ей на удар тока . Не дотрагивайтесь до эле - ментов системы ...
Страница 46 - КРАТКОВРЕМЕННЫЕ; ХРАНЕНИЕ
44 ►ТЕХНИЧЕСКОЕ ОБСЛУЖИВАНИЕ ПРЕДОСТЕРЕЖЕНИЕ НЕ ЗАПУСКАЙТЕ двигатель в закрытом по - мещении без достаточной вентиляции , обе - с п еч ьт е от вод от р а б от а в ш и х г а зо в тол ь ко в определённое ограниченное пространство . Отработавшие га зы содерж ат моноксид угле - рода ( угарный га з ), ко...
Страница 47 - ►ХРАНЕНИЕ
45 Подготовк а к консервации — мото - ры всех типов Консервацию подвесного мотора можно провести на воде . В этом случае необходимо в первую оче - редь убедиться , что отверстия водозабора полностью находятся под водой . 1) Стабилизируйте топливо . Для этого добавьте в то - пливо кондиционер 2+4 Fue...
Страница 49 - П о с ле; ПРЕДСЕЗОННОЕ
47 ►ХРАНЕНИЕ ПОДВЕСНОГО МОТОРА 4) Дайте мотору проработать некоторое время ( обыч - но менее минуты ) и выключиться автоматически . После автоматического выключения мотора консер - вация считается выполненной . ● Если мотор НЕ ВЫКЛЮЧАЕТСЯ самостоятельно , то , возможно , Вы не дали ему проработать д...
Страница 50 - ►ДИАГНОСТИКА; ДИАГНОСТИКА
48 НЕИСПРАВНОСТЬ ВОЗМОЖНАЯ ПРИЧИНА , МЕРЫ ПО УСТРАНЕНИЮ Электростартер не работает • Рукоятка переключения режимов не находится в НЕЙ - ТРАЛЬНОМ ПОЛОЖЕНИИ . • Перегорел предохранитель . • Разряжена аккумуляторная батарея Двигатель не запускается • Неправильный запуск мотора . См . раздел « ЗАПУСК ДВ...
Страница 52 - ВИНТ; Выбор; СНАРЯЖЕНИЕ; Установк а
50 ВИНТ Выбор винта ПРЕДОСТЕРЕЖЕНИЕ Внимательно следите за людьми на воде . Пе - реводите подвесной мотор в нейтральный ре - жим и вык лючайте двигатель , когда прибли - ж аетесь к мест у , где возможно прису тствие людей на воде . Контакт с вращ ающимся вин - том или движущейся лодкой может привест...
Страница 53 - Ремонт; АККУМУЛЯТОРНАЯ; Техниче ские; ►СНАРЯЖЕНИЕ
51 Установите новый шплинт и загните его концы . Уберите деревянный блок . Убедитесь , что мотор нахо - дится в НЕЙТРАЛЬНОМ РЕЖИМЕ и прокрутите винт . Он должен вращаться свободно . Ремонт Если ваш винт ударился о твёрдый предмет , воздей - ствие , частично поглощаются резиновой втулкой в цен - тре ...
Страница 54 - Обслу живание; ДАВЛЕНИЕ
52 1. Основной кабель аккумуляторной батареи 2. Зубчатая шайба 3. Провода других потребителей тока Затяните все соединения и нанесите смазку Triple Guard Grease. ПРЕДОСТЕРЕЖЕНИЕ Содержите контакты батареи в чистом состо - янии , а также , надёжно затяну тыми , для пре - дотвращения короткого замыкан...
Страница 55 - ►РЕГУЛИРОВКИ; РЕГУЛИРОВКИ
53 Настройк а оборотов в режиме хода Обороты движения в режиме хода , при желании , могут быть отрегулированы , для повышения контроля , управляе - мости , и снижения уровня шума в определённых условиях . ВАЖНО : Только ваш дилер может настроить обороты в режиме холостого хода . Регулировочный высту...
Страница 56 - Кулачковый
54 ►ТЕХНИЧЕСКОЕ ОПИСАНИЕ Кулачковый ограничите ль подъёма Если при подъёме мотор касается стенок ниши , умень - шите высоту подъёма с помощью кулачкового огра - ничителя . Мотор должен находиться в нормальном рабочем положении . Поверните кулачковый ограничитель — подайте его выступ вперёд и вверх ,...
Страница 57 - ТЕХНИЧЕСКИЕ
55 Модели 75, 90 HP Рабочий объём , куб . см . 1296 Тип двигателя рядный , двухтактный , трёхцилиндровый , E-TEC Рабочие обороты при полностью открытом дросселе , об / мин 75 HP — 4500—5500 90 HP — 4500—5500 Мощность (1) , кВт / л . с . ( при об / мин ) 75 HP — 56/75 (5000) 90 HP — 67,1/90 (5000) Хо...
Страница 58 - СВЕДЕНИЯ
56 МЕЖДУНАРОДНАЯ ОГРАНИЧЕННАЯ ГАРАНТИЯ НА ПОДВЕСНЫЕ МОТОРЫ EVINRUDE 2010, ИСПОЛЬЗУЕ - МЫЕ В АФРИКЕ , НА БЛИЖНЕМ ВОСТОКЕ , ЛАТИНСКОЙ АМЕРИКЕ , ОСТРОВАХ ТИХОГО ОКЕАНА , АЗИИ , АЛ - БАНИИ , БЫВШЕЙ ЮГОСЛАВСКОЙ РЕСПУБЛИКИ МАКЕДОНИИ , СЕРБИИ И ЧЕРНОГОРИИ , БОСНИИ И ГЕР - ЦЕГОВИНЕ И СНГ 1. ПРЕДМЕТ ОГРАНИЧЕ...
Страница 60 - BRP
58 6. УСЛОВИЯ ПРИЗНАНИЯ НЕОБХОДИМОСТИ ГАРАНТИЙНЫХ РАБОТ Зарегистрированный владелец должен известить авторизованного дилера / дистрибьютора о дефекте в течение двух (2) дней с момента его обнаружения . Владелец должен своевременно , и в любом случае — в течение га - рантийного срока , доставить изде...
Страница 61 - ►ПРОВЕРКА; ПРОВЕРКА
59 Готовы ли Вы к управлению лодкой ? 1. Прочитали ли Вы это Руководство от начала до конца ? 2. Готовы ли Вы взять на себя ответственность за безопасную эксплуатацию лодки и мотора ? 3. Понятны ли Вам все предупреждения о безопасности , указанные в этом Руководстве ? 4. Понимаете ли Вы , что это Ру...
Страница 63 - ЧАСТО; ►ЧАСТО
61 Правда ли , что в течение первых трёх лет нормальной эксплуатации мотора , используемого в личных целях , можно не обращаться к дилеру по поводу регламентного технического обслуживания ? • Да ! Компания BRP знает , что Вам больше нравится проводить время на воде , чем в сервисном центре . В кон -...
Страница 67 - ПОДТВЕРЖДЕНИЕ
Остается у дилера Остается у владельца Имя: Имя: Адрес: Адрес: Подпись: Дата: После получения нового подвесного мотора Evinrude/Johnson заполните и подпишите приведенную ниже форму. Эта информация нужна дилеру. Номер модели: Серийный номер: (заполняется дилером или владельцем) С правилами эксплуатац...