Страница 2 - ПОДДЕРЖКА ПОТРЕБИТЕЛЕЙ И СЕРВИСНОЕ
СОДЕРЖАНИЕ 1. СВЕДЕНИЯ ПО ТЕХНИКЕ БЕЗОПАСНОСТИ.................................................3 2. УКАЗАНИЯ ПО БЕЗОПАСНОСТИ................................................................... 5 3. УСТАНОВКА.................................................................................................
Страница 3 - СВЕДЕНИЯ ПО ТЕХНИКЕ БЕЗОПАСНОСТИ; возможностями
Информация по охране окружающей среды Право на изменения сохраняется. 1. СВЕДЕНИЯ ПО ТЕХНИКЕ БЕЗОПАСНОСТИ Перед установкой и эксплуатацией прибора внимательно ознакомьтесь с приложенным руководством. Производитель не несет ответственности за какие-либо травмы или ущерб, возникший вследствие неправил...
Страница 4 - Общие правила техники безопасности
• Храните все упаковочные материалы вне досягаемости детей и утилизируйте материалы надлежащим образом. • Храните моющие средства вне досягаемости детей. • Не подпускайте детей и домашних животных к прибору, когда его дверца открыта. • Если прибор оснащен устройством защиты детей, его следует включи...
Страница 5 - УКАЗАНИЯ ПО БЕЗОПАСНОСТИ
• При подключении прибора к водопроводу должны использоваться новые поставляемые с ним комплекты шлангов или другие новые комплекты шлангов, поставленные авторизованным сервисным центром. • Использовать старые комплекты шлангов нельзя. • В случае повреждения кабеля электропитания во избежание пораже...
Страница 9 - Сведения по установке
Рекомендуется сохранить упаковку и транспортировочные болты на случай, если потребуется любое дальнейшее перемещение прибора. 3.2 Сведения по установке Размещение и выравниваниеВыровняйте прибор надлежащим образом, чтобы предотвратить появление вибрации, шума и перемещение прибора во время работы.1....
Страница 11 - авторизованных магазинах
вставьте шланг и закрепите муфтой. 4. ПРИНАДЛЕЖНОСТИ 4.1 Набор крепежных накладок (4055171146) Имеется в продаже в ближайшем авторизованном магазине.При установке прибора на цоколе закрепите прибор крепежными накладками. Внимательно прочитайте инструкцию, прилагаемую к данному аксессуару. 4.2 Доступ...
Страница 12 - Описание панели управления
1 Верхняя панель 2 Дозатор моющего средства 3 Панель управления 4 Рукоятка дверцы 5 Табличка с техническими данными 6 Фильтр сливного насоса 7 Ножки для выравнивания прибора 8 Сливной шланг 9 Штуцер для подсоединения наливного шланга 10 Сетевой кабель 11 Транспортировочные болты 12 Держатель для шла...
Страница 21 - Звуковая сигнализация
Программа Отжим Предв. cтирка +Полоскание +Мягкость Отсрочка старта Менеджер времени Слив/Отжим ■ ■ ■ Aнти-Aллергия ■ ■ ■ ■ ■ ■ ■ Дeтcкoe бельё ■ ■ ■ ■ ■ ■ ■ Шелк ■ ■ ■ Шерсть ■ ■ ■ ■ Спорт ■ ■ ■ ■ ■ ■ Kypтки ■ ■ ■ ■ ■ Дeним ■ ■ ■ ■ ■ ■ ■ 8.2 Woolmark Apparel Care - Синий Компания Woolmark Company о...
Страница 22 - Включение прибора
Для выключения/включения звуковой сигнализации по окончании программы одновременно коснитесь кнопок Темп. и Отжим и удерживайте их в течение 2 секунд. На дисплее отображается On/Off При обнаружении неисправности звуковые сигналы будут выдаваться даже в случае их отключения. 9.2 Защита от детей С пом...
Страница 23 - Добавление средства; для стирки и добавок; Изменение положения; перегородки для моющих
ПРЕДУПРЕЖДЕНИЕ Убедитесь, что между уплотнителем и дверцей не зажато белье во избежание риска протечки и повреждения белья. Стирка сильно загрязненных маслом или жиром вещей может привести к повреждению резиновых деталей стиральной машины. 11.3 Добавление средства для стирки и добавок 1. Отмерьте ко...
Страница 24 - Запуск программы
добавок или отбеливателя: Извлеките перегородку для моющих средств из положения A и вставьте ее в положение B. B 2 1 MAX Положение B перегородки для моющих средств предназначено для порошковых моющих средств в заднем отделении, а также для жидких моющих средств/добавок или отбеливателя в переднем от...
Страница 25 - Запуск программы с; Система определения; Прерывание программы
11.7 Запуск программы с отсрочкой пуска 1. Последовательным касанием кнопкиОтсрочка старта добейтесь отображения на дисплее требуемого времени отсрочки. На дисплееотображается индикатор .2. Коснитесь кнопки Старт/Пауза . Прибор заблокирует дверцу и начнет выполнение обратного отсчета времени, оставш...
Страница 26 - выполняющейся программы; добавление одежды
1. Коснитесь кнопки Старт/Пауза . Замигает соответствующий индикатор. 2. Внесите изменения в опции. На дисплее изменятся соответствующие показатели. 3. Коснитесь кнопки Старт/Пауза еще раз. Программа стирки продолжит работу. 11.10 Отмена выполняющейся программы 1. Для отмены программы и выключения п...
Страница 27 - окончания цикла
11.13 Слив воды после окончания цикла В случае выбора программы или опции, по окончании которых в баке остается вода, выполнение программы завершается, но:• В области времени отображается , а на дисплее отображается индикатор блокировки дверцы . • барабан по-прежнему продолжает вращаться с периодиче...
Страница 28 - Моющие средства и; другие добавки
• Выверните многослойные изделия, изделия из шерсти и вещи с аппликациями. • Заранее обработайте стойкие пятна. • При помощи специального средства для стирки отстирайте сильно загрязненные места. • Обращайтесь со шторами с осторожностью. Удалите крючки или поместите занавески в мешок для стирки или ...
Страница 29 - Очистка наружных; поверхностей; Профилактическая; стирка; Дверной уплотнитель со; уловителем
12.5 Жесткость воды Если вода в вашем регионе имеет высокую или среднюю жесткость, рекомендуется использовать предназначенные для стиральных машин смягчители для воды. В регионах, где вода имеет низкую жесткость, использование смягчителя для воды не требуется. Чтобы узнать уровень жесткости воды в в...
Страница 30 - Очистка дозатора; моющего средства
для регулярного обслуживания и очистки. Регулярно проверяйте состояние уплотнителя и удаляйте все предметы с его внутренней стороны. Монеты, пуговицы и другие мелкие предметы, забытые в карманах одежды, выводятся в ходе стирки в специальный двойной уловитель в уплотнении дверцы, откуда их можно с уд...
Страница 31 - Очистка фильтра сливного насоса
3. Как следует удалите все остатки моющего средства с верхней и нижней части углубления. Для очистки углубления воспользуйтесь небольшой щеткой. 4. Установите дозатор моющих средств на направляющие и закройте его. Запустите программу полоскания без белья в баке. 13.7 Очистка фильтра сливного насоса ...
Страница 33 - Очистка наливного шланга и фильтра клапана
9. 1 2 10. ВНИМАНИЕ! Убедитесь, что крыльчатка насоса свободно вращается. Если она не вращается, обратитесь в авторизованный сервисный центр. Также убедитесь, что фильтр затянут надлежащим образом во избежание протечек. После выполнения операции экстренного слива воды необходимо повторно включить си...
Страница 34 - замерзания; ПОИСК И УСТРАНЕНИЕ НЕИСПРАВНОСТЕЙ
13.9 Экстренный слив Если прибор не может выполнить слив воды, произведите процедуру, описанную в Параграфе «Чистка сливного насоса». При необходимости очистите насос.После выполнения операции экстренного слива воды необходимо повторно включить систему слива:1. Залейте 2 литра воды в отсек дозатора ...
Страница 35 - Возможные неисправности
данный код ошибки появится повторно, обратитесь в авторизованный сервисный центр. • - В прибор не поступает как следует вода. • - Прибор не сливает воду. • - Дверца прибора открыта или не закрыта как следует. Пожалуйста, проверьте дверцу! В случае перегрузки прибора выньте из барабана несколько веще...
Страница 37 - ПОКАЗАТЕЛИ ПОТРЕБЛЕНИЯ
Неисправность Возможное решение В ходе выполнения программы ее продол‐ жительность увеличи‐ вается или умень‐ шается. • Функция SensiCare System может регулировать про‐ должительность программы сообразно типу и разме‐ ру загрузки. См. Раздел «Определение загрузки SensiCare System» Главы «Ежедневное ...
Страница 38 - ТЕХНИЧЕСКИЕ ДАННЫЕ
Программы За‐ грузка (кг) Потре‐ бление элек‐ троэнер‐ гии (кВт·ч) Потре‐ бление воды (в литрах) Прибли‐ зитель‐ ная про‐ должи‐ тель‐ ность програм‐ мы (в минутах) Остаточ‐ ная влаж‐ ность(%) 1) Тонкие ткани 40°C 1 0.48 43 60 37 Шерсть 30°C 1 0.19 37 70 32 Стандартные программы для хлопкаСтандартна...
Страница 39 - Ежедневное использование
Подключение воды 1) Холодная вода Максимальная за‐ грузка Хлопок 6 кг Класс энергопотребления A+++ Скорость отжима Максимум 1000 об/мин 1) Присоедините наливной шланг к водопроводному крану с резьбой 3/4'' . 17. НЕИСПРАВНОСТЬ ЭЛЕКТРОСЕТИ В случае кратковременного или долговременного перебоя подачи э...
Страница 40 - Чистка фильтра сливного насоса
Нажмите на кнопку Вкл/Выкл для выключения прибора. 18.2 Чистка фильтра сливного насоса 1 3 2 1 2 Регулярно производите чистку фильтра, особенно если на дисплеевысветился код ошибки . 18.3 Программы Программы Загрузка Описание изделия Хлопок 6 кг Белый и цветной хлопок. Хлопок Эко 6 кг Белый и цветно...
Страница 41 - ОХРАНА ОКРУЖАЮЩЕЙ СРЕДЫ
Программы Загрузка Описание изделия Шелк 3 кг Специальная программа для стирки шелковых и смесовых синтетических тканей. Шерсть 1 кг Шерсть, пригодная для машинной стир‐ ки, а также шерстяные изделия, подле‐ жащие ручной стирке и деликатные тка‐ ни. Спорт 3 кг Спортивная одежда. Kypтки 1,5 кг 1) 1 к...
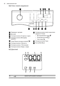
Страница 52 - Опис панелі керування
6.2 Опис панелі керування 2 3 4 5 11 10 7 1 6 8 9 1 Перемикач програм 2 Дисплей 3 Сенсорна кнопка Отсрочка старта 4 Сенсорна кнопка Менеджер времени 5 Старт/Пауза сенсорна кнопка 6 Сенсорна кнопка +Мягкость 7 Сенсорна кнопка +Полоскание 8 Сенсорна кнопка Предв. cтирка 9 Сенсорна кнопка опцій скороче...