Страница 2 - СОДЕРЖАНИЕ
2 СОДЕРЖАНИЕ ТЕХНИЧЕСКИЕ ХАРАКТЕРИСТИКИ ................................................................................ 3 ВВЕДЕНИЕ ......................................................................................................................... 3 ОБЩИЕ ПРАВИЛА БЕЗОПАСНОСТИ ....................
Страница 3 - Уважаемый пользователь!; Характиристики
3 ТЕХНИЧЕСКИЕ ХАРАКТЕРИСТИКИ ВВЕДЕНИЕ Уважаемый пользователь! Благодарим за покупку продукции CHAMPION. В данном руководстве приведены прави - ла эксплуатации инструмента CHAMPION. Перед началом работ внимательно прочтите ру - ководство. Эксплуатируйте устройство в соответствии с правилами и с учето...
Страница 4 - РАБОЧАЯ ЗОНА
4 ОБЩИЕ ПРАВИЛА БЕЗОПАСНОСТИ Внимательно прочтите данное руковод - ство. Ознакомьтесь с генератором и его ра - ботой, прежде чем приступать к эксплуата - ции. Ознакомьтесь с работой рычагов управ - ления. Знайте, что делать в экстренных си - туациях. Обратите особое внимание на ин - формацию, которо...
Страница 7 - ПАНЕЛЬ УПРАВЛЕНИЯ
7 РАСПОЛОЖЕНИЕ ОСНОВНЫХ УЗЛОВ И ОРГАНОВ УПРАВЛЕНИЯ На рисунках 1,2,3, показаны расположение основных узлов и органов управления ди - зельного генератора. 1 2 3 4 5 6 Рис.1 1.Пробка для слива масла из картера 2.Крышка клапанного механизма 3.Карбюратор 4. Рычаг воздушной заслонки 5. Защелка крышки воз...
Страница 8 - УСТРОЙСТВО
8 УСЛОВИЯ ИСПОЛЬЗОВАНИЯ ГЕНЕРАТОРА Все рабочие характеристики генератора, за - явленные заводом-изготовителем, сохраня - ются при работе в температурном интерва - ле от -10°С до +40°С и относительной влаж - ности воздуха до 90 %. Высота над уровнем моря до 1000м.Генератор предназначен для использова...
Страница 9 - РЕЖИМЫ РАБОТЫ ГЕНЕРАТОРА; ИСПОЛЬЗОВАНИЕ ГЕНЕРАТОРА; ТИПЫ НАГРУЗОК; Примерный расчет необходимой
9 заземлителей могут использоваться на - ходящиеся в земле металлические трубы системы водоснабжения, канализации или металлические каркасы зданий, имеющие соединение с землей. Категорически запре - щается использовать в качестве заземли - телей трубопроводы горючих и взрывчатых газов и жидкостей! В...
Страница 12 - ПРОВЕРКА ПЕРЕД НАЧАЛОМ РАБОТЫ; МОТОРНОЕ МАСЛО; ТАБЛИЦА ДЛЯ ВЫБОРА; ПРОВЕРКА УРОВНЯ МАСЛА
12 ПРОВЕРКА ПЕРЕД НАЧАЛОМ РАБОТЫ МОТОРНОЕ МАСЛО ВНИМАНИЕ! Каждый раз перед запуском двига - теля необходимо проверить уро - вень масла в картере, при необхо - димости долить. Моторное масло является важным факто - ром, влияющим на срок службы двигателя. Необходимо своевременно производить за - мену ...
Страница 13 - ТОПЛИВО; АККУМУЛЯТОРНАЯ БАТАРЕЯ
13 4. Снова извлеките щуп и проверьте уро - вень масла. Он должен доходить до верхней отметки, что соответствует ниж - нему краю отверстия горловины. 5. При необходимости долейте масло до требуемого уровня. 6. Установите щуп на место. ВНИМАНИЕ! Перед запуском двигателя про - верьте, правильно или не...
Страница 15 - ЭКСПЛУАТАЦИЯ ГЕНЕРАТОРА; ЗАПУСК ДВИГАТЕЛЯ; Запуск с помощью электрического стартера; ОСТАНОВКА ДВИГАТЕЛЯ
15 ЭКСПЛУАТАЦИЯ ГЕНЕРАТОРА ЗАПУСК ДВИГАТЕЛЯ Запуск с помощью электрического стартера 1. Проверьте уровень масла в картере и уровень топлива в топливном баке. 2. Отключите все потребители электро - энергии от генератора и установи - те выключатель сети (6) в положение OFF(выключено) Рис.4. 3. Закройт...
Страница 16 - Чем выше ток сварки, тем меньше ПН сва
16 РЕЖИМ РАБОТЫ СВАРОЧНОГО ГЕНЕРАТОРА Основной рабочей характеристикой при вы - боре сварочного генератора является сила тока в амперах, которую он может генериро - вать во время рабочего цикла. Сила тока – это мощностная характеристика генератора; чем больше сила тока, тем мощнее генера - тор.Не ме...
Страница 17 - ТЕХНИЧЕСКОЕ ОБСЛУЖИВАНИЕ; ТАБЛИЦА ПО ТЕХНИЧЕСКОМУ ОБСЛУЖИВАНИЮ
17 ТЕХНИЧЕСКОЕ ОБСЛУЖИВАНИЕ Для поддержания высокой эффективности работы генератора необходимо периодиче - ски проверять его техническое состояние и выполнять необходимые регулировки. В та - блице, приведенной ниже, указана перио - дичность технического обслуживания и виды выполняемых работ. ВНИМАНИ...
Страница 18 - ЗАМЕНА МОТОРНОГО МАСЛА; РАБОТЫ ПО ТЕХНИЧЕСКОМУ; ОБСЛУЖИВАНИЕ ВОЗДУШНОГО
18 ЗАМЕНА МОТОРНОГО МАСЛА 1 2 Рис.10 Перед заменой масла прогрейте двигатель в течение 3-5 минут. Это обеспечит быстрый и полный слив масла.Для замены масла необходимо:1. Извлеките масляный щуп (1) из залив - ной горловины. 2. Открутите сливной болт (2) и слейте масло в подходящую емкость. 3. Закрут...
Страница 21 - ДВИГАТЕЛЬ
21 ВОЗМОЖНЫЕ НЕИСПРАВНОСТИ ГЕНЕРАТОРА И МЕТОДЫ ИХ УСТРАНЕНИЯ ДВИГАТЕЛЬ Возможная причина Метод устранения Двигатель не запускается Некачественное топливо Заменить топливо Не поступает топливо в карбюратор Проверить открыт или нет топливный кран Нет искры на свече зажигания Проверить и заменить свечи...
Страница 22 - ГЕНЕРАТОР
22 Стук в картере двигателя Износ коренных подшипников или шатунных вкладышей Заменить изношенные детали Стук в головке цилиндра Повышенный зазор в клапанном механизме Отрегулировать зазор, при большом износе за - менить изношенные детали Повышенный зазор между шатуном и поршне - вым пальцем Заменит...
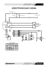
Страница 23 - ЭЛЕКТРИЧЕСКАЯ СХЕМА
23 ЭЛЕКТРИЧЕСКАЯ СХЕМА V ВЫКЛ. ВКЛ. СТАРТ КЛЮЧ СТАРТЕРА С ТАР ТЕР ГЕНЕРАТОР зе леный зе леный АС14В голубой голубой Розетка DC12В Прерыватели сети Розетка АС220В Сварочные клемы DC60B черный красный черный красный Вольтметр Индикатор сети черный красный коричневый белый черный красный белый Аккумуля...