Страница 2 - СОДЕРЖАНИЕ
2 СОДЕРЖАНИЕ 1. ТЕХНИЧЕСКИЕ ХАРАКТЕРИСТИКИ .............................................................................3 2. ВВЕДЕНИЕ ......................................................................................................................4 3. СИМВОЛЫ ПРЕДОСТЕРЕЖЕНИЯ, УПРАВЛЕНИЯ И ИНФОР...
Страница 3 - ТЕХНИЧЕСКИЕ ХАРАКТЕРИСТИКИ
3 1. ТЕХНИЧЕСКИЕ ХАРАКТЕРИСТИКИ Характеристики Модель GG6501E 81,2 IP23 101 75 ATS 3 25 6 5 50 230 11 AVR (*) – клеммы 12В – дополнительная опция. Конструкция может быть изменена.Технические характеристики могут быть изменены без предварительного уведомления. Электронная Ручной/электрический
Страница 4 - Уважаемый пользователь!; Благодарим за покупку продукции CHAMPION. В данном руководстве
4 2. ВВЕДЕНИЕ Уважаемый пользователь! Благодарим за покупку продукции CHAMPION. В данном руководстве приведены правила эксплуатации генератора CHAMPION. Перед началом работ внимательно прочтите руководство. Эксплуатируйте генератор в соот- ветствии с правилами и с учетом требований безопасности, а т...
Страница 5 - УПРАВЛЕНИЯ И ИНФОРМАЦИИ; виде наклеек либо нанесены рельефно на корпусе.
5 3. СИМВОЛЫ ПРЕДОСТЕРЕЖЕНИЯ, УПРАВЛЕНИЯ И ИНФОРМАЦИИ Символы предостережения, управления и информации размещены на генераторе в виде наклеек либо нанесены рельефно на корпусе. Запрещается работать во время дождя и сильного снегопада без навеса Не прикасайтесь к глушителю, пока он горячий Опасное на...
Страница 6 - ОСНОВНЫЕ ПОНЯТИЯ И ОПРЕДЕЛЕНИЯ; Активная нагрузка
6 4. ОСНОВНЫЕ ПОНЯТИЯ И ОПРЕДЕЛЕНИЯ Нагрузка (электрическая нагрузка, по- требитель) — устройство, потребляю- щее электрическую мощность. Нагрузка имеет активную и реактивную составля- ющую. Активная нагрузка — устройство, в кото- ром практически вся потребляемая элек- трическая энергия может быть и...
Страница 7 - ИСПОЛЬЗОВАНИЕ ПО НАЗНАЧЕНИЮ
7 5. ИСПОЛЬЗОВАНИЕ ПО НАЗНАЧЕНИЮ Генератор предназначен для непрофес- сионального использования в качестве автономного источника электроснабже- ния, с соблюдением всех требований Ру- ководства по эксплуатации. Время непрерывной работы генератора ограничено емкостью топливного бака. Во время работы г...
Страница 8 - ОБЩИЕ ПРАВИЛА БЕЗОПАСНОСТИ
8 6. ОБЩИЕ ПРАВИЛА БЕЗОПАСНОСТИ Внимательно прочтите данное руко- водство. Ознакомьтесь с устройством генератора прежде, чем приступать к эксплуатации. Ознакомьтесь с работой органов управления. Знайте, что делать в экстренных ситуациях. Обратите осо- бое внимание на информацию, которой предшествуют...
Страница 10 - ПОЖАРНАЯ БЕЗОПАСНОСТЬ
10 7. ТРЕБОВАНИЯ ТЕХНИКИ БЕЗОПАСНОСТИ ВО ВРЕМЯ ЭКСПЛУАТАЦИИ ПОЖАРНАЯ БЕЗОПАСНОСТЬ 1. Топливо является легко воспламеня- емым и взрывоопасным веществом. Не курите, не допускайте наличия искр и пламени в зоне хранения то- плива и при заправке двигателя. Пе- ред заправкой заглушите двигатель и убедитес...
Страница 14 - УСТРОЙСТВО И ПРИНЦИП
14 Рис. 3 Панель управления 1. Замок зажигания 2. Разъем для подключения блока ATS 3. Предохранитель выхода постоянного тока 4. Счетчик моточасов 5. Вольтметр 6. Выключатель сети 7. Розетки 230В/16А 8. Розетка 230В/32А 9. Клемма заземления 10. Индикатор «СЕТЬ» 11. Клеммы 12В/6А УСТРОЙСТВО И ПРИНЦИП ...
Страница 16 - ПОДГОТОВКА К РАБОТЕ
16 10. ПОДГОТОВКА К РАБОТЕ И ЭКСПЛУАТАЦИЯ ПОДГОТОВКА К РАБОТЕ Генератор рекомендуется эксплуати- ровать на открытом воздухе. При этом обеспечиваются наилучшие условия для подвода воздуха и отвода выхлопных газов. Генератор должен быть защищен от воздействия прямых солнечных лу- чей и атмосферных оса...
Страница 17 - МОТОРНОЕ МАСЛО
17 тегорически запрещается использовать в качестве заземлителей трубопроводы горючих и взрывчатых газов и жидкостей! Во всех случаях работа по заземлению должна выполняться специалистом! МОТОРНОЕ МАСЛО ВНИМАНИЕ! Генератор поставляется с за - вода без масла в картере дви - гателя. Перед запуском в ра...
Страница 18 - ЗАПРАВКА ДВИГАТЕЛЯ НОВОГО
18 Рис. 6 Крышка-щуп маслозаливной горловины 3. Протрите щуп насухо и вставьте в от- верстие горловины, не закручивая. Рис. 7 Проверка уровня масла в картере 4. Аккуратно вытащите щуп и осмотрите его. Уровень масла должен соответ- ствовать верхней отметке на щупе. При недостаточном уровне масла в ка...
Страница 19 - АККУМУЛЯТОРНАЯ БАТАРЕЯ
19 Заправка топливом проводится при вы- ключенном двигателе и в местах с хоро- шим проветриванием. При работе с то- пливом запрещается курить и применять открытый огонь. Не допускается разлив топлива. Надо предотвращать много- кратное или долговременное касание кожи с топливом, а также вдыхания то- ...
Страница 20 - Запуск с помощью ручного стартера
20 ВНИМАНИЕ! Датчик уровня масла (при его наличии) не гарантирует 100% защиту двигателя от запуска при отсутствии масла или не - достаточном его количестве в карте - ре и остановку двигателя во время ра - боты с недостаточным уровнем масла в картере. Запуск с помощью электрического стартера 1. Прове...
Страница 22 - ОСТАНОВКА ДВИГАТЕЛЯ; ОБКАТКА ГЕНЕРАТОРА
22 3. Полностью исправная и заряженная аккумуляторная батарея перед запу- ском генератора хранилась в поме- щении при температуре выше +5 °С. При возникновении трудностей при за- пуске:— Попытайтесь подогреть картер/ци- линдр двигателя (не использовать от- крытый огонь). — Выкрутите свечу зажигания,...
Страница 25 - ПРИНЦИП РАБОТЫ БЛОКА ATS
25 Рис. 15 Схема подключения блока ATS ВНИМАНИЕ! Ключ зажигания генерато - ра установите в положение «ВКЛ.». Выключатель сети генератора установите в положение «ВКЛ.». ПРИНЦИП РАБОТЫ БЛОКА ATS Когда прекращается подача электро- энергии от наружной сети, блок ATS не- медленно запускает программу запу...
Страница 26 - ТАБЛИЦА 2. Виды работ и сроки технического обслуживания; ТЕХНИЧЕСКОЕ ОБСЛУЖИВАНИЕ; ВИДЫ РАБОТ И СРОКИ
26 ТАБЛИЦА 2. Виды работ и сроки технического обслуживания Виды работ технического обслуживания Перед началом работы Первые 25 часов Каждые 50 часов Каждые 6 месяцев или 100 часов Каждый год или 300 часов При не - обходи - мости Моторное масло* Проверка уровня Х Замена Через первые 5 часов работы Х ...
Страница 27 - ЗАМЕНА МОТОРНОГО МАСЛА
27 ПРЕДУПРЕЖДЕНИЕ! Заглушите двигатель и дай - те ему остыть перед тем, как выполнять какие-либо ра - боты по техническому обслуживанию генератора, кроме необходимых работ по регулировке двигателя. ВНИМАНИЕ! График технического об - служивания (ТО) применим к нормальным условиям экс - плуатации. Есл...
Страница 29 - РЕГУЛИРОВКА ЗАЗОРОВ
29 в год) производить их очистку . Одновре - менно с очисткой топливного фильтра необходимо промыть и очистить топлив - ный бак от грязи и конденсата.Устройство топливного крана показано на Рис. 19. Рис. 19 Устройство топливного крана 1. Корпус топливного крана 2. Сетчатый фильтр плоский 3 .Кольцо у...
Страница 31 - И УТИЛИЗАЦИЯ; ХРАНЕНИЕ; ВВОД В ЭКСПЛУАТАЦИЮ
31 12. ХРАНЕНИЕ, ТРАНСПОРТИРОВАНИЕ И УТИЛИЗАЦИЯ ХРАНЕНИЕ Генератор следует хранить в сухом, не запыленном помещении. При хранении должна быть обеспече- на защита генератора от атмосферных осадков.Наличие в воздухе паров кислот, щело- чей и других агрессивных примесей не допускается. Генератор во вре...
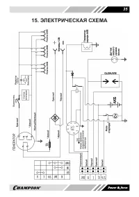
Страница 33 - ДВИГАТЕЛЬ; ГЕНЕРАТОР ПЕРЕМЕННОГО ТОКА; ПОИСК И УСТРАНЕНИЕ НЕИСПРАВНОСТЕЙ
33 ДВИГАТЕЛЬ Возможная причина Метод устранения Двигатель не запускается Ключ зажигания находится в положении «ВЫКЛ.» Переведите ключ зажигания в положение «ВКЛ.» Воздушная заслонка карбюратора открыта (двигатель в холодном состоянии) Закройте воздушную заслонку карбюратора Пустой топливный бак Запо...
Страница 34 - РАСЧЕТ НАГРУЗКИ ГЕНЕРАТОРА; Примерный расчет необходимой
34 14.РАСЧЕТ НАГРУЗКИ ГЕНЕРАТОРА Для расчета нагрузки генератора необ- ходимо знать номинальную мощность потребителей электрической энергии и коэффициенты (К) пускового тока (если у нагрузок есть реактивная составляю- щая). Значения коэффициентов пусково- го тока приведены в Таблице 3. ТАБЛИЦА 3. Зн...
Страница 36 - WWW
ПРОИЗВОДИТЕЛЬ ОСТАВЛЯЕТ ЗА СОБОЙ ПРАВО БЕЗ ПРЕДВАРИТЕЛЬНОГО УВЕДОМЛЕНИЯ ВНОСИТЬ ИЗМЕНЕНИЯ В КОМПЛЕКТНОСТЬ, КОНСТРУКЦИЮ ОТДЕЛЬНЫХ ДЕТАЛЕЙ И УЗЛОВ, НЕ УХУДШАЮЩИЕ КАЧЕСТВО ИЗДЕЛИЯ. ПОСЛЕ ПРОЧТЕНИЯ РУКОВОДСТВА СОХРАНИТЕ ЕГО В ДОСТУПНОМ И НАДЕЖНОМ МЕСТЕ. WWW .CHAMPION T OOL.RU ИМПОРТЕР : ООО «Северо-Запа...