Страница 2 - Ваши замечания и предложения присылайте по адресу; СОДЕРЖАНИЕ
2 Источник тепла: электрические нагревательные элементы (ТЭНы) E - W - водяной воздухонагреватель (теплообменник) газовый воздухонагреватель G - A - без источника тепла Для исполнения : W Условная тепловая мощность при температуре подаваемойводы 150°С ее охлаждении до 130°С и температуреокружающего ...
Страница 3 - УСТРОЙСТВО И ПОРЯДОК РАБОТЫ
3 1 НАЗНАЧЕНИЕ 1.1 Воздушные завесы КЭВ-П5051А и КЭВ-П5061А, именуемые в дальнейшем «завесы» не имеют источника тепла, предназначены для защиты открытых проемов (ворот) высотой от 4 до 6 метров от проникновения холодного наружного воздуха внутрь здания путем создания струйной воздушной преграды (защ...
Страница 4 - приобретаются отдельно согласно проекта защиты проема.; Вид А
4 Рисунок 1. Воздушная завеса 4.5 У п р а в л е н и е з а в е с о й 4.5.1 Управление завесой и подключение к электрической сети может быть осуществлено двумя способами: СПОСОБ 1. Подключение через модуль МП-WA. Модуль подключения завес, далее модуль МП-WA, предназначен для подключения одной завесы с...
Страница 7 - СВЕДЕНИЯ ОБ УТИЛИЗАЦИИ; Использование непригодной завесы ЗАПРЕЩЕНО!; ВОЗМОЖНЫЕ НЕИСПРАВНОСТИ И СПОСОБЫ ИХ УСТРАНЕНИЯ
7 ВНИМАНИЕ! ПОСЛЕ ТРАНСПОРТИРОВАНИЯ ИЗДЕЛИЯ ПРИ ОТРИЦАТЕЛЬНЫХ ТЕМПЕРАТУРАХ, СЛЕДУЕТ ВЫДЕРЖАТЬ ИЗДЕЛИЕ В ПОМЕЩЕНИИ, ГДЕ ПРЕДПОЛАГАЕТСЯ ЕГО ЭКСПЛУАТАЦИЯ, БЕЗ ВКЛЮЧЕНИЯ В СЕТЬ НЕ МЕНЕЕ 2 ЧАСОВ. возможные удары и перемещения внутри транспортного средства. 9.4 Допускается транспортирование завес в универ...
Страница 8 - ГАРАНТИЙНЫЕ ОБЯЗАТЕЛЬСТВА
8 РЕКЛАМАЦИИ БЕЗ ТЕХНИЧЕСКОГО АКТА И ПАСПОРТА НА ИЗДЕЛИЕ C ЗАПОЛНЕННЫМ СВИДЕТЕЛЬСТВОМ О ПОДКЛЮЧЕНИИ НЕ ПРИНИМАЮТСЯ! Гарантийный и послегарантийный ремонт осуществляется по адресу: 195279, Санкт-Петербург, шоссе Революции, 90 Тел. (812) 301-99-40, тел./факс (812) 327-63-82 Сервис-центр: (812) 493-35-...
Страница 9 - Рисунок 2. Габаритные и присоединительные размеры
9 А Б А Б 1466 1520,8 30 0 m in L 1 L 71 0 74 3 77 0 105 75 Место ввода силового кабеля ; место вывода кабеля управления 99 0 67 0 100 97 5 103,3 75 Всасывание Всасывание Нагнетание Нагнетание A 2 A 3 1238 Модель завесы Размеры , мм n L L 1 l A A 1 A 2 A 3 КЭВ - П 5051A 1520 1470 430 660 - 1238 - 8 ...
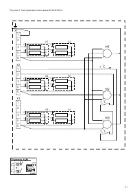
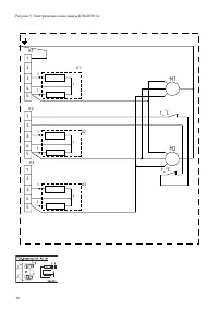
Страница 11 - Рисунок 4. Электрическая схема завесы КЭВ-П5061А; t C
11 Рисунок 4. Электрическая схема завесы КЭВ-П5061А 3 3 3 2 2 2 1 1 1 5 5 5 4 4 4 X1 X2 X3 3 3 3 3 3 3 5 5 5 5 5 5 4 4 4 4 4 4 0 t C ì 0 t C ì 0 t C ì Ì1 Ì2 Ì3 À1 À2 À3 À4 À5 À6
Страница 12 - СВИДЕТЕЛЬСТВО О ПРИЕМКЕ; Дата изготовления; СВИДЕТЕЛЬСТВО О ПОДКЛЮЧЕНИИ; Подключена к сети в соответствии с п.7 Паспорта; СБ
12 13 СВИДЕТЕЛЬСТВО О ПРИЕМКЕ Воздушная завеса модели: (нужное отметить) КЭВ-П5051АКЭВ-П5061А Заводской номер №_______________________ Воздушная завеса изготовлена и принята в соответствии с требованиями ТУ 4864-037-54365100-2015 и признана годной к эксплуатации. Декларация о соответствии ТС №RU Д-R...