Страница 2 - Ваши замечания и предложения присылайте по адресу; СОДЕРЖАНИЕ
2 Источник тепла: электрические нагревательные элементы (ТЭНы) E - W - водяной воздухонагреватель (теплообменник) газовый воздухонагреватель G - A - без источника тепла Для исполнения : W Условная тепловая мощность при температуре подаваемойводы 150°С ее охлаждении до 130°С и температуреокружающего ...
Страница 4 - УСТРОЙСТВО И ПОРЯДОК РАБОТЫ
4 4 УСТРОЙСТВО И ПОРЯДОК РАБОТЫ 4.1 С помощью вентиляторов воздух всасывается из помещения, подогревается, проходя через теплообменник и выбрасывается через сопло в виде направленной струи. 4.2 Завеса состоит из прочного корпуса, изготовленного из оцинкованной стали, стандартный угол сопла – 0°, по ...
Страница 5 - Вид А
5 Рисунок 2. Воздушно-тепловая завеса 4.6 Отводы с резьбовыми заглушками служат как для гарантированного выпуска воздуха при заполнении системы теплоносителем (см. п.7.4.6), так и для слива воды из теплообменника при его вертикальной ориентации патрубками вверх. При противоположенной ориентации слив...
Страница 6 - приобретаются отдельно согласно проекта защиты проема.; УКАЗАНИЕ МЕР БЕЗОПАСНОСТИ
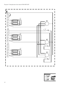
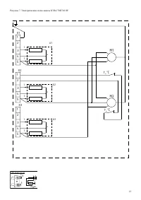
6 4.7 У п р а в л е н и е з а в е с о й 4.7.1 Управление завесой и подключение к электрической сети может быть осуществлено двумя способами: СПОСОБ 1. Подключение через модуль МП-WA. Модуль подключения завес, далее модуль МП-WA, предназначен для подключения одной завесы со степенью защиты IP54 к эле...
Страница 7 - КОМПЛЕКТНОСТЬ; ТРЕБОВАНИЯ К УСТАНОВКЕ И ПОДКЛЮЧЕНИЮ
7 5.12 Не закрывайте и не блокируйте воздухозаборное или воздуховыпускное отверстия завесы, так как это может привести к перегреву внутренних компонентов изделия и как следствие увеличить риск возгорания. 5.13 Допустима эксплуатация только в соответствии с данным паспортом. Любое другое использовани...
Страница 8 - Зав
8 М 1 1 3 3 6 5 2 7 4 АВ В Зав еса Сист ема о топления выход выход вход вход А 1 - Шаровый запорный кран; 2 - Фильтр грубой очистки; 3 - Соединительный фитинг; 4 - Насос; 5 - Обратный клапан проходной. 6 - Регулируемый вентиль байпаса клапана; 7 - Трехходовой клапан с электроприводом; М АВ 1 1 3 3 4...
Страница 10 - СВЕДЕНИЯ ОБ УТИЛИЗАЦИИ; Использование непригодной завесы ЗАПРЕЩЕНО!; ВОЗМОЖНЫЕ НЕИСПРАВНОСТИ И СПОСОБЫ ИХ УСТРАНЕНИЯ
10 9.3 Завесы транспортируют любым видом транспорта в соответствии с правилами, действующими на каждом виде транспорта. При транспортировании необходимо соблюдать манипуляционные знаки, указанные на упаковке и исключать возможные удары и перемещения внутри транспортного средства. 9.4 Допускается тра...
Страница 11 - ГАРАНТИЙНЫЕ ОБЯЗАТЕЛЬСТВА
11 12 ГАРАНТИЙНЫЕ ОБЯЗАТЕЛЬСТВА 12.1 Предприятие-изготовитель гарантирует надежную и бесперебойную работу завесы в течение 12 (двенадцать) месяцев со дня продажи. 12.2 Если какая-либо деталь выйдет из строя по причине дефекта материала или изготовления она будет бесплатно отремонтирована или заменен...
Страница 12 - Рисунок 6. Габаритные и присоединительные размеры
12 А Б В Подвод / отвод теплоносителя А Б В 1466 1520,8 30 0 m in L 71 0 74 3 77 0 105 75 Место ввода силового кабеля ; место вывода кабеля управления 99 0 97 5 103,3 75 Всасывание Всасывание Нагнетание Нагнетание A 2 A 3 1238 Модель завесы Размеры , мм n L L 1 l A A 1 A 2 A 3 КЭВ -170 П 7011W 1520 ...
Страница 15 - ДЛЯ ЗАМЕТОК
15 ДЛЯ ЗАМЕТОК _____________________________________________________________________________________ _____________________________________________________________________________________ _____________________________________________________________________________________ ___________________________...
Страница 16 - СВИДЕТЕЛЬСТВО О ПРИЕМКЕ; Дата изготовления; СВИДЕТЕЛЬСТВО О ПУСКОНАЛАДОЧНЫХ ИСПЫТАНИЯХ; Дата испытания; СБ
16 13 СВИДЕТЕЛЬСТВО О ПРИЕМКЕ Воздушно-тепловая завеса модели: (нужное отметить) КЭВ-170П7011WКЭВ-230П7021W Заводской номер №_______________________ Воздушно-тепловая завеса изготовлена и принята в соответствии с требованиями ТУ 4864-037-54365100-2015 и признана годной к эксплуатации. Декларация о с...