Страница 2 - СОДЕРЖАНИЕ
2 КЭВ - 25 T 2 0 Е Аббревиатура, означающая, что изделие выпущено НПО «Тепломаш» Функциональное назначение: С - тепловентилятор общего назначения (офисный) T - тепловентилятор общего назначения (промышленный) Номер модели ( 1, 2, 3...9 ) Источник тепла: Е - электрические нагревательные элементы Уста...
Страница 3 - *допускается кратковременное понижение температуры до минус 25; ТЕХНИЧЕСКИЕ ХАРАКТЕРИСТИКИ
3 1 НАЗНАЧЕНИЕ 1.1 Напольные тепловентиляторы конвекционного типа КЭВ-20Т20Е, КЭВ-25Т20Е, КЭВ-30Т20Е и КЭВ-35Т20Е, именуемые в дальнейшем «тепловентиляторы», имеют электрический источник тепла. Предназначены для рециркуляционного отопления помещений большого объема: производственных цехов, складов, ...
Страница 4 - УСТРОЙСТВО И ПОРЯДОК РАБОТЫ; Ручка терморегулятора; ВНИМАНИЕ: Включение клавиш производить
4 4 УСТРОЙСТВО И ПОРЯДОК РАБОТЫ 4.1 Тепловентилятор осуществляет рециркуляционное отопление, всасывая воздух из помещения, нагревая его ТЭНами и возвращая назад в помещение. 4.2 Тепловентилятор имеет прочный корпус, изготовленный из оцинкованной стали покрытой высококачественным полимерным покрытием...
Страница 5 - УКАЗАНИЕ МЕР БЕЗОПАСНОСТИ
5 Ручка терморегулятора Ручка роторного переключателя (Исполнение 2) Ручкой термостата устанавливается необходимая температура нагрева воздуха в помещении в диапазоне от плюс 5 до плюс 40°С. Термостат коммутирует включенную мощность. - выключено; - режим вентилятора (без нагрева) - минимальная тепло...
Страница 6 - Примечание - использовать кабели с многопроволочными жилами.
6 5.5 Внутри тепловентиляторов установлен нагревательный элемент. Во время эксплуатации корпус изделия может нагреваться. Во избежании ожогов рекомендуется с осторожностью приближаться к работающему изделию. 5.6 Не оставляйте без присмотра детей или людей со сложностями в передвижении вблизи работаю...
Страница 9 - 2 ГАРАНТИЙНЫЕ ОБЯЗАТЕЛЬСТВА
9 12 ГАРАНТИЙНЫЕ ОБЯЗАТЕЛЬСТВА 12.1 Предприятие-изготовитель гарантирует надежную и бесперебойную работу тепловентилятора в течение 24 месяцев со дня ввода в эксплуатацию, но не более 30 месяцев со дня продажи конечному потребителю. 12.2 Если какая-либо деталь выйдет из строя по причине дефекта мате...
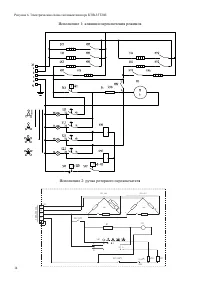
Страница 11 - Рисунок 3. Электрическая схема тепловентилятора КЭВ-20Т20Е; Схема эл. принципиальная; Исполнение 1: клавиши переключения режимов
11 Рисунок 3. Электрическая схема тепловентилятора КЭВ-20Т20Е Изделие КЭВ-20Т20 М E Схема эл. принципиальная ИзмРазраб. К.В.Лесохин Проверил Утвердил Литера Лист 1 Листов 1 Масса Масштаб Лист № докум. Инв.№ подл. Взаим Инв.№ Инв.№ дубл. Справ.№ Первое применение Подпись и дата Подпись и дата Подпись...
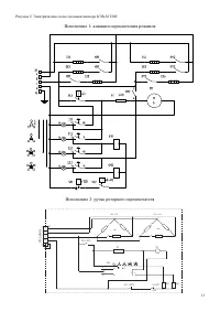
Страница 12 - Рисунок 4. Электрическая схема тепловентилятора КЭВ-25Т20Е
12 Рисунок 4. Электрическая схема тепловентилятора КЭВ-25Т20Е Изделие КЭВ-25Т20ЕМ Схема эл. принципиальная ИзмРазраб. К.В.Лесохин Проверил Утвердил Литера Лист 1 Листов 1 Масса Масштаб Лист № докум. Инв.№ подл. Взаим Инв.№ Инв.№ дубл. Справ.№ Первое применение Подпись и дата Подпись и дата Подпись Д...
Страница 13 - Рисунок 5. Электрическая схема тепловентилятора КЭВ-30Т20Е
13 Рисунок 5. Электрическая схема тепловентилятора КЭВ-30Т20Е Изделие КЭВ-30Т20ЕМ Схема эл. принципиальная ИзмРазраб. А.А.Романов К.В.Лесохин Проверил Утвердил Литера Лист 1 Листов 1 Масса Масштаб Лист № докум. Инв.№ подл. Взаим Инв.№ Инв.№ дубл. Справ.№ Первое применение Подпись и дата Подпись и да...
Страница 14 - Рисунок 6. Электрическая схема тепловентилятора КЭВ-35Т20Е
14 Изделие КЭВ-35Т20ЕМ Схема эл. принципиальная ИзмРазраб. А.А.Романов К.В.Лесохин Проверил Утвердил Литера 02 Лист 1 Листов 1 Масса Масштаб Лист № докум. Инв.№ подл. Взаим Инв.№ Инв.№ дубл. Справ.№ Первое применение Подпись и дата Подпись и дата Подпись Дата НПО «Тепломаш» КЭВ-35Т20М.03.000 Э3 Скор...
Страница 15 - ДЛЯ ЗАМЕТОК
15 ДЛЯ ЗАМЕТОК _____________________________________________________________________________________ _____________________________________________________________________________________ _____________________________________________________________________________________ ___________________________...
Страница 16 - 3 СВИДЕТЕЛЬСТВО О ПРИЕМКЕ; Дата изготовления; 4 СВИДЕТЕЛЬСТВО О ПОДКЛЮЧЕНИИ; Подключен к сети в соответствии с п.7 Паспорта; СБ
16 13 СВИДЕТЕЛЬСТВО О ПРИЕМКЕ Тепловентилятор модели: (нужное отметить) КЭВ-20Т20Е Напольный тепловентилятор изготовлен и принят в соответствии с требованиями ТУ 4864-036-54365100-2015 и признан годным к эксплуатации. Декларация о соответствии ТС №RU Д-RU.АУ04.В.26270 от 24.09.2015. Дата изготовлени...