Страница 2 - СОДЕРЖАНИЕ; Ваши замечания и предложения присылайте по адресу
2 КЭВ - 25 T 2 0 Е Идентификатор продукции АО "НПО"Тепломаш " . Является зарегестрированным товарным знаком Функциональное назначение: С - тепловентилятор общего назначения (до 18 кВт) T - тепловентилятор общего назначения (до 100 кВт) Номер модели ( 1, 2, 3...9 ) Источник тепла: Е - эле...
Страница 4 - УСТРОЙСТВО И ПОРЯДОК РАБОТЫ; его ТЭНами и возвращая назад в помещение.; II; Одноклавишный переключатель:; Панель управления КЭВ-2С51Е; Ручка терморегулятора:
4 4 УСТРОЙСТВО И ПОРЯДОК РАБОТЫ 4.1 Тепловентилятор осуществляет рециркуляционное отопление, всасывая воздух из помещения, нагревая его ТЭНами и возвращая назад в помещение. 4.2 Тепловентилятор имеет прочный корпус, изготовленный из оцинкованной стали, покрытой высококачественным полимерным покрытие...
Страница 5 - нагреватели включаются.
5 4.5.2 Управление тепловентиляторами осуществляется ручками роторного переключателя и терморегулятора, установленными на корпусе тепловентилятора. Они позволяют регулировать тепловую мощность и поддерживать необходимую температуру воздуха (показаны на рисунке ниже). Ручкой терморегулятора устанавли...
Страница 6 - УКАЗАНИЕ МЕР БЕЗОПАСНОСТИ
6 4.6 У с т р о й с т в о а в а р и й н о г о о т к л ю ч е н и я Т Э Н о в 4.6.1 Тепловентиляторы снабжены устройством аварийного отключения ТЭНов в случае перегрева корпуса. Перегрев может наступить от следующих причин: – входное и выходное окна тепловентилятора загромождены посторонними предметам...
Страница 8 - ТЕХНИЧЕСКОЕ ОБСЛУЖИВАНИЕ
8 7.4.5 Подключение к сети тепловентиляторов КЭВ-4С41Е и КЭВ-4С40Е, осуществляется через промышленную вилку, установленную на выходящем из тепловентилятора кабеле, и промышленную кабельную розетку, входящую в комплектность тепловентилятора. В цепи питания тепловентилятора обязательно должен быть уст...
Страница 10 - Рисунок 1. Габаритные и присоединительные размеры
10 Рисунок 1. Габаритные и присоединительные размеры КЭВ-2С51Е КЭВ-2С31Е, КЭВ-3С31Е КЭВ-3С41Е, КЭВ-4С41Е, КЭВ-4С40Е КЭВ-6С41Е, КЭВ-6С40Е, КЭВ-9С40Е КЭВ-12С40Е, КЭВ-15С40Е, КЭВ-18С40Е КЭВ-2С41Е
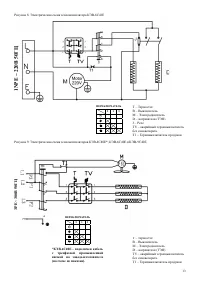
Страница 11 - ON
11 T TV M ~ K ON ON OFF D I I=1000Вт II=2000Вт II 1000 В т 1000 В т 1NPE~50 Гц 220В Рисунок 2. Электрическая схема тепловентилятора КЭВ-2С51Е T – Термостат К – Выключатель М – Электродвигатель D – PTC-нагреватели TV – Самовозвратный аварийный термовыключатель T1 40° T 40° TV 60° M~ B A 3 2 1 1000 Вт...
Страница 15 - Для заметок
15 Для заметок ___________________________________________________________________________________________ ___________________________________________________________________________________________ ___________________________________________________________________________________________ _________...
Страница 16 - Печатное издание доступно в электронном формате PDF.; Импортёр: АО «НПО «Тепломаш»
Печатное издание доступно в электронном формате PDF. QR-код © 2020, АО «НПО «Тепломаш». Все права сохранены. Тепломаш ® является зарегистрированным товарным знаком и принадлежит АО «НПО «Тепломаш». Импортёр: АО «НПО «Тепломаш» 195279, Санкт-Петербург, шоссе Революции, д.90, лит. А Отдел продаж: +7 (...