Страница 2 - ПРЕДОСТЕРЕЖЕНИЕ; ПРЕДУПРЕЖДЕНИЕ
2 RU Для снижения риска пожара или электрошока, не подвергайте данный аппарат попаданию дождя или влаги.Для уменьшения риска пожара, не закрывайте вентиляционное отверстие аппарата газетами, скатертями, шторами и т.д. Не ставьте на аппарат источники открытого огня как зажженные свечи.Для уменьшения ...
Страница 3 - Примечание по DualDisc; Продолжение
3 RU Утилизация электрического и электронного оборудования (директива применяется в странах Евросоюза и других европейских странах, где действуют системы раздельного сбора отходов) Данный знак на устройстве или его упаковке обозначает, что данное устройство нельзя утилизировать вместе с прочими быто...
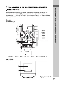
Страница 6 - Оглавление; Основные операции
6 RU Оглавление О данном руководстве............ 4Руководство по деталям и органам управления ........... 7 Надежное подключение системы .............................. 14 Установка часов .................... 17 Воспроизведение AUDIO CD/ MP3 диска........................... 18 Прослушивание радиостан...
Страница 9 - Нажмите для входа в настройки.
9 RU Рук о водство п о де талям и о р ганам управлен ия I Только MHC-GT555BP, MHC-GT555, MHC-GT444BP, MHC-GT444 и LBT-ZT4SUBWOOFER (стр. 31) Нажмите для включения и отключения сабвуфера.При включении сабвуфера высвечивается индикатор SUBWOOFER. J REC TIMER (стр. 41) Нажмите для установки Таймера зап...
Страница 10 - Нажмите для включения системы.
10 RU W OPERATION DIAL (стр. 19, 24, 27, 32, 38, 41) Поворачивайте для выбора настройки в меню OPTIONS.Поворачивайте для выбора дорожки, файла или папки. X PRESET EQ (стр. 31, 38), GROOVE (стр. 31, 38), SURROUND (стр. 31) Нажмите для выбора звукового эффекта. EQ BAND (стр. 38) Нажмите для выбора диа...
Страница 11 - Нажмите для выбора настроек.
11 RU Рук о водство п о де талям и о р ганам управлен ия D TIMER MENU (стр. 17, 40, 41) Нажмите для установки часов и таймеров. E V / v / b / B (стр. 17, 40) Нажмите для выбора настроек. (стр. 17, 34, 40) Нажмите для ввода выбора. F TOOL ME N U Нажмите для выбора меню компонента, подключенного к ада...
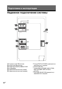
Страница 14 - Надежное подключение системы; Подготовка к эксплуатации
14 RU Надежное подключение системы 1 К проволочной ЧМ-антенне 2 К рамочной АМ-антенне 3 К адаптеру DIGITAL MEDIA PORT 4 К сабвуферу 5 К фронтальной колонке (левая) 6 К фронтальной колонке (правая) a) Гнездо FM 75 Ω COAXIAL изменяется в зависимости от модели. b) Только LBT-ZT4. c) Только MHC-GT555BP,...
Страница 15 - Примечания; Фронтальных колонок
15 RU Под готов ка к э к сплуатации A Антенны Найдите расположение и направление, где можно получить наиболее качественный прием, и затем установите антенны. Во избежание ловли шумов, антенны должны находиться вдали от кабелей колонок, силового кабеля и кабеля USB. B DMPORT (DIGITAL MEDIA PORT) (тол...
Страница 16 - до отображения; Подкладки колонок; полярность как показано ниже.
16 RU При перемещении данной системы Для данной операции, используйте кнопки на аппарате. 1 Для защиты механизма CD, извлеките все диски. 2 Нажмите CD для выбора функции CD. 3 Удерживайте нажатой DISC SKIP/EX-CHANGE, и нажимайте "/1 до отображения “STANDBY”. 4 После отображения “MECHA LOCK” отсо...
Страница 17 - готов; Установка часов; Нажав
17 RU Под готов ка к э к сплуатации Установка часов Часы не могут устанавливаться в режиме энергосбережения.Для данной операции, используйте кнопки на пульте ДУ. 1 Нажав "/1 , включите систему. 2 Нажмите CLOCK/TIMER SET (RM-AMU006) или TIMER MENU (RM-AMU008). Если на дисплее отображается “PLAY S...
Страница 18 - Запустите воспроизведение.; Другие операции; Для; NX
18 RU Воспроизведение AUDIO CD/MP3 диска 1 Выберите функцию CD. Нажмите CD (RM-AMU006) или повторно нажимайте FUNCTION +/– (RM-AMU008) (или нажмите CD на аппарате). 2 Установите диск. Нажмите Z OPEN/CLOSE на аппарате и установите диск в лоток диска этикеточной стороной вверх. Для установки других ди...
Страница 19 - *” для файлов MP3 в папке на
19 RU Основные оп ерации * При использовании AUDIO CD, для выбора дорожки можно использовать такую-же операцию. Переключение режима воспроизведения В режиме остановки, повторно нажимайте PLAY MODE. Можно выбрать обычное воспроизведение (“ALL DISCS” для всех дисков или “1 DISC” для одного диска или “...
Страница 23 - Остановка передачи; Нажмите; Создание нового файла MP3; Нажмите REC TO
23 RU Основные оп ерации 2 Выберите функцию CD, затем загрузите передаваемый диск. 3 Выберите дорожку или файл МР3 для передачи, затем запустите воспроизведение. 4 Нажмите REC TO на аппарате, пока воспроизводится выбранная дорожка или файл MP3. На дисплее высвечивается “USB” и “REC”. Затем, когда на...
Страница 24 - Извлечение устройства USB
24 RU При прослушивании музыки от мобильного телефона Sony Ericsson или при передаче музыки от данной системы на мобильный телефон, источник воспроизведения или каталог для передачи можно выбрать следующим образом:– внутренняя память мобильного телефона. – внешняя память (например, Memory Stick и т....
Страница 26 - Выберите функцию USB.; Примечание
26 RU Прослушивание музыки на устройстве USB Можно прослушивать музыку, сохраненную на устройстве USB.Данная система может воспроизводить только аудиоформаты MP3, AAC и WMA.*Смотрите список устройств USB в “Совместимые с данной системой устройства USB” (стр. 56), которые могут подключаться к данной ...
Страница 27 - Нажмите ERASE на аппарате.
27 RU Основные оп ерации 4 Нажмите ERASE на аппарате. На дисплее поочередно отображаются “TRACK ERASE” или “FOLDER ERASE”, и “PUSH ENTER”.Для отмены операции удаления, нажмите x . 5 Нажмите ENTER. Выбранный аудиофайл или папка удаляется. Другие операции 1) При воспроизведении аудиофайла формата VBR ...
Страница 28 - Примечания по устройству USB
28 RU Переключение режима воспроизведения При остановленном устройстве USB, повторно нажимайте PLAY MODE. Можно выбрать– Обычное воспроизведение (все файлы в папке на устройстве USB) (высвечивается “ ”). – Обычное воспроизведение (все файлы на устройстве USB) (“ ”, “SHUF” и “PGM” отключаются). – Сме...
Страница 29 - Выберите функцию TAPE.
29 RU Основные оп ерации Воспроизведение кассеты Для данной операции используйте органы управления на кассетной деке. 1 Выберите функцию TAPE. Повторно нажимайте FUNCTION (RM-AMU006) или FUNCTION +/– (RM-AMU008) (или нажмите TAPE на аппарате). 2 Установите кассету. Нажмите x Z и вставьте кассету TYP...
Страница 32 - ILLUM; Выход из меню OPTIONS; Снова нажмите OPTIONS.; Демонстрационный показ
32 RU Переключение дисплея Для данной операции используйте органы управления на аппарате. 1 Нажмите OPTIONS. 2 Поворачивая OPERATION DIAL, выберите нужный параметр. ILLUM Переключение шаблона осветителя питания вокруг MASTER VOLUME. M-BACKLIGHT (Подсветка измерителя) Переключение шаблона Подсветки и...
Страница 34 - и затем выберите нужный файл.
34 RU Создан.ие собственной программы — Программное воспроизведение 1 Выберите нужную функцию. Функция CD Нажав CD (RM-AMU006) или повторно нажимая FUNCTION +/– (RM-AMU008), выберите функцию CD. Функция USB Нажав USB (RM-AMU006) или повторно нажимая FUNCTION +/– (RM-AMU008), выберите функцию USB. 2 ...
Страница 35 - ии; Нажмите TUNER MEMORY.
35 RU Д р угие опера ц ии 7 Для воспроизведения программы дорожек или файлов, нажмите N . Программа остается доступной до открытия лотка диска или извлечения устройства USB. Для повторного воспроизведения одинаковой программы, нажмите N . Отмена Программного воспроизведения Повторно нажимайте PLAY M...
Страница 36 - Прием вещания системы RDS
36 RU 6 Для вызова предустановленной радиостанции, повторно нажимайте TUNING MODE до отображения “PRESET” на дисплее, и затем повторно нажимайте +/– и выберите нужный номер предустановки. Использование Системы Радиоданных (RDS) (Только модель для Европы) Что такое Система Радиоданных? Система Радиод...
Страница 37 - Запись на кассету; — CD-TAPE Синхронная; Микширование звучания:; Выберите источник для записи.; Одновременно нажмите; Синхронная запись CD-TAPE; Остановка записи
37 RU Д р угие опера ц ии Запись на кассету — CD-TAPE Синхронная запись/Запись вручную/Микширование звучания Для записи на кассету TYPE I (обычная) можно использовать три метода: Синхронная запись CD-TAPE: На кассету можно записать весь диск. Запись вручную: Можно записать только нужные части от ист...
Страница 38 - Отмена эзвукового эффекта
38 RU Создание индивидуального звукового эффекта Можно поднимать или понижать уровни определенных диапазонов частот или выбрать эффект окружающего звучания, и затем сохранить настройку как “USER EQ” в памяти.Для данной операции, используйте кнопки на аппарате. 1 Повторно нажимая PRESET EQ или GROOVE...
Страница 39 - Пение караоке; Повторно нажимайте SLEEP.; 00 минут в режиме функции CD.; Совет; Таймер сна
39 RU Д р угие опера ц ии Пение караоке Можно подпевать, подключив опционный микрофон. 1 Поворачивайте MIC LEVEL на аппарате до MIN для отключения уровня громкости микрофона. 2 Подключите опционный микрофон к гнезду MIC на аппарате. 3 Запустите воспроизведение музыки. 4 Поворачивая MIC LEVEL, отрегу...
Страница 41 - Отмена таймера; или; Переключение настройки; Советы
41 RU Д р угие опера ц ии Для установки Таймера записи используйте органы управления на аппарате (REC TIMER) 1 Настройтесь на предустановленную радиостанцию (стр. 36). 2 Нажмите REC TIMER. Отображается “ON” и мигает индикация времени в часах. 3 Поворачивая OPERATION DIAL, установите часы, затем нажм...
Страница 42 - Общая часть; • При отключенной системе,; Прочее; • Используются-ли только
42 RU Возможные неисправности и способы их устранения 1 Удостоверьтесь в правильном и надежном подключении силового кабеля и кабелей колонок. 2 Найдите описание проблемы в приведенном ниже списке и выполните указанные там действия по ее устранению. Если проблема все еще остается, обратитесь к ближай...
Страница 43 - Проче; Не работает пульт ДУ.
43 RU Проче е Звучание исходит только от одного канала, или несбалансирован уровень громкости левого и правого каналов. • Расположите колонки как можно более симметрично. • Подключайте только поставляемые колонки. Сильный гул или шум. • Перенесите систему подальше от источников шума. • Подключите си...
Страница 45 - Отображается “OVER CURRENT”.
45 RU Проче е – Воспроизводится шум.– Выводится искаженное звучание. – Передача приостанавливается до ее завершения. Отображается “OVER CURRENT”. • Была обнаружена проблема с уровнем электрического тока от порта (USB). Отключите систему и извлеките устройство USB от порта (USB). Убедитесь в отсутств...
Страница 46 - Не начинается воспроизведение.; Тюнер
46 RU Не начинается воспроизведение. • Отключите систему и заново подключите устройство USB, затем включите систему. • Подключите поддерживаемое устройство USB (стр. 56). • Нажмите N (или NX на аппарате) для запуска воспроизведения. Воспроизведение не начинается с первого файла. • Установите режим в...
Страница 47 - Отключен дисплей измерителя.
47 RU Проче е Измеритель Указатель измерителя неподвижен. • “MTR POINTER” установлен на “OFF” в меню OPTIONS. Выберите другие настройки. • Режим измерителя установлен на “METER OFF”. Повторно нажимая METER MODE на аппарате, выберите другие режимы. • К гнезду PHONES подключены наушники. Отсоедините н...
Страница 48 - Сообщения
48 RU Сообщения CD/MP3-проигрыватель, Тюнер, Кассета LOCKED: Не открывается лоток диска. Свяжитесь с ближайшим дилером Sony. NO DISC: Нет диска в лотке диска. NO STEP: Все запрограммированные шаги были удалены. NOT IN USE: Была нажата недействующая кнопка. OFF TIME NG: Установки времени запуска и ос...
Страница 49 - Передача не; Примечания по дискам
49 RU Проче е REC ERROR: Передача не запустилась, приостановилась посередине, или не могла быть выполнена по иным причинам (стр. 43). REMOVED: Было извлечено устройство USB. STEP FULL: Была произведена попытка программирования более чем 25 шагов. TRACK FULL: Невозможно выполнить передачу на устройст...
Страница 51 - Очистка магнитофонных головок; Раздел усилителя; Другие модели; Сабвуфер
51 RU Проче е О кассете продолжительностью более 90 минут Использование кассеты со временем воспроизведения, превышающим 90 минут, не рекомендуется, за исключением длинной, продолжительной записи или воспроизведения. Очистка магнитофонных головок Перед началом важной записи, или после воспроизведени...
Страница 53 - Входные гнезда; Раздел USB
53 RU Проче е Сабвуфер Среднеквадр. выходное напряжение (справочное значение): 180 Ватт (6 Ω , 100 Гц, 10% ОНИ) Входные гнезда AUDIO INPUT (только LBT-ZT4): чувствительность 800 мВ, импеданс 47 килоомAUDIO INPUT L/R (другие модели): напряжение 250 мВ, импеданс 47 килоомMIC: чувствительность 1 мВ, им...
Страница 54 - Диапазон настройки; Колонки; • Фронтальная колонка (Только
54 RU Раздел AM-тюнера Диапазон настройки Панамериканские модели и модели для Океании:530 – 1710 кГц (с шагом настройки 10 кГц)531 – 1710 кГц (с шагом настройки 9 кГц)Модели для Европы и России:531 – 1602 кГц (с шагом настройки 9 кГц)Другие модели:530 – 1610 кГц (с шагом настройки 10 кГц)531 – 1602 ...
Страница 55 - Требования к электропитанию
55 RU Проче е MHC-GT222BP/MHC-GT222 • Фронтальная колонка (Только модель для Европы, кроме модели для России) (SS-GT444M)Фронтальная колонка (Другие модели) (SS-GT444) Акустическая система: 3-полосная, 3-модульная, басоотражающего типаБлок колонки:Сабвуфер: 130 мм, конического типаНизкочастотный дин...
Страница 56 - Walkman; Название модели
56 RU MHC-GT444BP/MHC-GT444: 286 ВаттMHC-GT222BP/MHC-GT222: 163 ВаттMHC-GT111BP/MHC-GT111 (Mодель для Бразилии): 185 ВаттMHC-GT111BP/MHC-GT111 (Другие модели): 150 ВаттLBT-ZT4 (Модель для Америки): 225 ВаттLBT-ZT4 (Модель для Канады): 285 ВА Габариты (ш/в/г) (искл. колонки) Прибл. 231 × 361 × 437,5 ...