NEC PA600X - инструкции и руководства
Проектор NEC PA600X - инструкции пользователя по применению, эксплуатации и установке на русском языке читайте онлайн в формате pdf
Инструкции:
Инструкция по эксплуатации NEC PA600X
Краткое содержание
Издание второе, март 2011 • Macintosh, Mac OS X и PowerBook являются товарными знаками компании Apple Inc., зарегистрированными в США и других странах. • Microsoft, Windows, Windows Vista, Internet Explorer, .NET Framework, и PowerPoint являются зарегистрированными торговыми знаками или торговыми зн...
i Важная информация Предостережения относительно безопасности Меры предосторожности Перед эксплуатацией проектора NEC внимательно ознакомьтесь с этим руководством и храните его в доступном месте для будущих справок. ВНИМАНИЕ Для отключения от сети электропитания обязательно выньте штепсель из розетк...
Важная информация ii Важные меры безопасности Эти инструкции по технике безопасности предназначены для обеспечения длительного срока службы проектора и предотвращения поражения электрическим током. Пожалуйста, внимательно прочитайте их о помните обо всех предостережениях. Установка • Не устанавливай...
Важная информация iii Меры пожарной и электрической безопасности • Чтобы предотвратить накопление тепла внутри проектора, убедитесь, что он хорошо вентилируется и что вентиляционные отверстия не заблокированы. Расстояние между проектором и стеной должно составлять не менее 4 дюймов (10 см). • Не кас...
Важная информация iv • Прежде чем переносить проектор, отсоедините силовой и все остальные кабели.• Выключайте проектор и отсоединяйте силовой кабель от электросети перед чисткой корпуса или заменой лампы.• Выключайте проектор и отсоединяйте силовой кабель от электросети в случаях, если вы не планир...
Важная информация v Характеристики лампы В этом проекторе в качестве источника света используется ртутная лампа высокого давления. Со временем яркость лампы постепенно снижается. Кроме того, постоянное включение и выключение лампы уве - личивает вероятность снижения ее яркости. ВНИМАНИЕ: • При выним...
vi Оглавление Важная информация .................................................................................................i 1. Введение .................................................................................................................. 1 1 Комплектация ............................
Оглавление vii Коррекция горизонтального и вертикального трапецеидального искажения [УГЛОВАЯ КОРРЕКЦИЯ] ............................. 32 Угловая коррекция ..................................................................................................................................................
Оглавление viii Описание и функции меню [ВКЛ.] ........................................................................................................................................ 100 [ОСНОВНОЙ] ......................................................................................................
Оглавление ix Установка программного обеспечения ............................................................................................................................... 164 Установка для программного обеспечения Windows .........................................................................
1 Проектор 1. Введение 1 Комплектация Убедитесь, что в комплект входят все предметы, перечисленные ниже. Если какие-либо элементы отсутствуют, об - ратитесь к торговому представителю. Пожалуйста, сохраните оригинальную коробку и упаковочные материалы на случай, если понадобится перевозить проектор. ...
2 1. Введение Знакомство с проектором В этой главе приводится ознакомительная информация о проекторе, а также содержится описание его функций и элементов управления. Поздравляем с покупкой проектора! Этот проектор — один из самых лучших современных проекторов. Проектор позволяет проецировать изобр...
3 1. Введение • Энергосберегающий дизайн, обеспечивающий энергопотребление в режиме ожидания 0,2 Вт Если на экранном меню режим ожидания установлен в положение «Энергосберегающий», потребление энергии в режиме ожидания снижается до 0,2 Вт. • «Эко режим» для низкого потребления энергии и индикатор «И...
4 1. Введение Название деталей проектора Лицевая/верхняя часть Объектив продается отдельно. Описание ниже — для проектора с установленным объективом NP13ZL. Панель управления ( → стр. 6 ) Регулятор сдвига объектива (по вертикали/по горизонтали) ( → стр. 18 ) Объектив Дистанционный датчик (на лицев...
5 1. Введение Панель разъемов ( → стр. 7 ) Тыльная часть Дистанционный датчик (на лицевой и тыльной стороне) ( → стр. 9 ) Разъем питания Вставьте трехконтактный штеп- сель силового кабеля, входящего в комплект поставки, в данный разъем. Сетевую штесельную вилку кабеля подключите к сети пита- ния. ( ...
6 1. Введение Панель управления/Индикаторы 1. Кнопка ( POWER) ( → стр. 1 4 , 25 ) 2. Индикатор POWER ( → стр. 1 3 , 1 4 , 25 , 21 4 ) 3. Индикатор STATUS ( → стр. 21 4 ) 4. Индикатор LAMP ( → стр. 159 , 215 ) 5. Индикатор TEMP. ( → стр. 215 ) 6. Кнопка SOURCE ( → стр. 16 ) 7. Кнопка AUTO ADJ. ( → ст...
7 1. Введение Элементы панели разъемов 1. COMPUTER 1 IN/ Компонентный входной разъем (Mini D-Sub 15 Pin) ( → стр. 1 3 , 143 , 148 ) 2. COMPUTER 1 AUDIO IN Разъем Mini Jack (Stereo Mini) ( → стр. 143 , 148 ) 3. COMPUTER 2 IN / Компонентный входной разъем (Mini D-Sub 15 Pin) ( → стр. 143 , 148 ) 4. CO...
8 1. Введение Элементы пульта дистанционного управления 1. Инфракрасный передатчик ( → стр. 9 ) 2. Кнопка POWER ON ( → стр. 1 4 ) 3. Кнопка POWER OFF ( → стр. 25 ) 4, 5, 6. Кнопка COMPUTER 1/2/3 ( → стр. 16 ) 7. Кнопка AUTO ADJ. ( → стр. 2 4 ) 8. Кнопка VIDEO ( → стр. 16 ) 9. Кнопка S-VIDEO ( → ст...
10 1. Введение Рабочая среда для программного обеспечения, которое находится на CD-ROM Названия и функции комплекта программного обеспечения Название программного обеспе - чения Функции Virtual Remote Tool Когда компьютер и проектор подключены по сети (проводной/беспроводной локальной сети), можно...
11 1. Введение Операционная среда Системные требования для работы программы Image Express Utility Lite. Информацию о системных требованиях для других программ, см. в справке к соответствующей программе. Поддерживаются следую - щие ОС Windows 7 Домашняя базовая Windows 7 Домашняя расширенная Windows ...
12 В этом разделе описано, как включить проектор и спроецировать изображение на экран. 1 Порядок проецирования изображения Шаг 1 • Подключение компьютера / Подсоединение силового кабеля ( → стр. 13 ) Шаг 2 • Включение проектора ( → стр. 14 ) Шаг 3 • Выбор источника ( → стр. 16 ) Шаг 4 • Регулировка ...
13 2. Проецирование изображения (основные операции) Подключение компьютера / Подсоединение силового кабеля 1. Подключите компьютер к проектору. В данном разделе описывается основной способ подключения к компьютеру. Для получения информации о других способах подключения см. раздел « Подключение» ...
14 2. Проецирование изображения (основные операции) Режим ожидания Мигает Питание включено Светится оранжевым Мигает синим Светится синим Включение проектора 1. Снимите крышку объектива. 2. Нажмите кнопку (POWER) (ПИТАНИЕ) на корпусе проектора или кнопку POWER ON на пульте дистанци - онного управл...
15 2. Проецирование изображения (основные операции) Примечание об экране запуска (экран выбора языка меню) После первого включения проектора отображается меню запуска. Из него можно выбрать для меню один из 27 язы - ков. Для выбора языка меню выполните следующие действия: 1. С помощью кнопки , ,...
16 2. Проецирование изображения (основные операции) Выбор источника сигнала Выбор компьютера или источника видеосигнала ПРИМЕЧАНИЕ: Компьютер (или другое устройство, передающее видеосигнал), подсоединенный к про - ектору, должен быть включен. Автоматическое обнаружение сигнала Нажмите кнопку SOURC...
17 2. Проецирование изображения (основные операции) Регулировка размера и положения изображения Чтобы настроить размер и положение картинки, используйте регулятор сдвига объектива, ножку для регулирования наклона, регулятор зума/кольцо зума и кольцо фокусировки. В этом разделе схемы и кабели не ук...
19 2. Проецирование изображения (основные операции) ПОДСКАЗКА: • Следующая схема показывает диапазон сдвига объектива для объективов PA600X и PA500X (режим проецирования: фронтальный, установка на столе). Чтобы расположить проекцию выше, чем показано на схеме, используйте ножки для регулирования нак...
20 2. Проецирование изображения (основные операции) Применимый объектив: NP11FL При использовании объектива NP11FL, настройте фокус и скорректируйте искажение изображения. Подготовка: Поверните регуляторы сдвига объектива (по вертикали и по горизонтали), расположенные на проекторе, чтобы установить ...
21 2. Проецирование изображения (основные операции) Настройка ножек для регулирования наклона 1. Для настройки покрутите левую и правую ножки для регулирования наклона. При поворачивании ножек для регулирования нак лона они становятся длиннее или короче. Настройте высоту проецируемого изображения, п...
22 2. Проецирование изображения (основные операции) Коррекция трапецеидальных искажений Если проектор расположен не строго перпендикулярно экрану, это приводит к трапецеидальному искажению изо - бражения. Для иправления этого дефекта можно воспользоваться функцией «Трапеция» (технодлогия цифровой ...
24 2. Проецирование изображения (основные операции) Автоматическая оптимизация сигнала компьютера Настройка изображения с помощью кнопки Auto Adjust Автоматическая оптимизация изображения компьютера. (КОМПЬЮТЕР1/КОМПЬЮТЕР2/КОМПЬЮТЕР3) Нажмите кнопку AUTO ADJ. для выполнения автоматической оптимиза...
25 2. Проецирование изображения (основные операции) Выключение проектора Чтобы выключить проектор: 1. Сначала нажмите на кнопку (POWER) (ПИТАНИЕ) на корпусе проектора или кнопку POWER OFF на пульте дистанционного управления. Появится сообщение [ВЫКЛЮЧЕНИЕ / ВЫ УВЕРЕНЫ ? / СЕАНС СОКРАЩЕНИЯ ВЫБРОСА ...
26 2. Проецирование изображения (основные операции) После использования Подготовка: Убедитесь, что проектор выключен. 1. Отсоедините силовой кабель. 2. Отсоедините остальные кабели. • Выньте запоминающее устройство USB, если оно вставлено в проектор. 3. Закройте объектив крышкой. 4. Прежде чем пер...
27 1 Отключение изображения и звука Нажмите кнопку AV-MUTE, чтобы отключить изображение, звук, звуковой сигнал на короткое время. Повторное нажатие вернет изображение и звук. Энергосберегающая функция проектора будет работать 10 секунд по - сле выключения изображения. В результате уменьшится потребл...
28 3. Полезные функции Изменение ЭКО режима/Проверка энергосберегающего эффекта [ЭКО РЕЖИМ] Данная функция позволяет выбирать два режима яркости лампы: Режимы ВЫКЛ. и ВКЛ. Срок службы лампы можно увеличить, включив [ЭКО РЕЖИМ]. [ЭКО РЕЖИМ] Описание [ВЫКЛ.] Это значение установлено по умолчанию (10...
29 3. Полезные функции Проверка энергосберегающего эффекта [ИЗМЕРЕНИЕ СО2] Данная функция демонстрирует энергосберегающий эффект, выраженный в уменьшении выбросов CO 2 (кг), когда [ЭКО РЕЖИМ] проектора работает в режиме [ВЫКЛ.] или [ВКЛ.]. Эта функция называется [ИЗМЕРЕНИЕ CO2]. Возможны два сообщен...
30 3. Полезные функции Использование дополнительной удаленной мыши (NP01MR) Дополнительная удаленная мышь позволяет выполнять функции компьютерной мыши с пульта дистанционного управления. Очень удобно использовать мышь во время презентаций. Подключение удаленной мыши к компьютеру Если вы хотите во...
31 3. Полезные функции Управление компьютерной мышью с пульта дистанционного управления Компьютерной мышью можно управлять с пульта дистанционного управления. Кнопка PAGE / : служит для прокручивания зоны просмотра окна, а также для перехода к предыду - щему или следующему слайду в программе Pow...
32 3. Полезные функции Коррекция горизонтального и вертикального трапецеидального искажения [УГЛОВАЯ КОРРЕКЦИЯ] Используйте функцию 3D Reform для коррекции трапецеидального искажения, чтобы, меняя длину верхней, нижней или боковых сторон экрана, добиться правильной прямоугольной формы проекции. Уг...
35 3. Полезные функции Отображение двух изображений одновременно Проектор оснащен функцией просмотра двух разных сигналов одновременно. Два режима: режим КАРТИН. В КАРТ. (PIP) и КАРТИНКА В КАРТИНКЕ. В меню можно выбрать [ВКЛ.] → [ОСНОВНОЙ] → [PIP/КАРТИНКА В КАРТИНКЕ]. У пункта меню [PIP/КАРТИНКА В...
36 3. Полезные функции Просмотр двух изображений 1. Нажмите кнопку PIP на пульте дистанционного управления. Отобразится экран КАРТИН. В КАРТ. (PIP) ИСТОЧНИК. 2. Используйте кнопку или , чтобы выбрать источник, и нажмите кнопку ENTER. Отобразится экран PIP или КАРТИНКА В КАРТИНКЕ, в зависимости о...
37 3. Полезные функции Предупреждение несанкционированного использования проектора [БЕЗОПАСНОСТЬ] Для проектора с помощью меню можно установить пароль, чтобы избежать несанкционированного доступа. Если па - роль установлен, при включении проектора будет открываться окно для ввода пароля. Проециров...
39 3. Полезные функции Чтобы отключить функцию БЕЗОПАСНОСТЬ: 1. Нажмите кнопку MENU. На экране отобразится меню. 2. Выберите [ВКЛ.] → [INSTALLATION(2)] → [БЕЗОПАСНОСТЬ] и нажмите кнопку ENTER. На экране отобразится меню ВЫКЛ./ВКЛ.. 3. Выберите [ВЫКЛ.] и нажмите кнопку ENTER. Откроется окно ПАРОЛЬ БЕ...
40 3. Полезные функции Управление проектором с помощью браузера HTTP Общий обзор Функция сервера HTTP осуществляет следующие настройки и процессы: 1. Настройки для проводной/беспроводной сети (NETWORK SETTINGS) Для использования беспроводной локальной сети необходим дополнительный USB модуль беспр...
41 3. Полезные функции Управление адресом для работы через браузер В качестве реального адреса, вводимого в строке ввода адреса при работе с проектором через браузер, можно ис - пользовать имя хоста, если это имя, соответствующее IP-адресу проектора, было зарегистрировано сетевым админи - стратором ...
43 3. Полезные функции NETWORK SETTINGS • SETTINGS WIRED или WIRELESS SETTING Настройки проводной или беспроводной локальной сети. APPLY Применение настроек проводной или беспроводной локальной сети. DHCP ON Автоматическое назначение IP адреса, маски подсети и шлюза проектору DHCP сер - вером. DHCP ...
44 3. Полезные функции SSID Введите идентификатор (SSID) для беспроводной локальной сети. Связь может быть установлена только с тем оборудованием, SSID которого совпадает с SSID для Вашей беспроводной сети. SITE SURVEY Отображает список доступных SSID. Выберите SSID, к которому Вы можете осуществить...
45 3. Полезные функции PASSWORD Установите пароль для WPA-EAP TKIP PEAP-MSCHAP v2/WPA-EAP AES PEAP-MSCHAP v2/ WPA2-EAP TKIP PEAP-MSCHAP v2/WPA2-EAP AES PEAP-MSCHAP v2. USE DIGITAL CERTIFICATE Выберите эту опцию, если Вы используете цифровой сертификат для WPA-EAP TKIP PEAP- MSCHAP v2/WPA-EAP AES PEA...
46 3. Полезные функции • NETWORK SERVICE PJLink PASSWORD Установка пароля для PJLink*. Длина пароля не более 32 символов. Запомните свой пароль. Если Вы все же забыли пароль, обратитесь к дилеру. HTTP PASSWORD Установка пароля для HTTP сервера. Длина пароля не более 10 символов. AMX BEACON Включение...
47 3. Полезные функции Отображение изображения экрана компьютера по сети с помощью функции проектора [СЕТЕВОЙ ПРОЕКТОР] Выбрав проектор, подключенный к сети, в которой работает ваш компьютер, есть возможность передавать изображение с экрана компьютера на проекционный экран по сети. Не требуется по...
48 3. Полезные функции 2. Нажмите кнопку или , чтобы выбрать [СЕТЬ], и нажмите кнопку ENTER. На экране откроется [МЕНЮ ПРИЛОЖЕНИЯ]. 3. В [МЕНЮ ПРИЛОЖЕНИЯ] выберите [СЕТЕВОЙ ПРОЕКТОР]. На экране отобразится [НАЗВАНИЕ ПРОЕКТОРА/РАЗРЕШЕНИЕ ЭКРАНА/ПАРОЛЬ/URL].
49 3. Полезные функции Проецирование изображения в режиме сетевого проектора 1. Нажмите [Пуск] на рабочем столе Windows 7.2. Нажмите [Все программы].3. Нажмите [Стандартные].4. Нажмите [Подключить к сетевому проектору]. Когда появится окно [Разрешить подключение к сетевому проектору], нажмите [Да]. ...
50 3. Полезные функции 7. Введите пароль в поле для пароля, отображаемого при выполнении операции в шаге 3 на стр. 48 . 8. Нажмите [Подключить]. Теперь проектор работает в качестве сетевого, и изображение с экрана Windows 7 воспроизводится проекто- ром. • Если разрешение экрана Вашего компьютера отл...
51 3. Полезные функции Использование проектора для управления компьютером через сеть с помощью функции [УДАЛЕННЫЙ РАБОЧИЙ СТОЛ] • Если компьютер и проектор находятся в одной сети, есть возможность передавать изображение с экрана компью - тера на проекционный экран по сети. Затем с помощью клавиату...
52 3. Полезные функции Настройка пароля для учетной записи Windows 7 ПОДСКАЗКА: Если для учетной записи пароль уже установлен, пропустите шаги 1 – 9. 1. Нажмите [Пуск] на рабочем столе Windows 7.2. Нажмите [Панель управления].3. Зайдите в [Учетные записи пользователей] и нажмите [Добавление или удал...
53 3. Полезные функции 4. Нажмите [Просмотр состояния], который отобразится синим в правой части окна [Подключение по ло - кальной сети]. Появится окно [Состояние подключения по локальной сети]. 5. Нажмите [Сведения...]. Запишите значение для «Адрес IPv4 IP» (xxx.xxx.xxx.xxx). 6. Нажмите [Закрыть].7...
55 3. Полезные функции Выход из режима УДАЛЕННЫЙ РАБОЧИЙ СТОЛ 1. С помощью беспроводной клавиатуры нажмите [Пуск] на рабочем столе, спроецированном на экран. 2. Нажмите на символ [X], расположенный справа от меню Пуск. Работа в режиме удаленного рабочего стола закончена. 3. Нажмите кнопку SOURCE на ...
56 4. Использование режима «Просмотр» ❶ Возможности режима ПРОСМОТР В режиме ПРОСМОТР есть возможность просматривать слайды или видео, сохраненные на устройстве USB (подключив устройство USB к проектору) или находящиеся на компьютере в папке с общим доступом (компьютер должен быть подключенным к сет...
57 4. Использование режима «Просмотр» ПРИМЕЧАНИЕ: • Видео файлы, конвертируемые в формат, который проектор не поддерживает, не воспроизводятся. В этом случае символ, указывающий, что воспроизведение невозможно, не появится.• Файлы с защитой Digital Rights Management(DRM) не воспроизводятся.• Некотор...
58 4. Использование режима «Просмотр» Информация относительно папки с общим доступом и медиа-сервера • Файлы, находящиеся в папке с общим доступом или на медиа-сервере, могут не воспроизводиться, если на ком - пьютере установлены антивирусные программы и средства защиты. • Откройте перечисленные дал...
59 4. Использование режима «Просмотр» ❷ Подготовка материалов для презентации 1. Создайте материалы для презентации и сохраните их на своем компьютере в поддерживаемом формате файлов. • Информацию о поддерживаемых форматах файлов см. на стр. 81 . • Перед самой презентацией проверьте, отображается ли...
60 4. Использование режима «Просмотр» ❸ Показ изображений с запоминающего устройства USB Этот раздел объясняет основные принципы работы режима ПРОСМОТР. Для объяснения используется порядок работы для случая, когда панель инструментов режима ПРОСМОТР имеет на - стройки по умолчанию. Подготовка: Перед...
61 4. Использование режима «Просмотр» 4. Нажмите кнопку ▶ , чтобы выбрать «USB1», и нажмите кнопку ENTER. Откроется окно миниатюр «USB1». ПОДСКАЗКА: • Для получения более подробной информации об окне миниатюр см. стр. 66 . 5. Воспользуйтесь кнопками ▲▼◀ или ▶ , чтобы выбрать значок. • Символ → (стре...
62 4. Использование режима «Просмотр» • Файл видео Начнет воспроизводиться файл видео. По окончанию воспроизведения экран станет черным. На- жмите кнопку ВЫХОД, чтобы вернуться к окну миниатюр.• При нажатии кнопки ENTER появится панель элементов управления видео, с помощью которых можно выполнить па...
63 4. Использование режима «Просмотр» • Индексный файл (расширение:.idx) • Индексный файл, конвертированный с помощью Viewer PPT Converter 3.0, появится на экране миниатюр. На экране миниатюр появятся только папки и файлы в формате JPEG, конвертированные с помощью Viewer PPT Converter 3.0. • Для выб...
64 4. Использование режима «Просмотр» Названия и функции окна «Просмотр» Режим «Просмотр» имеет три окна: окно со списком устройств, окно миниатюр и окно слайдов. • Окно со списком устройств Отображает список устройств, подсоединенных к проектору. Операции меню • Воспользуйтесь кнопкой ▼ или ▲ для п...
65 4. Использование режима «Просмотр» Функции Название Описание REFRESH Отображает дополнительные медиа-серверы в окне списка устройств. ОПЦИИ Отображается меню ОПЦИИ. SLIDE SETTING Выполняет настройку слайдов. ( → стр. 69 ) MOVIE SETTING Выполняет настройку файлов видео. ( → стр. 70 ) AUTO PLAY SET...
66 4. Использование режима «Просмотр» • Окно миниатюр Отображает список папок, миниатюр и значков в устройстве, выбранном в окне со списком устройств. Операция меню • Воспользуйтесь кнопкой ▼ или ▲ для перемещения курсора вверх или вниз. Выберите элемент меню и на - жмите кнопку ENTER, чтобы отобраз...
67 4. Использование режима «Просмотр» • Окно слайдов (неподвижные изображения / видео) Воспроизводит файл, выбранный из списка миниатюр или значков.• Для получения информации о работе с файлами Microsoft PowerPoint и Adobe PDF см. стр. 62 . Работа панели элементов управления • Панель элементов управ...
68 4. Использование режима «Просмотр» Функции панели элементов управления для видео Название Описание ПРЕД Переход к началу файла видео. • Переход к началу предыдущего файла видео при нажатии непосредственно после начала воспроизведения. УСК-НАЗАД Ускоренная перемотка файла видео назад примерно на 7...
69 4. Использование режима «Просмотр» Настройки опций режима «Просмотр» • НАСТРОЙКИ СЛАЙДА Настраивает неподвижные изображения или слайды. Название Опции Описание РАЗМЕР ЭКРАНА BEST FIT Показ изображения с соотношением сторон в максимальном разрешении проектора. РЕАЛЬНЫЙ РАЗМЕР Показ изображения в р...
70 4. Использование режима «Просмотр» • НАСТРОЙКИ ВИДЕО Настраивает функции для файла видео. Название Опции Описание РАЗМЕР ЭКРАНА BEST FIT Показ изображения с его соотношением сторон в максимальном разрешении проектора. РЕАЛЬНЫЙ РАЗМЕР Показ изображения в реальном размере. ПОВТОР OFF Включает и вык...
72 4. Использование режима «Просмотр» ❹ Воспроизведение данных, находящихся в папке с общим доступом ЛВС Папка с общим доступом Беспроводная ЛВС Проектор Папка с общим до- ступом Подготовка Проектор: подсоедините проектор к сети. Компьютер: сохраните файлы для демонстрации в папке с общим доступом и...
73 4. Использование режима «Просмотр» 2. Отображается меню [ОПЦИИ]. Нажмите кнопку ▼ , чтобы выбрать (ОПЦИИ), и нажмите кнопку ENTER. • Когда отображается меню ОПЦИИ, список устройств отображаться не будет. 3. Отобразите окно [SHARED FOLDER SETTING]. Нажмите кнопку ▼ , чтобы выбрать значок (SHARED F...
74 4. Использование режима «Просмотр» 6. Выйдите из режима настройки. Нажмите кнопку ▼ , чтобы выбрать [OK], и нажмите кнопку ENTER. Окно [SHARED FOLDER] закроется. • Если появится сообщение об ошибке, значит Ваши настройки неправильны. Попробуйте еще раз.
76 4. Использование режима «Просмотр» ❺ Отображение данных при использовании медиа сервера ЛВС Медиа сервер Медиа сервер Беспроводная ЛВС Медиа сервер Проектор Подготовка Проектор: подсоедините проектор к сети. Компьютер: подготовьте для проецирования файлы с изображениями или видеофайлы и включите ...
77 4. Использование режима «Просмотр» 3. Отметьте «Share my media» в чекбоксе и нажмите OK. Отобразится список доступных устройств. 4. Выберите «PA600 Series», а затем – «Принять». На значок «PA600 Series» будет поставлена галочка. • «PA600 Series» — имя проектора, назначенное в меню [СЕТЕВЫЕ НАСТРО...
78 4. Использование режима «Просмотр» Настройка функции «Media Sharing» для Windows Media Player 12 1. Запустите Windows Media Player 12. 2. Выберите меню «Поток», а затем выберите «Автоматически разрешать устройствам воспроизводить мое мультимедиа». Появится окно «Разрешить всем медиа-устройствам»....
79 4. Использование режима «Просмотр» Подключение проектора к медиа серверу Нажмите кнопку VIEWER на пульте дистанционного управления. VIEWER начнет работу. • Чтобы запустить ПРОСМОТР другим способом, нажмите несколько раз кнопку SOURCE на корпусе проектора. ( → стр. 16 ) • После этого начнется поис...
81 4. Использование режима «Просмотр» ❻ Ограничения отображаемых файлов Режим «Просмотр» позволяет отобразить файл PowerPoint или файл PDF в упрощенном виде. Все же, вследствие упрощения отображения, фактическое отображение может отличаться от воспроизводимого с помощью прикладной программы на компь...
82 5. Использование экранного меню 1 Использование меню ПРИМЕЧАНИЕ: Во время проецирования чересстрочного видеоизображения экранное меню может отображаться некорректно. 1. Для отображения меню нажмите кнопку MENU на пульте дистанционного управления или корпусе проек - тора. ПРИМЕЧАНИЕ:Такие команды,...
83 5. Использование экранного меню Элементы меню Регулятор с ползунком Стрелка Режим меню Вкладка Селектор Символ большой высоты Символ ЭКО режима Символ беспроводного соединения Окна меню и диалоговые окна обычно включают следующие элементы: Подсветка ................................................
84 5. Использование экранного меню Пункты меню Некоторые пункты меню недоступны в зависимости от источника входящего сигнала. Пункт меню По умолчанию Опции ИСТ. КОМПЬЮТЕР1 * КОМПЬЮТЕР2 * КОМПЬЮТЕР3(BNC) * HDMI * DisplayPort * ВИДЕО * S-ВИДЕО * ПРОСМОТР * СЕТЬ * СПИСОК ВВОДА ИСПЫТАТЕЛЬНЫЙ ШАБЛОН НА...
88 5. Использование экранного меню Использование списка ввода Если выполнены настройки источника, они автоматически сохраняются в списке ввода. Сохраненные сигналы (значения настроек) можно загрузить из списка ввода в любой момент. В списке ввода можно сохранить не более 100 вариантов. Когда в списк...
89 5. Использование экранного меню Ввод текущего проецируемого сигнала в список ввода [ЗАПОМНИТЬ] 1. Нажмите кнопку или , чтобы выбрать любой номер. 2. Нажмите кнопку или , чтобы выбрать [ЗАПОМНИТЬ], и нажмите кнопку ENTER . Вызов сигнала из списка ввода [ЗАГРУЗКА] Нажмите кнопку или , ч...
90 5. Использование экранного меню Удаление сигнала из списка ввода [ВЫРЕЗАТЬ] 1. Нажмите кнопку или , чтобы выбрать сигнал для удаления. 2. Нажмите кнопку , , или , чтобы выбрать [ВЫРЕЗАТЬ], и нажмите кнопку ENTER . Сигнал будет удален из списка ввода, а удаленный сигнал будет отображен...
92 5. Использование экранного меню [ОБЩИЕ НАСТРОЙКИ]Сохранение Ваших пользовательских установок [ССЫЛКА] Данная функция позволяет сохранять пользовательские установки в [ПРЕДВАРИТ УСТАНОВКА 1] - [ПРЕДВАРИТ УСТА - НОВКА 7]. Сначала, выберите основной режим предварительной установки из [ССЫЛКА], затем...
93 5. Использование экранного меню [КОРРЕКТИРОВКА ЦВЕТА] Корректирует цвет всех сигналов. Настраивает тон для красного, зеленого, синего, желтого, пурпурного и бирюзового цветов. КРАСНЫЙ ........................ Настраивает цвет в области красного, вокруг красного. Данную функцию можно использовать ...
94 5. Использование экранного меню [НАСТР. ИЗОБР] Настройка тактовых импульсов и фазы [ЧАСЫ/ФАЗА] Служит для ручной настройки параметров ЧАСЫ и ФАЗА. ЧАСЫ .............................. Используйте данный параметр для точной настройки компьютерного изображения или удаления вертикальных полос, которы...
96 5. Использование экранного меню Выбор формата изображения [СООТНОШЕНИЕ СТОРОН] Используйте данную функцию для выбора соотношения сторон экрана. Выберите тип экрана (экран 4:3, экран 16:9 или экран 16:10) на экране настройки прежде, чем устанавливать соотношение сторон. ( → стр. 10 4 ) Проектор ав...
97 5. Использование экранного меню ПОЧТОВЫЙ ЯЩИК Изображение сигнала леттербокс (16:9) равномерно растягивается по горизонтали и вертикали, чтобы соответствовать размерам экрана. ШИРОКИЙ ЭКРАН Изображение сжатого сигнала (16:9) растягивается слева и справа до формата 16:9. ФОКУС Изображение сжатого ...
98 5. Использование экранного меню [ВИДЕО] Использование функции [СНИЖЕНИЕ ШУМА] Данная функция используется для снижения шума видео. СНИЖ. СЛУЧАЙНОГО ШУМА Снижает мерцание на хаотично расположенных участках изображения. СНИЖЕНИЕ ШУМОВ ВИДЕО Снижает шумы видео, появляющиеся по краям изображения во в...
99 5. Использование экранного меню [ВИДЕО УРОВЕНЬ] Данная функция выбирает уровень видеосигнала, когда входные разъемы проектора HDMI и DisplayPort и внешнее устройство подключены. АВТО ............................... Уровень видео переключается автоматически на основе информации выходного сигнала п...
100 5. Использование экранного меню Описание и функции меню [ВКЛ.] [ОСНОВНОЙ] Коррекция вертикальных трапецеидальных искажений вручную [ТРАПЕЦИЯ] Вертикальное искажение можно корректировать вручную. ( → стр. 22 ) ПОДСКАЗКА: Выделив один из параметров и нажав кнопку ENTER, можно настроить его с пом...
101 5. Использование экранного меню ИСТ.: Данная опция позволяет выбрать сигнал дополнительного изображения. Доступные опции: ВЫКЛ., ВИДЕО и S-ВИДЕО. Выбор параметра [ВЫКЛ.] отменит режим PIP/КАРТИНКА В КАРТИНКЕ и вернет вас к нормальному экрану. Использование функции коррекции цвета экрана [ЦВЕТ СТ...
102 5. Использование экранного меню [МЕНЮ] Выбор цвета меню [ВЫБОР ЦВЕТА] Для цвета меню возможны две опции: ЦВЕТ и МОНОХРОМНОЕ. Включение / выключение отображения источника [ДИСПЛЕЙ ИСТОЧНИКА] Этот параметр включает и выключает отображение имени входящего источника, например, КОМПЬЮТЕР1, КОМПЬЮ - Т...
103 5. Использование экранного меню Если для [ЭКО РЕЖИМ] выбран параметр [ВЫКЛ.] При нажатии кнопки ENTER отобразится экран [ЭКО РЕЖИМ]. ( → стр. 2 8 ) Чтобы закрыть сообщение, нажмите кнопку EXIT. Выбор времени отображения меню [ВРЕМЯ ПОКАЗА] Эта опция позволяет указать, через какое время после пос...
105 5. Использование экранного меню КОНТРАСТ ....................... Настраивает светлую часть изображения.ЯРКОСТЬ ......................... Настраивает темную часть изображения. Настройка 1. Подготовьте темное и светлое изображения, чтобы отобразить их на экране компьютера. 2. Откройте темное изобр...
106 5. Использование экранного меню [INSTALLATION(2)] Блокировка кнопок на корпусе проектора с помощью параметра [БЛОК. ПАНЕЛИ УПРАВЛ.] С помощью данной опции можно включать или выключать функцию БЛОК. ПАНЕЛИ УПРАВЛ.. ПРИМЕЧАНИЕ: • Функция БЛОК. ПАНЕЛИ УПРАВЛ. не влияет на функции пульта дистанционн...
107 5. Использование экранного меню ID. ПРИМЕЧАНИЕ: • Если для [КОНТРОЛЬ ID] выбрано [ВКЛ.], то проектором нельзя управлять, используя пульт дистанционного управления, который не поддерживает функцию КОНТРОЛЬ ID. (В таком случае можно использовать кнопки на корпусе проектора.) • На данную установку ...
108 5. Использование экранного меню [ОПЦИИ(1)] Установка режима [АВТО НАСТРОЙКА] С помощью этой функции можно установить режим АВТО НАСТРОЙКА, при котором можно автоматически или вручную корректировать шум и настраивать стабильность сигнала компьютера. Автоматическая настройка может выполняться в дв...
109 5. Использование экранного меню ПРИМЕЧАНИЕ: • При выборе режима [БОЛЬШАЯ ВЫСОТА] в меню [РЕЖИМ ВЕНТИЛЯТОРА] внизу меню отобразится иконка . • Высокоскоростной режим рекомендуется выбирать при непрерывном использовании проектора в течение нескольких дней.• Если проектор используется на высоте око...
111 5. Использование экранного меню Включение проектора посредством подачи компьютерного сигнала [AUTO POWER ON(COMP1/3)] Если проектор находится в режиме ожидания, сигнал с компьютера, подключенного к входному разъему COMPUTER1 IN или COMPUTER3 IN, будет включать проектор и одновременно проецироват...
112 5. Использование экранного меню Описания и функции меню [ИНФ.] Служит для отображения состояния текущего сигнала и времени использования лампы. Опция включает девять страниц. Содержится следующая информация: ПОДСКАЗКА: Нажатие кнопки HELP на пульте дистанционного управления показывает элементы...
115 5. Использование экранного меню [VERSION(2)] FIRMWARE3 [ДРУГИЕ] НАЗВАНИЕ ПРОЕКТОРА MODEL NO. SERIAL NUMBER LAN UNIT TYPE CONTROL ID (когда установлено значение для параметра [КОНТРОЛЬ ID])
116 5. Использование экранного меню Описания и функции меню [ВОССТ.] Восстановление установок по умолчанию [ВОССТ.] Функция ВОССТ. позволяет изменить регулировки и настройки на заводские настройки для (всех) источника (ков), кроме следующих: [ТЕКУЩИЙ СИГНАЛ] Возвращает настройкам текущего сигнала ...
117 5. Использование экранного меню Сброс показаний времени работы фильтра [СБРОС ВРЕМЕНИ НАРАБОТКИ ФИЛЬТРА] Обнуление показаний счетчика. При выборе этой опции на экране отображается диалоговое окно с запросом под - тверждения. Выберите [ДА] и нажмите кнопку ENTER. Опция [ВЫКЛ.] выбрана для парамет...
118 5. Использование экранного меню ❾ Меню приложений Когда [СЕТЬ] выбрано из меню [ИСТ.], появится меню приложения [МЕНЮ ПРИЛОЖЕНИЯ]. Меню приложения позволяет установить User Supportware, настройки сети (СЕТЕВЫЕ НАСТРОЙКИ) и инструменты (ИНСТРУМЕНТЫ). Приложение User Supportware содержится на вход...
119 5. Использование экранного меню СЕТЕВОЙ ПРОЕКТОР Здесь показана информация о названии проектора, разрешении и сети (проводной/беспроводной), необходимые для использования сетевого проектора. Используйте эту информацию для настройки компьютера. ПОДКЛЮЧЕНИЕ К УДАЛЕННОМУ РАБОЧЕМУ СТОЛУ Здесь можно ...
120 5. Использование экранного меню СЕТЕВЫЕ НАСТРОЙКИ Важно:• Об этих настройках проконсультируйтесь со своим сетевым администратором.• При использовании подключения по проводной локальной сети, подсоедините кабель локальной сети (кабель Ethernet) к порту локальной сети (RJ-45) про - ектора. ( → стр...
123 5. Использование экранного меню ОБЗОР САЙТА Отображает список доступных SSID. Выберите SSID, к которому Вы можете осуществить доступ. Чтобы выбрать SSID, выделите [SSID] и используйте ▶ , чтобы вы - брать [OK] и нажмите кнопку ENTER. .............................. Точка доступа беспроводной лока...
124 5. Использование экранного меню Когда [WEP(64bit)] или [WEP(128bit)] выбрано для [ТИП ЗАЩИТЫ] ВЫБОР КЛЮЧА Выбирает один из WEP ключей из четырех ниже представленных ключей. КЛЮЧ1, КЛЮЧ2, КЛЮЧ3, КЛЮЧ4 Введите ключ WEP. • Максимальное количество знаков Опция Буквенно-цифровой (ASCII) Шестнадцатери...
125 5. Использование экранного меню [АУТЕНТИФИКАЦИЯ] (необходима только для беспроводной сети) Необходимо выполнить настройки для использования WPA-EAP или WPA2-EAP. Подготовка перед выполнением настройки Выберите беспроводную локальную сеть, совместимую с WPA-EAP или WPA2-EAP аутентификацией и уста...
126 5. Использование экранного меню 4. Выберите [ОБЗОР САЙТА] и нажмите кнопку ENTER. Появится список «SSID». 5. Выберите подсоединяемый SSID, а затем выберите [OK]. И наконец, нажмите кнопку ENTER. • Выберите SSID, для которого установлены WPA-PSK или WPA2-PSK.• Выберите [ИНФРАСТРУКТУРА ( )] для [Т...
127 5. Использование экранного меню 11 . Выберите закладку [ПРОВЕРКА]. Отобразится страница [ПРОВЕРКА]. Выберите [EAP-TLS] или [PEAP-MSCHAPv2] для [ТИП EAP]. Пункты настройки зависят от типа EAP. Смотрите таблицу ниже. Тип EAP Пункт настройки Примечание EAP-TLS Имя пользователя 1 до 32 символов Серт...
128 5. Использование экранного меню 13. Выберите [СЕРТИФИКАТ КЛИЕНТА] и нажмите кнопку ENTER. Отобразится список файлов (экран миниатюр). • Для дополнительной информации по работе с экраном миниатюр, см. «4. Использование режима Просмотр» в «Руководстве пользователя» (PDF). • Чтобы вернуться на стра...
129 5. Использование экранного меню 17. На экране миниатюр выберите цифровой сертификат (формат файла DER), сохраненный на запоминающем устройстве USB и нажмите кнопку ENTER. • Выберите здесь корневой CA сертификат. Выбранный цифровой сертификат будет установлен на проекторе. 18. После завершения не...
130 5. Использование экранного меню 15. После окончания настройки имени пользователя выберите поле [ПАРОЛЬ] и нажмите кнопку ENTER. Отобразится экран ввода символов (виртуальная клавиатура). Установите пароль. • Длина пароля не более 32 символов. 16. После окончания настройки пароля выберите поле [C...
134 5. Использование экранного меню ПОЧТОВОЕ ПРЕДУПРЕЖДЕНИЕ (только меню РАСШИРЕННОЕ) ПОЧТОВОЕ ПРЕДУПРЕ - ЖДЕНИЕ С помощью данной функции Вы получите сообщение на ком - пьютер о сроке замене лампы или сообщениях об ошибках по электронной почте, используя проводную или беспроводную локальную сеть. По...
136 5. Использование экранного меню ИНСТРУМЕНТЫ РЕЖИМ АДМИНИСТРАТОРА Здесь можно выбрать РЕЖИМ МЕНЮ, сохранить настройки и установить пароль для режима администратора. РЕЖИМ МЕНЮ Выберите [ОСНОВНОЙ] или [РАСШИРЕННОЕ] меню. ( → страница 84 ) — НЕ СОХРАНЯЙТЕ НА - СТРОЙКИ Установка галочки не сохранит ...
137 5. Использование экранного меню ТАЙМЕР ПРОГРАММЫ Данная опция включает/выключает проектор и изменяет видео сигналы, а также автоматически выбирает режим ЭКО в определенное время. ПРИМЕЧАНИЕ: • Перед использованием [ТАЙМЕРА ПРОГРАММЫ] убедитесь, что установлена функция [ДАТА И ВРЕМЯ]. ( → страниц...
138 5. Использование экранного меню Чтобы выполнять программу ежедневно, выберите [КАЖДЫЙ ДЕНЬ]. ВРЕМЯ ............................ Установите время, чтобы выполнить программу. Введите время в 24-часовом формате.ФУНКЦИЯ ........................ Выберите функцию для выполнения. Выбор [ПИТАНИЕ] позвол...
139 5. Использование экранного меню Активация таймера программы 1. Выберите [РАЗРЕШИТЬ] на экране [ТАЙМЕР ПРОГРАММЫ] и нажмите кнопку ENTER. [РАЗРЕШИТЬ] активируется. 2. Выберите [OK] и нажмите кнопку ENTER. Экран [ТАЙМЕР ПРОГРАММЫ] поменяется на [ИНСТРУМЕНТЫ]. ПРИМЕЧАНИЕ: • Очищение [РАЗРЕШИТЬ] заб...
140 5. Использование экранного меню ДАТА И ВРЕМЯ Вы можете настроить текущее время, месяц, дату и год. ПРИМЕЧАНИЕ: У проектора есть встроенные часы. После выключения главного питания часы будут работать в течение примерно 2 недель. После выключения главного питания на 2 недели или более, встроенные ...
141 6. Подключение к другому оборудованию Установка объектива (продается отдельно) С данным проектором можно использовать пять отдельных байонетных объективов. Ниже приведено описание установки объектива NP13ZL (2-ух кратный зум). Другие объективы устанавливайте тем же способом. ПРИМЕЧАНИЕ: • Прое...
142 4. Поверните объектив по часовой стрелке. Поверните до щелчка. Теперь объектив прикреплен к проектору. ПОДСКАЗКА: Установите винт для предотвращения кражи объективаЗакрутите винт для предотвращения кражи объектива, входящий в комплект с про - ектором, снизу проектора, чтобы объектив нельзя было ...
143 6. Установка и подключение Компьютерный кабель (VGA) (входит в ком- плект поставки) Подключается к разъему mini D-Sub 15-pin на проекторе. Если используется кабель передачи сигнала длиннее кабеля, входящего в комплект поставки, рекомендуется исполь- зовать серийный усилитель-распределитель. ПРИМ...
145 6. Установка и подключение Предупреждения по подключению кабеля HDMI • Используйте сертифицированный высокоскоростной кабель HDMI® или высокоскоростной кабель HDMI® совме - стимый с Ethernet. Предупреждения по подключению кабеля DisplayPort • Используйте сертифицированный кабель DisplayPort. • В...
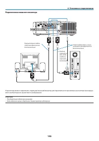
146 6. Установка и подключение Подключение внешнего монитора К проектору можно подключить отдельный внешний монитор для параллельного просмотра на мониторе проецируе - мого компьютерного аналогового изображения. ПРИМЕЧАНИЕ: • Последовательное подключение невозможно.• Когда подключено звуковое оборуд...
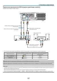
147 6. Установка и подключение Подключение проигрывателя DVD или других аудио/видео устройств Подключение Видео/S-Видео входа • После включения проектора выберите имя источника для соответствующего входного разъема. Входной разъем Кнопка SOURCE на корпусе про - ектора Кнопка на пульте дистанционно -...
150 6. Установка и подключение Подключение к проводной локальной сети Проектор оборудован LAN портом (RJ-45), который предоставляет возможность подключения к локальной сети с по - мощью сетевого кабеля. Чтобы использовать соединение по локальной сети, необходимо произвести настройку локальной сети в...
151 6. Установка и подключение Подключение к беспроводной локальной сети с помощью модуля беспроводной локальной сети (приобретается дополнительно) Для использования окружения беспроводной локальной сети необходим модуль беспроводной локальной сети (приобретается дополнительно). При использовании пр...
152 6. Установка и подключение 1. Нажмите кнопку , чтобы установить проектор в режим ожидания, затем отсоедините силовой кабель. Подождите, пока проектор полностью остынет. 2. Снимите крышку фильтра. Нажимая кнопки на правой и левой стороне крышки фильтра вверх, потяните крышку фильтра на себя, чтоб...
153 6. Установка и подключение Извлечение модуля беспроводной локальной сети 1. Снимите блок фильтра, следуя выше указанным шагам 1–3. 2. Выньте модуль беспроводной локальной сети. Если модуль беспроводной локальной сети вынимается с трудом, оберните тканью и т.д. плоскогубцы с остроконечными губкам...
154 6. Установка и подключение Пример подключения к беспроводной локальной сети (Тип сети → Инфраструктура) ( → стр. 12 3 ) ПК с подключенным адаптером беспроводной локальной сети ПК со встроенным модулем бес- проводной локальной сети Проводная локальная сеть Точка доступа беспро- водной локальной с...
155 7. Техническое обслуживание В данном разделе описываются простые процедуры технического обслуживания, которые необходимо выполнять для поддержания чистоты фильтров, объектива, корпуса, а также для замены лампы и фильтров. 1 Чистка фильтров Фильтрующий элемент воздушного фильтра не позволяет част...
156 7. Техническое обслуживание (2) Выдвиньте левые края каждого фильтрующего элемента и выньте два ячеистых фильтрующих элемента грубой очистки. - Фильтры нельзя вынуть, нажимая на левые и правые края. 4. С помощью пылесоса удалите пыль с внутренних элемен - тов. Удалите пыль с гофрированного фильт...
157 7. Техническое обслуживание 8. Установите крышку фильтра обратно на корпус проек - тора. Вставьте 4 защелки на верхней стороне крышки фильтра в пазы на корпусе и нажмите на боковые кнопки, чтобы закрыть крышку фильтра. • Надавите на крышку фильтра до щелчка. 9. Сбросьте время наработки фильтра. ...
158 7. Техническое обслуживание Чистка объектива • Перед чисткой выключите проектор. • У проектора пластиковый объектив. Используйте доступный на рынке очиститель для пластиковых объективов. • Не поцарапайте и не повредите поверхность объектива, так как ее очень легко испортить. • Никогда не испол...
159 7. Техническое обслуживание Замена лампы и фильтров Когда срок службы лампы заканчивается, индикатор LAMP на корпусе начинает мигать красным цветом и появляется сообщение «ИСТЕКАЕТ СРОК ЭКСПЛУАТАЦИИ ЛАМПЫ. ПОЖАЛУЙСТА, ЗАМЕНИТЕ ЕЁ. ИСПОЛЬЗУЙТЕ УКАЗАННУЮ ЛАМПУ ДЛЯ БЕЗОПАСНОСТИ И ПРОИЗВОДИТЕЛЬНОС...
160 7. Техническое обслуживание 2. Снимите корпус лампы. (1) Ослабьте два винта, удерживающих корпус лампы, пока крестообразная отвертка не начнет свободно прокру - чиваться. • Эти два винта не вынимаются. • На корпусе находится блокировочное устройство, предохраняющее от поражения электрическим ток...
161 7. Техническое обслуживание На этом замена лампы заканчивается. Теперь приступайте к замене фильтра. ПРИМЕЧАНИЕ: Если продолжать использовать проектор еще в течение 100 часов после окончания срока службы лампы, проектор не сможет включиться и отобразить меню. Если такое произойдет, нажмите и уде...
162 7. Техническое обслуживание Чтобы заменить фильтры: В комплекте с запасной лампой поставляются четыре фильтра. Ячеистый фильтрующий элемент (с крупной сеткой): большой и маленький (крепятся с наружной стороны корпуса фильтра) Гофрированный фильтрующий элемент (с мелкой сеткой): большой и маленьк...
163 7. Техническое обслуживание (2) Выдвиньте левые края каждого фильтрующего элемента и выньте два ячеистых фильтрующих элемента грубой очистки (большой и маленький). • Фильтры нельзя вынуть, нажимая на левые и правые края. 4. Удалите пыль с корпуса фильтра и крышки фильтра. Почистите детали снаруж...
164 8. User Supportware Установка программного обеспечения Установка для программного обеспечения Windows Программное обеспечение за исключением Image Express Utility 2 for Mac поддерживают работу с ОС Windows 7, Windows Vista и Windows XP. ПРИМЕЧАНИЕ: • Чтобы установить или удалить любую программ...
165 8. Программное обеспечение User Supportware 2 В окне меню выберите программу, которую хотите установить. Начнется установка. • Следуйте инструкциям на экранах программы установки, чтобы завершить установку. СОВЕТ: Деинсталляция программного обеспечения Подготовка: Перед деинсталляцией необходимо...
166 8. Программное обеспечение User Supportware Установка для программного обеспечения Macintosh Image Express Utility 2 for Mac поддерживает работу с Mac OS X. 1 Вставьте входящий в комплект компакт-диск NEC Projector в привод CD-ROM компьютера. Отобразится окно меню. 2 Дважды кликните по пиктограм...
167 8. Программное обеспечение User Supportware Эксплуатация проектора через локальную сеть. (Virtual Remote Tool) Эта функция поможет Вам выполнять такие операции, как включение и выключение проектора, и выбор сигнала через локальную сеть. Также ее можно использовать для отправки изображения на п...
168 8. Программное обеспечение User Supportware Запустите Virtual Remote Tool Запуск с помощью пиктограммы на рабочем столе • Кликните два раза по пиктограмме на рабочем столе компьютера. Запуск из меню «Пуск» • Нажмите на [Пуск] → [Все программы] или [Программы] → [NEC Projector User Supportware] →...
169 8. Программное обеспечение User Supportware Выход из Virtual Remote Tool 1 Нажмите на пиктограмму Virtual Remote Tool на панели задач. На экране отобразится меню. 2 Нажмите «Exit». Virtual Remote Tool закроется. Просмотр помощи к Virtual Remote Tool • Отображение помощи с помощью панели задач. 1...
170 8. Программное обеспечение User Supportware Отображение экрана Вашего компьютера с проектора через локальную сеть (Image Express Utility Lite) Использование приложения Image Express Utility Lite позволяет отправлять изображение с монитора компьютера на проектор по проводной или беспроводной ло...
171 8. Программное обеспечение User Supportware После установки соединения с проектором Вы можете работать с управляющим окном для управления проекто- ром. ПРИМЕЧАНИЕ: • При выборе [ЭНЕРГОСБЕРЕГАЮЩИЙ] или [ОЖИДАНИЕ СЕТИ] для [РЕЖИМ ОЖИДАНИЯ] в меню, выключенный проектор не будет отображаться в окне ...
172 8. Программное обеспечение User Supportware Проецирование изображения с угловой позиции (Geometric Correction Tool в Image Express Utility Lite) Функция Geometric Correction Tool (GCT) позволяет корректировать искажения изображений при проецировании с угловой позиции. Возможности GCT • У инстр...
173 8. Программное обеспечение User Supportware 3. Мышью кликните по отметке [ ] того угла, который хотите переместить. Выбранная отметка [ ] покраснеет. (В приведенном выше примере экраны Windows пропущены для простоты.) 4. Перетащите выбранную отметку [ ] в необходимое место и отпустите кнопку мыш...
174 8. Программное обеспечение User Supportware Отображение изображений или видео с проектора через локальную сеть (Image Express Utility 2.0) Функции Image Express Utility 2.0 • Использование Image Express Utility 2.0 позволяет отправлять изображения с экрана компьютера на проектор по проводной и...
175 8. Программное обеспечение User Supportware • Проецируемые изображения можно передавать на компьютеры и сохранять на них. При использовании режима встречи «Meeting Mode» проецируемые изображения можно отправлять на компью - теры всех участников (посетителей) «Встречи». Полученные изображения мож...
176 8. Программное обеспечение User Supportware Основные принципы работы с Image Express Utility 2.0 В данном разделе приводятся три примера работы с Image Express Utility 2.0. (1) Передача изображений на проектор(2) Ведение конференции(3) Участие в конференции Отправка изображений на проектор • Под...
177 8. Программное обеспечение User Supportware 4 Поставьте отметку ( ) напротив проектора, который планируете подключить, и кликните мышью на [Connect]. Если в списке нет названия проектора, которые необходимо подключить, или оно скрыто, кликните мышью на [Update]. Click 4 -1 Click 4 -2 Проектор от...
178 8. Программное обеспечение User Supportware • Остановка или возобновление передачи изображений Передачу изображения с экрана компьютера на проектор можно приостановить или возобновить. 1 Кликните мышью по пиктограмме проектора ( ) на панели задач Windows. На экране отобразится всплывающее меню. ...
179 8. Программное обеспечение User Supportware Ведение конференций • Ведение конференций 1 Выполните шаги 1–4 в этапе «Подключение проектора» раздела «Отправка изображений на проектор» ( → страница 176 ). Проектор отобразит экран Вашего компьютера. • Демонстрация файла участникам конференции. ПРИМЕ...
180 8. Программное обеспечение User Supportware 5 Выберите папку, чтобы сохранить файлы для презентации участникам, и нажмите на [OK]. Файл в выбранной папке будет отражен в списке файлов для передачи. 6 Нажмите [Download]. Файл будет представлен участникам. ПРИМЕЧАНИЕ:Если компьютер подключен к про...
181 8. Программное обеспечение User Supportware 3 Кликните мышью по Названию встречи, чтобы принять в ней участие, затем кликните мышью на [Connect]. Click 3 Компьютер подключится к выбранной конференции, и отобразится окно посетителя. Если ведущий презентации выбирает пункт «Отправить на ПК или про...
182 8. Программное обеспечение User Supportware • Сохранение полученных изображений 1 Кликните мышью на [Memo] в окне посетителя. На экране отобразится панель памяток. Memo pane Click 2 Click 1 2 Кликните мышью на [Save Image] в окне посетителя. Изображение в окне посетителя будет сохранено. • Сохра...
183 8. Программное обеспечение User Supportware • Загрузка файла для демонстрации 1 Кликните мышью на [File Transfer] в окне посетителя. Откроется окно «File Transfer». Click 1 2 Выберите файл для загрузки и нажмите [Download]. Начнется загрузка. Прогресс загрузки отображается в левом нижнем углу ок...
184 8. Программное обеспечение User Supportware • Изменение ведущего презентации Для изменения ведущего презентации можно задать три типа настроек: «Not Approved», «Approved» и «Changing Prohibited» (их может выбирать только ведущий презентации). В приведенном ниже примере выбрана настройка «Not App...
185 8. Программное обеспечение User Supportware Использование проектора для управления компьютером через локальную сеть (Desktop Control Utility 1.0) Использование Desktop Control Utility 1.0 позволяет дистанционно управлять Вашим компьютером, который находится на некотором расстоянии от проектора...
187 8. Программное обеспечение User Supportware • Работа на компьютере 1 В меню Windows нажмите на [Пуск] → [Все программы] → [NEC Projector User Supportware] → [Desktop Control Utility 1.0] → [Desktop Control Utility 1.0] в указанном порядке. Отобразится окно «Selection Of Network Connections». Зде...
188 8. Программное обеспечение User Supportware 3 Введите пароль для запуска Desktop Control Utility 1.0 и кликните мышью на [OK]. Отобразится окно «Current password». ПРИМЕЧАНИЕ: Строка символов, отображаемых в пароле, меняется при каждом запуске Desktop Control Utility 1.0. 4 Запишите строку симво...
189 8. Программное обеспечение User Supportware • Эксплуатация проектора (подключение компьютера) 1 Подключите к проектору доступную в продаже мышь с USB разъемом. USB 2 Включите проектор. Заранее задайте настройки для подключения проектора по локальной сети. 3 Нажмите кнопку SOURCE на корпусе проек...
190 8. Программное обеспечение User Supportware 5 Кликните мышью на [DESKTOP CONTROL UTILITY]. Отобразится экран меню «DESKTOP CONTROL UTILITY». 6 Нажмите «ENTRY». Отобразится экран ввода пароля. 7 Введите пароль, который записали в шаге 4 раздела «Работа на компьютере». • Нажмите кнопку [BS] справа...
191 8. Программное обеспечение User Supportware 10 Кликните мышью по целевому объекту соединения, затем [OK]. Появится экран рабочего стола компьютера в целевом месте соединения. • Эксплуатация проектора (управление экраном рабочего стола) Управление отображенным экраном рабочего стола можно осущест...
192 8. Программное обеспечение User Supportware <1> <2> <3> <4> <1> (пиктограмма разрыва соединения) ........................................................Разрывает соединение с компьютером. <2> (пиктограмма Shift) ....При перемещении выделения курсором на данну...
193 8. Программное обеспечение User Supportware • Управление проектором (выход из Desktop Control Utility 1.0) 1 Кликните мышью по пиктограмме [ ] проектора на панели задач, пока отображается экран рабочего стола. 2 Нажмите [Exit]. Desktop Control Utility 1.0 подготовится к работе. 3 Нажмите кнопку ...
194 8. Программное обеспечение User Supportware Управление проектором через локальную сеть (PC Control Utility Pro 4) Использование программы «PC Control Utility Pro 4» позволяет управлять проектором с компьютера через локальную сеть. Функции управления Питание Вкл./Выкл., выбор сигнала, фиксирова...
195 8. Программное обеспечение User Supportware Преобразование файлов PowerPoint в слайды (Viewer PPT Converter 3.0) Использование функции Viewer PPT Converter 3.0 позволяет преобразовывать файлы PowerPoint в файлы JPEG. Преоб- разованные файлы в формате JEPG и индексные файлы (.idx) можно сохраня...
196 8. Программное обеспечение User Supportware 5. Выберите диск запоминающего устройства USB для «Card Drive» и впишите «Index name». Имя индекса должно состоять из восьми или менее буквенно-числовых знаков. Нельзя использовать 2-байтовые знаки и файлы с длинным именем. 6. Нажмите «Export». Появитс...
197 8. Программное обеспечение User Supportware Отображение экрана Вашего компьютера Mac с проектора через локальную сеть (Image Express Utility 2 for Mac) Использование входящего в комплект приложения Image Express Utility 2 for Mac позволяет отправить изображение с монитора компьютера Мас на про...
198 8. Программное обеспечение User Supportware Работа с Image Express Utility 2 Подключение к проектору 1 Убедитесь, что проектор включен.2 Кликните по статусу AirPort ( ) на панели меню Macintosh, затем кликните на «Включить AirPort». Статус AirPort изменится на « » или « ». • Типы и значение стат...
199 8. Программное обеспечение User Supportware 3 Дважды кликните по пиктограмме «Image Express Utility 2» в папке «Image Express Utility 2». • При первом запуске программы появится окно «License Agreement». Внимательно прочитайте соглашение на экране и нажмите на кнопку «Я принимаю условия лицензио...
200 8. Программное обеспечение User Supportware Остановка / Повторная передача изображения • Остановка передачи изображения 1 Нажмите на [Tools] на панели меню, затем на [Stop Sending]. Передача изображения будет приостановлена. • Повторная передача изображения 1 Нажмите на [Tools] на панели меню, з...
201 9. Приложение Расстояние до проекции и размер экрана На данном проекторе можно использовать пять отдельных байонетных объективов. Просмотрите информацию на данной странице и используйте объектив, подходящий для установочного окружения (размер экрана и расстояние до проекции). Инструкции по уст...
203 9. Приложение Диапазон проецирования для различных объективов 40-150" 30-500" 40-500" 60-500" 60-500" PA600X/PA500X : 0,6 - 2,5m PA550W : 0,7 - 2,6m PA500U : 0,5 - 2,0m PA600X/ PA500X 0,7 - 16,0m PA550W 0,7 - 16,8m PA500U 0,7 - 16,5m NP12ZL NP11FL PA600X/PA500X : 1,2 - 30,8m ...
205 9. Приложение Диапазон сдвига объектива Данный проектор оснащен функцией сдвига объектива для настройки позиции проецируемого изображения при помощи регуляторов сдвига объектива. Объектив можно сдвинуть в приведенном ниже диапазоне. Условные обозначения: V обозначает высоту (высота проецируемого...
207 9. Приложение Перечень совместимых входных сигналов Аналоговый RGB Сигнал Разрешение (точки) Соотношение сторон Частота обновления (Гц) VGA 640 × 480 4 : 3 60/72/75/85/iMac SVGA 800 × 600 4 : 3 56/60/72/75/85/iMac XGA 1024 × 768 *1 4 : 3 60/70/75/85/iMac XGA+ 1152 × 864 4 : 3 60/70/75/85 WXGA ...
209 9. Приложение Технические характеристики Модель PA600X/PA500X/PA550W/PA500U Метод Проекционный метод трех основных цветов жидкокристаллического затвора Технические характеристики основных деталей Жидкокристаллическая панель Диагональ PA600X/PA500X: 0,79" (с MLA) × 3 (соотношение сторон: 4:...
211 9. Приложение Габаритные размеры корпуса Единица измерения: мм (дюйм) 499 (19,6") 250 (9,8") 164 (6,5") 144 (5,7") 78,6 (3,1") 200 (7,9") 359 (14,1") 368,1 (14,5") Единица измерения: мм (дюйм) Центр объектива Центр объектива Отверстия для установки под по- толко...
212 9. Приложение Установка крышки кабеля (продается отдельно) Продающаяся отдельно крышка кабеля поможет спрятать кабели для поддержания чистоты. ВНИМАНИЕ! • После установки крышки кабеля, обязательно закрепите его входящими в комплект винтами. Иначе крышка кабеля может упасть, повредиться и стат...
213 9. Приложение Предназначение выводов входного разъема D-Sub COMPUTER 15-штырьковый mini D-Sub разъем Уровень сигнала Видеосигнал: 0,7 Vp-p (аналоговый) Сигнал синхронизации: уровень TTL 5 1 4 2 3 10 11 12 13 14 15 6 9 7 8 № вывода Сигнал RGB (аналоговый) Сигнал YCbCr 1 Красный Cr (цветность кр...
214 9. Приложение Устранение неисправностей Этот раздел поможет решить проблемы, которые могут возникать при подготовке к работе и в процессе эксплуатации проектора. Показания индикаторов Индикатор Power Индикация Состояние проектора Порядок действий Выкл. Питание выключено. – Мигает Синий (коротк...
216 9. Приложение Типичные неисправности и способы их устранения ( → «Индикатор Power/Status/Lamp» на стр. 21 4 .) Неисправность Проверьте следующее: Проектор не включаетсяили не выключается • Проверьте, подключен ли силовой кабель и нажата ли кнопка включения питания на корпусе проектора или пульте...
218 9. Приложение Если изображение отсутствует или отображается неправильно. • Питание подается на проектор и ПК. Убедитесь, что проектор и ноутбук были подключены друг к другу, когда проектор находился режиме ожидания, а ноутбук был включен. В большинстве случаев сигнал, исходящий от ноутбука, не в...
219 9. Приложение Коды управления и кабельные соединения ПК Коды управления ПК Функция Кодирование данных ПИТАНИЕ ВКЛЮЧЕНО 02Н 00Н 00Н 00Н 00Н 02Н ПИТАНИЕ ОТКЛЮЧЕНО 02H 01H 00H 00H 00H 03H ВЫБОР ВХОДНОГО РАЗЪЕМА «COMPUTER 1» 02H 03H 00H 00H 02H 01H 01H 09H ВЫБОР ВХОДНОГО РАЗЪЕМА «COMPUTER 2» 02H 0...
220 9. Приложение Не работают кнопки на корпусе проектора (только в моделях, в которых предусмо- трена функция [БЛОК. ПАНЕЛИ УПРАВЛ.]) Не включается или отключена в меню функция [БЛОК. ПАНЕЛИ УПРАВЛ.].По-прежнему нет никаких изменений, несмотря на то, что кнопка EXIT была нажата и удерживалась в теч...
222 9. Приложение TravelCare Guide TravelCare - a service for international travelers На данное устройство действует уникальная международная гарантия и ремонтное обслуживание NEC «TravelCare». For more information on TravelCare service, visit our website (in English only). http://www.nec-display....
NEC Проекторы Инструкции
-
NEC L50W
Инструкция по эксплуатации
-
NEC L51W
Инструкция по эксплуатации
-
NEC LT280
Инструкция по эксплуатации
-
NEC LT380
Инструкция по эксплуатации
-
NEC M230X
Инструкция по эксплуатации
-
NEC M260W
Инструкция по эксплуатации
-
NEC M271X
Инструкция по эксплуатации
-
NEC M282X
Инструкция по эксплуатации
-
NEC M300X
Инструкция по эксплуатации
-
NEC M302WS
Инструкция по эксплуатации
-
NEC M303WS
Инструкция по эксплуатации
-
NEC M311W
Инструкция по эксплуатации
-
NEC M322H
Инструкция по эксплуатации
-
NEC M322X
Инструкция по эксплуатации
-
NEC M323W
Инструкция по эксплуатации
-
NEC M332XS
Инструкция по эксплуатации
-
NEC M333XS
Инструкция по эксплуатации
-
NEC M350X
Инструкция по эксплуатации
-
NEC M352WS
Инструкция по эксплуатации
-
NEC M353WS
Инструкция по эксплуатации