Страница 2 - ПРИМЕЧАНИЯ
Ver. 1/08/12 • Apple, Mac, Mac OS и MacBook являются товарными знаками компании Apple Inc., зарегистрированными в США и других странах. • Microsoft, Windows, Windows Vista, Internet Explorer, .NET Framework, и PowerPoint являются зарегистрированными торговыми знаками или торговыми знаками Microsoft ...
Страница 3 - Важная информация; Предостережения относительно безопасности; Меры предосторожности; ВНУТРЕННИЕ КОМПОНЕНТЫ НАХОДЯТСЯ ПОД ВЫСОКИМ НАПРЯЖЕНИЕМ.; ВНИМАНИЕ; Утилизация использованного изделия; способна оказать содержащаяся в лампе ртуть.
i Важная информация Предостережения относительно безопасности Меры предосторожности Перед эксплуатацией проектора NEC внимательно ознакомьтесь с этим руководством и храните его в доступном месте для будущих справок. ВНИМАНИЕ Для отключения от сети электропитания обязательно выньте штепсель из розетк...
Страница 4 - ii; Важные меры безопасности
Важная информация ii Важные меры безопасности Эти инструкции по технике безопасности предназначены для обеспечения длительного срока службы проектора и предотвращения поражения электрическим током. Пожалуйста, внимательно прочитайте их о помните обо всех предостережениях. Установка • Не устанавливай...
Страница 5 - iii; Меры пожарной и электрической безопасности
Важная информация iii Меры пожарной и электрической безопасности • Чтобы предотвратить накопление тепла внутри проектора, убедитесь, что он хорошо вентилируется и что венти- ляционные отверстия не заблокированы. Расстояние между проектором и стеной должно составлять не менее 4 дюймов (10 см). • Не п...
Страница 6 - iv; Замена лампы; Характеристики лампы
Важная информация iv • Выключайте проектор и отсоединяйте силовой кабель от электросети перед чисткой корпуса или заменой лампы. • Выключайте проектор и отсоединяйте силовой кабель от электросети в случаях, если вы не планируете использовать проектор длительное время. • При использовании кабеля лока...
Страница 7 - эксплуатации оптических компонентов, например лампы.; ОБ АВТОРСКИХ ПРАВАХ НА ОРИГИНАЛЬНЫЕ ПРОЕЦИРУЕМЫЕ ИЗОБРАЖЕНИЯ.
Важная информация v Информация о режиме работы на большой высоте • Если проектор используется на большой высоте (приблизительно 5500 футов/1600 метров или выше), установите для параметра [РЕЖИМ ВЕНТИЛЯТОРА] значение [БОЛЬШАЯ ВЫСОТА]. Если при использовании проектора на высоте приблизительно 5500 фут...
Страница 8 - Оглавление
vi Оглавление Важная информация .................................................................................................i 1. Введение .................................................................................................................. 1 Комплектация ............................
Страница 9 - vii
Оглавление vii Предупреждение несанкционированного использования проектора [БЕЗОПАСНОСТЬ] ................................................... 29 6 Использование компьютерного кабеля (VGA) для управления проектором (Virtual Remote Tool) ................................... 32 Управление функциями ...
Страница 10 - viii
Оглавление viii [ДРУГИЕ] .......................................................................................................................................................................... 98 8 Описания и функции меню [ВОССТ.] .....................................................................
Страница 11 - Комплектация; говому представителю.
1 1. Введение Комплектация Убедитесь, что в комплект входит все перечисленное ниже. Если какие-либо элементы отсутствуют, обратитесь к тор- говому представителю. Пожалуйста, сохраните оригинальную коробку и упаковочные материалы на случай, если вам понадобится перевоз- ить проектор. В качестве при...
Страница 12 - Ознакомление с проектором; элементов управления.; Поздравляем с покупкой проектора!; на и стационарно прикрепить к потолку*; Проектор оснащен следующими функциональными возможностями:; использованием энергосберегающей технологии
2 1. Введение Ознакомление с проектором В этой главе приводится ознакомительная информация о проекторе, а также содержится описание его функций и элементов управления. Поздравляем с покупкой проектора! Этот проектор - один из самых лучших современных проекторов. Проектор позволяет проецировать точ...
Страница 13 - Об этом руководстве пользователя
3 1. Введение • Встроенный динамик мощностью 10 Вт для интегрированного звукового поля Мощный 10 Вт монофонический динамик дает уровень громкости, необходимый для больших помещений. • Входящий в комплект пульт дистанционного управления позволяет задать КОНТРОЛЬ ID проектору. Назначив каждому проекто...
Страница 14 - Название деталей проектора; Передняя/верхняя часть
4 1. Введение Название деталей проектора Передняя/верхняя часть Элементы управления ( → стр. 6 ) Объектив Дистанционный датчик ( → стр. 9 ) Вентиляционное (входное) от- верстие / крышка фильтра ( → стр. 114 , 120 ) Рычаг масштабирования ( → стр. 20 ) Крышка объектива Колесико Фокус ( → стр. 20 ) Н...
Страница 15 - Сдвиньте крышку объектива влево, чтобы открыть объектив.
5 1. Введение Задняя часть Вход переменного тока Вставьте трехконтактный штеп- сель силового кабеля, входящего в комплект поставки, в данный разъем. Вставьте в электрическую розетку штепсельную вилку на другом конце кабеля питания ( → стр. 14 ) Крышка порта для подключения дополнительного устройства...
Страница 16 - Важнейшие функции; / Кнопки регулирования громкости
6 1. Введение Важнейшие функции 1. Кнопка (POWER) ( → стр. 15 , 24 ) 2. Индикатор POWER ( → стр. 14 , 15 , 24 , 122 ) 3. Индикатор STATUS ( → стр. 122 ) 4. Индикатор LAMP ( → стр. 117 , 122 ) 5. Кнопка ECO ( → стр. 27 ) 6. Кнопка SOURCE ( → стр. 17 ) 7. Кнопка AUTO ADJ. Кнопка ( → стр. 23 ) 8. Кнопк...
Страница 17 - Функции панели разъемов; COMPUTER 1 IN/ Компонентный входной разъем; приведены типичные коды управления с ПК.
7 1. Введение Функции панели разъемов 1 2 3 5 6 13 12 8 7 11 14 9 10 4 1. COMPUTER 1 IN/ Компонентный входной разъем (Mini D-Sub 15 Pin) ( → стр. 104 , 108 ) 2. Мини-гнездо COMPUTER 1 AUDIO IN (стереофониче- ское мини-гнездо) ( → стр. 104 , 107 , 108 ) 3. COMPUTER 2 IN/ Компонентный входной разъем (...
Страница 18 - Элементы пульта дистанционного управления
8 1. Введение Элементы пульта дистанционного управления 3 7 5 6 1 2 1015 16 14 17 9 4 8 13 293031 19 202527 28 24 18 23 22 21 26 32 12 11 1. Инфракрасный передатчик ( → стр. 9 ) 2. Кнопка POWER ON ( → стр. 15 ) 3. Кнопка POWER OFF ( → стр. 24 ) 4, 5, 6. Кнопка COMPUTER 1/2/3 ( → стр. 17 ) (Кнопка ...
Страница 19 - Правила обращения с пультом дистанционного управления
9 1. Введение 30° 30° 30° 30° 7 м / 22 фута 7 м / 22 фута Пульт дистанционного управления Дистанционный датчик на корпусе проектора Пульт дистанционного управления Правила обращения с пультом дистанционного управления • Обращайтесь с пультом дистанционного управления бережно. • Если на пульт дистанц...
Страница 20 - Рабочая среда для программного обеспечения, содержащегося; Служба загрузки обновлений
10 1. Введение Рабочая среда для программного обеспечения, содержащегося на CD-ROM Названия и функции встроенного программного обеспечения Название программного обеспе- чения Функции Virtual Remote Tool (Только Windows) Это – программное приложение, которое используется для управления включе- нием...
Страница 21 - Операционная среда
11 1. Введение Операционная среда Следующие условия являются операционной средой для Image Express Utility Lite. Для получения информации об операционных средах для других программ, см. справку к соответствующей программе. [Windows] Поддерживаемые ОС Windows 7 Home Basic Windows 7 Home Premium Windo...
Страница 23 - Порядок проецирования изображения; - Автоматическая оптимизация сигнала компьютера (
13 2. Проецирование изображения (основные операции) В этом разделе описано, как включить проектор и спроецировать изображение на экран. Порядок проецирования изображения Шаг 1 • Подключение компьютера / Подсоединение силового кабеля ( → стр. 14 ) Шаг 2 • Включение проектора ( → стр. 15 ) Шаг 3 • В...
Страница 24 - Подключение компьютера / Подсоединение силового кабеля; Подсоедините прилагаемый силовой кабель к проектору.; время нормальной работы проектора.
14 2. Проецирование изображения (основные операции) Подключение компьютера / Подсоединение силового кабеля 1. Подключите компьютер к проектору. В данном разделе описывается основное подключение к компьютеру. Для получения информации о других подклю- чениях см. «6. Installation and Connections» на ...
Страница 25 - Включение проектора; Сдвиньте крышку объектива влево, чтобы открыть
15 2. Проецирование изображения (основные операции) Включение проектора 1. Сдвиньте крышку объектива влево, чтобы открыть объектив 2. Нажмите кнопку (POWER) на корпусе проектора или кнопку POWER ON на пульте дистанционного управле- ния. Индикатор POWER загорится синим цветом и проектор будет готов...
Страница 26 - Примечание об экране запуска (экран выбора языка меню); Для выбора языка меню выполните следующие действия:; ляторы, после чего на экране появится изображение.
16 2. Проецирование изображения (основные операции) 1. С помощью кнопки , , или выберите для меню один из 29 языка. 2. Нажмите кнопку ENTER, чтобы подтвердить выбор. После этого можно перейти к работе с меню. При желании язык меню можно выбрать позже. ( → [ЯЗЫК] на стр. 72 , 85 ) Примечание ...
Страница 27 - Выбор источника; Выбор компьютера или источника видеосигнала; На экране отобразится меню.
17 2. Проецирование изображения (основные операции) Выбор источника Выбор компьютера или источника видеосигнала ПРИМЕЧАНИЕ: Компьютер или иной источник видеосигнала, подключенный к компьютеру, должен быть включен. Автоматическое обнаружение сигнала Нажмите кнопку SOURCE один раз. Проектор произвед...
Страница 28 - Регулировка размера и положения изображения; рования или колесико «Фокус».
18 2. Проецирование изображения (основные операции) Регулировка размера и положения изображения Чтобы настроить размер и положение картинки, используйте ножку для регулирования наклона, функцию масштаби- рования или колесико «Фокус». В этом разделе чертежи и кабели не указаны для большей ясности. ...
Страница 29 - Настройка ножки для регулирования наклона; Не дотрагивайтесь до выпускного вентиляционного отверстия во; Настройка наклона изображения влево и вправо [Задняя; • Поверните заднюю ножку.
19 2. Проецирование изображения (основные операции) Настройка ножки для регулирования наклона 1. Поднимите передний край проектора. ВНИМАНИЕ: Не дотрагивайтесь до выпускного вентиляционного отверстия во время настройки ножки для регулирования наклона, так как при вклю- чении проектора это отверстие ...
Страница 30 - Колесико FOCUS используется для настройки фокусировки.
20 2. Проецирование изображения (основные операции) Масштабирование Рычаг ZOOM используется для настройки размера изображения на экране. Фокус Колесико FOCUS используется для настройки фокусировки. Рычаг масштабиро- вания Колесико Фокус
Страница 31 - Коррекция трапециевидных искажений вручную; Настройка при помощи кнопок на корпусе; или
21 2. Проецирование изображения (основные операции) 6 Коррекция трапециевидных искажений вручную Если экран наклонен вертикально, трапециевидные искажения увеличиваются. Функция автоматической коррекции трапециевидного искажения включена на момент поставки. Чтобы выполнить коррекцию трапециевидных и...
Страница 32 - Настройка с помощью пульта дистанционного управления; Появится панель настройки трапецеидального искажения.
22 2. Проецирование изображения (основные операции) Настройка с помощью пульта дистанционного управления 1. Нажмите кнопку KEYSTONE. Появится панель настройки трапецеидального искажения. 2. Используйте кнопку или для исправления трапецеидального искажения. Настройте так, чтобы правая и левая сто...
Страница 33 - Автоматическое обнаружение сигнала компьютера; Настройка изображения с помощью кнопки Auto Adjust; Увеличение или уменьшение громкости; Громкость динамика можно изменять.
23 2. Проецирование изображения (основные операции) 7 Автоматическое обнаружение сигнала компьютера Настройка изображения с помощью кнопки Auto Adjust Автоматическая оптимизация изображения компьютера. (КОМПЬЮТЕР1/КОМПЬЮТЕР2) Для выполнения автоматической оптимизации компьютерного изображения нажмит...
Страница 34 - Выключение проектора; Чтобы выключить проектор:; кнопку POWER OFF на пульте дистанционного управле-
24 2. Проецирование изображения (основные операции) 9 Выключение проектора Чтобы выключить проектор: 1. Нажмите на кнопку (POWER) на корпусе проектора или кнопку POWER OFF на пульте дистанционного управле- ния. Отобразится подтверждающее сообщение. 2. После этого нажмите кнопку ENTER или повторно на...
Страница 35 - По завершении использования; Чтобы закрыть объектив, сдвиньте крышку объектива вправо.
25 2. Проецирование изображения (основные операции) По завершении использования Подготовка: Убедитесь, что питание проектора выключено. 1. Отсоедините силовой кабель. 2. Отсоедините остальные кабели. • Выньте запоминающее устройство USB, если оно вставлено в проектор. 3. Сложите ножку для регулиро...
Страница 36 - Отключение изображения и звука; кое время. Повторное нажатие вернет изображение и звук.; Фиксация изображения; Повторное нажатие возобновит движение.; Увеличение картинки; Увеличение картинки возможно до четырехкратного размера.
26 Отключение изображения и звука Нажмите кнопку AV-MUTE, чтобы отключить изображение и звук на корот- кое время. Повторное нажатие вернет изображение и звук. Энергосберегающая функция проектора будет работать еще 10 секунд после выключения изображения.В результате уменьшится мощность лампы. ПРИМЕ...
Страница 37 - Область увеличенного изображения будет перемещаться; Изменение режима ЭКО/Проверка энергосберегающего эффекта; АВТО ЭКО
27 3. Функции удобства 2. Нажмите кнопку . Область увеличенного изображения будет перемещаться 3. Нажмите кнопку D-ZOOM (−). При каждом нажатии D-ZOOM (−) изображение будет уменьшаться. ПРИМЕЧАНИЕ: • Изображение будет увеличено или уменьшено по центру экрана.• Если открыть меню, текущее увеличе...
Страница 38 - На состояние лампы не влияет даже изменение параметра [ЭКО РЕЖИМ].; Проверка энергосберегающего эффекта [ИЗМЕРЕНИЕ СО2]
28 3. Функции удобства ПРИМЕЧАНИЕ: • [ЭКО РЕЖИМ] можно изменять через меню. Выберите [ВКЛ.] → [ОБЩИЕ НАСТРОЙКИ] → [ЭКО РЕЖИМ]. • Время до конца службы лампы и количество часов работы лампы можно проверить в меню [ВРЕМЯ ИСПОЛЬЗОВАНИЯ]. Выберите [ИНФ.] → [ВРЕМЯ ИС- ПОЛЬЗОВАНИЯ]. • Проектор находится в...
Страница 39 - Предупреждение несанкционированного использования; Чтобы активировать функцию безопасности:
29 3. Функции удобства Предупреждение несанкционированного использования проектора [БЕЗОПАСНОСТЬ] Можно установить пароль, чтобы предотвратить несанкционированное использование проектора. Каждый раз при включении проектора будет отображаться экран для ввода пароля. Проецирование изображения будет ...
Страница 40 - Для включения проектора при включенной функции [БЕЗОПАСНОСТЬ]:
30 3. Функции удобства 7. Введите комбинацию из тех же самых четырех кнопок и нажмите кнопку ENTER. Откроется окно подтверждения. 8. Выберите [ДА] и нажмите кнопку ENTER. Функция БЕЗОПАСНОСТЬ активирована. Для включения проектора при включенной функции [БЕЗОПАСНОСТЬ]: 1. Нажмите кнопку POWER. П...
Страница 42 - Использование компьютерного кабеля (VGA) для управления; Функции управления; Виртуальный пульт дистанционного управления
32 3. Функции удобства 6 Использование компьютерного кабеля (VGA) для управления проектором (Virtual Remote Tool) С помощью утилиты «Virtual Remote Tool» (на CD для проектора компании NEC) виртуальный пульт дистанционного управления (или панель инструментов) можно увидеть на мониторе компьютера. Эта...
Страница 43 - Шаг 1: Установка Virtual Remote Tool на компьютер; Отобразится окно меню.
33 3. Функции удобства ПРИМЕЧАНИЕ: • Если на Вашем переключателе источника выбран [КОМПЬЮТЕР 1], виртуальный пульт дистанционного управления или панель инструментов будут отображены так же, как и экран Вашего компьютера. • Используйте входящий в комплект компьютерный кабель (VGA) для соединения разъ...
Страница 45 - Установка Virtual Remote Tool; • Для Windows 7/Windows Vista; • Для Windows XP; Кликните «Пуск», а затем «Панель управления».; Шаг 2: Подсоедините проектор к компьютеру; Проектор находится в режиме ожидания.
35 3. Функции удобства СОВЕТ: Установка Virtual Remote Tool Подготовка: Выйдите из Virtual Remote Tool перед установкой. Чтобы установить Virtual Remote Tool, учетная запись пользователя Windows должна быть с правами «Администратор» (Windows 7 и Windows Vista) или с правами «Администратор ком- пьюте...
Страница 46 - Нажмите два раза на пиктограмму; Запуск из меню «Пуск»; Следуйте указаниям на экранах.
36 3. Функции удобства Шаг 3: Запустите Virtual Remote Tool Запуск с помощью пиктограммы на рабочем столе 1 Нажмите два раза на пиктограмму на рабочем столе компьютера. Запуск из меню «Пуск» • Нажмите [Пуск] → [Все программы] или [Программы] → [NEC Projector User Supportware] → [Virtual Remote Tool]...
Страница 47 - Выход из Virtual Remote Tool; Просмотр помощи к Virtual Remote Tool; • Отображение помощи, используя панель задач.; • Отображение помощи, используя меню Пуск.; Появится окно Помощь.
37 3. Функции удобства Выход из Virtual Remote Tool 1 Нажмите на пиктограмму Virtual Remote Tool на панели задач. На экране отобразится меню. 2 Нажмите на «Exit». Virtual Remote Tool закроется. Просмотр помощи к Virtual Remote Tool • Отображение помощи, используя панель задач. 1 Нажмите на пиктограм...
Страница 48 - Кнопка PAGE
38 3. Функции удобства Управление функциями мыши компьютера с пульта дистанционного управления через кабель USB (функция удаленной мыши) Встроенная функция удаленной мыши позволяет Вам управлять функциями мыши компьютера с помощью входящего в комплект пульта дистанционного управления, когда проект...
Страница 49 - Проецирование изображения экрана компьютера через кабель; • Откройте крышку объектива проектора.
39 3. Функции удобства Проецирование изображения экрана компьютера через кабель USB (дисплей USB) С помощью доступного на рынке кабеля USB (совместимого с техническими условиями USB 2.0) для подключения про- ектора к компьютеру Вы сможете посылать изображение на мониторе компьютера для показа на п...
Страница 50 - * Когда подсоединен кабель USB, «HTTP Server» выбрать нельзя.
40 3. Функции удобства 5. Начните работу с окном управления. (1) (Источник) .........................Выбирает входящий источник для проектора. (2) (Изображение) ..................Включает и выключает AV-MUTE (Меню изображения) и включает и выключает FREEZE (Остановку изображения). (3) (Звук) ..........
Страница 51 - Управление проектором с помощью браузера HTTP; Общий обзор; будут посланы по электронной почте.; Подготовка перед началом работы
41 3. Функции удобства Управление проектором с помощью браузера HTTP Общий обзор Функция сервера HTTP осуществляет следующие настройки и процессы: 1. Настройки для проводной/беспроводной сети (NETWORK SETTINGS) Для использования беспроводной локальной сети, необходимо дополнительное устройство бес...
Страница 54 - WIRED или WIRELESS
44 3. Функции удобства СЕТЕВЫЕ НАСТРОЙКИ • SETTINGS WIRED или WIRELESS SETTING Настройка для проводной или беспроводной локальной сети. APPLY Применение настроек для проводной или беспроводной локальной сети. DHCP ON Автоматическое присваивание адреса IP, подсетевой маски и входа проектору с Вашего ...
Страница 55 - беспроводной локальной сети.; • NAME
45 3. Функции удобства NETWORK TYPE Выбор способа связи при использовании беспроводной локальной сети. INFRASTRUCTURE: Выберите этот параметр при установки связи с одним или более устройствами, подключенными к беспроводной локальной сети через точку беспро- водного доступа. AD HOC: Выберите этот пар...
Страница 56 - • ALERT MAIL; верьте правильность сетевых настроек.; • NETWORK SERVICE
46 3. Функции удобства • ALERT MAIL ALERT MAIL (только на английском языке) С помощью данной функции Вы получите сообщение на компьютер о сроке замене лампы или сообщениях об ошибках по электронной почте, используя проводную или беспроводную локальную сеть. Поставив галочку, можно включить функцию п...
Страница 58 - Управление проектором через локальную сеть (PC Control Utility; Экран программы PC Control Utility Pro 4
48 3. Функции удобства Управление проектором через локальную сеть (PC Control Utility Pro 4/Pro 5) Используя утилиты «PC Control Utility Pro 4» и «PC Control Utility Pro 5», которые находятся на прилагаемом компакт- диске NEC Projector, можно управлять проектором через локальную сеть. PC Control U...
Страница 60 - «Система и безопасность»; Просмотр Помощи к PC Control Utility Pro 4; • Отображение Помощи во время работы с PC Control Utility Pro 4.
50 3. Функции удобства Шаг 2: Подключите проектор к локальной сети. Подключите проектор к локальной сети, выполнив инструкции в «Подключение к проводной локальной сети» ( → стр. 110 ), «Подключение к беспроводной локальной сети (дополнительно: серии NP02LM)» ( → стр. 111 ) и «9 Управление проектором...
Страница 61 - Шаг 2: Подключите проектор к локальной сети; Управление; Шаг 3: Запустите PC Control Utility Pro 5; • Из меню щелкните на «Help»; • Отображение справки с помощью док
51 3. Функции удобства Использование на Mac OSШаг 1: Установите PC Control Utility Pro 5 на компьютер 1. Вставьте входящий в комплект диск NEC Projector CD-ROM в привод CD-ROM компьютера Mac. На экране отобразится значок компакт-диска. 2. Дважды щелкните значок компакт-диска. Отобразится окно компак...
Страница 62 - или карт памяти SD, без необходимости установки на Ваш компьютер. (; Функции Image Express Utility Lite
52 3. Функции удобства Отображение экрана Вашего компьютера с проектора через локальную сеть (Image Express Utility Lite) С помощью приложения Image Express Utility Lite, которое содержится на прилагаемом диске NEC Projector CD-ROM, Вы можете послать изображение с монитора компьютера на проектор п...
Страница 63 - Шаг 2: Подключите проектор к локальной сети.; проектором с помощью браузера HTTP» (; Шаг 3: Запустите Image Express Utility Lite.
53 3. Функции удобства СОВЕТ:Если окно меню не отобразилось, попробуйте выполнить следующую процедуру.Для Windows 7: 1. Нажмите «Пуск» в Windows.2. Нажмите «Все программы» → «Стандартные» → «Выполнить». 3. Введите имя привода CD-ROM (например: «Q:\») и «LAUNCHER.EXE» в «Имя». (например: Q:\LAUNCHER....
Страница 64 - назначения; Просмотр файла «Помощь» к приложению Image Express Utility Lite
54 3. Функции удобства 3. Выберите сеть, которую Вы хотите подключить, и нажмите «Select». Отобразится окно выбора цели. 4. Поставьте «галочку» для подключаемых проекторов и нажмите «Connect». • Когда отобразится один или более проекторов, в меню проектора выберите [ИНФ.] → [БЕСПРОВОД. ЛОК. СЕТЬ] → ...
Страница 66 - Шаг 3: Запустите Image Express Utility Lite для Mac OS; «END USER LICENSE AGREEMENT».
56 3. Функции удобства Использование на Mac OSШаг 1: Установите Image Express Utility Lite для Mac OS на компьютер 1. Вставьте входящий в комплект диск NEC Projector CD-ROM в привод CD-ROM Вашего компьютера Mac. На экране отобразится значок компакт-диска. 2. Дважды кликните по значку компакт-диска. ...
Страница 67 - Возможности инструментальных средств GCT; Нажмите на пиктограмму «
57 3. Функции удобства Проекция под углом (инструментальные средства Geometric Correction Tool приложения Image Express Utility Lite) Инструментальные средства Geometric Correction Tool (GCT ) позволяют корректировать искажения изображения, спроектированного не под прямым углом к экрану. Возможнос...
Страница 69 - Использование функции «Просмотр»; Возможности режима Просмотр; Возможности режима Просмотр.
59 4. Использование функции «Просмотр» ❶ Возможности режима Просмотр Возможности режима Просмотр. • Просмотр позволяет просматривать изображения с запоминающих устройств USB, которые подключаются к USB порту (Тип А) проектора. Даже при отсутствии компьютера можно проводить презентации только с помощ...
Страница 70 - Описание
60 4. Использование функции «Просмотр» ПРИМЕЧАНИЕ: • Порт USB проектора не поддерживает концентратор USB.• Когда в режиме Просмотр отображается экран Слайд или экран Миниатюры, то при нажатии кнопок следующие режимы недоступны. - Коррекция трапецеидального искажения - при нажатии кнопки ▲ / ▼ - Авто...
Страница 71 - Показ изображений с запоминающего устройства USB; Этот раздел объясняет основные принципы работы режима Просмотр.; Начало работы режима Просмотр; Вставьте запоминающее устройство USB в USB порт
61 4. Использование функции «Просмотр» ❷ Показ изображений с запоминающего устройства USB Этот раздел объясняет основные принципы работы режима Просмотр. В объяснении представлен порядок работы, когда панель инструментов просмотра ( → стр. 65 ) имеет настройки по умолчанию. - Начало работы Просмотр ...
Страница 73 - Если меню не отображается нажмите кнопку EXIT.; Выход из режима Просмотр; Нажмите кнопку MENU с пиктограммой Слайд или
63 4. Использование функции «Просмотр» Извлечение запоминающего устройства USB из проектора 1. Выберите экран запуска ПРОСМОТР. Если меню не отображается нажмите кнопку EXIT. 2. Извлеките запоминающее устройство USB из проектора. Проверьте, чтобы не мигал светодиод на запоми- нающем устройстве USB. ...
Страница 75 - Воспользуйтесь кнопкой; Панель инструментов миниатюр
65 4. Использование функции «Просмотр» Использование панели инструментов 1. Нажмите кнопку MENU. Отобразится панель инструментов. Экран ИСТОЧНИКА будет открыт как экран соединений просмотра. 2. Воспользуйтесь кнопкой ◀ или ▶ , чтобы выбрать элемент, и воспользуйтесь кнопкой ▲ или ▼ , чтобы вы- брать...
Страница 77 - Преобразование файлов PowerPoint в слайды (Viewer PPT; Установите Viewer PPT Converter 3.0 на компьютер.
67 4. Использование функции «Просмотр» Преобразование файлов PowerPoint в слайды (Viewer PPT Converter 3.0) С помощью Viewer PPT Converter 3.0, содержащегося на прилагаемом диске NEC Projector CD-ROM, Вы можете преобра- зовывать файлы PowerPoint в файлы JPEG. Преобразованные файлы в формате JEPG м...
Страница 78 - Начнется установка.
68 4. Использование функции «Просмотр» 2. Нажмите «Install Viewer PPT Converter 3.0» в окне меню. Начнется установка. После завершения установки откроется окно приветствия. 3 Нажмите «Next». «Откроется экран «END USER LICENSE AGREEMENT». Внимательно прочтите «END USER LICENSE AGREEMENT» 4. Если Вы с...
Страница 79 - «Все программы»
69 4. Использование функции «Просмотр» Преобразование файлов PowerPoint и сохранение их в запоминающем устройстве USB 1. Вставьте запоминающее устройство USB в порт USB компьютера.2. В ОС Windows нажмите «Пуск» → «Все программы» → «NEC Projector User Supportware» → «Viewer PPT Converter 3.0» → «View...
Страница 80 - Использование меню; Установки будут сохранены до следующих изменений.; Использование экранного меню
70 Использование меню ПРИМЕЧАНИЕ: Во время проецирования чересстрочного видеоизображения экранное меню может отображаться некорректно. 1. Для отображения меню нажмите кнопку MENU на пульте дистанционного управления или корпусе проек- тора. ПРИМЕЧАНИЕ: Такие команды, как ENTER, EXIT, , распол...
Страница 81 - Элементы меню; Окна меню и диалоговые окна обычно включают следующие элементы:
71 5. Использование экранного меню Элементы меню Окна меню и диалоговые окна обычно включают следующие элементы: Подсветка .......................................Указывает выбранный пункт меню или параметр. Сплошной треугольник ..................Указывает на возможность дальнейшего выбора. Подсвеч...
Страница 82 - Пункты меню
72 5. Использование экранного меню Пункты меню Некоторые пункты меню недоступны в зависимости от источника входящего сигнала. Пункт меню По умолчанию Опции ИСТ. КОМПЬЮТЕР1 * КОМПЬЮТЕР2 * HDMI * ВИДЕО * S-ВИДЕО * ПРОСМОТР * СЕТЬ * ДИСПЛЕЙ USB * НАСТР. ИЗОБРАЖЕНИЕ ПРЕДВАРИТ УСТАНОВКА * 1-7 ПОДРОБНЫЕ...
Страница 86 - цвета по отдельности.
76 5. Использование экранного меню Описание и функции меню [НАСТР.] [ИЗОБРАЖЕНИЕ] [ПРЕДВАРИТ УСТАНОВКА] Эта функция позволяет Вам выбирать оптимизированные установки для проецируемого изображения. Вы можете настроить нейтральный оттенок для желтого, бирюзового или пурпурного цвета. Имеется семь за...
Страница 87 - Каждый режим рекомендуется для следующих целей:; Выбор размера экрана для DICOM SIM [РАЗМЕР ЭКРАНА]; Эта опция позволяет настроить цветовую температуру.; Настройка яркости и контраста [ДИНАМИЧЕСКИЙ КОНТРАСТ]
77 5. Использование экранного меню [ОБЩИЕ НАСТРОЙКИ]Сохранение Ваших пользовательских установок [ССЫЛКА] Данная функция позволяет сохранять Ваши пользовательские установки в [ПРЕДВАРИТ УСТАНОВКА 1] - [ПРЕДВАРИТ УСТА- НОВКА 7]. Сначала выберите основной режим предварительных настроек в меню [ССЫЛКА],...
Страница 89 - Служит для ручной настройки параметров Часы и Фаза.
79 5. Использование экранного меню [НАСТР. ИЗОБР] Настройка времени и фазы [ЧАСЫ/ФАЗА] Служит для ручной настройки параметров Часы и Фаза. ЧАСЫ .............................. Используйте данный параметр для точной настройки компьютерного изображения или удаления каких-либо вертикальных полос, которы...
Страница 90 - ДАННЫЕ] и восстановите настройки по умолчанию.
80 5. Использование экранного меню Настройка горизонтального/вертикального положения [ГОРИЗОНТАЛЬНО/ВЕРТИКАЛЬНОЕ] Служит для настройки положения изображения по горизонтали и вертикали. ПРИМЕЧАНИЕ: Элементы [ГОРИЗОНТАЛЬНОЕ] и [ВЕРТИКАЛЬНОЕ] недоступны для ВИДЕО, S-ВИДЕО, HDMI, ПРОСМОТР, СЕТЬ И ДИСПЛЕ...
Страница 91 - следующая страница
81 5. Использование экранного меню Выбор значения параметра [СООТНОШЕНИЕ СТОРОН] Термин «аспектное соотношение» обозначает соотношение ширины и высоты проецируемого изображения. Проектор автоматически определяет входящий сигнал и отображает его в соответствующем аспектном отношении.• В этой таблице ...
Страница 92 - является стандартным аспектным отношением для видеоисточника.
82 5. Использование экранного меню Пример изображения, когда автоматически определено правильное аспектное отношение M361X/M311X/M271X [Сигнал компьютера] Аспектное отношение входящего сигнала 4:3 5:4 16:9 15:9 16:10 Пример изображения, когда авто- матически определено правиль- ное аспектное отношен...
Страница 93 - Вертикальное искажение можно корректировать вручную. (
83 5. Использование экранного меню 6 Описание и функции меню [ВКЛ.] [ОБЩИЕ НАСТРОЙКИ] Включение автокоррекции трапецеидальных искажений [АВТО ОСН ПРИНЦИП] Данная функция позволяет определять угол наклона проектора и автоматически корректировать вертикальные ис- кажения. Чтобы включить функцию АВТО О...
Страница 94 - CO
84 5. Использование экранного меню Использование функции коррекции цвета стены [ЦВЕТ СТЕНЫ] С помощью данной функции осуществляется быстрая коррекция цвета с целью адаптации изображения к экрану, чей цвет от- личен от белого. ПРИМЕЧАНИЕ: Если выбрать пункт [БЕЛАЯ ДОСКА], можно уменьшить яркость ламп...
Страница 95 - текста на изображение проектора в режимах Видео или S-Видео.; Использование таймера выключения [ВЫКЛ ТАЙМЕР]; Для экранных инструкций можно выбрать один из 29 языка.
85 5. Использование экранного меню Настройка закрытого титра [ЗАКРЫТЫЙ ТИТР] С помощью этой опции можно настроить несколько режимов закрытого титра, которые обеспечивают наложение текста на изображение проектора в режимах Видео или S-Видео. ВЫКЛ. ............................. Выбор этого параметра п...
Страница 96 - Чтобы закрыть сообщение, нажмите кнопку EXIT.; Выбор цвета или логотипа для фона с помощью параметра [ФОН]; зависимо от этого выбора.
86 5. Использование экранного меню Идентификатор элемента управления ВКЛ./ВЫКЛ. [ДИСПЛЕЙ ID] ДИСПЛЕЙ ID .................... Эта опция служит для включения/выключения номера ID SET, который отображается при нажатии кнопки ID на пульте дистанци- онного управления. Переключение Вкл./Выкл. сообщения ре...
Страница 97 - ФРОНТАЛЬНАЯ СО СТОЛА
87 5. Использование экранного меню [УСТАНОВКА] Выбор ориентации проектора с помощью параметра [ОРИЕНТАЦИЯ] Служит для переориентировки изображения в соответствии с типом проецирования. Возможные опции: фронтальная со стола, тыльная с потолка, тыльная со стола и фронтальная с потолка. ФРОНТАЛЬНАЯ СО ...
Страница 98 - этого Вам нужно дать каждому проектору номер идентификатора.; Присвоение или изменение контроля ID; Откроется окно КОНТРОЛЬ ID.
88 5. Использование экранного меню Выбор значения параметра [СКОРОСТЬ КОММУНИКАЦИИ] Эта функция позволяет установить скорость передачи данных для компьютерного порта управления (D-Sub 9P). Он поддерживает скорость от 4800 до 38400 бит/с. Значение по умолчанию – 38400 бит/с. Выберите скорость передач...
Страница 99 - ростной режим и режим Большая высота.
89 5. Использование экранного меню Использование испытательного шаблона [ИСПЫТАТЕЛЬНЫЙ ШАБЛОН] Отображает тестовый образец для проверки искажения изображения во время настройки проектора. Нажмите кнопку ENTER, чтобы появился тестовый образец; нажмите кнопку EXIT, чтобы закрыть тестовый образец и вер...
Страница 100 - сигнала с COMPUTER 2.; Выключение звукового сигнала при нажатии кнопок и ошибках [ГУДОК]
90 5. Использование экранного меню Выбор формата сигнала с помощью параметра [ВЫБОР СИГНАЛА] [КОМПЬЮТЕР1], [КОМПЬЮТЕР2] Позволяет выбрать значение [КОМПЬЮТЕР1] или [КОМПЬЮТЕР2] для источника RGB, например, компьютера, или зна- чение [КОМПОНЕНТ] для источника компонентного видеосигнала, например, DVD...
Страница 101 - устанавливают в НОРМАЛЬНОЕ режим.
91 5. Использование экранного меню [ОПЦИИ(2)] Выбор энергосбережения в режиме [РЕЖИМ ОЖИДАНИЯ] Проектор имеет два режима ожидания: [НОРМАЛЬНОЕ] и [ЭНЕРГОСБЕРЕГАЮЩИЙ]. Энергосберегающий режим - это режим, позволяющий установить проектор в условия экономного потребления электроэнергии, в котором он по...
Страница 102 - или корпусе проектора для включения проектора.
92 5. Использование экранного меню Включение проектора с помощью сигнала компьютера [АВТО ВКЛ. ПИТ. (COMP1)] Если проектор находится в режиме ожидания, компьютерный сигнал с компьютера, подключенного к разъему входного сигнала COMPUTER1 IN, будет подаваться на проектор и одновременно проецировать ко...
Страница 103 - Подключение по проводной локальной сети будет от-
93 5. Использование экранного меню Настройка проектора на подключение к проводной локальной сети [ПРОВОД. ЛОКАЛ. СЕТЬ] Важно • Об этих настройках проконсультируйтесь со своим сетевым администратором. • При использовании подключения по проводной локальной сети, подсоедините кабель локальной сети (каб...
Страница 105 - Чтобы подключиться к серверу DHCP:; Воспользуйтесь функцией сервера HTTP, чтобы открыть веб-браузер (
95 5. Использование экранного меню Подсказка для установки соединения по локальной сети Чтобы настроить проектор на подсоединение к проводной локальной сети: Воспользуйтесь функцией сервера HTTP, чтобы открыть веб-браузер ( → стр. 41 ) и выберите [NETWORK SETTINGS] → [SETTINGS] → [WIRELESS LAN] → [P...
Страница 106 - шесть страницы. Информация приводится в следующем порядке:; Сменная лампа
96 5. Использование экранного меню 7 Описания и функции меню [ИНФ.] Служит для отображения состояния текущего сигнала и времени использования лампы. Для настройки этого параметра шесть страницы. Информация приводится в следующем порядке: СОВЕТ: Нажатие кнопки HELP на пульте дистанционного управления...
Страница 110 - Установка и подключение; Настроить экран и проектор.; Настройка экрана и проектора; Выбор месторасположения; • Подробнее о расстоянии до проекции см. на стр.
100 3 2 1 6. Установка и подключение В этом разделе описаны процедуры настройки проектора и подключения видео- и аудио источников. Этот проектор прост в настройке и использовании. Однако перед началом работы следует выполнить следующие действия: z Настроить экран и проектор. x Подключить к проектору...
Страница 111 - • Подробнее о расстоянии до проекции см. стр.
101 6. Установка и подключение [M311W/M271W] Чем дальше от экрана или стены будет установлен проектор, тем большим будет изображение. Изображение мини- мального размера (приблизительно 25 дюйм/0,64 м по диагонали) получится при размещении проектора на расстоянии около 37 дюймов/0,9 м от стены или эк...
Страница 114 - Подключение других устройств; граммного обеспечения для управления питанием.; Включение внешнего экрана компьютера
104 6. Установка и подключение Подключение других устройств ПРИМЕЧАНИЕ: Подключать проектор к ноутбуку следует, когда проектор пребывает в режиме ожидания, а питание ноутбука отключено.В большинстве случаев выходной сигнал ноутбука не включается в случае подключения ноутбука к проектору со включен...
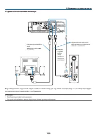
Страница 116 - мого компьютерного аналогового изображения.
106 6. Установка и подключение Подключение внешнего монитора К проектору можно подключить отдельный внешний монитор для параллельного просмотра на мониторе проецируе- мого компьютерного аналогового изображения. ПРИМЕЧАНИЕ: • Последовательное подключение невозможно.• В то время, когда подключено звук...
Страница 117 - Входной разъем
107 6. Установка и подключение Подключение проигрывателя DVD и другого аудио/видео оборудования. Подключение входа Видео/S-Видео • После включения проектора выберите имя источника для соответствующего входного разъема. Входной разъем Кнопка ИСТ. на корпусе проектора Кнопка на пульте дистанционно- го...
Страница 119 - Подключение входа HDMI
109 6. Установка и подключение AUDIO IN L R AUDIO OUT L R VIDEO OUT HDMI OUT S-VIDEO VIDEO HDMI Output HDMI HD MI HDMI IN Подключение входа HDMI Вы можете подключить выход HDMI своего проигрывателя DVD, проигрывателя на базе жесткого диска, проигрывателя Blu-ray или ноутбука к разъему HDMI IN проект...
Страница 120 - Пример подключения к проводной локальной сети
110 6. Установка и подключение Подключение к проводной локальной сети Стандартная модель проектора оснащена портом проводной локальной сети (RJ-45), через который можно подклю- чаться к локальной сети с помощью кабеля проводной локальной сети. Чтобы использовать соединение по локальной сети, необход...
Страница 122 - Заранее приготовьте крестообразную отвертку.
112 6. Установка и подключение Заранее приготовьте крестообразную отвертку. 1. Нажмите кнопку POWER, чтобы выключить проектор и уста- новить его в режим ожидания, затем отсоедините силовой кабель. 2. Снимите крышку порта USB (локальной сети). Ослабьте винты, удерживающие крышку. • Винты не вынимаютс...
Страница 123 - Пример подключения к беспроводной локальной сети
113 6. Установка и подключение Пример подключения к беспроводной локальной сети (Тип сети → Инфраструктура) ПК со встроенным адаптером беспроводной локальной сети ПК со встроенным модулем беспроводной локальной сети Проводная локальная сеть Точка доступа к беспро- водной локальной сети USB - модуль ...
Страница 124 - Техническое обслуживание; Чистка фильтров; Нажмите на кнопку, чтобы освободить блок фильтра, и
114 7. Техническое обслуживание В данном разделе описываются простые процедуры технического обслуживания, которые Вам необходимо выполнять для чистки фильтров, объектива, корпуса, а также замены лампы и фильтров. Чистка фильтров Губка воздушного фильтра не позволяет частицам пыли и грязи попасть в...
Страница 125 - Удалите пыль с блока и крышки фильтра.
115 7. Техническое обслуживание 4. Удалите пыль с блока и крышки фильтра. Почистите снаружи и внутри. 5. Установите четыре фильтра на блок и крышку филь- тра. Блок фильтра: Установите два груботекстурных губчатых фильтра (большой и маленький) в блок фильтра. Крышка фильтра: Установите два тонкотекст...
Страница 126 - Чистка объектива; верхность пластмассового объектива.; Чистка корпуса; Если он сильно загрязнен, используйте слабое чистящее средство.
116 7. Техническое обслуживание Чистка объектива • Перед чисткой отключите электропитание устройства.• У проектора пластиковый объектив. Используйте доступный на рынке очиститель для пластиковых объективов.• Не царапайте и не наносите какого-либо вреда поверхности объектива, так как ее очень легко...
Страница 127 - Замена лампы и фильтров; Для заказа запасной лампы укажите тип Вашей лампы.; Порядок замены лампы и фильтров; Сбросьте время наработки лампы и время наработки фильтров (
117 7. Техническое обслуживание Замена лампы и фильтров Когда срок службы лампы достигает конца, индикатор LAMP на корпусе начинает мигать красным цветом и появляется сообщение «ИСТЕКАЕТ СРОК ЭКСПЛУАТАЦИИ ЛАМПЫ. ПОЖАЛУЙСТА, ЗАМЕНИТЕ ЛАМПУ И ФИЛЬТР.» (*). Хотя лампа еще может продолжать работать, д...
Страница 128 - пытайтесь обойти эту блокировку.; Убедитесь, что корпус лампы достаточно
118 7. Техническое обслуживание Для замены лампы: 1. Снимите крышку лампы. (1) Открутите винт крышки лампы. • Винт крышки лампы не вынимается.(2) Надавите и снимите крышку лампы. 2. Снимите корпус лампы. (1) Отворачивайте два винта, удерживающих корпус лампы, пока крестообразная отвертка не начнет с...
Страница 129 - На этом замена лампы заканчивается.
119 7. Техническое обслуживание 3. Установите новый корпус лампы. (1) Установите новый корпус лампы так, чтобы он вошел в разъем. (2) Нажмите на верхнюю центральную часть корпуса лампы, чтобы закрепить его.(3) Закрепите лампу в предназначенном для нее месте с помощью двух винтов. • Убедитесь, что эт...
Страница 131 - Установить крышку обратно на блок фильтра.; На этом замена фильтра заканчивается.; Чтобы сбросить время наработки лампы и время наработки фильтров:; [СБРОС ВРЕМЕНИ НАРАБОТКИ ЛАМПЫ] и сбросьте время наработки лампы.
121 7. Техническое обслуживание 3. Замените четыре (4) фильтра 1. Снимите темный губчатый фильтр, затем очистите блок фильтра и крышку фильтра.2. Установите новые фильтры из нетканого белого материала. Блок фильтра: Установите два сотовых жестких фильтра в блок фильтра. Крышка фильтра: Установите дв...
Страница 132 - Устранение неисправностей; Показания индикаторов; Индикатор Power; Защита от превышения допустимой температуры; Если это произошло, выполните следующие действия:
122 8. Приложение Устранение неисправностей Этот раздел поможет решить проблемы, которые могут возникать при подготовке к эксплуатации и в процессе эксплуатации проектора. Показания индикаторов Индикатор Power Состояние индикатора Состояние проектора Примечание Откл. Главный переключатель питания ...
Страница 133 - Типичные неисправности и способы их устранения
123 8. Приложение Типичные неисправности и способы их устранения ( → раздел «Power/Status/Индикатор Lamp» на стр. 122 ) Неисправность Проверьте следующее: Проектор не включается или не выключается • Проверьте, подключен ли силовой кабель и нажата ли кнопка включения питания на корпусе проектора или ...
Страница 134 - Если изображение отсутствует или отображается неправильно.; или перейдите к следующему шагу)
124 8. Приложение Если изображение отсутствует или отображается неправильно. • Питание подается на проектор и ПК. Убедитесь, что проектор и ноутбук были подключены друг к другу, когда проектор находился режиме ожидания, а ноутбук был включен. В большинстве случаев сигнал, исходящий от ноутбука, не в...
Страница 135 - Технические характеристики; Оптический; Электрические параметры
125 8. Приложение Технические характеристики В данном разделе содержится техническая информация об эксплуатационных характеристиках проектора. Оптический Номер модели M361X M311X M271X M311W M271W ЖК-панель 0,63 дюймовый ЖК-экран с линзовой антенной решеткой малого размера (Аспектное отношение 4:3...
Страница 136 - Механические характеристики; Дополнительную информацию можно найти на сайтах:
126 8. Приложение Номер модели M361X M311X M271X M311W M271W Порт USB 1 × тип A, 1 × тип B Цветопередача 10-битная обработка сигналов (1,07 миллиардов цветов) (HDMI, ПРОСМОТР, СЕТЬ: Цветов,16,7 миллионов цветов) Совместимые сигна- лы* 6 Аналоговый: VGA/SVGA/XGA/WXGA/WXGA+/SXGA/SXGA+/UXGA/WUXGA 480i/...
Страница 137 - Габаритные размеры корпуса
127 8. Приложение Габаритные размеры корпуса 257 (10,1) 99 (3,9) 339 (13,4) 100 (3,9) 108 (4,3) 59,4 (2,34) 175 (6,9) 200 (7,9) 150 (5,9) 130 (5,1) Центр объ- ектива Центр объектива Единица измерения: мм (дюйм) Отверстия для установки под потол- ком
Страница 138 - Предназначение штырьков входного разъема D-Sub COMPUTER; 5-штырьковый разъем D-Sub соединительного устройства; такта
128 8. Приложение Предназначение штырьков входного разъема D-Sub COMPUTER 15-штырьковый разъем D-Sub соединительного устройства Уровень сигнала Видеосигнал: 0,7 Vp-p (аналоговый) Сигнал синхронизации: Уровень TTL 5 1 4 2 3 10 11 12 13 14 15 6 9 7 8 Номер кон- такта Сигнал RGB (аналоговый) Сигнал Y...
Страница 139 - Перечень совместимых входных сигналов; Аналоговый RGB
129 8. Приложение Перечень совместимых входных сигналов ПРИМЕЧАНИЕ: • Изображение с более высоким или низким разрешением, чем собственное разрешение проектора (M361X/M311X/M271X: 1024 × 768 / M311W/M271W: 1280 × 800), будет отображаться при помощи технологии Advanced AccuBlend. • Синхронизация по ...
Страница 140 - Коды управления и кабельные соединения ПК; Коды управления ПК; Протокол связи
130 8. Приложение 6 Коды управления и кабельные соединения ПК Коды управления ПК Функция Кодирование данных ПИТАНИЕ ВКЛЮЧЕНО 02Н 00Н 00Н 00Н 00Н 02Н ПИТАНИЕ ОТКЛЮЧЕНО 02H 01H 00H 00H 00H 03H ВЫБОР ВХОДНОГО РАЗЪЕМА «COMPUTER 1» 02H 03H 00H 00H 02H 01H 01H 09H ВЫБОР ВХОДНОГО РАЗЪЕМА «COMPUTER 2» 02H 0...
Страница 141 - Контрольный перечень возможных неисправностей; постоянно; Питание
131 8. Приложение Не работают кнопки на корпусе проектора (только в моделях, в которых предусмо- трена функция [БЛОК. ПАНЕЛИ УПРАВЛ.]) Не включается или отключена в меню функция [БЛОК. ПАНЕЛИ УПРАВЛ.].По-прежнему нет никаких изменений, несмотря на то, что кнопка EXIT была нажата и удерживалась в теч...
Страница 143 - Сертификат качества ТСО; html
133 8. Приложение 8 Сертификат качества ТСО Некоторые модели этой серии имеют сертификат качества ТСО. Все сертифицированные модели имеют марку ТСО на корпусе (в нижней части продукта). Для просмотра списка наших сертифицированных проекторов и их сертификатов качества ТСО, (только на английском язык...
Страница 144 - ЗАРЕГИСТРИРУЙТЕ ВАШ ПРОЕКТОР! (для жителей Соединенных; гарантии на детали, работу и сервисную программу InstaCare.
134 8. Приложение 9 ЗАРЕГИСТРИРУЙТЕ ВАШ ПРОЕКТОР! (для жителей Соединенных Штатов, Канады и Мексики) Пожалуйста, найдите время, чтобы зарегистрировать Ваш новый проектор. Это приведет к активации ограниченной гарантии на детали, работу и сервисную программу InstaCare. Посетите наш веб-сайт по адресу...