Страница 2 - ПРИМЕЧАНИЯ
ver. 1 9/16 • Apple, Mac, Mac OS, OS X, MacBook и iMac являются товарными знаками компании Apple Inc., зарегистрированными в США и других странах. • iOS является торговой маркой или зарегистрированной торговой маркой Cisco в США и других странах и использу- ется по лицензии. • APP Store является сер...
Страница 3 - Важная информация; Предостережения относительно безопасности; Меры предосторожности; ВНУТРЕННИЕ КОМПОНЕНТЫ НАХОДЯТСЯ ПОД ВЫСОКИМ НАПРЯЖЕНИЕМ.; ВНИМАНИЕ; Утилизация использованного изделия; В Европейском союзе; способна оказать содержащаяся в лампе ртуть.
i Важная информация Предостережения относительно безопасности Меры предосторожности Перед эксплуатацией проектора NEC внимательно ознакомьтесь с этим руководством и храните его в доступном месте для будущих справок. ВНИМАНИЕ Для отключения от сети электропитания обязательно выньте штепсель из розетк...
Страница 4 - ii; Важные меры безопасности
Важная информация ii Важные меры безопасности Эти инструкции по технике безопасности предназначены для обеспечения длительного срока службы проектора и предотвращения поражения электрическим током. Пожалуйста, внимательно прочитайте их о помните обо всех предостережениях. Установка • Не устанавливай...
Страница 5 - iii; Меры пожарной и электрической безопасности; Соблюдайте осторожность, когда поднимаете проектор.
Важная информация iii Меры пожарной и электрической безопасности • Чтобы предотвратить накопление тепла внутри проектора, убедитесь, что он хорошо вентилируется и что венти- ляционные отверстия не заблокированы. Расстояние между проектором и стеной должно составлять не менее 4 дюймов (10 см). • Не п...
Страница 6 - iv; проектор длительное время.; Замена лампы
Важная информация iv - Проектор упал или его корпус был поврежден.- Рабочие характеристики проектора существенно изменились, что указывает на необходимость технического обслуживания. • Прежде чем переносить проектор, отсоедините силовой и все остальные кабели.• Выключайте проектор и отсоединяйте сил...
Страница 7 - лампа перегорела, осколки могут упасть вниз.; Информация о режиме работы на большой высоте; эксплуатации оптических компонентов, например лампы.; ОБ АВТОРСКИХ ПРАВАХ НА ОРИГИНАЛЬНЫЕ ПРОЕЦИРУЕМЫЕ ИЗОБРАЖЕНИЯ.
Важная информация v ВНИМАНИЕ: • При вынимании лампы из проектора, прикрепленного к потолку, убедитесь, что под проектором никого нет. Если лампа перегорела, осколки могут упасть вниз. • При вынимании лампы из проектора, прикрепленного к потолку, убедитесь, что под проектором никого нет. Если лампа п...
Страница 8 - для получения подробной
Важная информация vi Функция управления питанием Проектор имеет функции управления питанием. Для снижения потребляемой мощности функции управления питани-ем (1 и 2) являются заводскими установками, как показано ниже. Для управления проектором с внешнего устройства через LAN или соединение через посл...
Страница 9 - vii; Оглавление
vii Оглавление Важная информация .................................................................................................i 1. Введение .................................................................................................................. 1 ❶ Комплектация ...........................
Страница 10 - viii
Оглавление viii ❼ Управление функциями мыши компьютера с пульта дистанционного управления проектора через кабель USB (функция удаленной мыши) ..............................................................................................................................................33 ❽ Проецирован...
Страница 11 - ix
Оглавление ix 6. Установка и подключение ............................................................................... 86 ❶ Настройка экрана и проектора ............................................................................................................................................... 8...
Страница 12 - Комплектация
1 Проектор 1. Введение ❶ Комплектация Убедитесь, что в комплект входит все перечисленное ниже. Если какие-либо элементы отсутствуют, обратитесь к торговому представителю.Пожалуйста, сохраните оригинальную коробку и упаковочные материалы на случай, если Вам понадобится перевоз-ить проектор. Силовой к...
Страница 13 - Ознакомление с проектором; Проектор оснащен следующими функциональными возможностями:; зованием энергосберегающей технологии; Уменьшение выброса CO; • Срок службы лампы составляет до 9 000 часов*
2 1. Введение ❷ Ознакомление с проектором В этой главе приводится ознакомительная информация о проекторе, а также содержится описание его функций и элементов управления. Проектор оснащен следующими функциональными возможностями: • Быстрый запуск (6 секунд* 1 ), быстрое отключение питания, прямое вык...
Страница 14 - • Высокое разрешение до WUXGA*; Когда режим WXGA установлен в положение ВКЛ.; Об этом руководстве пользователя
3 1. Введение • Дисплей USB С помощью доступного на рынке кабеля USB (совместимого с техническими условиями USB 2.0) для подключения проектора к компьютеру Вы сможете посылать изображение на мониторе компьютера на проектор без использо-вания обычного компьютерного кабеля (VGA). • Удобная утилита (ПО...
Страница 15 - Название деталей проектора
4 1. Введение ❸ Название деталей проектора Передний/верхний Элементы управления( → стр. 6 ) Дистанционный датчик( → стр. 9 ) Вентиляционное (входное) отвер-стие/крышка фильтра( → стр. 100 , 106 ) Рычаг масштабирования ( → стр. 17 ) Крышка объективаДля защиты объектива.Обязательно снимите его во врем...
Страница 16 - Задний
5 1. Введение Вход переменного тока Вставьте в электрическую розетку штепсельную вилку на другом конце кабеля питания. ( → стр. 11 ) В качестве меры защиты от кражи и предотвращения падения закре- пите прилагаемый ремешок. Панель разъемов ( → стр. 7 ) Монофонический динамик (20 Вт) Крышка лампы ( → ...
Страница 17 - Важнейшие функции
6 1. Введение Важнейшие функции 1, 2 7 4 8 9 5 6 10 3 11 1. Кнопка (POWER) (ПИТАНИЕ) ( → стр. 12 , 21 ) 2. Индикатор POWER ( → стр. 11 , 12 , 21 , 108 ) 3. Индикатор STATUS (СТАТУС) ( → стр. 108 ) 4. Индикатор LAMP (ЛАМПА) ( → стр. 103 , 108 ) 5. Кнопка ECO (ЭКО) ( → стр. 24 ) 6. Кнопка SOURCE (ИСТ....
Страница 18 - Функции панели разъемов; COMPUTER IN/Компонентный входной разъем; приведены типичные коды управления с
7 1. Введение Функции панели разъемов 1. COMPUTER IN/Компонентный входной разъем (Mini D-Sub 15 Pin) ( → стр. 90 , 92 , 94 ) 2. Мини-гнездо COMPUTER AUDIO IN (стереофони- ческое мини-гнездо) ( → стр. 90 , 91 , 93 ) 3. Входной разъем HDMI 1 (тип A) ( → стр. 90 , 91 , 95 ) 4. Входной разъем HDMI 2 (ти...
Страница 19 - Название элементов пульта дистанционного управления; Кнопка
8 1. Введение ❹ Название элементов пульта дистанционного управления 3 46 7 1 2 10 13 16 12 17 15 11 19 9 5 8 303132 20 21 26 28 29 25 14 18 24 23 22 27 33 1. Инфракрасный передатчик ( → стр. 9 ) 2. Кнопка POWER ON ( → стр. 12 ) 3. Кнопка POWER STANDBY ( → стр. 21 ) 4. Кнопка SOURCE (ИСТ.) ( → стр. 1...
Страница 20 - Установка элемента питания; Установите новые батареи
9 1. Введение Установка элемента питания 1. Нажмите на крышку, закрыва- ющую элементы питания, и сдвиньте ее. 2. Установите новые батареи (AAA). При установке элемен-тов питания соблюдайте их полярность (+/–). 3. Установите крышку над от- секом для элементов питания и задвиньте ее до щелчка. Не и с ...
Страница 21 - Порядок проецирования изображения; - Автоматическая оптимизация сигнала компьютера (
10 В этом разделе описано, как включить проектор и спроецировать изображение на экран. ❶ Порядок проецирования изображения Шаг 1 • Подключение компьютера/Подсоединение силового кабеля ( → стр. 11 ) Шаг 2 • Включение проектора ( → стр. 12 ) Шаг 3 • Выбор источника ( → стр. 14 ) Шаг 4 • Настройка разм...
Страница 22 - Подключение компьютера/Подсоединение силового кабеля; Подсоедините прилагаемый силовой кабель к проектору.
11 2. Проецирование изображения (основные операции) ❷ Подключение компьютера/Подсоединение силового кабеля 1. Подключите компьютер к проектору. В данном разделе описывается основное подключение к компьютеру. Для получения информации о других подклю- чениях см. «6. Установка и соединения» на стр. 90 ...
Страница 23 - Включение проектора; Индикатор POWER будет мигать и проектор можно будет
12 2. Проецирование изображения (основные операции) ❸ Включение проектора 1. Снимите крышку объектива. Нажмите и удерживайте часть с двумя выемками на крыш-ке объектива и потяните ее на себя. 2. Нажмите кнопку (POWER) на корпусе проектора или кнопку POWER ON на пульте дистанционного управле-ния. Инд...
Страница 24 - Примечание на экране запуска (экран выбора языка меню); Для выбора языка меню выполните следующие действия:; Используйте кнопку
13 2. Проецирование изображения (основные операции) Примечание на экране запуска (экран выбора языка меню) После первого включения проектора отображается меню запуска. В нем можно выбрать для меню один из 30 языков. Для выбора языка меню выполните следующие действия: 1. Используйте кнопку ▲ , ▼ , ◀ ...
Страница 25 - Выбор источника; Выбор компьютера или источника видеосигнала; HDMI2; Использование пульта дистанционного управления; На экране отобразится меню.
14 2. Проецирование изображения (основные операции) ❹ Выбор источника Выбор компьютера или источника видеосигнала ПРИМЕЧАНИЕ: Включите компьютер или источник видеосигнала, подключенный к проектору. Автоматическое обнаружение сигнала Нажмите кнопку SOURCE (ИСТ.) один раз. Проектор произведет поиск до...
Страница 26 - Регулировка размера и положения изображения; В этом разделе чертежи и кабели не указаны для большей ясности.
15 2. Проецирование изображения (основные операции) ❺ Регулировка размера и положения изображения Чтобы настроить размер и положение картинки, используйте ножку для регулирования наклона, функцию масштаби-рования или колесико «Фокус». В этом разделе чертежи и кабели не указаны для большей ясности. Н...
Страница 27 - Настройте ножку для регулирования наклона; Поднимите и удерживайте настраиваемый рычаг ножки для регу-
16 2. Проецирование изображения (основные операции) 2 1 3 Ножка для регулиро-вания наклона Рычаг ножки для регулирования наклона Настройте ножку для регулирования наклона 1. Поднимите передний край проектора. ВНИМАНИЕ: Не прикасайтесь к вытяжному отверстию во время настройки ножки регулировки наклон...
Страница 28 - Используйте колечко FOCUS для получения наилучшего фокуса.
17 2. Проецирование изображения (основные операции) Увеличение Используйте рычаг ZOOM для настройки размера изображения на экране. Рычаг масштабиро-вания Фокусировка Используйте колечко FOCUS для получения наилучшего фокуса. Колесико Фокус
Страница 29 - Коррекция трапецеидальных искажений [ТРАПЕЦИЯ]; На экране появится окно «Трапеция».
18 2. Проецирование изображения (основные операции) ❻ Коррекция трапецеидальных искажений [ТРАПЕЦИЯ] Когда проектор не находится в положении, точно перпендикулярном экрану, возникает трапецеидальное искажение. Для коррекции этого искажения можно использовать функцию «Трапеция», цифровую технологию, ...
Страница 31 - Автоматическая оптимизация сигнала компьютера; Настройка изображения с помощью автоматической настройки; Автоматическая оптимизация изображения компьютера. (КОМПЬЮТЕР); Увеличение или уменьшение громкости
20 2. Проецирование изображения (основные операции) ❼ Автоматическая оптимизация сигнала компьютера Настройка изображения с помощью автоматической настройки Автоматическая оптимизация изображения компьютера. (КОМПЬЮТЕР) Для выполнения автоматической оптимизации компьютерного изобра-жения нажмите кно...
Страница 32 - Выключение проектора; Чтобы выключить проектор:; Сначала нажмите на кнопку
21 2. Проецирование изображения (основные операции) ❾ Выключение проектора Чтобы выключить проектор: 1. Сначала нажмите на кнопку (POWER) на корпусе про- ектора или кнопку STANDBY на пульте дистанционного управления. Отобразится подтверждающее сообщение. 2. После этого нажмите кнопку ENTER(ВВОД) или...
Страница 33 - При перемещении проектора; вставлены в проектор.
22 2. Проецирование изображения (основные операции) ❿ При перемещении проектора Подготовка: Убедитесь, что питание проектора выключено. 1. Установите крышку объектива. 2. Отсоедините силовой кабель. 3. Отсоедините другие кабели. • Выньте запоминающее устройство USB или модуль для подключения к беспр...
Страница 34 - Отключение изображения и звука; режения, яркость лампы может не вернуться к исходному уровню.; Фиксация изображения; Увеличение картинки возможно до четырехкратного размера.
23 ❶ Отключение изображения и звука Нажмите кнопку AV-MUTE, чтобы отключить изображение и звук на короткое время. Повторное нажатие вернет изображение и звук.Энергосберегающая функция проектора будет работать еще 10 секунд после вы-ключения изображения.В результате уменьшится мощность лампы. ПРИМЕЧА...
Страница 35 - Область увеличенного изображения будет перемещаться; Изменение режима ЭКО/Проверка энергосберегающего эффекта; Описание
24 3. Удобные функции 2. Нажмите кнопку ▲▼◀▶ . Область увеличенного изображения будет перемещаться 3. Нажмите кнопку D-ZOOM (−). При каждом нажатии кнопки D-ZOOM (−) изображение будет уменьшаться. ПРИМЕЧАНИЕ: • Изображение будет увеличено или уменьшено в центре экрана.• Если открыть меню, текущее ув...
Страница 36 - Проверка энергосберегающего эффекта [ИЗМЕРЕНИЕ CO2]; с момента поставки до настоящего момента. Вы можете
25 3. Удобные функции ПРИМЕЧАНИЕ: • [ЭКО РЕЖИМ] можно изменять через меню. Выберите [ВКЛ.] → [ОБЩИЕ НАСТРОЙКИ] → [ЭКО РЕЖИМ]. • Остаточный ресурс лампы и наработку лампы можно проверить в [ВРЕМЯ ИСПОЛЬЗОВАНИЯ]. Выберите [ИНФ.] → [ВРЕМЯ ИСПОЛЬЗОВАНИЯ]. • Проектор находится в состоянии [НОРМАЛЬНОЕ] в ...
Страница 37 - Перед выполнением коррекции; Нажмите кнопку ТРАПЕЦИЯ без отображения меню.
26 3. Удобные функции ❺ Использование 4-х точечной схемы для коррекции трапецеидальных искажений [УГЛОВАЯ КОРРЕКЦИЯ] Используйте функции [УГЛОВАЯ КОРРЕКЦИЯ] и [ПОДУШЕЧКА] для коррекции трапецеидального искажения, удлиняя или укорачивая верхний, нижний, левый или правый край проецируемого изображения...
Страница 39 - Подушечка
28 3. Удобные функции Подушечка С помощью этой функции можно настроить левую и правую сторону или верхнюю и нижнюю сторону независимо от реформирования подушкообразного искажения. 1. Нажмите кнопку ТРАПЕЦИЯ без отображения меню. Отобразится экран ТРАПЕЦИЯ. • Нажмите кнопку KEYSTONE (ТРАПЕЦИЯ) при ис...
Страница 41 - Предупреждение несанкционированного использования; Чтобы активировать функцию безопасности:
30 3. Удобные функции ❻ Предупреждение несанкционированного использования проектора [БЕЗОПАСНОСТЬ] Можно установить пароль с помощью меню, чтобы предотвратить несанкционированное использование проектора. Если установлен пароль, то при включении проектора будет отображаться экран для ввода пароля. Пр...
Страница 42 - Для включения проектора при включенной функции [БЕЗОПАСНОСТЬ]:
31 3. Удобные функции 7. Введите комбинацию из тех же самых кнопок ▲▼◀▶ и нажмите кнопку ENTER (ВВОД). Откроется окно подтверждения. 8. Выберите [ДА] и нажмите кнопку ENTER (ВВОД). Функция БЕЗОПАСНОСТЬ активирована. Для включения проектора при включенной функции [БЕЗОПАСНОСТЬ]: 1. Нажмите кнопку POW...
Страница 43 - Чтобы отключить функцию БЕЗОПАСНОСТЬ:
32 3. Удобные функции Чтобы отключить функцию БЕЗОПАСНОСТЬ: 1. Нажмите кнопку MENU (МЕНЮ). На экране отобразится меню. 2. Выберите [ВКЛ.] → [УСТАНОВКА] → [БЕЗОПАСНОСТЬ] и нажмите кнопку ENTER (ВВОД). На экране отобразится меню ВЫКЛ./ВКЛ. 3. Выберите [ВЫКЛ.] и нажмите кнопку ENTER (ВВОД). Отобразится...
Страница 44 - Управление функциями мыши компьютера с пульта; слайду в программе PowerPoint, запущенной на компьютере.
33 3. Удобные функции ❼ Управление функциями мыши компьютера с пульта дистанционного управления проектора через кабель USB (функция удаленной мыши) Встроенная функция удаленной мыши позволяет Вам управлять функциями мыши компьютера с помощью входящего в комплект пульта дистанционного управления, ког...
Страница 45 - Проецирование изображения экрана компьютера через кабель; ждите.» Это сообщение исчезнет через несколько секунд.
34 3. Удобные функции ❽ Проецирование изображения экрана компьютера через кабель USB (дисплей USB) С помощью доступного на рынке кабеля USB (совместимого с техническими условиями USB 2.0) для подключения про-ектора к компьютеру Вы сможете посылать изображение на мониторе компьютера для показа на про...
Страница 47 - Управление проектором с помощью браузера HTTP; Общий обзор; будут посланы по электронной почте.; Подготовка перед началом работы
36 3. Удобные функции ❾ Управление проектором с помощью браузера HTTP Общий обзор Функция сервера HTTP осуществляет следующие настройки и процессы:1. Настройки для проводной/беспроводной сети (СЕТЕВЫЕ НАСТРОЙКИ) Для использования беспроводной локальной сети необходимо дополнительное устройство беспр...
Страница 50 - • SETTINGS; PIN
39 3. Удобные функции NETWORK SETTINGS (СЕТЕВЫЕ НАСТРОЙКИ) • SETTINGS PIN PIN TYPE Выберите тип PIN-кода. ONE-TIME PIN-КОД автоматически создается каждый раз при включении проектора. Созданный PIN-КОД остается без изменений до тех пор, пока проектор не будет выключен. STATIC Позволяет настроить случ...
Страница 51 - WIRELESS LAN
40 3. Удобные функции APPLY Активируйте настройки для проводной локальной сети. WIRELESS LAN SMART CONNECTION Легко подк лючить к компьютеру или смартфону, используя прик ладное ПО, MultiPresenter, установленное на них. SIMPLE ACCESS POINT Установите проектор в качестве простой точки доступа для под...
Страница 54 - Проецирование изображения под углом (инструментальные; Возможности инструментальных средств GCT; считанных комбинаций правил преобразования.; Проецирование изображения под углом (GCT); Нажмите на пиктограмму «
43 3. Удобные функции ❿ Проецирование изображения под углом (инструментальные средства Geometric Correction Tool приложения Image Express Utility Lite) Инструментальные средства Geometric Correction Tool (GCT ) - это функция предварительно установленного ПО на про-ектор; «Image Express Utility Lite»...
Страница 56 - Использование функции «Просмотр»; Возможности режима Просмотр; Функция Просмотр обладает следующими возможностями.
45 4. Использование функции «Просмотр» ❶ Возможности режима Просмотр Функция Просмотр обладает следующими возможностями. • Если доступное в продаже запоминающее устройство USB, на котором хранятся файлы с изображениями, вставлено в порт USB (тип А) проектора, Просмотр позволяет просматривать изображ...
Страница 57 - Кнопки на корпусе
46 4. Использование функции «Просмотр» ПРИМЕЧАНИЕ• Порт USB проектора не поддерживает концентратор USB. • Порт USB проектора является общим для устройства беспроводной локальной сети. Когда установлено устройство беспроводной локальной сети, Вы не можете использовать ПРОСМОТР. • Следующие операции с...
Страница 58 - Проецирование изображений с запоминающего устройства USB; ) имеет настройки по; Начало работы режима Просмотр; Вставьте запоминающее устройство USB в USB порт
47 4. Использование функции «Просмотр» ❷ Проецирование изображений с запоминающего устройства USB Этот раздел объясняет основные принципы работы режима Просмотр. В объяснении представлен порядок работы, когда панель инструментов просмотра ( → стр. 51 ) имеет настройки по умолчанию. - Начало работы П...
Страница 59 - Воспользуйтесь кнопкой
48 4. Использование функции «Просмотр» 4. Нажмите кнопку ENTER (ВВОД). Откроется экран миниатюр. ( → стр. 50 ) 5. Воспользуйтесь кнопкой ▲▼◀ или ▶ , чтобы выбрать пиктограмму. • Значок → (стрелка) справа указывает на то, что имеются дополнительные страницы. При нажатии кнопки PAGE ▽ (следующая стран...
Страница 60 - Извлеките запоминающее устройство USB из проекто-; Выход из режима Просмотр; ном слайдов или миниатюр.
49 4. Использование функции «Просмотр» Извлечение запоминающего устройства USB из проектора 1. Выберите экран запуска ПРОСМОТР. Если меню не отображается, нажмите кнопку EXIT (ВЫХОД). 2. Извлеките запоминающее устройство USB из проекто- ра. Проверьте, чтобы не мигал светодиод на запоминающем устройс...
Страница 62 - Воспользуйтесь кнопкой; Панель инструментов миниатюр
51 4. Использование функции «Просмотр» Использование панели инструментов 1. Нажмите кнопку MENU (МЕНЮ). Отобразится панель инструментов. Экран ИСТОЧНИКА будет открыт как экран соединений просмотра. 2. Воспользуйтесь кнопкой ◀ или ▶ , чтобы выбрать элемент, и воспользуйтесь кнопкой ▲ или ▼ , чтобы вы...
Страница 64 - Использование экранного меню; Использование меню; Установки будут сохранены до следующих изменений.
53 5. Использование экранного меню ❶ Использование меню ПРИМЕЧАНИЕ: Во время проецирования чересстрочного видеоизображения экранное меню может отображаться некорректно. 1. Для отображения меню нажмите кнопку MENU (МЕНЮ) на пульте дистанционного управления или корпусе проектора. ПРИМЕЧАНИЕ: Такие ком...
Страница 65 - Элементы меню
54 5. Использование экранного меню ❷ Элементы меню Линейка с ползунком Сплошной треугольник Закладка Селекторная кнопка Символ большой высоты Символ ЭКО режим Символ беспроводного соединения Окна меню или диалоговые окна обычно включают следующие элементы: Подсветка ....................................
Страница 66 - Список пунктов меню
55 5. Использование экранного меню ❸ Список пунктов меню Некоторые пункты меню недоступны в зависимости от источника входящего сигнала. Пункт меню По умолчанию Опции ИСТ. HDMI1 * HDMI2 * КОМПЬЮТЕР * ВИДЕО * USB-A * LAN * USB-B * НАСТР. ИЗОБРАЖЕНИЕ ПРЕДВАРИТ УСТАНОВКА * 1–7 ПОДРОБНЫЕ УСТАНОВКИ ОБЩИЕ ...
Страница 71 - Каждый режим рекомендуется для следующих целей:; Выбор размера экрана для DICOM SIM [РАЗМЕР ЭКРАНА]
60 5. Использование экранного меню [ОБЩИЕ НАСТРОЙКИ]Сохранение Ваших пользовательских установок [ССЫЛКА] Данная функция позволяет сохранять Ваши пользовательские установки в [ПРЕДВАРИТ УСТАНОВКА 1] - [ПРЕДВАРИТ УСТАНОВКА 7].Сначала выберите основной режим предварительных настроек в меню [ССЫЛКА], а ...
Страница 72 - Эта функция позволяет Вам улучшить цвет изображения.; Настройка параметра Баланс белого [БАЛАНС БЕЛОГО]; Служит для управления деталями изображения.
61 5. Использование экранного меню Улучшение цвета [УЛУЧШЕНИЕ ЦВЕТА] Эта функция позволяет Вам улучшить цвет изображения. ВКЛ ................................. Улучшает цвет. ПРИМЕЧАНИЕ: Эта функция доступна, только когда [ПРЕЗЕНТАЦИЯ] выбрана для [ССЫЛКА]. Настройка параметра Баланс белого [БАЛАНС ...
Страница 73 - Служит для ручной настройки параметров ЧАСЫ и ФАЗА.
62 5. Использование экранного меню [НАСТР. ИЗОБР] Настройка времени и фазы [ЧАСЫ/ФАЗА] Служит для ручной настройки параметров ЧАСЫ и ФАЗА. ЧАСЫ .............................. Используйте данный параметр для точной настройки компьютерного изображения или удаления каких-либо вертикальных полос, которы...
Страница 75 - следующая страница
64 5. Использование экранного меню Выбор значения параметра Соотношение сторон [СООТНОШЕНИЕ СТОРОН] Термин «соотношение сторон» обозначает соотношение ширины и высоты проецируемого изображения.Проектор автоматически определяет входящий сигнал и отображает его в соответствующем соотношении сторон.• В...
Страница 76 - является стандартным соотношением сторон для видеоисточника.
65 5. Использование экранного меню Пример изображения, когда автоматически определено правильное соотношение сторон ME401X/ME361X/ME331X/ME301X[Сигнал компьютера] Соотношение сторон для входя-щего сигнала 4:3 5:4 16:9 15:9 16:10 П р и м е р и з о б р а ж е н и я , к о гд а автоматически определено п...
Страница 78 - раз при включении проектора.
67 5. Использование экранного меню ❻ Описание и функции меню [ВКЛ.] [ОБЩИЕ НАСТРОЙКИ] Включение параметра Авто осн принцип [АВТО ОСН ПРИНЦИП] Данная функция позволяет определять угол наклона проектора и автоматически корректировать вертикальное ис-кажение.Чтобы включить функцию АВТО ОСН ПРИНЦИП, выб...
Страница 80 - тексты или закрытые тиры в область экрана.; Использование таймера выключения [ВЫКЛ ТАЙМЕР]; Для экранных инструкций можно выбрать один из 30 языков.
69 5. Использование экранного меню Настройка закрытого титра [ЗАКРЫТЫЙ ТИТР] С помощью этой опции можно настроить несколько режимов закрытого титра, которые обеспечивают наложение текста на изображение проектора в режимах Видео. ВЫКЛ. ............................. Выбор этого параметра приводит к вы...
Страница 81 - независимо от этого выбора.
70 5. Использование экранного меню Включение/Выключение Контроль ID [ДИСПЛЕЙ ID] Эта опция служит для включения/выключения номера ID, который отображается при нажатии кнопки ID SET на пульте дистанционного управления. Включение/Выключение сообщения режима экономии [ЭКО СООБЩЕНИЕ] Если проектор включ...
Страница 82 - ФРОНТАЛЬНАЯ СО СТОЛА; Включение функции безопасности [БЕЗОПАСНОСТЬ]
71 5. Использование экранного меню [УСТАНОВКА] Выбор ориентации проектора с помощью параметра [ОРИЕНТАЦИЯ] Служит для переориентировки изображения в соответствии с типом проецирования. Возможные опции проецирова-ния: фронтальная со стола, тыльная с потолка, тыльная со стола и фронтальная с потолка. ...
Страница 83 - Откроется экран КОНТРОЛЬ ID.; Откроется обновленный экран КОНТРОЛЬ ID.
72 5. Использование экранного меню Выбор скорости коммуникации [СКОРОСТЬ КОММУНИКАЦИИ] Эта функция позволяет установить скорость передачи данных для компьютерного порта управления (D-Sub 9P). Он поддерживает скорость от 4 800 до 38 400 бит/с. Значение по умолчанию – 38 400 бит/с. Выберите скорость п...
Страница 84 - близительно 5 500 футов/1 700 метров над уровнем моря или выше.
73 5. Использование экранного меню Использование испытательного шаблона [ИСПЫТАТЕЛЬНЫЙ ШАБЛОН] Показывает испытательный шаблон для проверки искажения изображения во время настройки проектора. Нажмите кнопку ENTER (ВВОД) для отображения испытательного шаблона; нажмите кнопку EXIT (ВЫХОД), чтобы закры...
Страница 85 - для переключения входящего аудио сигнала с КОМПЬЮТЕРА.
74 5. Использование экранного меню Выбор формата сигнала с помощью параметра [ВЫБОР СИГНАЛА] [КОМПЬЮТЕР]Позволяет выбрать значение [КОМПЬЮТЕР] для источника RGB, например, компьютера, или значение [КОМПОНЕНТ] для источника компонентного видеосигнала, например, DVD-проигрывателя. Обычно выбирают [RGB...
Страница 87 - функцию в комбинации с функцией АВТО ВЫКЛ. ПИТАНИЯ.
76 5. Использование экранного меню Функция прямого включения питания [ПРЯМОЕ ВКЛ. ПИТ.] Автоматически включает проектор, когда кабель питания вставлен в электрическую розетку. Это устраняет необхо-димость постоянно пользоваться кнопкой POWER на пульте дистанционного управления или корпусе проектора....
Страница 88 - дущий или последний активный вход.; Настройка коэффициента углеродистого следа [РАСХОД УГЛЕРОДА]
77 5. Использование экранного меню Выбор источника по умолчанию с помощью параметра [ВЫБОР ФАБ УСТАН ИСТОЧ] Для проектора можно указать какой-либо из его входов в качестве источника по умолчанию, к которому он будет об-ращаться всякий раз при включении. ПОСЛЕДН ........................ В качестве ис...
Страница 89 - присвоены проектору с Вашего сервера DHCP.
78 5. Использование экранного меню Настройка проектора на подключение к проводной локальной сети [ПРОВОД. ЛОКАЛ. СЕТЬ] Важно • Об этих настройках проконсультируйтесь со своим сетевым администратором.• При использовании подключения по проводной локальной сети, подсоедините кабель локальной сети (кабе...
Страница 90 - Подключите проектор к точке доступа.
79 5. Использование экранного меню Настройка проектора на подключение к беспроводной локальной сети (с установленным дополнительным устройством беспроводной локальной сети USB) [БЕСПРОВОД. ЛОК. СЕТЬ] Важно • Об этих настройках проконсультируйтесь со своим сетевым администратором.• При использовании ...
Страница 92 - Запасная лампа
81 5. Использование экранного меню ❼ Описание и функции меню [ИНФ.] Служит для отображения состояния текущего сигнала и времени использования лампы. Этот пункт включает шесть страниц. Информация приводится в следующем порядке: ПОДСКАЗКА: Нажатие кнопки СПРАВКА на пульте дистанционного управления пок...
Страница 97 - Установка и подключение; Настройка экрана и проектора.; Настройка экрана и проектора; Выбор места
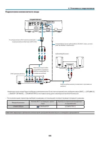
86 6. Установка и подключение 3 2 1 В данном разделе описаны процедуры настройки проектора и порядок подключения источников видео- и аудиосигнала.Этот проектор прост в настройке и эксплуатации. Однако, перед началом работы следует выполнить следующие действия: ① Настройка экрана и проектора. ② Подкл...
Страница 99 - B = вертикальное расстояние между центром
88 6. Установка и подключение C α B D Расстояние проекции и размер экрана Следующее показывает надлежащие относительные положения проектора и экрана. Смотрите таблицу для опреде-ления положения установки. Таблица расстояний B = вертикальное расстояние между центром объектива и центром экрана С = Рас...
Страница 100 - ратитесь к дилеру NEC.; Отражение изображения; на корпусе проектора или пульте дистанционного управления. (
89 6. Установка и подключение ПРЕДУПРЕЖДЕНИЕ * Устанавливать проектор на потолке должен квалифицированный персонал. За дополнительной информацией об- ратитесь к дилеру NEC. * Не пытайтесь установить проектор самостоятельно.• Всегда устанавливайте проектор для работы на твердой и ровной поверхности. ...
Страница 101 - Выполнение подключений; Подключение компьютера
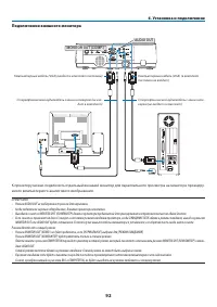
90 6. Установка и подключение ❷ Выполнение подключений Подключение компьютера Компьютерные кабели, HDMI и USB можно использовать для подключения к компьютеру. Соединительный кабель не включен в комплект проектора. Подготовьте подходящий кабель для соединения. ПРИМЕЧАНИЕ: Сигналы, которые поддерживае...
Страница 102 - Активация внешнего экрана компьютера; Предупреждения при использовании сигнала DVI
91 6. Установка и подключение ПРИМЕЧАНИЕ: Данный проектор несовместим с выходами декодированного видеосигнала коммутатора NEC ISS-6020. ПРИМЕЧАНИЕ: Изображение может отображаться неправильно, если источник видео будет воспроизводиться через доступный на рынке преобразователь развертки. Причина обусл...
Страница 108 - не сможете использовать беспроводную локальную сеть.
97 6. Установка и подключение Подключение к беспроводной локальной сети (дополнительно: серии NP05LM) Устройство беспроводной локальной сети USB также предоставляет подключение к беспроводной локальной сети. Чтобы использовать соединение по беспроводной локальной сети, необходимо задать проектору ад...
Страница 109 - Откроется окно режима ожидания.
98 6. Установка и подключение Пример подключения (1) [ИНТЕЛЛЕКТ. СОЕДИНЕНИЕ] Можно легко подключить проектор к нескольким разъемам, на-пример, компьютеров и смартфонов с помощью PIN-кода. 1. Скачайте прикладное ПО «MultiPresenter» с веб-сайта нашей компании и установите его на каждый разъем как на к...
Страница 111 - Техническое обслуживание; Чистка фильтров; ПРЕДУПРЕЖДЕНИЕ; может привести к пожару.; пока она не освободится.; Извлеките четыре фильтрующих элемента и уберите всю
100 7. Техническое обслуживание В данном разделе описаны простые процедуры по техническому обслуживанию, которых следует придерживаться при чистке фильтров, объектива, корпуса, а также для замены лампы и фильтров. ❶ Чистка фильтров Губка воздушного фильтра не позволяет частицам пыли и грязи попасть ...
Страница 112 - Удалите пыль с блока фильтра и крышки фильтра.
101 7. Техническое обслуживание 4. Удалите пыль с блока фильтра и крышки фильтра. Почистите снаружи и внутри. 5. Установите четыре фильтра в блок фильтра и крышку филь- тра. Блок фильтра: прикрепите два груботекстурных губчатых филь- тра (маленький и большой) в блок фильтра. Крышка фильтра: прикрепи...
Страница 113 - Очистка объектива; пластиковую поверхность объектива.; Чистка корпуса; Если он сильно загрязнен, используйте слабое чистящее средство.
102 7. Техническое обслуживание ❷ Очистка объектива • Перед чисткой отключите проектор.• Проектор оснащен пластиковым объективом. Используйте доступный на рынке очиститель для пластиковых объективов.• Не царапайте и не наносите какого-либо вреда поверхности объектива, так как пластиковый объектив оч...
Страница 114 - Замена лампы и фильтров; Запасная лампа поставляется с фильтрами.; Порядок замены лампы и фильтров; Замените лампу
103 7. Техническое обслуживание ❹ Замена лампы и фильтров Когда срок службы лампы достигает конца, индикатор LAMP на корпусе начинает мигать красным цветом и появляется сообщение «ИСТЕКАЕТ СРОК ЭКСПЛУАТАЦИИ ЛАМПЫ. ПОЖАЛУЙСТА, ЗАМЕНИТЕ ЛАМПУ И ФИЛЬТР.» (*). Хотя лампа еще может продолжать работать, д...
Страница 115 - пытайтесь обойти эту блокировку.
104 7. Техническое обслуживание 2. Снимите корпус лампы. (1) Отворачивайте два винта, удерживающих корпус лампы, пока крестообразная отвертка не начнет свободно прокручиваться. • Эти два винта не вынимаются. • На кожухе находится блокировочное устройство, предохраняющее от поражения электрическим то...
Страница 117 - Снимите крышку фильтра с блока фильтра.
106 7. Техническое обслуживание Чтобы заменить фильтры: Четыре фильтра входят в комплект поставки запасной лампы NP43LP.Груботекстурный губчатый фильтр: большого и маленького размера (прикреплен к блоку фильтра)Тонкотекстурный губчатый фильтр: большого и маленького размера (прикреплен к крышке фильт...
Страница 118 - Установите крышку фильтра обратно на блок фильтра; Чтобы сбросить время наработки лампы и время наработки фильтров:
107 7. Техническое обслуживание 2. Вставьте новые фильтры. Блок фильтра: прикрепите два груботекстурных губчатых фильтра к блоку фильтра. Крышка фильтра: установите два тонкотекстурных губ- чатых фильтра на крышку фильтра. Фильтр-гармошка имеет пазы. Совместите эти пазы с выступами крышки фильтра. 4...
Страница 119 - Поиск и устранение неисправностей; Показания индикаторов; Индикатор Power; Защита от превышения допустимой температуры
108 8. Приложение ❶ Поиск и устранение неисправностей Этот раздел поможет решить проблемы, которые могут возникать при подготовке к эксплуатации и в процессе экс-плуатации проектора. Показания индикаторов Индикатор Power Состояние индикатора Состояние проектора Примечание Выкл. Главный переключатель...
Страница 120 - Типичные неисправности и способы их устранения
109 8. Приложение Типичные неисправности и способы их устранения ( → раздел «Power/Status/Индикатор Lamp» на стр. 108 ). Неисправность Проверьте следующее Проектор не включается или не выключается • Проверьте, подключен ли силовой кабель и нажата ли кнопка включения питания на корпусе проектора или ...
Страница 121 - Если изображение отсутствует или отображается неправильно.; или перейдите к следующему шагу)
110 8. Приложение Если изображение отсутствует или отображается неправильно. • Питание подается на проектор и ПК. Убедитесь, что подключение проектора к ноутбуку происходит, когда проектор пребывает в режиме ожидания, а ноутбук еще не включен. В большинстве случаев исходящий от ноутбука сигнал не во...
Страница 122 - Технические характеристики; Оптический; Электрические параметры
111 8. Приложение ❷ Технические характеристики В данном разделе содержится техническая информация о производительности проектора. Оптический Номер модели ME401W ME361W ME331W ME301W ME401X ME361X ME331X ME301X ЖК-панель 0,59 дюймовый ЖК-экран с линзовой антенной ре-шеткой малого размера (Соотношение...
Страница 123 - Механические характеристики; Спецификация на продукцию может изменяться без уведомления.
112 8. Приложение Номер модели ME401W ME361W ME331W ME301W ME401X ME361X ME331X ME301X Совместимые сигналы* 6 Аналоговые: VGA/SVGA/XGA/WXGA/Quad-VGA/SXGA/SXGA+/WXGA+/WXGA++/UXGA/WSXGA+/HD/Full HD/WUXGA/Mac13", 16", 21", 23"Компонентные: 480i/480p/576i/576p/720p/1080i/1080pHDMI: VGA/S...
Страница 124 - Габаритные размеры корпуса
113 8. Приложение 339 (13,3) 175 (6,9) 35,3 (1,4) 195 (7,7) 5 (0,2) 100 (3,9) 259 (10,2) 60 (2,4) 102 (4) 130 (5,1) 150 (5,9) 108,5 (4,3) ❸ Габаритные размеры корпуса Единица измерения: мм (дюйм) Центр объектива
Страница 125 - Предназначение штырьков входного разъема D-Sub COMPUTER; такта
114 8. Приложение ❹ Предназначение штырьков входного разъема D-Sub COMPUTER 15-штырьковый мини-разъем D-Sub Уровень сигнала:Видео сигнал: 0,7 Vp-p (аналоговый)Сигнал синхронизации: уровень TTL 5 1 4 2 3 10 11 12 13 14 15 6 9 7 8 Номер кон- такта Сигнал RGB (аналоговый) Сигнал YCbCr 1 Красный Синхрон...
Страница 126 - Перечень совместимых входных сигналов; Аналоговый RGB
115 8. Приложение ❺ Перечень совместимых входных сигналов Аналоговый RGB Сигнал Разрешение (точек) Соотношение сторон Частота обнов- ления (Гц) VGA 640 × 480 4:3 60/72/75/85/ iMac SVGA 800 × 600 4:3 56/60/72/75/85/ iMac XGA 1024 × 768 * 1 4:3 60/70/75/85/ iMac WXGA 1280 × 768 * 2 15:9 60 1280 × 800 ...
Страница 127 - Коды управления и кабельные соединения ПК; Коды управления ПК; Протокол связи
116 8. Приложение ❻ Коды управления и кабельные соединения ПК Коды управления ПК Данные кода функции ПИТАНИЕ ВКЛЮЧЕНО 02Н 00Н 00Н 00Н 00Н 02Н ПИТАНИЕ ОТКЛЮЧЕНО 02H 01H 00H 00H 00H 03H ВЫБОР ВХОДНОГО РАЗЪЕМА «COMPUTER» 02H 03H 00H 00H 02H 01H 01H 09H ВЫБОР ВХОДНОГО РАЗЪЕМА HDMI1 02H 03H 00H 00H 02H 0...
Страница 128 - Использование компьютерного кабеля (VGA) для управления; Экран виртуального пульта дистанционного управления
117 8. Приложение ❼ Использование компьютерного кабеля (VGA) для управления проектором (Virtual Remote Tool) С помощью утилиты «Virtual Remote Tool», которую можно скачать на нашем веб-сайте, экран Virtual Remote (виртуаль-ный ПДУ) (или панель инструментов) можно отобразить на экране компьютера.Эта ...
Страница 130 - Контрольный перечень возможных неисправностей; Частота возникновения; всегда; Питание; Прочее
119 8. Приложение ❽ Контрольный перечень возможных неисправностей Перед тем, как обратиться к местному продавцу данной продукции или сервисному персоналу, сверьтесь с данным перечнем и убедитесь, что необходимость ремонта имеется также и на основании информации раздела «Поиск и устранение неисправно...
Страница 131 - В отведенном ниже месте подробно опишите возникшую проблему.
120 8. Приложение В отведенном ниже месте подробно опишите возникшую проблему. Информация, касающаяся применения и защиты окружающей среды при эксплуатации проектора Проектор ПК DVD-проигрыватель Проектор Номер модели:Серийный номер:Дата покупки:Время эксплуатации лампы (в часах):ЭКО РЕЖИМ: □ ВЫКЛ. ...
Страница 132 - ЗАРЕГИСТРИРУЙТЕ ВАШ ПРОЕКТОР! (для жителей Соединенных
121 8. Приложение ❾ ЗАРЕГИСТРИРУЙТЕ ВАШ ПРОЕКТОР! (для жителей Соединенных Штатов, Канады и Мексики) Пожалуйста, найдите время, чтобы зарегистрировать Ваш новый проектор. Это приведет к активации ограниченной гарантии на детали, работу и сервисную программу InstaCare.Посетите наш веб-сайт по адресу ...