NEC NP500G - инструкции и руководства
Проектор NEC NP500G - инструкции пользователя по применению, эксплуатации и установке на русском языке читайте онлайн в формате pdf
Инструкции:
Инструкция по эксплуатации NEC NP500G
Краткое содержание
1-е издание, Июль 2008 г. • IBM является товарным знаком или зарегистрированным товарным знаком компании International Business Machines Corporation.• Macintosh, Mac OS X и PowerBook являются товарными знаками компании Apple Inc., зарегистрированными в США и других странах. • Microsoft, Windows, Win...
Важная информация Предостережения относительно безопасности Меры предосторожности Внимательно прочтите это руководство перед использованием проектора NEC NP600G/NP500G/NP400G/NP500WG и сохраните руководство для получения справок в будущем. ВНИМАНИЕ Для отключения от сети электропитания обязательно в...
Важная информация Важные меры безопасности Эти инструкции по технике безопасности предназначены для обеспечения длительного срока службы проектора и предотвращения поражения электрическим током. Пожалуйста, внимательно прочитайте их о помните обо всех предостережениях. Установка • Не устанавливайте ...
Важная информация Меры пожарной и электрической безопасности • Чтобы предотвратить накопление тепла внутри проектора, убедитесь, что он хорошо вентилируется и что вентиляционные от- верстия не заблокированы. Расстояние между проектором и стеной должно составлять не менее 4 дюймов (10 см). • Не касай...
Важная информация v ВНИМАНИЕ • Не используйте наклонные ножки в целях, для которых они не предназначены. Неправильное использование, например зажатие наклонных ножек или подвешивание на стену, может привести к повреждению проектора. • Не отсылайте проектор в мягком футляре через службу доставки посы...
v Оглавление Важная информация .......................................................................................................i 1. Введение ...................................................................................................................... 1 Комплектация ...................
Оглавление v Выключение проектора ...........................................................................................................................32 По завершении использования ...............................................................................................................
Силовой кабель(US: 7N080229)(EU: 7N080015) Кабель сигнала VGA(7N520052) Мягкий футляр(24BS7582) Компакт-дискРуководство пользователя(7N951211) Только для Северной Америки Регистрационная картаОграниченная гарантия Только для стран Европы Гарантийная политика Краткое руководство по настройке(7N8P8811...
1. Введение Ознакомление с проектором В этой главе приводится ознакомительная информация о проекторе, а также содержится описание его функций и элементов управления. Поздравляем с покупкой проектора! Этот проектор - один из самых лучших современных проекторов. Проектор позволяет проецировать точны...
1. Введение • Шесть режимов предварительных настроек изображения для установок изображения и цвета, настраиваемых поль- зователем Каждый режим предварительных настроек изображения можно изменить в соответствии со своими потребностями и сохра-нить. • Предупреждение несанкционированного использования ...
1. Введение SEL ECT MEN U EXIT EN TE R STA TUS LAM P AUT OAD J. SOU RCE FOC US STA TU S LA MP AU TO AD J. SO UR CE SE LE CT ME NU EX IT EN TE R FOC US Название деталей проектора Передняя/верхняя часть * Этот слот безопасности поддерживает систему безопасности MicroSaver ®. Задняя часть Рычаг масшт...
1. Введение Важнейшие функции 1. Кнопка (POWER) ( → стр. 22 , 32 ) 2. Индикатор POWER ( → стр. 22 , 32 , 75 ) 3. Индикатор STATUS ( → стр. 75 ) 4. Индикатор LAMP ( → стр. 72 , 75 ) 5. Кнопка SOURCE ( → стр. 24 ) 6. Кнопка AUTO ADJ. Кнопка ( → стр. 31 ) 7. Кнопка MENU ( → стр. 45 ) 8. SELECT / К...
1. Введение Функции панели разъемов 6 8 7 3 3 2 1 5 4 9 10 1. COMPUTER 1 IN/ Компонентный входной разъем (Mini D-Sub 15 Pin) ( → стр. 13 , 16 , 18 ) 2. Разъем COMPUTER 2 (DVI-I) IN (29-штырьковый) (совмес- тимый с HDCP) ( → стр. 15 , 16 ) 3. Мини-гнездо AUDIO IN (стереофоническое мини-гнездо) ( → ст...
1. Введение Элементы пульта дистанционного управления 1. Инфракрасный передатчик ( → стр. 8 ) 2. Кнопка POWER ON ( → стр. 22 ) 3. Кнопка POWER OFF ( → стр. 32 ) 4. Кнопка MAGNIFY (+)(–) ( → стр. 34 ) 5. Кнопка PIC-MUTE ( → стр. 34 ) 6. Кнопка PAGE UP/DOWN* ( → стр. 39 , 40 ) 7. Кнопка MENU ( → стр...
1. Введение SELECT M E N U EX IT EN TE R S TA T U S L A M P A U TO A D J. S O U R C E FOCUS 30° 30° 30° 30° Правила обращения с пультом дистанционного управления • Обращайтесь с пультом дистанционного управления бережно.• Если на пульт дистанционного управления попала влага, немедленно вытрите его н...
SEL ECT ME NU EXIT EN TER STA TUS LAM P AU TOA DJ. SO UR CE FO CU S 2. Установка и подключение В этом разделе описаны процедуры настройки проектора и подключения видео- и аудио источников.Этот проектор прост в настройке и использовании. Однако перед началом работы следует выполнить следующие действи...
0 2. Установка и подключение [NP500WG] Чем дальше от экрана или стены будет установлен проектор, тем большим будет изображение. Изображение минимального раз-мера (приблизительно 21 дюйм/0,53 м по диагонали) получится при размещении проектора на расстоянии около 28 дюймов/0,7 м от стены или экрана. Н...
2. Установка и подключение Расстояние до проекции и размер экрана На приведенном ниже рисунке показано правильное размещение проектора относительно экрана. По таблице можно определить, на каком расстоянии следует установить проектор. Таблица расстояний B = вертикальное расстояние между центром объек...
2. Установка и подключение ПРЕДУПРЕЖДЕНИЕ * Крепить проектор к потолку должен квалифицированный персонал. За дополнительной информацией обратитесь к дилеру NEC. * Не пытайтесь установить проектор самостоятельно.• Всегда устанавливайте проектор для работы на твердой и ровной поверхности. Падение прое...
2. Установка и подключение COMPUTER 1 IN AUDIO IN PHONE Подключение других устройств ПРИМЕЧАНИЕ: Подключать проектор к ноутбуку следует, когда проектор пребывает в режиме ожидания, а питание ноутбука отключено.В большинстве случаев выходной сигнал ноутбука не включается в случае подключения ноутбу...
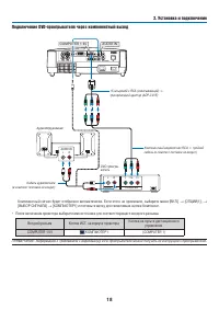
2. Установка и подключение COMPUTER 2 (DVI-I) IN PHONE AUDIO IN Во время просмотра цифрового сигнала DVI Для проецирования цифрового сигнала DVI необходимо подключить ПК к проектору с помощью кабеля DVI (в комплект поставки не входит) перед тем, как будет включен ПК и проектор. Включите проектор и и...
2. Установка и подключение COMPUTER 1 IN COMPUTER 2 (DVI-I) IN ПРИМЕЧАНИЕ: Если адаптер стандарта DVI в VGA не будет использоваться длительное время, отсоедините его от проектора. В противном случае может повредиться соответствующий разъем проектора. Одновременное использование двух аналоговых входо...
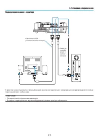
2. Установка и подключение AUDIO IN PHONE MONITOR OUT (COMP 1) AUDIO OUT Подключение внешнего монитора К проектору можно подключить отдельный внешний монитор для параллельного просмотра на мониторе проецируемого компью-терного аналогового изображения. ПРИМЕЧАНИЕ:• Последовательное подключение невозм...
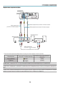
2. Установка и подключение AUDIO IN L R AUDIO OUT L R VIDEO OUT S-VIDEO VIDEO S-VIDEO IN AUDIO IN VIDEO IN Подключение видеомагнитофона • После включения проектора выберите имя источника для соответствующего входного разъема. Входной разъем Кнопка ИСТ. на корпусе проектора Кнопка на пульте дистанцио...
0 2. Установка и подключение Подключение к сети Стандартная модель проектора оснащена портом проводной локальной сети (RJ-45), через который можно подключаться к локальной сети с помощью кабеля проводной локальной сети. При использовании кабеля проводной локальной сети можно указать настройки сети и...
2. Установка и подключение SEL ECT MEN U EXIT EN TER STA TUS LAM P AUT OAD J. SOU RCE FOC US STATUS LAMP AUTO ADJ. SOURCE Присоединение силового кабеля, входящего в комплект поставки Подсоедините к проектору силовой кабель, входящий в комплект поставки.Сначала вставьте штепсель силового кабеля в раз...
3. Проецирование изображения (основные операции) ( → стр. 75 ) В этом разделе описано, как включить проектор и спроецировать изображение на экран. Включение проектора ПРИМЕЧАНИЕ:• У проектора имеется два переключателя питания: главный переключатель питания и кнопка (POWER) (а на пульте дистан- цио...
3. Проецирование изображения (основные операции) 1. С помощью кнопки SELECT , , или выберите для меню один из 21 языка. 2. Нажмите кнопку ENTER, чтобы подтвердить выбор. После этого можно перейти к работе с меню.При желании язык меню можно выбрать позже. ( → [ЯЗЫК] на стр. 47 , 59 ) ENTER. E...
3. Проецирование изображения (основные операции) Выбор источника Выбор компьютера или источника видеосигнала ПРИМЕЧАНИЕ: Компьютер или иной источник видеосигнала, подключенный к компьютеру, должен быть включен. Выбор из списка источников Нажмите и сразу же отпустите кнопку SOURCE на корпусе проект...
3. Проецирование изображения (основные операции) Регулировка размера и положения изображения Для настройки размера и положения изображения можно использовать ножку для регулирования наклона или колесико фокуси-рования. В этом разделе чертежи и кабели не указаны для большей ясности. Настройка угла ...
3. Проецирование изображения (основные операции) Ножка для регулирова-ния наклона Рычаг ножки для регулирования наклона STA TU S LA MP AU TO AD J. SO UR CE SE LE CT ME NU EX IT EN TE R FO CU S 2 1 STA TU S LA MP AU TOA DJ. SO UR CE SELE CT ME NU EX IT EN TE R FO CU S 3 4 SELE CT ME NU EXIT ENT ER ST...
3. Проецирование изображения (основные операции) STA TU S LA MP AU TO AD J. SO UR CE SE LE CT ME NU EX IT EN TE R FO CU S FOCUS STA TU S LA MP AU TO AD J. SO UR CE SE LE CT ME NU EX IT EN TE R FO CU S FOCUS Масштабирование Рычаг ZOOM используется для настройки размера изображения на экране. Фокус Ко...
3. Проецирование изображения (основные операции) Коррекция трапециевидного искажения Коррекция трапециевидного искажения Если экран наклонен в вертикальной плоскости, становится заметным трапециевидное искажение. Чтобы откорректировать тра-пециевидное искажение, выполните следующие действия. ПРИМЕ...
3. Проецирование изображения (основные операции) Настройка при помощи пульта дистанционного управления 1. Нажмите кнопку MENU. На экране отобразится меню. 2. Нажмите кнопку SELECT , выберите [ВКЛ.] и нажмите кнопку ENTER. Отобразится экран [ОБЩИЕ НАСТРОЙКИ]. 3. Нажмите кнопку SELECT и выберите п...
0 3. Проецирование изображения (основные операции) Настройка при помощи функции Авто Осн Принцип Функция коррекции Авто Осн Принцип служит для коррекции вертикального трапециевидного искажения изображения, проецируемого на экран. Никаких специальных действий не требуется. Просто разместите проектор ...
3. Проецирование изображения (основные операции) Автоматическое обнаружение сигнала компьютера Настройка изображения с помощью кнопки Auto Adjust Автоматическая оптимизация изображения компьютера.Для выполнения автоматической оптимизации компьютерного изображения нажмите кнопку AUTO ADJ.Эта коррек...
3. Проецирование изображения (основные операции) Выключение проектора Чтобы выключить проектор: 1. Нажмите на кнопку (POWER) на корпусе проектора или кнопку POWER OFF на пульте дистанционного управления. Появится сообщение [ВЫКЛЮЧЕНИЕ / ВЫ УВЕРЕНЫ ?]. 2. После этого нажмите кнопку ENTER или повтор...
3. Проецирование изображения (основные операции) По завершении использования Подготовка: Убедитесь, что питание проектора выключено. 1. Отсоедините силовой кабель. 2. Отсоедините остальные кабели. 3. Сложите ножку для регулирования наклона, если она была выдвинута. 4. Закройте объектив крышкой. 5....
Отключение изображения и звука Нажмите кнопку PIC-MUTE, чтобы отключить изображение и звук на короткое время. Повторное нажатие вернет изображение и звук. ПРИМЕЧАНИЕ:• Даже при выключенном изображении меню останется на экране.• Можно отключить звук, подаваемый из гнезда AUDIO OUT (стереофоническое...
4. Функции удобства 2. Нажмите кнопку SELECT . Область увеличенного изображения будет перемещаться 3. Нажмите кнопку MAGNIFY (-). При каждом нажатии MAGNIFY (-) изображение будет уменьшаться. ПРИМЕЧАНИЕ: • Изображение будет увеличено или уменьшено по центру экрана.• Если открыть меню, текущее у...
4. Функции удобства Предупреждение несанкционированного использования проектора [БЕЗОПАСНОСТЬ] Можно установить пароль, чтобы предотвратить несанкционированное использование проектора. Каждый раз при включении про-ектора будет отображаться экран для ввода пароля. Проецирование изображения будет во...
4. Функции удобства 7. Введите комбинацию из тех же самых четырех кнопок SELECT и нажмите кнопку ENTER. Откроется окно подтверждения. 8. Выберите [ДА] и нажмите кнопку ENTER. Функция БЕЗОПАСНОСТЬ активирована. Для включения проектора при включенной функции [БЕЗОПАСНОСТЬ]: Если проектор включен ...
4. Функции удобства Использование дополнительного дистанционного приемника мыши (NP01MR) Дополнительный дистанционный приемник мыши позволяет управлять функциями компьютерной мыши с пульта дистанционного управления. Он очень удобен для просмотра презентаций, созданных на компьютере. Подключение ди...
0 4. Функции удобства Управление компьютерной мышью с пульта дистанционного управления Компьютерной мышью можно управлять с пульта дистанционного управления. Кнопка PAGE UP/DOWN: служит для прокручивания зоны просмотра окна, а также для перехода к предыдущему или следу-ющему слайду в программе Power...
4. Функции удобства Настройка с помощью браузера HTTP Обзор Подключив проектор к сети, можно устанавливать настройки почтового предупреждения ( → стр. 43 ), а также управлять проектором при помощи компьютера в сети.Чтобы управлять проектором через веб-браузер, необходимо установить специальную про...
42 4. Функции удобства Параметры сети http://<IP-адрес проектора> /index.html DHCP...................................... В. результате. включения. этой. опции. сервер. DHCP. автоматически. назначает. проектору. IP-адрес.. Отключение.этой.опции.позволяет.зарегистрировать.IP-адрес.или.номер.подс...
4. Функции удобства Настройка почтового предупреждения http://<IP-адрес проектора>/lanconfig.html Благодаря этой опции, при использовании проводной ЛВС сообщение об ошибке доставляется на компьютер через электронную почту. Сообщение об ошибке будет доставлено, если срок службы лампы проектора ...
Использование меню ПРИМЕЧАНИЕ: Во время проецирования чересстрочного видеоизображения экранное меню может отображаться некорректно. 1. Для отображения меню нажмите кнопку MENU на пульте дистанционного управления или корпусе проектора. ПРИМЕЧАНИЕ: Такие команды, как ENTER, EXIT, , расположенн...
5. Использование экранного меню Элементы меню Окна меню и диалоговые окна обычно включают следующие элементы: Подсветка .....................................Указывает выбранный пункт меню или параметр. Сплошной треугольник ...............Указывает на возможность дальнейшего выбора. Подсвеченный тр...
5. Использование экранного меню Пункты меню Некоторые пункты меню недоступны в зависимости от источника входящего сигнала. Пункт меню По умолчанию Опции ИСТ. КОМПЬЮТЕР1 * КОМПЬЮТЕР2(ЦИФРОВ.) * КОМПЬЮТЕР2(АНАЛОГОВ.) * ВИДЕО * S-ВИДЕО * НАСТР. ИЗОБРАЖЕНИЕ ПРЕДВАРИТ УСТАНОВКА * 1-6 ПОДРОБНЫЕ УСТАНОВК...
5. Использование экранного меню [ОБЩИЕ НАСТРОЙКИ]Сохранение Ваших пользовательских установок [ССЫЛКА] Данная функция позволяет сохранять Ваши пользовательские установки в [ПРЕДВАРИТ УСТАНОВКА 1] - [ПРЕДВАРИТ УСТАНОВКА 6].Сначала выберите основной режим предварительных настроек в меню [ССЫЛКА], а зат...
5. Использование экранного меню [ВОССТ.] Установки и настройки, выполненные в меню [ИЗОБРАЖЕНИЕ], примут исходные заводские значения, за исключением номера предварительных установок и параметра [ССЫЛКА] на экране [ПРЕДВАРИТ УСТАНОВКА].Параметры и настройки в меню [ПОДРОБНЫЕ УСТАНОВКИ] на экране [ПРЕ...
5. Использование экранного меню Настройка горизонтального/вертикального положения [ГОРИЗОНТАЛЬНО/ВЕРТИКАЛЬНОЕ] Служит для настройки положения изображения по горизонтали и вертикали. - Во время настройки [ЧАСЫ] и [ФАЗА] может происходить искажение изображения. Это не является неисправностью.- Установ...
5. Использование экранного меню Выбор значения параметра [AСПЕКТНОЕ ОТНОШЕНИЕ] Термин “аспектное соотношение” обозначает соотношение ширины и высоты проецируемого изображения.Проектор автоматически определяет входящий сигнал и отображает его в соответствующем аспектном отношении.• В этой таблице ото...
5. Использование экранного меню Описание и функции меню [ВКЛ.] [ОБЩИЕ НАСТРОЙКИ] Включение автокоррекции трапецеидальных искажений [АВТО ОСН ПРИНЦИП] Данная функция позволяет определять угол наклона проектора и автоматически корректировать вертикальные искажения.Чтобы включить функцию АВТО ОСН ПРИ...
5. Использование экранного меню Использование функции коррекции цвета стены [ЦВЕТ СТЕНЫ] С помощью данной функции осуществляется быстрая коррекция цвета с целью адаптации изображения к экрану, чей цвет отличен от белого. ПРИМЕЧАНИЕ: Если выбрать пункт [БЕЛАЯ ДОСКА], можно уменьшить яркость лампы. Вы...
5. Использование экранного меню Выбор языка меню [ЯЗЫК] Для экранных инструкций можно выбрать один из 21 языка. ПРИМЕЧАНИЕ: На данную установку не влияет даже выбор в меню параметра [ВОССТ.]. [МЕНЮ] Выбор значения параметра [ВЫБОР ЦВЕТА] Для цвета меню возможны две опции: ЦВЕТ и МОНОХРОМНОЕ. Выбор з...
0 5. Использование экранного меню [УСТАНОВКА] Выбор ориентации проектора с помощью параметра [ОРИЕНТАЦИЯ] Служит для переориентировки изображения в соответствии с типом проецирования. Возможные опции: фронтальная со стола, тыльная с потолка, тыльная со стола и фронтальная с потолка. ФРОНТАЛЬНАЯ СО С...
5. Использование экранного меню Блокировка кнопок на корпусе проектора с помощью параметра [БЛОК. ПАНЕЛИ УПРАВЛ.] С помощью данной опции можно включать или выключать функцию «БЛОК. ПАНЕЛИ УПРАВЛ.». ПРИМЕЧАНИЕ:• Функция «БЛОК. ПАНЕЛИ УПРАВЛ.» не влияет на функции дистанционного управления.• Когда пан...
5. Использование экранного меню Установка идентификатора проектора [КОНТРОЛЬ ID](Доступна только при использовании дополнительного пульта дистанционного управления NP02RC) Вы можете управлять несколькими проекторами по отдельности и независимо при помощи пульта дистанционного управления, имеющего фу...
5. Использование экранного меню [ОПЦИИ(1)] Выбор значения параметра [АВТО НАСТРОЙКА] С помощью этой функции можно установить режим Авто Настройка, при котором можно автоматически или вручную корректиро-вать шум и стабильность сигнала компьютера. Автоматическая настройка может выполняться в двух режи...
5. Использование экранного меню Выбор формата сигнала с помощью параметра [ВЫБОР СИГНАЛА] [КОМПЬЮТЕР1], [КОМПЬЮТЕР2(АНАЛОГОВ.)]Позволяет выбрать значение [КОМПЬЮТЕР1] или [КОМПЬЮТЕР2(АНАЛОГОВ.)] для источника RGB, например, компьютера, или значение [КОМПОНЕНТ] для источника компонентного видеосигнал...
5. Использование экранного меню [ОПЦИИ(2)] Использование таймера выключения [ВЫКЛ ТАЙМЕР] 1. Выберите подходящее время от 30 минут до 16 часов: ВЫКЛ., 0:30, 1:00, 2:00, 4:00, 8:00, 12:00, 16:00.2. Нажмите кнопку ENTER на пульте дистанционного управления.3. Оставшееся время отсчитывается в обратном п...
5. Использование экранного меню Включение проектора с помощью сигнала компьютера [АВТО ВКЛ. ПИТ. (COMP1)] Если проектор находится в режиме ожидания, компьютерный сигнал с компьютера, подключенного к разъему входного сигнала COMPUTER1 IN, будет подаваться на проектор и одновременно проецировать компь...
5. Использование экранного меню Описания и функции меню [ИНФ.] Служит для отображения состояния текущего сигнала и времени использования лампы. Для настройки этого параметра четыре страницы. Информация приводится в следующем порядке: СОВЕТ: Нажатие кнопки HELP на пульте дистанционного управления п...
5. Использование экранного меню Описания и функции меню [ВОССТ.] Возврат заводских значений параметров [ВОССТ.] Функция ВОССТАНОВЛЕНИЕ позволяет вернуть настройкам и установкам их стандартные заводские значения для всех источников, кроме следующих: [ТЕКУЩИЙ СИГНАЛ]Возвращает настройкам текущего си...
0 6. Техническое обслуживание В данном разделе описаны простые процедуры по техническому обслуживанию, которых следует придерживаться при чистке фильтров и замене лампы. Чистка или замена фильтров Губка воздушного фильтра не позволяет частицам пыли и грязи попасть внутрь проектора, поэтому данный ...
6. Техническое обслуживание 3. Повторно установите новую крышку фильтра (2 точки). • Вставьте крышку фильтра до щелчка. 4. Обнулите показания времени эксплуатации фильтра. Для переустановки времени эксплуатации фильтра выберите в меню пункт [ВОССТ.], а затем [СБРОС НАРАБОТКИ ФИЛЬТРА].( → стр. 69 для...
6. Техническое обслуживание Замена лампы Когда срок службы лампы закончится, индикатор LAMP на корпусе будет мигать красным цветом. Хотя лампа еще может продолжать работать, для обеспечения оптимальных эксплуатационных характеристик проектора ее следует заменить. После замены лампы не забудьте обн...
6. Техническое обслуживание 3. Установите новый корпус лампы. (1) Установите новый корпус лампы так, чтобы он вошел в разъем. ВНИМАНИЕ Не используйте других ламп, кроме запасной лампы NP07LP производства NEC.Закажите такую лампу у продавца продукции марки NEC. (2) Нажмите на верхнюю центральную част...
7. Приложение Устранение неисправностей Этот раздел поможет решить проблемы, которые могут возникать при подготовке к эксплуатации и в процессе эксплуатации проектора. Показания индикаторов Индикатор Power Состояние индикатора Состояние проектора Примечание Откл. Главный переключатель питания нахо...
7. Приложение Если изображение отсутствует или отображается неправильно. • Питание подается на проектор и ПК. Убедитесь, что проектор и ноутбук были подключены друг к другу, когда проектор находился режиме ожидания, а ноутбук был включен. В большинстве случаев сигнал, исходящий от ноутбука, не воспр...
7. Приложение Технические характеристики В данном разделе содержится техническая информация об эксплуатационных характеристиках проектора. Номер модели NP600G/NP500G/NP400G/NP500WG Оптический NP600G/NP500G/NP400G NP500WG ЖК-панель NP600G/NP500G : 0,63 дюймовый ЖК-экран с линзовой антенной решеткой...
7. Приложение Цветопередача 16,7 млн. цветов одновременно, полноцветное изображение Совместимые сигналы**** Аналоговый: VGA/SVGA/XGA/WXGA/WXGA+/SXGA/SXGA+/UXGA 480i/480p/576i/576p/720p/1080i Цифровой: VGA/SVGA/XGA/WXGA/SXGA Ширина полосы частот видеосигнала RGB: 80 МГц (макс.) Разрешающая способност...
0 7. Приложение SELECT MENU EXI T EN TE R STAT US LAMP AUTO ADJ. SOURCE FOCUS 263 (10,4") 78 (3,1") 108,5 (4,3" ) 55,3 (2,2") 76 (3,0") 308 (12,1") Габаритные размеры корпуса Центр объектива Центр объектива Единица измерения: мм (дюйм)
7. Приложение Предназначение штырьков входного разъема D-Sub COMPUTER 15-штырьковый разъем D-Sub соединительного устройства Уровень сигналаВидеосигнал: 0,7 Vp-p (аналоговый)Сигнал синхронизации: Уровень TTL 5 1 4 2 3 10 11 12 13 14 15 6 9 7 8 * Поддерживается только входное соединительное устройст...
7. Приложение Перечень совместимых входных сигналов По горизонтали (строчные импульсы): от 15 до 100 КГц (RGB: 24 КГц или более)По вертикали: от 50 до 120 Гц Сигнал Разрешение (Точек) Частота по вертикали: (КГц) Скорость обновления (Гц) VIDEO NTSC - * 15,7 59,9 PAL - * 15,6 50,0 PAL60 - * 15,7 60,...
7. Приложение Коды управления и кабельные соединения ПК Коды управления ПК Функция Кодирование данных ПИТАНИЕ ВКЛЮЧЕНО 02Н 00Н 00Н 00Н 00Н 02Н ПИТАНИЕ ОТКЛЮЧЕНО 02H 01H 00H 00H 00H 03H ВЫБОР ВХОДНОГО РАЗЪЕМА “COMPUTER 1” 02H 03H 00H 00H 02H 01H 01H 09H ВЫБОР ВХОДНОГО РАЗЪЕМА “COMPUTER 2” (цифровой...
7. Приложение Контрольный перечень возможных неисправностей Перед тем, как обратиться к местному продавцу данной продукции или сервисному персоналу, сверьтесь с данным перечнем и убе-дитесь, что необходимость ремонта имеется также и на основании информации раздела “Устранение неисправностей” руков...
NEC Проекторы Инструкции
-
NEC L50W
Инструкция по эксплуатации
-
NEC L51W
Инструкция по эксплуатации
-
NEC LT280
Инструкция по эксплуатации
-
NEC LT380
Инструкция по эксплуатации
-
NEC M230X
Инструкция по эксплуатации
-
NEC M260W
Инструкция по эксплуатации
-
NEC M271X
Инструкция по эксплуатации
-
NEC M282X
Инструкция по эксплуатации
-
NEC M300X
Инструкция по эксплуатации
-
NEC M302WS
Инструкция по эксплуатации
-
NEC M303WS
Инструкция по эксплуатации
-
NEC M311W
Инструкция по эксплуатации
-
NEC M322H
Инструкция по эксплуатации
-
NEC M322X
Инструкция по эксплуатации
-
NEC M323W
Инструкция по эксплуатации
-
NEC M332XS
Инструкция по эксплуатации
-
NEC M333XS
Инструкция по эксплуатации
-
NEC M350X
Инструкция по эксплуатации
-
NEC M352WS
Инструкция по эксплуатации
-
NEC M353WS
Инструкция по эксплуатации