NEC NP405G - инструкции и руководства
Проектор NEC NP405G - инструкции пользователя по применению, эксплуатации и установке на русском языке читайте онлайн в формате pdf
Инструкции:
Инструкция по эксплуатации NEC NP405G
Краткое содержание
Издание первое, июль 2009 • IBM является товарным знаком или зарегистрированным товарным знаком компании International Business Machines Corporation. • Macintosh, Mac OS X и PowerBook являются товарными знаками компании Apple Inc., зарегистрированными в США и других странах. • Microsoft, Windows, Wi...
i Важная информация Предостережения относительно безопасности Меры предосторожности Перед эксплуатацией проектора NEC NP610G, NP510G, NP410G, NP405G, NP310G, NP305G, NP510WG, NP410WG, NP610SG или NP510WSG внимательно ознакомьтесь с этим руководством и храните его в доступном месте для будущих спра-в...
Важная информация ii Важные меры безопасности Эти инструкции по технике безопасности предназначены для обеспечения длительного срока службы проектора и предотвращения поражения электрическим током. Пожалуйста, внимательно прочитайте их о помните обо всех предостережениях. Установка • Не устанавливай...
Важная информация iii Меры пожарной и электрической безопасности • Чтобы предотвратить накопление тепла внутри проектора, убедитесь, что он хорошо вентилируется и что вентиляционные отверстия не заблокированы. Расстояние между проектором и стеной должно составлять не менее 4 дюймов (10 см). • Не кас...
Важная информация iv • При использовании кабеля локальной сети (только для моделей с RJ-45 LAN портом): В целях безопасности не присоединяйте к разъему для внешних устройств провода, электрическое напряжение которых может оказаться чрезмерным. ВНИМАНИЕ • Не используйте наклонные ножки в целях, для к...
Важная информация v Информация о режиме работы на большой высоте • Если проектор используется на большой высоте (приблизительно 5500 футов/1600 метров или выше), установите для параметра [РЕЖИМ ВЕНТИЛЯТОРА] значение [БОЛЬШАЯ ВЫСОТА]. Если при использовании проектора на высоте приблизительно 5500 фут...
vi Оглавление Важная информация .................................................................................................i 1. Введение .................................................................................................................. 1 Комплектация ............................
Оглавление vii Автоматическое обнаружение сигнала компьютера ............................................................................................................ 37 Настройка изображения с помощью кнопки Auto Adjust .............................................................................
1 Крышка объектива(24F44681) Крышка объектива(24FU0691) Силовой кабель(US: 7N080235)(EU: 7N080021) Кабель сигнала VGA(7N520073/7N520052) NEC Projector CD-ROMРуководство пользователя (PDF) и утилита «Virtual Remote Tool»(7N951361) • Важная информация (Для Северной Америки: 7N8P9731) (Для всех стран, ...
2 1. Введение Ознакомление с проектором В этой главе приводится ознакомительная информация о проекторе, а также содержится описание его функций и элементов управления. Поздравляем с покупкой проектора! Этот проектор - один из самых лучших современных проекторов. Проектор позволяет проецировать точ...
3 1. Введение • Короткое расстояние до проекции (NP610SG/NP510WSG) Объективы с коротким фокусным расстоянием обеспечивают более крупное изображение при меньшем расстоянии до проекции в сравнении со стандартным объективом проектора. • Разнообразные порты ввода и полный набор интерфейсов систем управл...
4 1. Введение Сравнительная таблица основных функций Наличие тех или иных основных функций зависит от модели проектора. Стандартные модели Модель с широкой панелью Модель с коротким рас- стоянием до проекции Модель с широкой панелью и коротким расстоянием до про- екции NP610G NP510G NP410G NP405G NP...
5 1. Введение FOCUS Крышка объектива Ножка для регулирования наклона ( → стр. 31 ) Рычаг ножки для регулирования наклона ( → стр. 31 ) FO CU S Название деталей проектора Передняя/верхняя часть NP610G/NP510G/NP410G/NP405G/NP310G/NP305G/NP510WG/NP410WG * Этот слот безопасности поддерживает систему б...
6 1. Введение Задняя часть Вход переменного токаСюда включается двухштырьковый штепсель силового кабе - ля, входящего в комплект поставки, а второй конец кабеля включается в электрическую розетку. ( → стр. 25 ) Главный переключатель питанияПосле подключения силового кабеля, входящего в комплект пост...
7 1. Введение Важнейшие функции 1. Кнопка (POWER) ( → стр. 27 , 38 ) 2. Индикатор POWER ( → стр. 26 , 38 , 87 ) 3. Индикатор STATUS ( → стр. 87 ) 4. Индикатор LAMP ( → стр. 84 , 87 ) 5. Кнопка SOURCE ( → стр. 29 ) 6. Кнопка AUTO ADJ. Кнопка ( → стр. 37 ) 7. Кнопка MENU ( → стр. 56 ) 8. / Кнопки...
8 1. Введение Функции панели разъемов NP610G/NP510G/NP410G/NP310G/NP510WG/NP410WG/NP610SG/NP510WSG 6 8 7 3 3 2 1 5 4 9 10 NP405G/NP305G 6 8 7 3 3 2 1 5 4 9 1. COMPUTER 1 IN/ Компонентный входной разъем (Mini D-Sub 15 Pin) ( → стр. 17 , 20 , 22 ) 2. Разъем COMPUTER 2 (DVI-I) IN (29-штырьковый) (совме...
9 1. Введение Элементы пульта дистанционного управления 1. Инфракрасный передатчик ( → стр. 10 ) 2. Кнопка POWER ON ( → стр. 27 ) 3. Кнопка POWER OFF ( → стр. 38 ) 4. Кнопка MAGNIFY (+)(–) ( → стр. 40 ) 5. Кнопка AV-MUTE ( → стр. 40 ) 6. Кнопка PAGE UP/DOWN* ( → стр. 46 , 47 ) 7. Кнопка MENU ( → с...
11 2. Установка и подключение В этом разделе описаны процедуры настройки проектора и подключения видео- и аудио источников.Этот проектор прост в настройке и использовании. Однако перед началом работы следует выполнить следующие действия: z Настроить экран и проектор. x Подключить к проектору компьют...
13 2. Установка и подключение [NP610SG]Чем дальше проектор находится от экрана или стены, тем больше выходит изображение. Когда проектор расположен приблизительно в 35 дюймах (0,9 м) от стены или экрана, минимальный размер изображения по диагонали составляет 60" (1,52 м). Когда проектор располож...
15 2. Установка и подключение Расстояние до проекции и размер экрана На приведенном ниже рисунке показано правильное размещение проектора относительно экрана. По таблице можно определить, на каком расстоянии следует установить проектор. Таблица расстояний [NP610G/NP510G/NP410G/NP405G/NP310G/NP305G/N...
16 2. Установка и подключение ПРЕДУПРЕЖДЕНИЕ * Крепить проектор к потолку должен квалифициро- ванный персонал. За дополнительной информацией обратитесь к дилеру NEC. * Не пытайтесь установить проектор самостоятельно.• Всегда ус танавливайте проек тор для работы на твердой и ровной поверхности. Паден...
17 2. Установка и подключение COMPUTER 1 IN COMPUTER 2 IN AUDIO IN PHONE Подключение других устройств ПРИМЕЧАНИЕ: Подключать проектор к ноутбуку следует, когда проектор пребывает в режиме ожидания, а питание ноутбука отключено. В большинстве случаев выходной сигнал ноутбука не включается в случае ...
18 2. Установка и подключение • После включения проектора выберите имя источника для соответствующего входного разъема.[NP610G/NP510G/NP410G/NP310G/NP510WG/NP410WG/NP610SG/NP510WSG] Входной разъем Кнопка ИСТ. на корпусе проектора Кнопка на пульте дистанционно- го управления. COMPUTER 1 IN КОМПЬЮТЕР1...
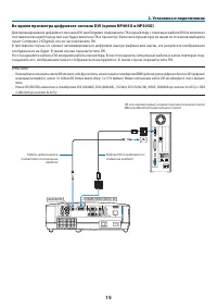
19 2. Установка и подключение COMPUTER 2 (DVI-I) IN PHONE AUDIO IN Во время просмотра цифрового сигнала DVI (кроме NP405G и NP305G) Для проецирования цифрового сигнала DVI необходимо подключить ПК к проектору с помощью кабеля DVI (в комплект поставки не входит) перед тем, как будет включен ПК и прое...
20 2. Установка и подключение COMPUTER 1 IN COMPUTER 2 (DVI-I) IN COMPUTER 2 IN AUDIO IN PHONE ПРИМЕЧАНИЕ: Если адаптер стандарта DVI в VGA не будет использоваться длительное время, отсоедините его от проектора. В противном случае может повредиться соответствующий разъем проектора. Одновременное исп...
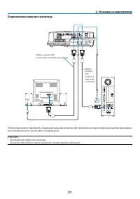
21 2. Установка и подключение AUDIO IN PHONE MONITOR OUT (COMP 1) AUDIO OUT Подключение внешнего монитора К проектору можно подключить отдельный внешний монитор для параллельного просмотра на мониторе проецируе-мого компьютерного аналогового изображения. ПРИМЕЧАНИЕ: • Последовательное подключение не...
22 2. Установка и подключение AUDIO IN L R AUDIO OUT L R Component Y Cb Cr COMPUTER 1 IN AUDIO IN Подключение DVD-проигрывателя через компонентный выход Компонентный сигнал будет отображен автоматически. Если этого не произошло, выберите меню [ВКЛ.] → [ОП- ЦИИ(1)] → [ВЫБОР СИГНАЛА] → [КОМПЬЮТЕР1] и ...
23 2. Установка и подключение AUDIO IN L R AUDIO OUT L R VIDEO OUT S-VIDEO VIDEO S-VIDEO IN AUDIO IN VIDEO IN Подключение видеомагнитофона • После включения проектора выберите имя источника для соответствующего входного разъема. Входной разъем Кнопка ИСТ. на корпусе проектора Кнопка на пульте дистан...
24 2. Установка и подключение Подключение к сети (кроме NP405G и NP305G) Стандартная модель проектора оснащена портом проводной локальной сети (RJ-45), через который можно подклю-чаться к локальной сети с помощью кабеля проводной локальной сети. При использовании кабеля проводной локальной сети можн...
25 2. Установка и подключение MEN U EXIT ENTER ST ATU S LA MP AUT OAD J. SOU RC E FOC US Присоединение силового кабеля, входящего в комплект поставки Подсоедините к проектору силовой кабель, входящий в комплект поставки.Сначала вставьте штепсель силового кабеля в разъем AC IN проектора, после чего п...
26 3. Проецирование изображения (основные операции) В этом разделе описано, как включить проектор и спроецировать изображение на экран. Включение проектора ПРИМЕЧАНИЕ: • У проектора имеется два переключателя питания: главный переключатель питания и кнопка (POWER) (а на пульте дистанционного управл...
28 3. Проецирование изображения (основные операции) 1. С помощью кнопки , , или выберите для меню один из 21 языка. 2. Нажмите кнопку ENTER, чтобы подтвердить выбор. После этого можно перейти к работе с меню.При желании язык меню можно выбрать позже. ( → [ЯЗЫК] на стр. 58 , 70 ) ENTER EXIT M...
29 3. Проецирование изображения (основные операции) Выбор источника Выбор компьютера или источника видеосигнала ПРИМЕЧАНИЕ: Компьютер или иной источник видеосигнала, подключенный к компьютеру, должен быть включен. Выбор из списка источников Нажмите и сразу же отпустите кнопку SOURCE на корпусе про...
30 3. Проецирование изображения (основные операции) Регулировка размера и положения изображения Чтобы настроить размер и положение картинки, используйте ножку для регулирования наклона, функцию масштаби-рования или колесико “Фокус”. В этом разделе чертежи и кабели не указаны для большей ясности. Н...
31 3. Проецирование изображения (основные операции) Ножка для регулирова - ния наклона Рычаг ножки для регу - лирования наклона 2 1 Вверх Вниз Настройка ножки для регулирования наклона 1. Поднимите передний край проектора. ВНИМАНИЕ: Не дотрагивайтесь до выпускного вентиляционного отверстия во время ...
32 3. Проецирование изображения (основные операции) FO CU S FOCUS Масштабирование [NP610G/NP510G/NP410G/NP405G/NP310G/NP305G/NP510WG/NP410WG]Рычаг ZOOM используется для настройки размера изображения на экране. [NP610SG/NP510WSG]Размер изображения можно отрегулировать в меню электронным способом. Для...
33 3. Проецирование изображения (основные операции) FO CU S FOCUS Колесико Фокус 4. С помощью кнопки или настройте размер изображения. 5. По завершению настройки трижды нажмите кнопку EXIT. Меню закроется. Фокус [NP610G/NP510G/NP410G/NP405G/NP310G/NP305G/NP510WG/NP410WG]Колесико FOCUS использует...
34 3. Проецирование изображения (основные операции) Коррекция трапециевидного искажения Коррекция трапециевидного искажения Если экран наклонен в вертикальной плоскости, становится заметным трапециевидное искажение. Чтобы откоррек-тировать трапециевидное искажение, выполните следующие действия. ПР...
35 3. Проецирование изображения (основные операции) Настройка с помощью меню 1. Нажмите кнопку MENU. На экране отобразится меню. 2. Нажмите кнопку , выберите [ВКЛ.] и нажмите кнопку ENTER. Отобразится экран [ОБЩИЕ НАСТРОЙКИ]. 3. Нажмите кнопку и выберите пункт [ТРАПЕЦИЯ]. 4. Нажмите кнопку или...
36 3. Проецирование изображения (основные операции) Настройка при помощи функции Авто Осн Принцип Функция коррекции Авто Осн Принцип служит для коррекции вертикального трапециевидного искажения изображе-ния, проецируемого на экран. Никаких специальных действий не требуется. Просто разместите проекто...
37 3. Проецирование изображения (основные операции) Автоматическое обнаружение сигнала компьютера Настройка изображения с помощью кнопки Auto Adjust Автоматическая оптимизация изображения компьютера.Для выполнения автоматической оптимизации компьютерного изображения нажмите кнопку AUTO ADJ.Эта кор...
38 3. Проецирование изображения (основные операции) Выключение проектора Чтобы выключить проектор: 1. Нажмите на кнопку (POWER) на корпусе проектора или кнопку POWER OFF на пульте дистанционного управле-ния. Появится сообщение [ВЫКЛЮЧЕНИЕ / ВЫ УВЕРЕНЫ ? / СЕАНС СОКРАЩЕНИЯ ВЫБРОСА CO2]. 2. После эт...
39 3. Проецирование изображения (основные операции) По завершении использования Подготовка: Убедитесь, что питание проектора выключено. 1. Отсоедините силовой кабель. 2. Отсоедините остальные кабели. 3. Сложите ножку для регулирования наклона, если она была выдвинута. 4. Закройте объектив крышкой....
40 Отключение изображения и звука Нажмите кнопку AV-MUTE, чтобы отключить изображение и звук на корот-кое время. Повторное нажатие вернет изображение и звук. ПРИМЕЧАНИЕ: • Даже при выключенном изображении меню останется на экране.• Можно отключить звук, подаваемый из гнезда AUDIO OUT (стереофониче...
41 4. Функции удобства Описание Это значение установлено по умолчанию (100%-ая яркость). Выберите этот режим, чтобы продлить срок эксплуатации лампы (Яркость: прибл. 70% на моделях NP610G/NP510WG/NP410WG/NP610SG/NP510WSG и прибл. 80% на моделях NP510G/NP410G/NP310G/NP405G/NP305G). 2. Нажмите кнопку ...
42 4. Функции удобства Проверка энергосберегающего эффекта [ИЗМЕРЕНИЕ СО2] Эта функция покажет энергосберегающий эффект, выраженный уменьшением выброса CO2 (кг), когда [ЭКО РЕЖИМ] для проектора установлен в положение [ВКЛ.]. Эта функция называется [ИЗМЕРЕНИЕ CO2]. Возможны два сообщения: [УГЛЕРОДО...
43 4. Функции удобства Предупреждение несанкционированного использования про- ектора [БЕЗОПАСНОСТЬ] Можно установить пароль, чтобы предотвратить несанкционированное использование проектора. Каждый раз при включении проектора будет отображаться экран для ввода пароля. Проецирование изображения буде...
44 4. Функции удобства 7. Введите комбинацию из тех же самых четырех кнопок и нажмите кнопку ENTER. Откроется окно подтверждения. 8. Выберите [ДА] и нажмите кнопку ENTER. Функция БЕЗОПАСНОСТЬ активирована. Для включения проектора при включенной функции [БЕЗОПАСНОСТЬ]: 1. Нажмите кнопку POWER и ...
46 4. Функции удобства Использование дополнительного дистанционного приемника мыши (NP01MR) Дополнительный дистанционный приемник мыши позволяет управлять функциями компьютерной мыши с пульта дистанционного управления. Он очень удобен для просмотра презентаций, созданных на компьютере. Подключение...
47 4. Функции удобства Управление компьютерной мышью с пульта дистанционного управления Компьютерной мышью можно управлять с пульта дистанционного управления. Кнопка PAGE UP/DOWN: служит для прокручивания зоны просмотра окна, а также для перехода к предыдущему или следующему слайду в программе Power...
48 4. Функции удобства Настройка с помощью браузера HTTP (кроме NP405G и NP305G) Обзор Подключив проектор к сети, можно устанавливать настройки почтового предупреждения ( → стр. 50 ), а также управлять проектором при помощи компьютера в сети.Чтобы управлять проектором через веб-браузер, необходимо...
49 4. Функции удобства Параметры сети http://<IP-адрес проектора> /index.html DHCP ................................................В результате включения этой опции сервер DHCP автоматически назначает проектору IP-адрес. Отключение этой опции позволяет зарегистрировать IP-адрес или номер подсе...
50 4. Функции удобства Настройка почтового предупреждения http://<IP-адрес проектора>/lanconfig.html Благодаря этой опции, при использовании проводной ЛВС сообщение об ошибке доставляется на компьютер через электронную почту. Сообщение об ошибке будет доставлено, если срок службы лампы проекто...
51 4. Функции удобства 9 Использование кабеля передачи сигнала VGA для эксплуатации проек-тора (Виртуальный удаленный доступ) С помощью утилиты «Virtual Remote Tool» (на CD для проектора компании NEC) виртуальный пульт дистанционного управления (или панель инструментов) можно увидеть на мониторе ком...
52 4. Функции удобства Установка Virtual Remote Tool Подготовка:Перед установкой Virtual Remote Tool закройте все работающие программы. Если будет работать другая программа, инсталляция может не завершиться. Чтобы установить Virtual Remote Tool, учетная запись пользователя Windows должна быть с прав...
53 4. Функции удобства СОВЕТ: Установка Virtual Remote Tool Подготовка:Выйдите из Virtual Remote Tool перед установкой. Чтобы установить Virtual Remote Tool, учетная запись пользователя Windows должна быть с правами «Администратор» (Windows Vista и Windows 2000) или с правами «Администратор компьюте...
54 4. Функции удобства Шаг 3: Запустите Virtual Remote Tool 1 Нажмите два раза на пиктограмму на рабочем столе компьютера. При первом запуске программы Virtual Remote Tool, появится окно «Easy Setup». Следуйте указаниям на экранах. Когда установка «Easy Setup» закончится, появится окно Virtual Remot...
55 4. Функции удобства Выход из Virtual Remote Tool 1 Нажмите на пиктограмму Virtual Remote Tool на панели задач. На экране отобразится меню. 2 Нажмите на «Exit». Virtual Remote Tool закроется. Просмотр помощи к Virtual Remote Tool • Отображение помощи, используя панель задач. 1 Нажмите на пиктограм...
56 Использование меню ПРИМЕЧАНИЕ: Во время проецирования чересстрочного видеоизображения экранное меню может отображаться некорректно. 1. Для отображения меню нажмите кнопку MENU на пульте дистанционного управления или корпусе проек- тора. ПРИМЕЧАНИЕ: Такие команды, как ENTER, EXIT, , распол...
57 5. Использование экранного меню Элементы меню Окна меню и диалоговые окна обычно включают следующие элементы: Подсветка ...............................................Указывает выбранный пункт меню или параметр. Сплошной треугольник ..........................Указывает на возможность дальнейшего...
58 5. Использование экранного меню Пункты меню Некоторые пункты меню недоступны в зависимости от источника входящего сигнала. Пункт меню По умолчанию Опции ИСТ. КОМПЬЮТЕР1 * КОМПЬЮТЕР2(ЦИФРОВ.)* 1 * КОМПЬЮТЕР2(АНАЛОГОВ.)* 1 * ВИДЕО * S-ВИДЕО * НАСТР. ИЗОБРАЖЕНИЕ ПРЕДВАРИТ УСТАНОВКА * 1-6 ПОДРОБНЫЕ...
62 5. Использование экранного меню [ОБЩИЕ НАСТРОЙКИ]Сохранение Ваших пользовательских установок [ССЫЛКА] Данная функция позволяет сохранять Ваши пользовательские установки в [ПРЕДВАРИТ УСТАНОВКА 1] - [ПРЕДВАРИТ УСТА-НОВКА 6].Сначала выберите основной режим предварительных настроек в меню [ССЫЛКА], а...
64 5. Использование экранного меню [НАСТР. ИЗОБР] Настройка времени и фазы [ЧАСЫ/ФАЗА] Служит для ручной настройки параметров Часы и Фаза. ЧАСЫ .............................. Используйте данный параметр для точной настройки компьютерного изображения или удаления каких-либо вертикальных полос, которы...
65 5. Использование экранного меню Настройка горизонтального/вертикального положения [ГОРИЗОНТАЛЬНО/ВЕРТИКАЛЬНОЕ] Служит для настройки положения изображения по горизонтали и вертикали. - Во время настройки [ЧАСЫ] и [ФАЗА] может происходить искажение изображения. Это не является неисправно- стью. - У...
66 5. Использование экранного меню Выбор значения параметра [СООТНОШЕНИЕ СТОРОН] Термин “аспектное соотношение” обозначает соотношение ширины и высоты проецируемого изображения.Проектор автоматически определяет входящий сигнал и отображает его в соответствующем аспектном отношении.• В этой таблице о...
67 5. Использование экранного меню Пример изображения, когда автоматически определено правильное аспектное отношение NP610G/NP510G/NP410G/NP405G/NP310G/NP305G/NP610SG[Сигнал компьютера] Аспектное отношение входящего сигнала 4:3 5:4 16:9 15:9 16:10 Пример изображения, когда авто-матически определено ...
70 5. Использование экранного меню Настройка закрытого титра [ЗАКРЫТЫЙ ТИТР] С помощью этой опции можно настроить несколько режимов закрытого титра, которые обеспечивают наложение текста на изображение проектора в режимах Видео или S-Видео. ВЫКЛ. ............................. Выбор этого параметра п...
71 5. Использование экранного меню Переключение Вкл./Выкл. сообщения режима экономии [ЭКО СООБЩЕНИЕ] Если проектор включен - эта опция включает или выключает следующие сообщения. Сообщение режима экономии напоминает пользователю об экономии электроэнергии. Если выбрано [ВЫКЛ.] для [ЭКО РЕЖИМ], то по...
72 5. Использование экранного меню [УСТАНОВКА] Выбор ориентации проектора с помощью параметра [ОРИЕНТАЦИЯ] Служит для переориентировки изображения в соответствии с типом проецирования. Возможные опции: фронтальная со стола, тыльная с потолка, тыльная со стола и фронтальная с потолка. ФРОНТАЛЬНАЯ СО ...
73 5. Использование экранного меню Выбор значения параметра [СКОРОСТЬ КОММУНИКАЦИИ] Эта функция позволяет установить скорость передачи данных для компьютерного порта управления (D-Sub 9P). Он поддерживает скорость от 4800 до 19200 бит/с. Значение по умолчанию – 19200 бит/с. Выберите скорость передач...
77 5. Использование экранного меню Включение проектора с помощью сигнала компьютера [АВТО ВКЛ. ПИТ. (COMP1)] Если проектор находится в режиме ожидания, компьютерный сигнал с компьютера, подключенного к разъему входного сигнала COMPUTER1 IN, будет подаваться на проектор и одновременно проецировать ко...
78 5. Использование экранного меню Описания и функции меню [ИНФ.] Служит для отображения состояния текущего сигнала и времени использования лампы. Для настройки этого параметра четыре страницы (три страницы в моделях NP405G и NP305G). Информация приводится в следующем порядке: СОВЕТ: Нажатие кнопк...
81 6. Техническое обслуживание В данном разделе описаны простые процедуры по техническому обслуживанию, которых следует придерживаться при чистке фильтров и замене лампы. Чистка или замена фильтров Губка воздушного фильтра не позволяет частицам пыли и грязи попасть внутрь проектора, поэтому данный...
82 6. Техническое обслуживание 3. Повторно установите новую крышку фильтра (2 точки). • Вставьте крышку фильтра до щелчка. 4. Обнулите показания времени эксплуатации фильтра. Для переустановки времени эксплуатации фильтра выберите в меню пункт [ВОССТ.], а затем [СБРОС ВРЕМЕНИ НА-РАБОТКИ ФИЛЬТРА]. ( ...
83 6. Техническое обслуживание Чистка корпуса и объектива 1. Перед чисткой отключите электропитание устройства.2. Периодически очищайте корпус влажной тканью. При сильном загрязнении воспользуйтесь моющим средством. Ни в коем случае не используйте агрессивные моющие средства и растворители, в част...
84 6. Техническое обслуживание Замена лампы Когда срок службы лампы закончится, индикатор LAMP на корпусе будет мигать красным цветом. Хотя лампа еще может продолжать работать, для обеспечения оптимальных эксплуатационных характеристик проектора ее следует заменить. После замены лампы не забудьте ...
85 6. Техническое обслуживание 1. Снимите крышку лампы. (1) Открутите винт крышки лампы. • Винт крышки лампы не вынимается.(2) Надавите и снимите крышку лампы. 2. Снимите корпус лампы. (1) Отворачивайте два винта, удерживающих корпус лампы, пока крестообразная отвертка не начнет свободно прокручиват...
86 6. Техническое обслуживание 3. Установите новый корпус лампы. (1) Установите новый корпус лампы так, чтобы он вошел в разъем. ВНИМАНИЕ Не используйте других ламп, кроме запасной лампы NP07LP (NP610G/NP510WG/NP410WG/NP610SG/NP510WSG)/NP14LP (NP510G/NP410G/NP405G/NP310G/NP305G) производства NEC.Зак...
87 7. Приложение Устранение неисправностей Этот раздел поможет решить проблемы, которые могут возникать при подготовке к эксплуатации и в процессе эксплуатации проектора. Показания индикаторов Индикатор Power Состояние индикатора Состояние проектора Примечание Откл. Главный переключатель питания н...
89 7. Приложение Если изображение отсутствует или отображается неправильно. • Питание подается на проектор и ПК. Убедитесь, что проектор и ноутбук были подключены друг к другу, когда проектор находился режиме ожидания, а ноутбук был включен. В большинстве случаев сигнал, исходящий от ноутбука, не во...
90 7. Приложение Технические характеристики В данном разделе содержится техническая информация об эксплуатационных характеристиках проектора. Номер модели NP610G/NP510G/NP410G/NP405G/NP310G/NP305G/NP510WG/NP410WG Оптический NP610G/NP510G/NP410G/NP405G/NP310G/NP305G NP510WG/NP410WG ЖК-панель NP610G...
91 7. Приложение Потребляемый ток NP610G: 1,8 A NP510G/NP410G/NP310G/NP405G/NP305G: 1,5 A NP510WG/NP410WG: 1,8 A Потребление электроэнергии NP610G: 294 Вт ЭКО РЕЖИМ ВЫКЛ./228 Вт ЭКО РЕЖИМ ВКЛ. NP510G/NP410G/NP310G/NP405G/NP305G: 239 Вт ЭКО РЕЖИМ ВЫКЛ./195 Вт ЭКО РЕЖИМ ВКЛ. NP610G/NP510G/NP410G/NP310...
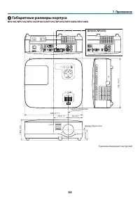
93 7. Приложение Механические характеристики Ориентация установки Фронтальная со стола, тыльная со стола, фронтальная с потолка, тыльная с потолка Габаритные размеры 12,1"(Ш) 5,4"(В) 11,9"(Г)/308 мм (Ш) 136 мм (В) 301 мм (Г) (размеры указаны без выступающих частей) Вес 7,28 фунта...
94 7. Приложение MENU EXIT ENTER STA TUS LAMP AUTO ADJ. SOURCE FOCUS 263 (10,4") 78 (3,1") 108,5 (4,3") 55,3 (2,2" ) 76 (3,0") 308 (12,1") Габаритные размеры корпуса NP610G/NP510G/NP410G/NP405G/NP310G/NP305G/NP510WG/NP410WG Центр объектива Центр объектива Единица измерения:...
96 7. Приложение Предназначение штырьков входного разъема D-Sub COMPUTER 15-штырьковый разъем D-Sub соединительного устройства Уровень сигналаВидеосигнал: 0,7 Vp-p (аналоговый)Сигнал синхронизации: Уровень TTL 5 1 4 2 3 10 11 12 13 14 15 6 9 7 8 ПРИМЕЧАНИЕ: для DDC/CI требуются 12 и 15 выводы. Сиг...
97 7. Приложение Перечень совместимых входных сигналов По горизонтали (строчные импульсы): от 15 до 100 КГц (RGB: 24 КГц или более)По вертикали: от 50 до 120 Гц Сигнал Разрешение (Точек) Частота по вертикали: (КГц) Скорость обновления (Гц) VIDEO NTSC - * 15,7 59,9 PAL - * 15,6 50,0 PAL60 - * 15,7 ...
98 7. Приложение Коды управления и кабельные соединения ПК Коды управления ПК Функция Кодирование данных ПИТАНИЕ ВКЛЮЧЕНО 02Н 00Н 00Н 00Н 00Н 02Н ПИТАНИЕ ОТКЛЮЧЕНО 02H 01H 00H 00H 00H 03H ВЫБОР ВХОДНОГО РАЗЪЕМА “COMPUTER 1” 02H 03H 00H 00H 02H 01H 01H 09H ВЫБОР ВХОДНОГО РАЗЪЕМА “COMPUTER 2” (цифро...
99 7. Приложение Не работают кнопки на корпусе проектора (только в моделях, в которых предусмо-трена функция [БЛОК. ПАНЕЛИ УПРАВЛ.]) Не включается или отключена в меню функция [БЛОК. ПАНЕЛИ УПРАВЛ.].По-прежнему нет никаких изменений, несмотря на то, что кнопка EXIT была нажата и удерживалась в течен...
100 7. Приложение В отведенном ниже месте подробно опишите возникшую проблему. Сигнальный кабель Стандартный кабель производства NEC или другого изготовителя? Номер модели: Длина: дюймов/метров Усилитель-распределитель Номер модели: Переключатель Номер модели: Адаптер Номер модели: Проектор ПК Проиг...
NEC Проекторы Инструкции
-
NEC L50W
Инструкция по эксплуатации
-
NEC L51W
Инструкция по эксплуатации
-
NEC LT280
Инструкция по эксплуатации
-
NEC LT380
Инструкция по эксплуатации
-
NEC M230X
Инструкция по эксплуатации
-
NEC M260W
Инструкция по эксплуатации
-
NEC M271X
Инструкция по эксплуатации
-
NEC M282X
Инструкция по эксплуатации
-
NEC M300X
Инструкция по эксплуатации
-
NEC M302WS
Инструкция по эксплуатации
-
NEC M303WS
Инструкция по эксплуатации
-
NEC M311W
Инструкция по эксплуатации
-
NEC M322H
Инструкция по эксплуатации
-
NEC M322X
Инструкция по эксплуатации
-
NEC M323W
Инструкция по эксплуатации
-
NEC M332XS
Инструкция по эксплуатации
-
NEC M333XS
Инструкция по эксплуатации
-
NEC M350X
Инструкция по эксплуатации
-
NEC M352WS
Инструкция по эксплуатации
-
NEC M353WS
Инструкция по эксплуатации