NEC NP1250 - инструкции и руководства
Проектор NEC NP1250 - инструкции пользователя по применению, эксплуатации и установке на русском языке читайте онлайн в формате pdf
Инструкции:
Инструкция по эксплуатации NEC NP1250
Краткое содержание
1-ое издание, апрель 2009 Сведения о беспроводной локальной сети USB: Проекторы серии NP3250/NP2250/NP1250/NP3250W поставляются с устройством беспроводной локальной сети USB в стандартной комплектации не во всех регионах и странах. При необходимости работы через беспроводное соединение с проектором ...
Важная информация Эта этикетка находится на боковой стороне пульта дистанционного управления. Этот знак находится в верхней части пульта дистан- ционного управления. Предостережения относительно безопасности Меры предосторожности Внимательно прочтите это руководство перед использованием проектора NE...
Важная информация Законодательство Европейского Союза, применимое в каждой стране-участнице, требует, чтобы исполь- зуемые электрические или электронные изделия, обозначенные указанным слева знаком, утилизирова- лись отдельно от обычных бытовых отходов. К таким изделиям относятся проекторы, их элект...
Важная информация Важные меры безопасности Эти инструкции по технике безопасности предназначены для обеспечения длительного срока службы проектора и предотвращения поражения электрическим током. Пожалуйста, внимательно прочитайте их и помните обо всех предостережениях. Установка • Не устанавливайте ...
v Важная информация Меры пожарной и электрической безопасности • Чтобы предотвратить накопление тепла внутри проектора, убедитесь, что он хорошо вентилируется и что венти- ляционные отверстия не заблокированы. Расстояние между проектором и стеной должно составлять не менее 4 дюймов (10 см). • Не дот...
v Информация о режиме работы на большой высоте • Если проектор используется на большой высоте (приблизительно 5500 футов/1600 метров или выше), установите для параметра [РЕЖИМ ВЕНТИЛЯТОРА] значение [БОЛЬШАЯ ВЫСОТА]. Если при использовании проектора на высоте приблизительно 5500 футов/1600 метров или...
v Важная информация Предостережения о безопасности при использовании оборудования беспроводной локальной сети В беспроводных локальных сетях для обмена данными между беспроводными точками доступа (компьютеры и т.д.) вместо кабелей используются радиоволны, которые обеспечивают преимущество свободного...
v Оглавление Важная информация ....................................................................................................i 1. Введение .................................................................................................................... 1 Комплектация ........................
x Оглавление Выключение проектора .......................................................................................................................................................... 34 После использования .......................................................................................
x Оглавление Проецирование данных с медиа сервера (Просмотр) .......................................................................................................... 77 Настройка «Общий доступ к файлам мультимедиа» в Проигрывателе Windows Media 11 ....................................... 77Подклю...
x Оглавление 8. Использование дополнительных объективов ........................................ 139 Таблица расстояний до проекции и размеров экрана для дополнительных объективов ................................................ 139 Регулируемый диапазон смещений объектива .........................
1. Введение Комплектация Убедитесь, что в комплект входит все перечисленное ниже. Если какие-либо элементы отсутствуют, обратитесь к торговому представителю. Пожалуйста, сохраните оригинальную коробку и упаковочные материалы на случай, если вам понадобится перевозить проектор. OFF VIDEO S-VID EO V...
1. Введение Ознакомление с проектором В этой главе приводится ознакомительная информация о проекторе NP3250/NP2250/NP1250/NP3250W, а также содер- жится описание его функций и элементов управления. Поздравляем с покупкой проектора! Модель NP3250/NP2250/NP1250 – это современный проектор с разрешение...
1. Введение • Возможно использование стандартных функций Сетевой проектор и Удаленный рабочий стол в операци- онной системе Windows Vista Можно управлять компьютером с операционной системой Windows Vista по сети при помощи проектора. Проектор поддерживает функции Сетевой проектор и Удаленный рабочий...
Переключатель питания После подключения силового кабеля, входящего в комп- лект поставки, в электрическую розетку и включения проектора с помощью переключателя питания индика- тор POWER загорается оранжевым цветом, и проектор переходит в режим ожидания. ( → стр. 23 ) LAM P STAT US POW ER ON /STAN D ...
1. Введение Нижняя часть Ручка для переноски Переноска проектора Всегда несите проектор за ручку. Прежде чем переносить проектор, убедитесь, что от него отсоединен силовой кабель и все остальные провода под- ключения к видеоисточнику. Во время переноски или хранения проектора закрывайте объектив кры...
1. Введение Блокировка ручки для переноски 1. Осторожно поставьте проектор на торец. 2. Нажав на фиксатор, вытащите ручку вверх. 3. Нажмите фиксатор слева и справа, чтобы поставить ручку на место. • Чтобы убрать ручку, снова нажмите фиксаторы слева и справа и опустите ручку вниз.
1. Введение Важнейшие функции 1. Кнопка POWER ( ) (ON / STAND BY) ( → стр. 23 , 34 ) ПРИМЕЧАНИЕ: Чтобы включить проектор, нажмите эту кнопку и удерживайте нажатой ее не менее 2 секунд. Для выключения проектора нажмите эту кнопку дважды. 2. Индикатор POWER ( → стр. 23 , 34 , 144 ) 3. Индикатор STATUS...
1. Введение Функции панели разъемов 1. Разъем COMPUTER 1 IN/Component (15-штырько- вый мини-разъем D-Sub) ( → стр. 14 , 16 ) AUDIO IN (Стереофоническое мини-гнездо) ( → стр. 14 , 15 , 17 ) 2. Разъемы COMPUTER 2 IN/Component (R/cr, G/Y, B/Cb, H, V) (BNC, 5 шт.) ( → стр. 14 ) AUDIO IN (Стереофоническо...
1. Введение Элементы пульта дистанционного управления 4. Светодиод Загорается при нажатии какой-либо кнопки. 5. Кнопка POWER ON ( → стр. 23 ) ПРИМЕЧАНИЕ: Чтобы включить проектор, нажмите эту кнопку и удерживайте нажатой ее не менее 2 секунд. 6. Кнопка POWER OFF ( → стр. 34 ) ПРИМЕЧАНИЕ: Для выключ...
0 1. Введение Установка элемента питания 1 Нажмите на фиксатор и сни- мите крышку, закрывающую элементы питания. 2 Установите новые элементы (AA). При установке элементов пита- ния соблюдайте их полярность (+/−). 3 Установите на место крышку и задвиньте ее до щелчка. ПРИМЕЧАНИЕ: Не используйте однов...
1. Введение Правила обращения с пультом дистанционного управления • Обращайтесь с пультом дистанционного управления бережно. • Если на пульт дистанционного управления попадет влага, немедленно вытрите его насухо. • Берегите пульт от чрезмерно высоких температур и влажности. • Не нагревайте элементы ...
В этом разделе описаны процедуры настройки проектора и подключения персональных компьютеров, видео- и аудио источников. 2. Установка и подключение Настройка экрана и проектора Выбор месторасположения [NP3250/NP2250/NP1250] Чем дальше от экрана или стены будет установлен проектор, тем большим будет...
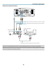
2. Установка и подключение Осуществление подключений Подключение ПК или компьютера Macintosh ПРИМЕЧАНИЕ: Подключать проектор к ноутбуку следует, когда проектор пребывает в режиме ожидания, а питание ноутбука отключено.В большинстве случаев сигнал, исходящий от ноутбука, воспринимается только при у...
WIRELESS USB(LAN) WIRELESS COMPUTER.3.(DVI-D).IN PHONE AUDIO.IN 2. Установка и подключение Во время просмотра цифрового сигнала DVI Для проецирования цифрового сигнала DVI необходимо подключить ПК к проектору с помощью кабеля передачи сигнала DVI (в комплект поставки не входит) перед тем, как будет ...
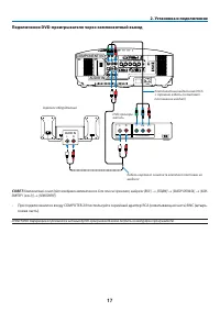
AUDIO IN WIRELESS USB(LAN) WIRELESS AUDIO OUT PHONE MONITOR OUT COMPUTER 1 IN ( или COMPUTER 2 IN / COMPONENT IN) 2. Установка и подключение Подключение внешнего монитора К проектору можно подключить отдельный внешний монитор для параллельного просмотра на мониторе проециру- емого аналогового или ко...
Подключение к сети Стандартна модель NP3250/NP2250/NP1250/NP3250W оснащена портом ЛВС (RJ-45), через который можно подключаться к локальной сети с помощью кабеля ЛВС. Подключение к беспроводной ЛВС можно осуществить также через USB-блок для подключения к беспроводной локальной сети. Для подключения ...
0 Пример подключения к ЛВС (A) Пример подключения к проводной локальной сети WIRELESS USB(LAN) WIRELESS LAN Сервер Концентратор Кабель ЛВС (в комплект поставки не входит) ПРИМЕЧАНИЕ: Используйте кабель ЛВС категории 5 или выше. 2. Установка и подключение (Б) Пример подключения к беспроводной локальн...
2. Установка и подключение Для того, чтобы наладить прямую связь между персональными компьютерами и проекторами (например, по типу передачи между равноправными узлами), необходимо выбрать режим Ad Hoc. Из меню выберите [ВКЛ.] → [УСТАНОВКА(2)] → [СЕТЕВЫЕ НАСТРОЙКИ] → [БЕСПРОВОДНОЙ] → [СЛОЖНОЕ] → [ПОД...
2. Установка и подключение Присоединение силового кабеля, входящего в комплект поставки Подсоедините к проектору силовой кабель, входящий в комплект поставки. Сначала вставьте трехштырьковый штепсель силового кабеля в разъем AC IN проектора, после чего подсоедините второй конец кабеля к электрическо...
OFF VIDEO S-VIDEO VIEWER NETWORK COMPUTER COMPONENT ON SELECT POWER POWER MENU ENT E R EXI T 3 1 2 USBLAMPSTATUSPOWER ON/STAND BY SOURCE AUTO ADJUST 3D REFORM 3. Проецирование изображения (основная операция) В этом разделе описано, как включить проектор и спроецировать изображение на экран. Включе...
OFF VIDEO S-VIDEO VIEWER NETWORK COMPUTER COMPONENT ON POWER POWER MENU ENT E R EXI T 3 1 2 SELECT 3. Проецирование изображения (основная операция) Примечание об экране запуска (экран выбора языка меню) После первого включения проектора отображается меню запуска. В нем можно выбрать для меню один из...
3. Проецирование изображения (основная операция) Выбор источника сигнала Выбор в качестве источника сигнала компьютера или видеооборудования Автоматическое обнаружение сигнала Нажмите и удерживайте кнопку SOURCE нажатой не менее 1 секунды; проектор бу- дет осуществлять поиск следующего доступного ...
3. Проецирование изображения (основная операция) Для настройки размера и положения изображения можно использовать лимбы для смещения объектива, рычаги ножки для регулирования наклона проектора, рычаг масштабирования и колесико focus. Регулировка размера и положения изображения LAM P STAT US POW ER...
3. Проецирование изображения (основная операция) Настройка положения проецируемого изображения • Поверните лимб для смещения объектива. LAM P STATU S POW ER ON/S TAND BY SOUR CE AUTO ADJU ST 3D R EFOR M SELEC T USB SELEC T LENS S HIFT LEFT RIGHT DOWN UP W IR E L E S S W IR E L E S S LENS SHIFT LEFT ...
3. Проецирование изображения (основная операция) Настройка фокуса (колечко Focus) • Для настройки фокуса поворачивайте колечко focus. Колесико Focus LAM P STAT US POW ER ON/S TAND BY SOUR CE AUTO ADJU ST 3D R EFOR M SELEC T USB LENS S HIFT LEFT RIGHT DOWN UP W IR E L E S S W IR E L E S S LENS RELEAS...
Настройка ножки для регулирования наклона 1. Поднимите передний край проектора. ВНИМАНИЕ: Не дотрагивайтесь до выпускного вентиляционного отверстия во время настройки ножки для регулирования наклона, поскольку после включения проектор нагревается и продолжает оставаться нагретым во время периода охл...
0 1. Нажмите кнопку 3D REFORM на проекторе или пульте дистанцион- ного управления. На дисплее отобразится экран Основной принцип. 2. Нажмите кнопку SELECT , чтобы выбрать [ВЕРТИКАЛЬНОЕ] и затем с помощью кнопок SELECT или добейтесь параллельности левой и правой сторон проецируемого изображения...
3. Проецирование изображения (основная операция) Автоматическая оптимизация цветовых оттенков изображения Настройка изображения с помощью кнопки Auto Adjust Автоматическая оптимизация цветовых оттенков изображения. Для выполнения автоматической оптимизации цветовых оттенков изображения нажмите кно...
3. Проецирование изображения (основная операция) Использование лазерной указки Лазерная указка служит для привлечения внимания аудитории к красной точке, которую можно направить на любой предмет. ВНИМАНИЕ: • Не смотрите на лазерную указку, когда она включена. • Не направляйте лазерный луч на людей...
OFF VIDEO S-VIDEO VIEWER NETWORK COMPUTER COMPONENT ON SELECT POWER POWER MENU ENT E R EXI T 3 1 2 Выключение проектора Чтобы выключить проектор: 3. Проецирование изображения (основная операция) 1. Нажмите на кнопку POWER (ON/STAND BY) на корпусе проектора или кнопку POWER OFF на пульте дистанцион...
FREEZE PIP LASER 3D REFORM AUTO ADJ. ASPECT HELP PICTURE PIC-MUTE LAMP MODE R-CLICK L-CLICK MOUSE VOLUME MAGNIFY PAGE UP DOWN NTER EXI T PIC-MUTE LASER 3D REFORM AUTO ADJ. ASPECT HELP PICTURE LAMP MODE R-CLICK L-CLICK MOUSEFREEZE PIP VOLUME MAGNIFY PAGE UP DOWN NTER EXI T 4. Функции удобства Отклю...
4. Функции удобства OFF VIDEO S-VIDEO VIEWER NETWORK COMPUTER COMPONENT ON SELECT POWER POWER MENU 3 1 2 ENT ER EXI T Использование встроенной справочной информации Справочная информация доступна на английском, не- мецком и японском языках. 1. Нажмите кнопку HELP на пульте дистанционного управлени...
Работа с меню с помощью USB-мыши Курсор мыши При подключении к проектору USB-мыши на экране появится курсор. Если USB-мышью не пользуются в течение 10 секунд, курсор исчезнет. Настройка и регулировка дисплея Для выполнения настройки и регулировки можно выбрать какой-либо пункт меню и щелкнуть по нем...
4. Функции удобства Использование дополнительного дистанционного приемника мыши (NP01MR) Дополнительный дистанционный приемник мыши позволяет управлять функциями компьютерной мыши с пульта дистанционного управления. Он очень удобен для просмотра презентаций, созданных на компьютере. Подключение ди...
4. Функции удобства Управление компьютерной мышью с пульта дистанционного управления Компьютерной мышью можно управлять с пульта дистанционного управления. Кнопка PAGE UP/DOWN ...................................служит для прокручивания зоны просмотра окна, а также для перехода к предыдущему или след...
0 Коррекция горизонтального и вертикального трапециевидного искажения [КРАЕУГОЛЬНАЯ] Функция 3D Reform используется для коррекции трапециевидного искажения, т.е. для удлинения или укорачивания верхнего/нижнего и правого/левого края изображения, чтобы оно стало прямоугольным. 4. Функции удобства Пр...
4. Функции удобства * Максимальный угол можно получить при следующих условиях: • Используется стандартный объектив• Объектив смещен в центр Если объектив смещен, однако изображение все равно не отображается по центру, диапазон настройки можно увеличить или уменьшить. • Изображение проецируется в реж...
4. Функции удобства 9 Одновременно показывает два изображения В данном проекторе имеется функция, которая позволяет просматривать одновременно два разных сигнала. Вы имеете два режима: Режим PIP (картинка в картинке) и режим Параллельно. Из меню можно выбрать [ВКЛ.] → [ОСНОВНОЙ] → [PIP/SIDE BY SIDE]...
4. Функции удобства Просмотр двух изображений 1. Нажмите кнопку PIP на пульте дистанционного управления. Будет показан экран источников [PIP/SIDE BY SIDE ИСТ.]. 2. С помощью кнопки SELECT или выберите источник и нажмите кнопку ENTER. Будет показан экран КАРТИН. В КАРТ.(PIP) или ПАРАЛЛЕЛЬНО в зав...
4. Функции удобства Проверка состояния функции безопасности Чтобы узнать состояние функции безопасности, выключите и снова включите проектор. 1. Нажмите кнопку POWER (ON/STANDBY). Появится сообщение [ВЫКЛЮЧЕНИЕ / ВЫ УВЕРЕНЫ?]. После этого нажмите кнопку ENTER или повторно нажмите кнопку POWER (ON/ST...
Отмена защиты 1. Нажмите кнопку MENU. На экране отобразится меню. ПРИМЕЧАНИЕ: Сразу после включения проектора и отображения сообщения «Проектор заблокирован! Введите свой пароль.» внизу экрана при нажатии кнопки MENU будет отображен экран для ввода пароля. На данном этапе при нажатии кнопки MENU буд...
0 4. Функции удобства Ограничение доступа к некоторым пунктам меню Функция «Учетная запись» служит для управления доступом к пунктам меню в зависимости от уровня пользователя. У проектора имеется два уровня меню: СЛОЖНОЕ меню и ОСНОВНОЕ меню. СЛОЖНОЕ меню ............. В этом меню содержатся все д...
4. Функции удобства Создание или добавление нового пользователя 1. Из меню выберите [ВКЛ.] → [УСТАНОВКА(2)] → [НАСТРОЙКИ БЕЗОПАСНОСТИ]. 2. Выберите [УЧЕТНАЯ ЗАПИСЬ]-[УСТАНОВКИ]. Отобразится экран [УЧЕТНАЯ ЗАПИСЬ]. 3. Выберите [СОЗДАТЬ]. Отобразится экран [УЧЕТНАЯ ЗАПИСЬ] для создания учетной записи....
4. Функции удобства Редактирование пользователя (изменение установок учетной записи) 1. Из меню выберите [ВКЛ.] → [УСТАНОВКА(2)] → [НАСТРОЙКИ БЕЗОПАСНОСТИ]. ПРИМЕЧАНИЕ: мы рекомендуем, чтобы изменением установок учетных записей занимался пользователь с учетной записью АДМИНИСТРАТОР. 2. Выберите [УЧЕ...
L Работа с помощью браузера HTTP Обзор Благодаря функциям сервера HTTP можно управлять проектором через веб-браузер, не устанавливая специальное программное обеспечение. Используйте веб-браузер «Microsoft Internet Explorer 6.x» или более поздней версии. (В данном устройстве используется язык JavaScr...
Структура сервера HTTP POWER: служит для управления питанием проектора. ON .................................................. Питание включено. OFF ................................................ Питание выключено. LOGOFF: позволяет выйти из системы и вернуться к экрану входа в систему. VOLUME: слу...
SOURCE SELECT: служит для переключения входных разъемов проектора. COMPUTER1 ............................... Переключение на разъем COMPUTER 1 IN. COMPUTER2 ............................... Переключение на разъем COMPUTER 2 IN. COMPUTER3 ............................... Переключение на разъем COMPUTER...
M Проецирование изображения с экрана компьютера через проектор по сети [СЕТЕВОЙ ПРОЕКТОР] Компьютером, основанным на Windows Vista, можно управлять по сети с помощью проектора. Проектор поддерживает функцию Сетевой проектор Windows Vista. Выбрав проектор, подключенный к той же сети, что и компьютер,...
4. Функции удобства 4. С помощью ползунка [Разрешение] измените разрешение на [РАЗРЕШЕНИЕ ЭКРАНА] экрана СЕТЕВОЙ ПРО- ЕКТОР. 5. Выберите [OK]. Отобразится сообщение «Хотите сохранить эти параметры?». 6. Выберите [Да]. Разрешение экрана Windows Vista изменено на [РАЗРЕШЕНИЕ ЭКРАНА], отображенное на э...
4. Функции удобства 7. Посмотрите, какой пароль отображен на экране, спроецированном проектором.8. Введите пароль в поле ввода пароля, которое откроется после выполнения шага 3 на стр. 57. 9. Выберите [Подключить]. Запустится функция сетевого проектора, и откроется экран Windows Vista. • Если в случ...
0 LAM P STATU S POW ER ON/ST AND BY SOU RCE AUTO ADJUS T 3D REFOR M SELEC T USB SELEC T L E N S S H IF T L E F T R IG H T D O W N U P W IREL ESS W IR E L E S S 4. Функции удобства N Управление компьютером по сети с помощью проектора [УДАЛЕН- НЫЙ РАБОЧИЙ СТОЛ] • Выбрав компьютер, подключенный к той ж...
4. Функции удобства 4. Выберите пункт [Просмотр состояния], отображаемый в окне синим цветом справа от пункта [Подклю- чение по локальной сети]. Откроется окно [Состояние - Подключение по локальной сети]. 5. Выберите [Сведения...]. Запишите значение, которое отобразится для «IPv4: IP-адрес» (xxx.xxx...
Завершение работы с удаленным рабочим столом 1. С помощью беспроводной клавиатуры нажмите [Пуск] на экране рабочего стола, проецируемом проекто- ром. 2. Нажмите [X] в меню «Пуск» справа. Работа функции удаленного рабочего стола завершится. 3. С помощью кнопки SOURCE на проекторе выберите разъем вход...
5. Использование функции «Просмотр» Оптимальное использование функции «Просмотр» Функции С помощью функции Просмотр можно просматривать слайды или видео файлы, сохраненные на запоминающем уст- ройстве USB проектора или в папке с общим доступом на компьютере, подключенном к сети. Функция ПРОСМОТР о...
5. Использование функции «Просмотр» Поддерживаются видео файлы Метод сжатия/декодирования Расширение файла MPEG2 MP@ML .mpg Windows Media Video 9 .wmv ПРИМЕЧАНИЕ:• Видео файл размером больше, чем 720 × 576 пикселей (ширина × высота) воспроизводиться не будет.• Видео файлы, преобразованные при помощи...
5. Использование функции «Просмотр» Управление функцией «Просмотр» с проектора (воспроизведение) В данном разделе описан порядок работы по показу созданных слайдов или файлов фильмов. Проецирование слайдов («Просмотр») Подготовка: Сохраните файлы в формате JPEG или BMP (файлы в формате JPEG, BMP, ...
5. Использование функции «Просмотр» Показ фильма Подготовка: Сохраните файлы MPG на вставленном в компьютер запоминающем устройстве USB. Для отображения фильма 1. Нажмите кнопку SOURCE для выбора [ПРОСМОТР]. Появится окно функции «Просмотр». (В соответствии с заводской стандартной установкой, на экр...
5. Использование функции «Просмотр» ПРИМЕЧАНИЕ:• Появится символ [ ], если файл невозможно отобразить на экране миниатюр.• Появится символ «MPG» или «WMV», если файл невозможно отобразить на экране миниатюр. Подсветка ...............................................Указывает на то, что данная папка и...
0 5. Использование функции «Просмотр» Настройка опции для функции «Просмотр» РЕЖИМ ВОСПРОИЗВЕДЕНИЯ: РУЧНОЙ РЕЖИМ ............. Служит для выбора слайдов вручную, когда в качестве источника сигнала указана функция «Просмотр».АВТО ............................... Служит для автоматического воспроизведе...
Меню МИНИАТЮРЫ Меню МИНИАТЮРЫ появляется после нажатия кнопки MENU на пульте дистанционного управления или корпусе проектора. Чтобы закрыть меню МИНИАТЮРЫ, нажмите кнопку EXIT. Меню МИНИАТЮРЫ содержит следующие команды: ВОСПРОИЗВЕДЕНИЕ ............. Воспроизведение в автоматическом или ручном режиме...
5. Использование функции «Просмотр» Изменение логотипа фона С помощью функции «Просмотр» можно изменить логотип, отображаемый на фоне по умолчанию. ПРИМЕЧАНИЕ: Файл с логотипом должен иметь размер 256кб или меньше. Максимальное разрешение файла составляет 1024 × 768 в моделях NP3250/NP2250/NP1250 ...
5. Использование функции «Просмотр» Проецирование данных из папки общего пользования (Просмотр) Подготовка Проектора: Подсоедините проектор к локальной сети. Компьютера: Поместите файлы для проецирования в папку совместного пользования и запомните путь к папке. Запомните или запишите путь к папке ...
5. Использование функции «Просмотр» 2. Выберите «СЕТЬ» с левой стороны экрана пиктограмм и нажмите кнопку MENU. Отобразится меню пиктограмм. Недоступные символы отображены серым цветом.• Чтобы закрыть экран пиктограмм, нажмите кнопку EXIT. 3. Выберите [ПОДКЛЮЧИТЬ] из меню пиктограмм и нажмите кнопку...
5. Использование функции «Просмотр» Отображение изменений папки совместного доступа на экране пиктограмм. Если изменения касающиеся папки совместного доступа произошли после того, как проектор был подключен, используйте эту опцию для отображения обновленной информации на экране пиктограмм. 1. Нажмит...
5. Использование функции «Просмотр» Проецирование данных с медиа сервера (Просмотр) Подготовка Проектора: Подсоедините проектор к локальной сети. Компьютера: Подготовьте графические файлы или видео-файлы для проецирования и настройте «Общий доступ к файлам мультимедиа» в Проигрывателе Windows Medi...
5. Использование функции «Просмотр» 3. Выберите флажок «Открыть общий доступ к моим файлам мультимедиа» и затем выберите ОК. Появится список доступных устройств. 4. Выберите «NP3250 Series» и затем «Разрешить». К значку «NP3250 Series» будет добавлен флажок.• Название проектора «NP3250 Series» задан...
5. Использование функции «Просмотр» Подключение проектора к медиа серверу Нажмите на кнопку VIEWER на дистанционном управлении. Запустится ПРОСМОТР. • Вы также можете запустить ПРОСМОТР, нажав несколько раз на проекторе кнопку SOURCE. ( → стр. 25 ) • Если открыт общий доступ к медиафайлам компьютера...
0 Использование меню 1. Для отображения меню нажмите кнопку MENU на пульте дистанционного управления или корпусе проек- тора. ПРИМЕЧАНИЕ: Такие команды, как , ВВОД, ВЫХОД, расположенные в нижней части, отображают доступные для работы кнопки. 2. Для отображения подменю нажимайте кнопки SELECT ...
6. Использование экранного меню Использование СЛОЖНОГО и ОСНОВНОГО меню У проектора имеется два уровня меню: СЛОЖНОЕ меню и ОСНОВНОЕ меню. СЛОЖНОЕ меню ............. В этом меню содержатся все доступные меню и команды. К СЛОЖНОМУ меню могут иметь доступ пользователи с учетными записями АДМИНИСТРАТОР...
Дерево меню Меню Пункты меню ИСТ. КОМПЬЮТЕР 1, КОМПЬЮТЕР 2, КОМПЬЮТЕР 3, КОМПОНЕНТ, ВИДЕО, S-ВИДЕО, ПРОСМОТР, СЕТЬ, СПИСОК ВВОДА НАСТР. ИЗОБРАЖЕНИЕ РЕЖИМ СТАНДАРТНЫЙ, ПРОФЕССИОНАЛЬНЫЙ ПРЕДВАРИТ УСТАНОВКА 1 до 7 ПОДРОБНЫЕ УСТАНОВКИ ОБЩИЕ НАСТРОЙКИ ССЫЛКА ВЫС. ЯРК, ПРЕЗЕНТАЦИЯ, ВИДЕО, ФИЛЬМ, ГРАФИКА...
Элементы меню Линейка с ползунком Сплошной треугольник Подсветка Селективная кнопка Кнопка-флажок Кнопка «Отмена» Кнопка ОК Окна меню и диалоговые окна обычно имеют такие элементы: Подсветка .......................................Указывает выбранный пункт меню или параметр. Сплошной треугольник .....
6. Использование экранного меню НАЗВАНИЕ ИСТОЧНИКА: Служит для ввода названия сигнала. Можно ввести до 18 букв и цифр. ВХОДНАЯ КЛЕММА: Служит для изменения входной клеммы. ЗАМКНУТЬ: Служит для установки невозможности удаления данного сигнала при выборе опции [УДАЛИТЬ ВСЁ]. После выбора [ЗАМКНУТЬ] из...
6. Использование экранного меню [ПОДРОБНЫЕ УСТАНОВКИ] Данная функция предоставляет две страницы меню с более подробными установками. [ОБЩИЕ НАСТРОЙКИ] Выбор параметра ссылки [ССЫЛКА] Благодаря этой функции значения коррекции цвета или гаммы можно использовать в качестве справочных данных для оптимиз...
6. Использование экранного меню [НАСТР. ИЗОБР] Настройка времени и фазы [ЧАСЫ/ФАЗА] Служит для ручной настройки параметров ЧАСЫ и ФАЗА. ЧАСЫ .............................. Используйте этот параметр для точной настройки компьютерного изображения или удаления каких-либо вертикальных полос, которые мог...
6. Использование экранного меню Выбор аспектного отношения [AСПЕКТНОЕ ОТНОШЕНИЕ] Тип экрана – ЭКРАН 4:3 (ВИДЕО) Тип экрана – ШИРОКИЙ ЭКРАН (ВИДЕО) RGB Параметр Aспектное Отношение позволяет выбрать наилучший формат для отображения исходного изображения. Если выбрать для источника тип экрана ЭКРАН 4:...
6. Использование экранного меню [NP3250/NP2250/NP1250] ВИДЕО НАПОЛНЕНИЕ 4:3 ФОКУС СЖАТИЕ ПОЧТОВЫЙ ЯЩИК ПОЧТОВЫЙ ЯЩИК ПОЧТОВЫЙ ЯЩИК ОКНО 4:3 4:3 4:3 ШИРОКИЙ ЭКРАН ШИРОКИЙ ЭКРАН AСПЕКТНОЕ ОТНОШЕНИЕ ЭКРАН 4:3 AСПЕКТНОЕ ОТНОШЕНИЕ ШИРОКИЙ ЭКРАН Уст рой ств о вв ода Си гнал RGB AСПЕКТНОЕ ОТНОШЕНИЕ AСПЕКТН...
[ВИДЕО] Использование функции [СНИЖЕНИЕ ШУМА] Эта функция позволяет уменьшить зашумленность видеоизображения. СНИЖЕНИЕ СЛУЧАЙНОГО ШУМА.............Служит для снижения дрожания изображения. СНИЖЕНИЕ ШУМОВ ВИДЕО .....................Снижает уровень шумов, которые появляются по краям изображения во вре...
6. Использование экранного меню [АУДИО] Управление звуком [ГРОМКОСТЬ/НЧ/ВЧ/БАЛАНС] Служит для регулировки громкости, уровня НЧ и ВЧ, левого и правого баланса динамика проектора и гнезда AUDIO OUT (стереофоническое мини-гнездо). СОВЕТ: [ГРОМКОСТЬ]• Если на экране нет никаких меню, то кнопки SELECT ...
6. Использование экранного меню Описание и функции меню [ВКЛ.] [ОСНОВНОЙ] Выбор режима коррекции трапециевидного искажения [Основной принцип] С помощью этой функции можно корректировать трапециевидное искажение. При выборе этого пункта отображается меню параметров коррекции трапециевидного искажен...
6. Использование экранного меню Выбор режима краеугольной коррекции [КРАЕУГОЛЬНАЯ] С помощью этой опции можно корректировать трапециевидное искажение. При выборе этого пункта отображается экран краеугольной коррекции. ( → стр. 40 ) ПРИМЕЧАНИЕ: Когда выбраны пункты [ОСН ПРИНЦИП] или [ГЕОМЕТР. КОРРЕКЦ...
00 6. Использование экранного меню использование функции коррекции цвета стены [ЦВЕТ СТЕНЫ] С помощью этой функции осуществляется быстрая коррекция цвета с целью адаптации изображения к экрану, чей цвет отличен от белого. Выбор обычного или экономичного режима лампы [РЕЖИМ ЛАМПЫ] Эта функция позволя...
0 6. Использование экранного меню использование таймера выключения [ВЫКЛ ТАЙМЕР] 1. Выберите подходящее время от 30 минут до 16 часов: ВЫКЛ., 0:30, 1:00, 2:00, 4:00, 8:00, 12:00, 16:00.2. Нажмите кнопку ENTER на пульте дистанционного управления.3. Оставшееся время отсчитывается в обратном порядке.4....
0 6. Использование экранного меню Установите новый таймер программы 1. В окне ТАЙМЕР ПРОГРАММЫ, используя кнопку SELECT или , выберите пункт [УСТАНОВКИ], а затем нажмите кнопку ENTER. Откроется окно [СПИСОК ПРОГРАММ]. ПРИМЕЧАНИЕ: Если таймер программ включен, изменить настройки окна [СПИСОК ПРОГ...
0 4. Выберите [ОК] и нажмите кнопку ENTER. Настройка будет завершена. Снова откроется окно [СПИСОК ПРОГРАММ]. ПРИМЕЧАНИЕ: • Можно запрограммировать до 30 различных установок таймера.• Таймер программы работает на основе установленного времени, а не на основе программы.• Если программа, для которой н...
0 Удаление программ 1. В окне [СПИСОК ПРОГРАММ] выберите номер программы, которую нужно удалить, а затем нажмите кнопку SELECT . 2. Нажмите кнопку SELECT , чтобы выбрать пункт [УДАЛЕНИЕ]. 3. Нажмите кнопку ENTER. Откроется окно подтверждения. 4. Выберите [ДА] и нажмите кнопку ENTER. Программа бу...
0 Выход из системы проектора [ВЫХОД ИЗ СИСТЕМЫ] С помощью этой функции можно выйти из системы проектора, не выключая его. Благодаря выходу из системы предупреждается работа с проектором пользователей без права доступа. Для выхода из системы проектора выполните следующие шаги. 1. Нажмите кнопку MENU ...
0 6. Использование экранного меню [МЕНЮ] Выбор значения параметра [ВЫБОР ЦВЕТА] Для цвета меню возможны две опции: цветной и монохромный. Включение/выключение функций [ДИСПЛЕЙ ИСТОЧНИКА], [ИНДИКАТОР СООБЩЕНИЯ], [ДИСПЛЕЙ ВРЕМЕНИ], [ДИСПЛЕЙ ID] ДИСПЛЕЙ ИСТОЧНИКА ....................Эта опция служит дл...
0 6. Использование экранного меню [УСТАНОВКА(1)] Выбор ориентации проектора с помощью параметра [ОРИЕНТАЦИЯ] Служит для переориентировки изображения в соответствии с типом проецирования. Имеет такие опции: фронтальная со стола, тыльная с потолка, тыльная со стола и фронтальная с потолка. ФРОНТАЛЬНАЯ...
0 6. Использование экранного меню Использование компенсации нескольких экранов [MULTI-SCREEN COMP.] Данная функция позволяет совмещать изображения проецируемые с нескольких параллельных проекторов. РЕЖИМ ........................... ВЫКЛ: Выключает эту функцию и возвращает к обычной яркости экрана. В...
0 6. Использование экранного меню [УСТАНОВКА(2)] [СЕТЕВЫЕ НАСТРОЙКИ] Благодаря этой функции можно устанавливать различные настройки при использовании проектора в сети. ВНИМАНИЕ • Обратитесь за этими настройками к администратору сети.• Проекторы серии NP3250/NP2250/NP1250/NP3250W поставляются с устро...
6. Использование экранного меню Для получения сообщений об ошибках или информации о времени до конца службы лампы по электронной почте: 1. На вкладке [ПОЧТА] выберите [ПОЧТОВОЕ ПРЕДУПРЕЖДЕНИЕ] и нажмите кнопку ENTER. Будет установлен флажок. 2. Установите [АДРЕС ОТПРАВИТЕЛЯ], [НАЗВАНИЕ СЕРВЕРА SMTP]...
[НАЗВАНИЕ ПРОЕКТОРА] Укажите уникальное название проектора. Нажмите , чтобы отобразить виртуальную клавиатуру, и введите назва-ние. Можно использовать до 16 буквенно-цифровых символов, знаков и символов. Введя название, выберите [ОК] и нажмите кнопку ENTER. ПРИМЕЧАНИЕ: На [НАЗВАНИЕ ПРОЕКТОРА] не пов...
6. Использование экранного меню [ПРОВОДНАЯ] ПРОФИЛИ (для порта LAN [RJ-45]): В памяти проектора можно хранить до двух настроек порта LAN (RJ-45). Выберите [ПРОФИЛЯ 1] или [ПРОФИЛЯ 2], а затем установите настройки для [DHCP] и других опций. Сделав это, выберите [ОК] и нажмите кнопку ENTER. Это позвол...
6. Использование экранного меню [СЛОЖНОЕ] меню [ПОДКЛЮЧЕНИЕ] (необходимо только для беспроводной сети) ОБЗОР САЙТА: Отображает список доступных идентификаторов SSID для беспроводной ЛВС. Выберите идентификатор SSID, к которому имеется доступ. Чтобы выбрать SSID, выделите [SSID], с помощью кнопки SEL...
6. Использование экранного меню [БЕЗОПАСНОСТЬ] (необходимо только для беспроводной сети) ТИП ЗАЩИТЫ Выберите режим шифрования для безопасной передачи. Когда в поле [ТИП ЗАЩИТЫ] выбрана позиция [WEP] или [ВЫКЛЮЧИТЬ]: Выберите эту опцию независимо от того, используется ли для шифрования ключ WEP (безо...
6. Использование экранного меню Использование виртуальной клавиатуры для ввода ключа шифрования 1. Выберите один из ключей – [КЛЮЧ 1], [КЛЮЧ 2], [КЛЮЧ 3] или [КЛЮЧ 4] – и нажмите кнопку ENTER. Отобразится виртуальная клавиатура. 2. С помощью кнопки SELECT выберите один ключ и нажмите кнопку ENT...
6. Использование экранного меню [ПОЧТА] ПОЧТОВОЕ ПРЕДУПРЕЖДЕНИЕ: Установка этого флажка включает функцию «Почтовое предупреждение». Благодаря этой опции, при использовании проводной или беспроводной ЛВС сообщение об ошибке доставляется на компьютер через электронную почту. Сообщение об ошибке будет ...
0 6. Использование экранного меню [ВВОД] Для назначения пароля: ПРИМЕЧАНИЕ: можно назначить до 10 буквенно-цифровых символов. 1. Введите пароль. Выберите поле ввода [ВВЕДИТЕ ПАРОЛЬ] и нажмите кнопку ENTER. ( → стр. 81 ) Отобразится звездочка. Появится виртуальная клавиатура. С помощью виртуальной кл...
6. Использование экранного меню [БЕЗОПАСНОСТЬ] Функция безопасности позволяет защитить проектор таким образом, чтобы сигнал не проецировался без ввода паро- ля. Также существует возможность заблокировать проектор с помощью зарегистрированной памяти USB* в качестве ключа защиты. После регистрации пам...
6. Использование экранного меню Для регистрации устройства памяти USB в качестве ключа защиты. Подготовка: Вставьте устройство памяти USB в порт USB (тип А) проектора. 1. С помощью кнопки SELECT или выберите [ИСПОЛЬЗУЙТЕ ЗАЩИТНЫЙ КЛЮЧ] и нажмите кнопку ENTER. 2. С помощью кнопки SELECT или в...
6. Использование экранного меню • До момента отключения питания (путем перевода главного переключателя питания в положение «О» или отсоединения силового кабеля) функция безопасности блокируется. Проверить защитный ключ или ввести пароль вас попросят в следующих случаях:(1) Если после выбора значения...
6. Использование экранного меню Установка идентификатора проектора [КОНТРОЛЬ ID] ПРИМЕЧАНИЕ: Эта функция доступна только в том случае, если используется дополнительный пульт дистанционного управления (NP02RC). Данная функция не будет работать, если дистанционный пульт поставляется в комплекте с прое...
6. Использование экранного меню [ОПЦИИ] Установка значения параметра [АВТО НАСТРОЙКА] С помощью этой функции можно установить режим Авто Настройка, при котором можно автоматически или вручную корректировать шум и стабильность изображения RGB. Автоматическая настройка может выполняться в двух режимах...
6. Использование экранного меню Включение функции [АВТО ВЫКЛ. ПИТАНИЯ] Когда включена эта опция, можно установить автоматическое выключение проектора (через указанное время — 5 мин., 10 мин., 20 мин., 30 мин.), если на всех входах сигнал отсутствует. Выбор высокоскоростного режима вращения вентилято...
6. Использование экранного меню Выбор параметра [ЦВЕТОВАЯ СИСТЕМА] Эта функция позволяет выбирать стандарты видеосигналов вручную. Обычно выбирают [АBTO]. Выберите стандарт видеосигнала из раскрывающегося меню. Для разъемов Video и S-Video эта операция должна выполняться отдельно. Настройка разъема ...
6. Использование экранного меню Описания и функции меню [ИНФ.] Служит для отображения количества часов работы лампы, состояния текущего сигнала и настроек, а также настроек и версии СЕТИ. Информация приводится в следующем порядке: [ВРЕМЯ ИСПОЛЬЗОВАНИЯ] ОСТАТОЧН. РЕСУРС ЛАМПЫ (%) НАРАБОТКА ЛАМПЫ (H...
6. Использование экранного меню Описания и функции меню [ВОССТ.] Возврат заводских значений параметров Функция восстановления позволяет вернуть настройкам и установкам их заводские стандартные значения для ис- точников следующим образом: [ТЕКУЩИЙ СИГНАЛ] Возвращает настройкам текущего сигнала пред...
7. Техническое обслуживание В данном разделе описаны простые процедуры по техническому обслуживанию, которых следует придерживаться при чистке фильтров и замене лампы. Чистка или замена фильтра Губка воздушного фильтра не позволяет частицам пыли и грязи попасть внутрь проектора, поэтому данный эле...
7. Техническое обслуживание 2. Аккуратно отделите фильтр (губку) и замените его новым фильтром. 3. Повторная установка крышки фильтра. • Установите крышку фильтра на место и задвиньте ее до щелчка. 4. Подключите силовой кабель, входящий в комплект поставки, включите главный переключатель питания и в...
Замена лампы Когда срок службы лампы закончится, индикатор LAMP на корпусе будет мигать красным цветом. Хотя лампа еще может продолжать работать, для обеспечения оптимальных эксплуатационных характеристик проектора ее следует заменить. После замены лампы не забудьте обнулить счетчик часов работы л...
7. Техническое обслуживание 2. Отворачивайте два винта, удерживающих корпус лампы, пока крестообразная отвертка не начнет сво- бодно прокручиваться. Эти два винта не вынимаются. Возьмитесь за корпус лампы и снимите его. ПРИМЕЧАНИЕ: На кожухе находится блокировочное устройство, предохраняющее от пора...
LAM P STATUS POWER ON/STAND BY USB UP 1 2 LAM P STAT US POW ER ON/S TAND BY CE USB 7. Техническое обслуживание 5. Подключите силовой кабель, входящий в комплект поставки, включите главный переключатель питания и включите проектор. 6. И, наконец, выберите меню → [ВОССТ.] → [СБРОС НАРАБОТКИ ЛАМПЫ], чт...
8. Использование дополнительных объективов Существует пять дополнительных объективов для моделей NP3250/NP2250/NP1250/NP3250W. Информация, представ- ленная на этой странице, поможет приобрести объектив, соответствующий размеру экрана и расстоянию до проекции. См. стр. 142 , где представлена информац...
8. Использование дополнительных объективов Регулируемый диапазон смещений объектива Схема, представленная вверху справа, отображает расположение изображения в объективе. Объектив можно смещать в пределах затемненного участка, используя обычное проекционное положение в качестве отправной точки. Про...
8. Использование дополнительных объективов PC CAR D LAM P STA TUS PO WE R SO UR CE AU TO AD JUS T 3D REF OR M ON /ST AN D B Y SE LEC T PC CAR D LAM P STA TUS PO WE R SO UR CE AU TO AD JUS T 3D REF OR M ON /ST AN D B Y LEFT RIGH T DOW N UP Извлеките существующий объектив из проектора. 1. Поверните об...
8. Использование дополнительных объективов Использование винта для защиты объектива от кражи Затяните винт для защиты от кражи, поставляемый вместе с проектором, в передней части дна проектора. Отверстие для винта, предназначенного для защиты объектива от кражи PC CAR D LAM P STA TUS PO WE R SO UR C...
9. Приложение Устранение неисправностей Этот раздел поможет решить проблемы, которые могут возникать при подготовке к эксплуатации и в процессе эксплуатации проектора. Показания индикаторов Индикатор электропитания Индикатор лампы Состояние индикатора Состояние проектора Примечание Выкл. Нормально...
9. Приложение Если изображение отсутствует или отображается неправильно. • Питание подается на проектор и ПК. Убедитесь, что подключение проектора к ноутбуку происходит, когда проектор пребывает в режиме ожидания, а ноутбук еще не включен.В большинстве случаев сигнал, исходящий от ноутбука, не воспр...
9. Приложение Технические характеристики В данном разделе содержится техническая информация об эксплуатационных характеристиках проектора. Номер модели NP3250/NP2250/NP1250/NP3250W Оптический ЖК-панель NP3250/NP2250/NP1250: Активная 0,8-дюймовая матрица экрана p-Si TFT с линзовой антенной решеткой...
9. Приложение Внешние элементы управления RS232, ИК, ЛВС, USB Синхронизационная совместимость Отдельная синхронизация / Композиционная синхронизация / Синхронизация по зеленому цвету Встроенные динамики 5 Вт × 2 Требования по питанию 100–240 В переменного тока, 50/60 Гц Потребляемый ток NP3250/NP325...
9. Приложение Габаритные размеры корпуса WIRELESS USB(LAN) WIRELESS 150,5/5,9" 358/14,1" 4,7/0,19" 168,3/6,63" 399/15,7" 3D REFORM SELECT MENU EXIT ENTER AUTO ADJUST SOURCE ON/STAND BY POWER STA TUS LAMP USB LENS.SHIFT LEFT RIGHT DO WN UP Единица измерения: мм/дюйм
Размер экрана и проекционное расстояние Данный раздел следует использовать при принятии решения о расстояния до экрана и размере экрана. [NP3250/NP2250/NP1250] Согласно графику, доступные проекционные расстояния варьируются в диапазоне от 1,0 м/41,2 дюйма для 30-дюймо- вого экрана до 18 м/718 дюйм...
Список размеров экрана [NP3250/NP2250/NP1250] ПРИМЕЧАНИЕ: Величины в таблицах являются расчётными величинами и могут отличаться от действительных. Размер экрана и проекционное расстояние для проекции со стола при использовании стандартного объектива Следующий рисунок представляет собой пример исполь...
Распределение контактов входного разъема D-Sub COMPUTER 1 Миниатюрный 15-штырьковый разъем D-Sub Уровень сигнала Видеосигнал: 0,7 Vp-p (аналоговый) Сигнал синхронизации: Уровень TTL 11 15 12 14 13 6 5 4 3 2 1 10 7 9 8 9. Приложение Номер контакта Сигнал RGB (аналоговый) Сигнал YCbCr 1 Красный Синх...
9. Приложение Перечень совместимых входных сигналов Сигнал Разрешение (точек) Частота по вертикали (КГц) Скорость обновления (Гц) VIDEO NTSC/PAL60 — * 15,73 59,94/60,00 PAL/SECAM — * 15,63 50,00 Совместимый с IBM 640 × 480 31,47 59,94 640 × 480 37,86 72,81 640 × 480 37,50 75,00 640 × 480 39,38 75,...
9. Приложение Коды управления и кабельные соединения ПК Коды управления ПК Функция Кодирование данных ПИТАНИЕ ВКЛЮЧЕНО 02Н 00Н 00Н 00Н 00Н 02H ПИТАНИЕ ОТКЛЮЧЕНО 02Н 01Н 00Н 00Н 00Н 03H ВЫБОР ВХОДНОГО РАЗЪЕМА «COMPUTER 1» 02Н 03Н 00Н 00Н 02Н 01Н 01Н 09H ВЫБОР ВХОДНОГО РАЗЪЕМА «COMPUTER 2» 02Н 03Н 0...
9. Приложение ПРИМЕЧАНИЕ 1: Контакты 1, 4, 6 и 9 не используются. ПРИМЕЧАНИЕ 2: Чтобы упростить кабельное соединение, соедините контакты «Request to Send» и «Clear to Send» на обоих концах кабеля. ПРИМЕЧАНИЕ 3: Для кабелей большой длины рекомендуется с помощью меню проектора установить скорость пере...
0 9. Приложение Удаление и присоединение блока беспроводной локальной сети USB Важная информация • Блок беспроводной локальной сети USB состоит из двух модулей: модуля беспроводной локальной сети (USB) и соединяющего модуля. • Не вставляйте в порт блока беспроводной локальной сети USB другие USB-у...
9. Приложение 3. Медленно извлеките заглушку или присоединенный блок беспроводной локальной сети USB. LAM P STAT US POW ER ON/ST AND BY SOUR CE AUTO ADJU ST 3D R EFOR M SELEC T USB WIRELESS WIRELESS WIRELESS WIRELESS Подсоединение Блока беспроводной локальной сети USB Необходима крестовая отвертка. ...
В проектор не поступает изображение с ПК или видеооборудования. По-прежнему отсутствует изображение, несмотря на то, что сначала про- ектор был подключен к ПК, а затем запущен ПК.Обеспечение подачи исходящего сигнала с ноутбука в проектор. • Включить и отключить отображение изображения на внешнем ус...
NEC Проекторы Инструкции
-
NEC L50W
Инструкция по эксплуатации
-
NEC L51W
Инструкция по эксплуатации
-
NEC LT280
Инструкция по эксплуатации
-
NEC LT380
Инструкция по эксплуатации
-
NEC M230X
Инструкция по эксплуатации
-
NEC M260W
Инструкция по эксплуатации
-
NEC M271X
Инструкция по эксплуатации
-
NEC M282X
Инструкция по эксплуатации
-
NEC M300X
Инструкция по эксплуатации
-
NEC M302WS
Инструкция по эксплуатации
-
NEC M303WS
Инструкция по эксплуатации
-
NEC M311W
Инструкция по эксплуатации
-
NEC M322H
Инструкция по эксплуатации
-
NEC M322X
Инструкция по эксплуатации
-
NEC M323W
Инструкция по эксплуатации
-
NEC M332XS
Инструкция по эксплуатации
-
NEC M333XS
Инструкция по эксплуатации
-
NEC M350X
Инструкция по эксплуатации
-
NEC M352WS
Инструкция по эксплуатации
-
NEC M353WS
Инструкция по эксплуатации