Страница 3 - КОНСТРУКТИВНЫЕ
Простота эксплуатации • Три года ограниченной гарантии • Упрощённое техническое обслуживание в течение трёх лет при использовании мотора в личных целях • Отсутствие периода обкатки • Простой запуск ( без обогатителя и подкачки топлива ) • Электронное управление двигателем • Система охлаждения сконст...
Страница 6 - ОГЛАВЛЕНИЕ; ЭКСПЛУАТАЦИЯ
4 ОГЛАВЛЕНИЕ КАК ПОЛЬЗОВАТЬСЯ РУКОВОДСТВОМ .......................................................................... 6 УКАЗАНИЯ ПО МЕРАМ БЕЗОПАСНОСТИ ........................................................................ 7 ССЫЛКИ , ИЛЛЮСТРАЦИИ И ТЕХНИЧЕСКИЕ ХАРАКТЕРИСТИКИ ...........................
Страница 8 - ОПАСНОСТЬ
6 КАК ПОЛЬЗОВАТЬСЯ РУКОВОДСТВОМ Настоящее Руководство является неотъемлемой ча - стью комплектации подвесного мотора Evinrude Е - ТЕС . Оно содержит информацию , необходимую для пра - вильной эксплуатации , технического обслуживания , а главное — для безопасного использования Вашего подвесного мотор...
Страница 9 - ПРЕДОСТЕРЕЖЕНИЕ; ОБЩИЕ; УКАЗАНИЯ
7 Данное Руководство содержит информацию , необ - ходимую для того , чтобы предотвратить возмож - ные травмы или повреждение имущества . Преду - предительные сообщения находятся в тексте Ру - ководства . Будьте внимательны ! Ошибка человека может быть вы - звана различными причинами : небрежностью ,...
Страница 14 - ПРЕДУПРЕЖДАЮЩИЕ
12 ►ЭКСПЛУАТАЦИЯ ПОДВЕСНОГО МОТОРА EVINRUDE E-TEC ИНФОРМАЦИЯ ПО БЕЗОПАСНОСТИ НА ПОДВЕСНОМ МОТОРЕ Подвесной мотор поставляется с навесными ярлыка - ми , содержащими важную информацию по безопасно - му использованию подвесного мотора . ПРЕДУПРЕЖДАЮЩИЕ ЗНАКИ Следующие символы используются для обозначен...
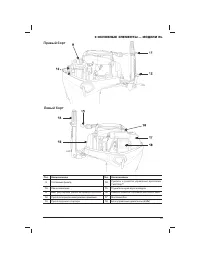
Страница 16 - ОСНОВНЫЕ
14 ►ЭКСПЛУАТАЦИЯ ПОДВЕСНОГО МОТОРА EVINRUDE E-TEC ОСНОВНЫЕ ЭЛЕМЕНТЫ — МОДЕЛИ RL Поз . Наименование Поз . Наименование 1 Отверстие для впуска воздуха , захват для подъ - ёма мотора 5 Выключатель двигателя / аварийный выключатель 2 Контрольное отверстие системы охлаждения , отверстие для промывки сист...
Страница 17 - Правый борт
15 ►ОСНОВНЫЕ ЭЛЕМЕНТЫ — МОДЕЛИ RL Правый борт Левый борт Поз . Наименование Поз . Наименование 9 Топливный фильтр 14 Румпель и рукоятка управления дросселем Twist Grip™ 10 Свечи зажигания 15 Глушитель шума впуска воздуха 11 Винт регулировки усилия на приводе дросселя 16 Крышка заливной горловины мас...
Страница 19 - Левый борт
17 ►ОСНОВНЫЕ ЭЛЕМЕНТЫ — МОДЕЛИ TL Левый борт Правый борт Поз . Наименование Поз . Наименование 13 Масляный бак 19 Переключатель подъёма мотора ( модели с си - стемой автоматического подъёма и трима ) 14 Крышка заливной горловины масляного бака 20 Винт регулировки усилия на приводе дросселя 15 Предох...
Страница 22 - МАСЛО; ТРЕБОВАНИЯ; Evinrude/Johnson XD100; СИСТЕМА; Заправк а
20 ►ЭКСПЛУАТАЦИЯ ПОДВЕСНОГО МОТОРА EVINRUDE E-TEC МАСЛО И ТОПЛИВО ТРЕБОВАНИЯ К МАСЛАМ Масла марки Evinrude/Johnson Масла марки Evinrude/Johnson обеспечивают наи - более эффективную работу двигателя , не дают на - гара на поршне и в камере сгорания , имеют высо - кие смазывающие качества , продлевают...
Страница 23 - ►МАСЛО
21 Снимите крышку моторного отсека , чтобы открыть до - ступ к масляному баку . Снимите крышку заливной горловины масляного бака , залейте в бак рекомендованное масло ( см . раздел « ТРЕБОВАНИЯ К МАСЛАМ » на странице 20. Установите и надёжно затяните крышку заливной гор - ловины масляного бака . Уст...
Страница 24 - ►ЭКСПЛУАТАЦИЯ; RL
22 Спиртосодерж ащее топливо Ваш подвесной мотор сконструирован в расчёте на при - менение вышеуказанных сортов топлива . Имейте в виду следующее : • В конструкцию топливной системы Вашего судна могут быть заложены особые требования к спир - тосодержащим топливам . См . Руководство по экс - плуатаци...
Страница 25 - Клипс
23 ►ЭКСПЛУАТАЦИЯ ЭКСПЛУАТАЦИЯ МЕРЫ БЕЗОПАСНОСТИ ПРЕДОСТЕРЕЖЕНИЕ НЕ ЗАПУСКАЙТЕ двигатель в закрытом по - мещении без надлеж ащей вентиляции либо обеспечьте надёжный отвод отработавших га - зов . В выхлопных газах содержится моноксид углерода ( угарный га з ), который представля - ет опасность для жиз...
Страница 28 - TL
26 ЗАПУСК / ОСТАНОВКА ДВИГАТЕЛЯ ( МОДЕЛИ С РУМПЕЛЬНЫМ УПРАВ - ЛЕНИЕМ И ЭЛЕКТРИЧЕСКИМ СТАР - ТЕРОМ ) — МОДЕЛИ TL В разделе « ПЕРЕЧЕНЬ КОНТРОЛЬНЫХ ПРОВЕРОК » на странице 48 указаны проверки , которые необходи - мо провести перед началом эксплуатации подвесного мотора Evinrude E-TEC . Перед запуском мо...
Страница 29 - Ключ
27 ПРЕДОСТЕРЕЖЕНИЕ Не ст учите по к липсу и не сдёргивайте к липс с а ва р и й н о го в ы к л юч а т е л я , ес л и к этому н е в ы н у ж д а ют ч р е з в ы ч а й н ы е о бс тоя т е л ь - ства . Не надавливайте на к люч , если на нем не установлен к липс . Из - за внезапной поте - ри хода пасс ажиры...
Страница 32 - Запуск
30 Установите рукоятку переключения режима движения системы дистанционного управления в НЕЙТРАЛЬНОЕ ПОЛОЖЕНИЕ (NEUTRAL). ПРЕДОСТЕРЕЖЕНИЕ Если Вы используете систему дистанционно - го управления в которой не пред усмотрена функция предотвращения запуска при вк лю - чённом режиме хода , мотор может бы...
Страница 33 - ЭКСТРЕННЫЙ
31 После запуск а двигате ля Проверьте наличие стабильного потока воды , истекаю - щего из контрольного отверстия системы охлаждения . Устойчивый поток воды свидетельствует о нормальной работе помпы . Если поток воды прерывается , выклю - чите двигатель . См . раздел « ПЕРЕГРЕВ ДВИГАТЕЛЯ » на страни...
Страница 35 - Перек лючение
33 Регулирование оборотов двигате ля На работающем двигателе поверните рукоятку дрос - селя : • по часовой стрелке , чтобы уменьшить обороты дви - гателя ; • против часовой стрелки , чтобы увеличить обороты двигателя . 1. Уменьшение оборотов двигателя 2. Увеличение оборотов двигателя Румпель оборудо...
Страница 39 - Подъём; ПОДЪЁМ; ►ПОДЪЁМ; Опуск ание
37 ПОДЪЁМ МОТОРА И РЕГУЛИРОВКА ТРИМА ( РУЧНОЙ ПОДЪЁМ ) — МОДЕ - ЛИ RL ВАЖНО : Используйте захват на крышке мотора для подъёма мотора . Не используйте румпель как рычаг . Подъём мотора Переместите рукоятку ПОДЪЁМ / ДВИЖЕНИЕ в поло - жение TILT ( подъём ). 1. Положение TILT ( подъём ) Крепко возьмитес...
Страница 42 - DTL
40 ►ЭКСПЛУАТАЦИЯ ПОДВЕСНОГО МОТОРА EVINRUDE E-TEC ПРЕДОСТЕРЕЖЕНИЕ Любая неисправность системы автоматического подъёма и трима делает мотор незащищён - ным от удара при столкновении с подводным объектом и , кроме того , значительно сниж ает тягу двигателя в режиме заднего хода . Следите за уровнем жи...
Страница 45 - КОНТРОЛЬ; АМОДИАГНОСТИКА; Пре дупреждения
43 ВАЖНО : Подвесной мотор может быть оснащён си - стемой контроля состояния двигателя , например I-Command , SystemCheck ( или аналогичной ). Система предупреждает водителя о возникновении ситуаций , которые могут привести к поломке мотора . Система контроля двигателя состоит из монтируемого на щит...
Страница 47 - ПЕРЕГРЕВ
45 ►КОНТРОЛЬ СОСТОЯНИЯ ДВИГАТЕЛЯ ПЕРЕГРЕВ ДВИГАТЕЛЯ ВНИМАНИЕ ВНИМАНИЕ Не запускайте двигатель даже на короткое время без подачи воды в систему охлаждения . См . ра здел « ПРОМЫВКА СИСТЕ - МЫ ОХЛАЖДЕНИЯ » на странице 52. Отверстия водозабора должны быть чистыми и во вре - мя работы мотора постоянно н...
Страница 48 - ОСОБЫЕ
46 ЭКСПЛУАТАЦИЯ ПОДВЕСНОГО МОТО - РА В СОЛЕНОЙ ВОДЕ Подняв мотор из соленой воды , оставьте его в верти - кальном положении до тех пор , пока вся вода не вы - течет из системы охлаждения . При длительной швар - товке поднимайте редуктор мотора из воды , за исклю - чением тех случаев , когда температ...
Страница 49 - ТРАНСПОРТИРОВКА; ►ОСОБЫЕ
47 БУКСИРОВКА Для буксировки Вашего судна другой лодкой : • переведите мотор в нейтральный режим (NEUTRAL); • поднимите редуктор мотора из воды ; • высадите всех пассажиров на другую лодку ; • скорость буксировки не должна превышать скорость глиссирования . ЭКСПЛУАТАЦИЯ ЛОДКИ С ДВУМЯ ПОДВЕСНЫМИ МОТО...
Страница 50 - ПЕРЕЧЕНЬ
48 Общая проверк а состояния мотора ( пере д к аждым спуском лодки на воду ) Проверьте уровень топлива . Проверьте уровень масла . Проверьте работоспособность систем рулевого управления , переключения режимов и управления дроссель - ной заслонкой ; проверьте работоспособность системы аварийного выкл...
Страница 52 - ►ТЕХНИЧЕСКОЕ; ИНФОРМАЦИЯ
50 Техническое обслу живание , замену и ремонт устройств и систем защиты от выбросов вред - ных веществ в атмосферу можно производить в любой мастерской по обслу живанию морских двигателей с искровым зажиганием (SI) или с а - мостоятельно . Ответственность производите ля Начиная с 1999 модельного го...
Страница 53 - РЕГЛАМЕНТ
51 Регулярный осмотр и техническое обслуживание прод - левают срок службы подвесного мотора . Данная та - блица периодичности технического обслуживания со - держит перечень работ по техническому обслужива - нию мотора , которые должен проводить авторизован - ный дилер . ВАЖНО : На моторах , находящи...
Страница 54 - РЕКОМЕНДАЦИИ
52 ПРОМЫВКА СИСТЕМЫ ОХЛАЖДЕНИЯ Подвесной мотор желательно промывать после каж - дой поездки , поставив лодку на трейлер или у причала . Мотор должен находиться в вертикальном положении . 1) Расположите мотор в вертикальном положении в ме - сте с хорошим стоком воды . 2) Подсоедините садовый шланг к ...
Страница 55 - ПРЕДОХРАНИТЕЛЬ; ►РЕКОМЕНДАЦИИ
53 СВЕЧИ ЗАЖИГАНИЯ ОПАСНОСТЬ Система зажигания представляет собой се - рьёзную опасность поражения электрическим током . Будьте предельно осторожны , чтобы не допустить травм , вызванных поражени - ем электрическим током или Вашей реакци - ей на удар тока . Не дотрагивайтесь до эле - ментов системы ...
Страница 56 - КРАТКОВРЕМЕННЫЕ; ХРАНЕНИЕ; КОНСЕРВАЦИЯ
54 ►ТЕХНИЧЕСКОЕ ОБСЛУЖИВАНИЕ ПРЕДОСТЕРЕЖЕНИЕ НЕ ЗАПУСКАЙТЕ двигатель в закрытом по - мещении без достаточной вентиляции , обе - с п еч ьт е от вод от р а б от а в ш и х г а зо в тол ь ко в определённое ограниченное пространство . Отработавшие га зы содерж ат моноксид угле - рода ( угарный га з ), ко...
Страница 57 - Мотор; ►ХРАНЕНИЕ
55 Подготовк а к консервации Консервацию подвесного мотора можно провести на воде . В этом случае необходимо в первую оче - редь убедиться , что отверстия водозабора полностью находятся под водой . 1) Стабилизируйте топливо . Для этого добавьте в то - пливо кондиционер 2+4 Fuel Conditioner согласно ...
Страница 59 - ПРЕДСЕЗОННОЕ
57 ►ХРАНЕНИЕ ПОДВЕСНОГО МОТОРА ПРЕДСЕЗОННОЕ ТЕХНИЧЕСКОЕ ОБ - СЛУЖИВАНИЕ Подготовьте мотор к эксплуатации : выполните необхо - димые проверки и проведите профилактическое тех - ническое обслуживание . Проверьте все снятые детали . Замените повреждённые или установите отсутствующие детали мотора , исп...
Страница 60 - ►ДИАГНОСТИКА; ДИАГНОСТИКА
58 НЕИСПРАВНОСТЬ ВОЗМОЖНАЯ ПРИЧИНА , МЕРЫ ПО УСТРАНЕНИЮ Электростартер не работает • Рукоятка переключения режимов не находится в НЕЙ - ТРАЛЬНОМ ПОЛОЖЕНИИ . • Перегорел предохранитель . Двигатель не запускается • Неправильный запуск мотора . См . раздел « ЗАПУСК / ОСТАНОВКА ДВИГАТЕЛЯ » на странице 2...
Страница 62 - УСТАНОВКА; ВЫСОТА
60 ПРЕДОСТЕРЕЖЕНИЕ Не устанавливайте мотор , мощность которого превышает технические характеристики Ва - шего судна , ука занные в заводской таблич - ке , — в противном случае судно может вый - ти из - под контроля . Если заводская табличка отсутствует или утеряна , обратитесь к дилеру или непосредс...
Страница 63 - Установк а; ►УСТАНОВКА
61 УСТАНОВКА ПОДВЕСНОГО МОТОРА ПРЕДОСТЕРЕЖЕНИЕ Очень важно — правильно установить под - весной мотор . Неправильная установка может привести к серьёзным травмам , гибели лю - дей или причинению ущерба имуществу . Для установки мотора настоятельно рекоменд у - ем обратиться к Вашему дилеру . ВАЖНО : ...
Страница 64 - Техниче ские
62 АККУМУЛЯТОРНАЯ БАТАРЕЯ — МО - ДЕЛИ C ЭЛЕКТРОЗАПУСКОМ Техниче ские тре бования • Напряжение 12 В ; батарея должна быть рассчитана на тяжёлые режимы эксплуатации и предназначена для установки на водно - моторных судах . • Батарея с вентиляцией отсеков , обслуживаемая или необслуживаемая . • Батарея...
Страница 65 - Обслу живание; ВИНТ; Выбор
63 ВНИМАНИЕ ВНИМАНИЕ Н е и с п ол ь зу й т е к р ы л ьч а т ы е гайки для крепления кабелей к батарее , даже если они поставляются с батареей . Затяжка та - ких гаек может ослабну ть , что приведёт к акти - визации пред упредительных сигналов или по - вреждению электрических систем мотора . Обслу жи...
Страница 66 - Ремонт; ДАВЛЕНИЕ
64 Установк а винта ВНИМАНИЕ ВНИМАНИЕ Покройте смазкой Triple Guard весь вал винта перед тем , как устанавливать сам винт . Не реже одного раза в год снимайте винт и осматривайте на предмет отсутствия по - сторонних предметов . Перед установкой винта очистите вал и нанесите на него слой смазки . Пла...
Страница 67 - ►РЕГУЛИРОВКИ; РЕГУЛИРОВКИ
65 Настройк а оборотов в режиме хода Обороты движения в режиме хода , при желании , мо - гут быть отрегулированы , для повышения контроля , управляемости , и снижения уровня шума в определён - ных условиях . ВАЖНО : Только ваш дилер может настроить обороты в режиме холостого хода . Регулировочный вы...
Страница 68 - ТЕХНИЧЕСКИЕ
66 Модели 40, 50, 60 HP Рабочий объём , куб . см . 864 Тип двигателя рядный , двухтактный , двухцилиндровый , E-TEC Рабочие обороты при полностью открытом дросселе , об / мин 40 HP — 5000—6000 50 HP — 5500—6000 60 HP — 5500—6000 Мощность (1) , кВт / л . с . ( при об / мин ) 40 HP — 29,8/40 (5500) 50...
Страница 69 - СВЕДЕНИЯ
67 МЕЖДУНАРОДНАЯ ОГРАНИЧЕННАЯ ГАРАНТИЯ НА ПОДВЕСНЫЕ МОТОРЫ EVINRUDE 2010, ИСПОЛЬЗУЕ - МЫЕ В АФРИКЕ , НА БЛИЖНЕМ ВОСТОКЕ , ЛАТИНСКОЙ АМЕРИКЕ , ОСТРОВАХ ТИХОГО ОКЕАНА , АЗИИ , АЛ - БАНИИ , БЫВШЕЙ ЮГОСЛАВСКОЙ РЕСПУБЛИКИ МАКЕДОНИИ , СЕРБИИ И ЧЕРНОГОРИИ , БОСНИИ И ГЕР - ЦЕГОВИНЕ И СНГ 1. ПРЕДМЕТ ОГРАНИЧЕ...
Страница 71 - BRP
69 6. УСЛОВИЯ ПРИЗНАНИЯ НЕОБХОДИМОСТИ ГАРАНТИЙНЫХ РАБОТ Зарегистрированный владелец должен известить авторизованного дилера / дистрибьютора о дефекте в течение двух (2) дней с момента его обнаружения . Владелец должен своевременно , и в любом случае — в течение га - рантийного срока , доставить изде...
Страница 73 - ПРОВЕРКА
71 Готовы ли Вы к управлению лодкой ? 1. Прочитали ли Вы это Руководство от начала до конца ? 2. Готовы ли Вы взять на себя ответственность за безопасную эксплуатацию лодки и мотора ? 3. Понятны ли Вам все предупреждения о безопасности , указанные в этом Руководстве ? 4. Понимаете ли Вы , что это Ру...
Страница 75 - ЧАСТО; ►ЧАСТО
73 Правда ли , что в течение первых трёх лет нормальной эксплуатации мотора , используемого в личных целях , можно не обращаться к дилеру по поводу регламентного технического обслуживания ? • Да ! Компания BRP знает , что Вам больше нравится проводить время на воде , чем в сервисном центре . В кон -...
Страница 79 - ПОДТВЕРЖДЕНИЕ
77 Остается у дилера Остается у владельца Имя: Имя: Адрес: Адрес: Подпись: Дата: После получения нового подвесного мотора Evinrude/Johnson заполните и подпишите приведенную ниже форму. Эта информация нужна дилеру. Номер модели: Серийный номер: (заполняется дилером или владельцем) С правилами эксплуа...