Страница 37 - ПОДДЕРЖКА ПОТРЕБИТЕЛЕЙ И СЕРВИСНОЕ
СОДЕРЖАНИЕ 1. СВЕДЕНИЯ ПО ТЕХНИКЕ БЕЗОПАСНОСТИ...............................................39 2. УКАЗАНИЯ ПО БЕЗОПАСНОСТИ................................................................. 42 3. ОПИСАНИЕ ИЗДЕЛИЯ................................................................................... 44 4....
Страница 40 - Общие правила техники безопасности
• Если прибор оснащен устройством защиты от детей, рекомендуем Вам включить это устройство. • Очистка и доступное пользователю техническое обслуживание не должно производиться детьми без присмотра. 1.2 Общие правила техники безопасности • Не изменяйте параметры данного прибора. • Прибор может быть у...
Страница 42 - УКАЗАНИЯ ПО БЕЗОПАСНОСТИ; Установка
охлаждения) для того, чтобы конечная температура белья позволила обеспечить его сохранность. • Не используйте для очистки прибора подаваемую под давлением воду или пар. • Протирайте прибор мягкой влажной тряпкой. Используйте только нейтральные моющие средства. Не используйте абразивные средства, цар...
Страница 44 - ОПИСАНИЕ ИЗДЕЛИЯ; Обзор прибора
3. ОПИСАНИЕ ИЗДЕЛИЯ 3.1 Обзор прибора 1 2 3 5 6 7 4 1 Верхняя панель 2 Дозатор моющего средства 3 Панель управления 4 Рукоятка дверцы 5 Табличка с техническими данными 6 Фильтр сливного насоса 7 Ножки для выравнивания прибора 3.2 Включение функции «Защита от детей» Это фиксатор позволяет избежать оп...
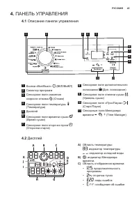
Страница 45 - ПАНЕЛЬ УПРАВЛЕНИЯ; Описание панели управления
4. ПАНЕЛЬ УПРАВЛЕНИЯ 4.1 Описание панели управления 5 3 4 10 11 8 7 9 6 1 2 1 Кнопка «Вкл/Выкл» (ВКЛ/ВЫКЛ) 2 Селектор программ 3 Сенсорное поле сниженияскорости отжима (Отжим) 4 Сенсорное поле температуры (Температура) 5 Дисплей 6 Сенсорное поле времени сушки (Время сушки) 7 Сенсорное поле отсрочки ...
Страница 46 - ПРОГРАММЫ; Таблица программ
• работа программы завершена. D) : этап сушки. E) : этап обработки паром. F) : постоянная функция дополнительного полоскания. G) , , : индикаторы степени сушки. H) Область отжима: • : индикатор скорости отжима • : индикатор стирки без отжима • : индикатор остановки полоскания I) : этап стирки. J) : ...
Страница 49 - Автоматическая сушка
Программа Cтира&Cушка 60 мин ■ Синтетика ■ ■ ■ ■ ■ Тонкие ткани ■ ■ ■ ■ ■ Шелк ■ ■ ■ Шерсть/Ручная стирка ■ ■ ■ ■ Одеяла ■ ■ Отжим/Слив 1) ■ ■ ■ Полоскание ■ ■ ■ ■ ■ 1) Задайте скорость отжима. Удостоверьтесь, что она соответствует типу белья. При выборе режима «Без отжима» доступен только этап ...
Страница 50 - Сушка с заданным временем
Степень сушки Тип ткани Загрузка Под утюг Для белья, подлежащего глажке Хлопок и лен (простыни, скатерти, рубашки и т.д.) до 4 кг 1) Советы для тестирующей организации Тестирование в соответствии с EN 50229 должно производиться с ПЕРВОЙ загрузкой, вес которой должен соответствовать заявленному значе...
Страница 51 - ПОКАЗАТЕЛИ ПОТРЕБЛЕНИЯ
5.4 Woolmark Apparel Care - Синий • Компания Вулмарк (Woolmark) одобрила применение используемой в данной машине программы стирки шерстяных изделий с этикеткой «ручная стирка» при условии выполнения стирки в соответствии с указаниями производителя данной стиральной машины. Следуйте указаниям по сушк...
Страница 52 - РЕЖИМЫ
Программы Загруз ка (кг) Потребл ение электроэ нергии (кВт·ч) Потреблен ие воды (в литрах) Приблизительная продолжительнос ть программы (в минутах) Хлопок Экo «Энергосберегающая программа для хлопка»при 60°C 1) 7 0.86 54 262 Хлопок 40°С 7 0.80 62 154 Синтетика 40°С 3,5 0.50 66 110 Деликатные ткани, ...
Страница 53 - Менеджер времени
отображается текущее значение настройки.При каждом нажатии на это сенсорное поле значение времени увеличивается на 5 минут. Не все значения времени подходят и доступны для выбора ко всем видам тканей. 7.4 Oтсрочка старта С помощью этой функции можно отложить запуск программы на период от 30 минут до...
Страница 54 - ПАРАМЕТРЫ; Защита от детей; Постоянное; Звуковая сигнализация; ПЕРЕД ПЕРВЫМ ИСПОЛЬЗОВАНИЕМ; Загрузка белья
8. ПАРАМЕТРЫ 8.1 Защита от детей С помощью этой функции можно заблокировать панель управления от детей.• Чтобы включить/выключить эту функцию, одновременно нажмите иудерживайте и до тех пор, пока не загорится/отключится индикатор . Можно включить эту функцию: • После нажатия : селектор программ и фу...
Страница 56 - Включение прибора
3. B 4. • Положение A для стирального порошка (заводская настройка). • Положение B для жидкого средства для стирки. При использовании жидкого средства для стирки: • Не используйте гелеобразные или густые жидкие средства для стирки. • Не превышайте максимальный уровень жидкого средства для стирки. • ...
Страница 58 - Режим
10.12 По окончании программы • Прибор автоматически завершает работу. • Выдается звуковой сигнал (если он включен). • На дисплее высвечивается .• Индикатор гаснет. • Индикатор блокировки дверцы гаснет. • Дверцу можно открыть. • Выньте белье из прибора. Убедитесь, что барабан пуст. • Закройте водопро...
Страница 59 - Установка степени сушки
11. ЕЖЕДНЕВНОЕ ИСПОЛЬЗОВАНИЕ – ТОЛЬКО СУШКА ВНИМАНИЕ! См. Главы, содержащие Сведения по технике безопасности. 11.1 Установка степени сушки ВНИМАНИЕ! Убедитесь, что водопроводный кран открыт. 1. Чтобы включить прибор, нажмите и удерживайте ВКЛ/ВЫКЛ в течение нескольких секунд. 2. Загрузите белье по о...
Страница 60 - ЕЖЕДНЕВНОЕ ИСПОЛЬЗОВАНИЕ – СТИРКА И
продолжительность этапов антисминания и охлаждения. 2. Для начала выполненияпрограммы нажмите на . • На дисплее будет периодически отображаться новое значение времени. • Индикатор программы сушки начнет мигать. • На дисплее высветится индикация блокировки дверцы . Если заданная продолжительность эта...
Страница 62 - ПОЛЕЗНЫЕ СОВЕТЫ
толстовок из трикотажа может привести к образованию ворса.Образовавшийся ворс может пристать к ткани в ходе следующего цикла.Это неудобство еще более проявляется в ходе обработки т.н. технических тканей.Для предотвращения образования ворса на одежде рекомендуется:• Не стирать темные вещи после стирк...
Страница 64 - УХОД И ОЧИСТКА
• Одежда, в которой используется вспененная резина или схожие с ней материалы. 13.8 Этикетки с информацией по уходу При сушке белья следуйте указаниям производителя, приведенным на этикетках: • = Допустима сушка в сушильном барабане. • = Допустима сушка при высокой температуре. • = Допустима сушка п...
Страница 68 - ПОИСК И УСТРАНЕНИЕ НЕИСПРАВНОСТЕЙ; Введение
3. 4. 45° 20° 14.8 Экстренный слив В результате неисправности прибор может быть не в состоянии произвести слив воды.В этом случае выполните действия с (1) по (9), описанные в Главе «Очистка сливного фильтра». При необходимости очистите насос.После выполнения операций экстренного слива воды необходим...
Страница 69 - Возможные неисправности
• - В прибор не поступает как следует вода. • - Прибор не сливает воду. • - Дверца прибора открыта или не закрыта как следует. Пожалуйста, проверьте дверцу! • - Нестабильная работа электросети. Дождитесь стабилизации электросети. • - Отсутствует обмен данными между электронными компонентами прибора....
Страница 73 - ОХРАНА ОКРУЖАЮЩЕЙ СРЕДЫ
Давление в водопроводной сети Минимум Максимум 0,5 бар (0,05 МПа) 8 бар (0,8 МПа) Максимальная загрузка для стирки Хлопок 7 кг Максимальная загрузка для сушки Хлопок Синтетика 4 кг 2 кг Скорость отжима Максимум 1600 об/мин 18. ОХРАНА ОКРУЖАЮЩЕЙ СРЕДЫ Материалы с символом следует сдавать на переработ...