Страница 27 - ПОДДЕРЖКА ПОТРЕБИТЕЛЕЙ И СЕРВИСНОЕ
СОДЕРЖАНИЕ 1. СВЕДЕНИЯ ПО ТЕХНИКЕ БЕЗОПАСНОСТИ...............................................28 2. УКАЗАНИЯ ПО БЕЗОПАСНОСТИ................................................................. 29 3. ОПИСАНИЕ ИЗДЕЛИЯ................................................................................... 31 4....
Страница 28 - возможностями; Общие правила техники безопасности
1. СВЕДЕНИЯ ПО ТЕХНИКЕ БЕЗОПАСНОСТИ Перед установкой и эксплуатацией прибора внимательно ознакомьтесь с приложенным руководством. Производитель не несет ответственность за травмы и повреждения, полученные/вызванные неправильной установкой и эксплуатацией. Позаботьтесь о том, чтобы данное руководство...
Страница 29 - УКАЗАНИЯ ПО БЕЗОПАСНОСТИ
• Соблюдайте максимально допустимую загрузку в 6 кг (см. Главу «Таблица программ»). • Рабочее давление воды (минимальное и максимальное) должно находиться в пределах 0,5 бар (0,05 МПа) и 8 бар (0,8 МПа). • Вентиляционные отверстия в днище (если они предусмотрены конструкцией) не должны перекрываться...
Страница 32 - Описание панели управления
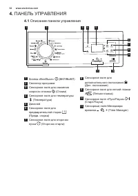
4. ПАНЕЛЬ УПРАВЛЕНИЯ 4.1 Описание панели управления Отсрочка старта Температура Отжим Легкая глажка Доп. полоскание TimeManager Старт / Пауза Предв. стирка 5 3 4 10 11 8 7 9 6 1 2 1 Кнопка «Вкл/Выкл» (ВКЛ/ВЫКЛ) 2 Селектор программ 3 Сенсорное поле для сниженияскорости отжима (Отжим) 4 Сенсорное поле...
Страница 36 - Синий; ПОКАЗАТЕЛИ ПОТРЕБЛЕНИЯ
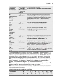
Программа Хлопок Eco ■ ■ ■ ■ ■ ■ Синтетика ■ ■ ■ ■ ■ ■ ■ ■ Тонкие ткани ■ ■ ■ ■ ■ ■ ■ Шерсть/Ручная стирка ■ ■ ■ ■ ■ Джинсы ■ ■ ■ ■ ■ ■ Полоскание ■ ■ ■ ■ ■ Отжим/Слив 1) ■ ■ ■ Дамское белье ■ ■ ■ ■ ■ Шелк ■ ■ ■ Шторы ■ ■ ■ ■ ■ Одеяла ■ ■ Освежить ■ ■ ■ Быстро ■ ■ ■ 1) Задайте скорость отжима. Удост...
Страница 38 - Менеджер времени
На дисплее отобразится индикатор заданной скорости.Дополнительные функции отжима: Без отжима• Используйте эту функцию для пропуска всех фаз отжима. • Используйте для очень деликатных тканей. • Для некоторых программ стирки на этапе полоскания используется больший объем воды. • На дисплее отображаетс...
Страница 39 - дополнительное полоскание; Звуковая сигнализация
Нажмите или , чтобы уменьшить или увеличить продолжительность программы.Менеджер времени может использоваться только с программами в таблице. Инд ика тор 1) 1) 2) ■ ■ ■ ■ ■ ■ ■ ■ ■ ■ ■ ■ ■ ■ ■ ■ ■ ■ ■ ■ ■ 3) ■ 3) ■ ■ 3) ■ Инд ика тор 1) 1) ■ ■ ■ 4) ■ ■ ■ 3) ■ 3) ■ ■ 3) 1) Если имеется в наличии. 2) ...
Страница 40 - Добавление средства; для стирки и добавок; Отделения дозатора; моющих средств
9. ПЕРЕД ПЕРВЫМ ИСПОЛЬЗОВАНИЕМ 1. Залейте 2 литра воды в отсек моющего средства для этапа стирки. При этом активируется система слива. 2. Поместите небольшое количество моющего средства в отсек для этапа стирки. 3. Не загружая в прибор одежды, выберите и запустите программу для стирки изделий из хло...
Страница 41 - Жидкое или порошковое
1 Отделение для средств, используемых на этапах предварительной стирки и замачивания (если это предусмотрено). Добавьте средство для предварительной стирки и замачивания до пуска программы. 2 Отсек средства для стирки, используемого на этапе стирки. При использовании жидкого средства для стирки доба...
Страница 42 - Включение прибора; Запуск программы без; отсрочки пуска; Запуск программы с; отсрочкой пуска; Прерывание программы; и изменение выбранных
10.5 Включение прибора Нажмите кнопку для включения или отключения прибора. При включении прибора выдается звуковой сигнал. 10.6 Выбор программы 1. Выберите программу стирки, повернув селектор программ: • При этом загорится индикатор соответствующей программы. • Индикатор замигает. • На дисплее отоб...
Страница 43 - выполняющейся программы; работе функции отсрочки; ходе выполнения программы; программы
10.10 Отмена выполняющейся программы 1. Нажмите кнопку на несколько секунд, чтобы отменить программу и отключить прибор. 2. Чтобы включить прибор, еще раз нажмите ту же кнопку. Теперь можно выбрать новую программу стирки. Перед запуском новой программы прибор может произвести слив воды. В этом случа...
Страница 44 - АВТОМАТИЧЕСКИЙ переход
необходимости понизьте скорость отжима. 3. По окончании программы индикатор блокировки дверцы погаснет, дверцу можно будет открыть. 4. Нажмите кнопку на несколько секунд, чтобы отключить прибор. Прибор автоматически произведет слив воды и отжим приблизительно через 18 часов (за исключением программ ...
Страница 45 - Средства для стирки и; добавки; Очистка наружных; поверхностей
Такие загрязнения рекомендуется удалять до загрузки одежды в прибор.В продаже имеются специализированные средства для выведения пятен. Используйте пятновыводители, подходящие к конкретному типу пятен и ткани. 11.3 Средства для стирки и добавки • Используйте только средства для стирки и добавки, пред...
Страница 46 - «Профилактическая; стирка»; Уплотнитель дверцы
ОСТОРОЖНО! Не используйте составы на основе спирта, растворителей или химических веществ. 12.2 Удаление накипи Если вода в Вашем регионе имеет высокую или среднюю жесткость, рекомендуется использовать предназначенные для стиральных машин средства для удаления накипи.Регулярно проверяйте состояние ба...
Страница 50 - Меры против замерзания; ПОИСК И УСТРАНЕНИЕ НЕИСПРАВНОСТЕЙ; Возможные неисправности
12.9 Меры против замерзания Если прибор установлен в месте, где температура может опускаться ниже 0°C, удалите из наливного шланга и сливного насоса оставшуюся там воду.1. Выньте вилку сетевого кабеля из розетки. 2. Закройте водопроводный вентиль. 3. Поместите оба конца наливного шланга в контейнер ...