Страница 2 - ПОДДЕРЖКА ПОТРЕБИТЕЛЕЙ И СЕРВИСНОЕ
СОДЕРЖАНИЕ 1. СВЕДЕНИЯ ПО ТЕХНИКЕ БЕЗОПАСНОСТИ.................................................3 2. УКАЗАНИЯ ПО БЕЗОПАСНОСТИ................................................................... 5 3. ОПИСАНИЕ ИЗДЕЛИЯ..................................................................................... 7...
Страница 3 - СВЕДЕНИЯ ПО ТЕХНИКЕ БЕЗОПАСНОСТИ; возможностями
Право на изменения сохраняется. 1. СВЕДЕНИЯ ПО ТЕХНИКЕ БЕЗОПАСНОСТИ Перед установкой и эксплуатацией прибора внимательно ознакомьтесь с приложенным руководством. Производитель не несет ответственности за какие-либо травмы или ущерб, возникший вследствие неправильной установки или эксплуатации. Всегд...
Страница 4 - Общие правила техники безопасности
• Храните моющие средства вне досягаемости детей. • Не подпускайте детей и домашних животных к прибору, когда его дверца открыта. • Очистка и доступное пользователю техническое обслуживание прибора не должно производиться детьми без присмотра. 1.2 Общие правила техники безопасности • Не вносите изме...
Страница 5 - УКАЗАНИЯ ПО БЕЗОПАСНОСТИ; электросети
• Протрите прибор влажной тряпкой. Используйте только нейтральные моющие средства. Не используйте абразивные средства, абразивные губки, растворители или металлические предметы. 2. УКАЗАНИЯ ПО БЕЗОПАСНОСТИ 2.1 Установка Установку следует выполнять в соответствии с действующими местными нормами. • Пе...
Страница 6 - водопроводу
электропитания имеется свободный доступ. • Не беритесь за кабель электропитания или за его вилку мокрыми руками. • Для отключения прибора от электросети не тяните за кабель электропитания. Всегда беритесь за саму вилку. • Данный прибор соответствует директивам E.E.C. 2.3 Подключение к водопроводу • ...
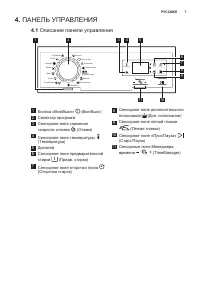
Страница 7 - Описание панели управления
3. ОПИСАНИЕ ИЗДЕЛИЯ 3.1 Обзор прибора 2 3 1 4 5 6 1 Панель управления 2 Крышка 3 Рукоятка крышки 4 Фильтр сливного насоса 5 Ножки для выравнивания прибора 6 Табличка с техническими данными 4. ПАНЕЛЬ УПРАВЛЕНИЯ 4.1 Описание панели управления Температура Отжим Легкая глажка Отсрочка старта Предв. стир...
Страница 11 - ПОКАЗАТЕЛИ ПОТРЕБЛЕНИЯ
Программа ■ ■ ■ ■ ■ 1) ■ ■ ■ ■ ■ ■ ■ ■ ■ ■ ■ ■ ■ ■ ■ ■ ■ ■ ■ ■ ■ ■ ■ ■ 1) Задайте скорость отжима. Убедитесь, что она подходит для данного типа ткани. При выборе опции «Без отжима» доступна только фаза слива. 5.1 Woolmark Apparel Care - Синий Компания Woolmark Company одобрила применение используемо...
Страница 14 - Менеджер времени; Звуковая сигнализация; дополнительное полоскание
7.7 Менеджер времени При выборе программы стирки на дисплее отображается ее продолжительность по умолчанию. Нажмите или , чтобы уменьшить или увеличить продолжительность программы.Функция Time Manager может использоваться только с программами в таблице. Индикатор 1) 1) 2) ■ ■ ■ ■ ■ ■ ■ ■ ■ ■ ■ ■ ■ ■...
Страница 15 - Добавление средства; для стирки и добавок; Отделения дозатора моющих средств
пока не загорится/отключитсяиндикатор . 9. ПЕРЕД ПЕРВЫМ ИСПОЛЬЗОВАНИЕМ 1. Вставьте вилку сетевого кабеля в розетку. 2. Откройте вентиль подачи воды. 3. Поместите небольшое количество моющего средства в отсек для этапа стирки. 4. Не загружая в прибор одежды, выберите и запустите программу для стирки ...
Страница 16 - Жидкое или порошковое
Всегда следуйте инструкциям, приведенным на упаковке средств для стирки. Отсек средства для стирки, используемого на этапе предвари‐ тельной стирки. Отметки «МАКС» указывают на максимально допустимые уров‐ ни средства для стирки (порошкового или жидкого).Отсек средства для стирки, используемого на э...
Страница 17 - Включение прибора; Запуск программы без; отсрочки пуска; Запуск программы с; отсрочкой пуска
• Положение A для стирального порошка (заводская настройка). • Положение B для жидкого средства для стирки. При использовании жидкого средства для стирки: • Не используйте гелеобразные или густые жидкие средства для стирки. • Не превышайте максимальный уровень жидкого средства для стирки. 10.5 Включ...
Страница 18 - Прерывание программы; и изменение выбранных
Можно отменить или изменить значение отсрочки до нажатия на . Для отмены отсрочки пуска: • Нажмите , чтобы перевести прибор в режим паузы. • Нажимайте на до тех пор, пока на дисплее непоявится '. • Вновь нажмите для немедленного запуска программы. 10.9 Прерывание программы и изменение выбранных функ...
Страница 20 - Средства для стирки и; добавки
• Соблюдайте осторожность при обращении с занавесками. Удалите крючки или поместите занавески в мешок для стирки или наволочку. • Не стирайте белье с необработанными краями или с разрезами. Помещайте небольшие вещи и деликатные вещи (например, бюстгальтеры с косточками, ремни, колготки и т.д.) в меш...
Страница 21 - Очистка наружных; поверхностей; Профилактическая; стирка; Очистка дозатора моющего средства
12. УХОД И ОЧИСТКА ВНИМАНИЕ! См. Главы, содержащие Сведения по технике безопасности. 12.1 Очистка наружных поверхностей Для очистки прибора используйте только теплую воду с мылом. Насухо вытрите все поверхности. ПРЕДУПРЕЖДЕНИЕ Не используйте составы на основе спирта, растворителей или химических вещ...
Страница 24 - ПОИСК И УСТРАНЕНИЕ НЕИСПРАВНОСТЕЙ; Возможные неисправности
3. Поместите оба конца наливного шланга в контейнер и дайте воде вытечь из шланга. 4. Слейте воду из сливного насоса. См. операции, выполняемые для экстренного слива воды. 5. После слива воды из сливного насоса подключите наливной шланг. ВНИМАНИЕ! Перед тем, как вновь использовать прибор, убедитесь,...
Страница 26 - ТЕХНИЧЕСКИЕ ДАННЫЕ
Неисправность Возможное решение Невозможно открыть крышку прибора. • Убедитесь, что программа стирки завершена. • Если в камере осталась вода, выберите функцию слива или отжима. Прибор издает не‐ обычный шум. • Убедитесь, что прибор как следует выровнен. См. Главу «Инструкции по установке». • Убедит...