Страница 2 - ПОДДЕРЖКА ПОТРЕБИТЕЛЕЙ И СЕРВИСНОЕ
СОДЕРЖАНИЕ 1. СВЕДЕНИЯ ПО ТЕХНИКЕ БЕЗОПАСНОСТИ.................................................3 2. УКАЗАНИЯ ПО БЕЗОПАСНОСТИ................................................................... 4 3. ОПИСАНИЕ ИЗДЕЛИЯ..................................................................................... 6...
Страница 4 - Установка
1.2 Общие правила техники безопасности • Не изменяйте параметры данного прибора. • Соблюдайте максимально допустимую загрузку в 6 кг (см. Главу «Таблица программ»). • Рабочее давление воды (минимальное и максимальное) должно находиться в пределах 0,5 бар (0,05 МПа) и 8 бар (0,8 МПа). • Вентиляционны...
Страница 6 - Утилизация; ОПИСАНИЕ ИЗДЕЛИЯ; Обзор прибора
могут использоваться с Вашим прибором, обратитесь в авторизованный сервисный центр. 2.5 Утилизация ВНИМАНИЕ! Существует опасность травмы или удушья. • Отключите прибор от электросети. • Отрежьте и утилизируйте кабель электропитания. • Удалите защелку дверцы, чтобы предотвратить риск ее запирания при...
Страница 7 - ПАНЕЛЬ УПРАВЛЕНИЯ; Описание панели управления
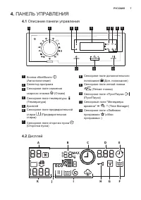
4. ПАНЕЛЬ УПРАВЛЕНИЯ 4.1 Описание панели управления 1 2 3 4 5 6 7 8 9 10 11 12 1 Кнопка «Вкл/Выкл» (Автоотключение) 2 Селектор программ 3 Сенсорное поле сниженияскорости отжима (Отжим) 4 Сенсорное поле температуры (Температура) 5 Дисплей 6 Сенсорное поле предварительнойстирки (Предварительная стирка...
Страница 8 - ТАБЛИЦА ПРОГРАММ
A) Область температуры: : индикатор температуры : индикатор холодной воды B) : Максимальная загрузка белья 1 C) : Индикатор Time Manager D) Область отображения времени: • : продолжительность программы • : отсрочка пуска • : коды ошибок • : сообщение об ошибке • : программа завершена. E) : индикатор ...
Страница 12 - Woolmark Apparel Care -; ПОКАЗАТЕЛИ ПОТРЕБЛЕНИЯ
Программа ■ ■ ■ ■ ■ ■ ■ 1) Задайте скорость отжима. Удостоверьтесь, что она соответствует типу белья. При выборе параметра «Без отжима» доступен только этап слива. 5.1 Woolmark Apparel Care - Синий Компания Вулмарк (Woolmark) одобрила применение используемой в данной машине программы стирки шерстяны...
Страница 13 - РЕЖИМЫ; Температура
Программ ы Загрузка (кг) Потреблен ие электроэне ргии (кВт·ч) Потреблен ие воды (в литрах) Приблизит ельная продолжит ельность программ ы (в минутах) Остаточна я влажность(%) 1) Хлопок 60°C 6 1,10 54 180 52 2) / 44 3) Хлопок 40°C 6 0,60 52 170 52 2) / 44 3) Синтетика 40°C 2.5 0,45 45 105 35 2) / 35 ...
Страница 14 - Отжим; Предварительная стирка
7.2 Отжим С помощью этой функции можно уменьшить скорость отжима по умолчанию.На дисплее отобразится индикатор заданной скорости. Дополнительные функции отжима: Без отжима • Используйте эту функцию для пропуска всех фаз отжима. • Используйте для очень деликатных тканей. • Для некоторых программ стир...
Страница 15 - Менеджер времени; «Мои программы»
Загорится соответствующий индикатор. 7.7 Менеджер времени При выборе программы стирки на дисплее отображается ее продолжительность по умолчанию. Нажмите или , чтобы уменьшить или увеличить продолжительность программы.Менеджер времени может использоваться только с программами в таблице. Ин дик ато р ...
Страница 16 - ПАРАМЕТРЫ; Защита от детей; Постоянное; Звуковая сигнализация; ПЕРЕД ПЕРВЫМ ИСПОЛЬЗОВАНИЕМ; Загрузка белья
Как записать программу1. Включите прибор нажатием накнопку . 2. Задайте программу и дополнительные функции, которые следует записать в память. 3. Нажимайте на MyFavourite, пока на дисплее не появится текст « MEM ». Как выбрать записанную программу 1. Включите прибор нажатием накнопку . 2. Нажмите на...
Страница 18 - Жидкое или порошковое; Включение прибора
10.4 Жидкое или порошковое средство для стирки. 1. CLICK 2. A 3. CLICK 4. B • Положение A для стирального порошка (заводская настройка). • Положение B для жидкого средства для стирки. При использовании жидкого средства для стирки: • Не используйте гелеобразные или густые жидкие средства для стирки. ...
Страница 21 - ПОЛЕЗНЫЕ СОВЕТЫ
Нажмите на кнопку , чтобы включить прибор вновь. • Спустя пять минут после окончания программы стирки.Нажмите на кнопку , чтобы включить прибор вновь. На дисплее отображается конец последней заданной программы. Для выбора новой программы стирки поверните селектор программ. 11. ПОЛЕЗНЫЕ СОВЕТЫ ВНИМАН...
Страница 22 - УХОД И ОЧИСТКА
• Следуйте инструкциям, приведенным на упаковке данных средств. • Выбирайте средства, подходящие для типа и цвета конкретной ткани, температуры программы стирки и уровня загрязненности. • Если в приборе отсутствует дозатор средства для стирки с заслонкой, добавляйте жидкие средства для стирки при по...
Страница 26 - ПОИСК И УСТРАНЕНИЕ НЕИСПРАВНОСТЕЙ; Введение; Возможные неисправности
13. ПОИСК И УСТРАНЕНИЕ НЕИСПРАВНОСТЕЙ ВНИМАНИЕ! См. Главы, содержащие Сведения по технике безопасности. 13.1 Введение Прибор не запускается или останавливается во время работы.Сначала попытайтесь найти решение проблемы (см. Таблицу). Если решение не найдено, обратитесь в авторизованный сервисный цен...
Страница 28 - ТЕХНИЧЕСКИЕ ДАННЫЕ
Неисправность Возможное решение Убедитесь, что упаковка и/или транспортировочные болты удалены. См. раздел «Установка». Добавьте в барабан еще белья. Возможно, нагрузка недостаточна велика. Цикл заканчивается быстрее, чем указано на дисплее. Прибор может изменить время стирки сообразно конкретной за...
Страница 29 - ОХРАНА ОКРУЖАЮЩЕЙ СРЕДЫ
Подключение воды 1) Холодная вода Максимальная загрузка Хлопок 6 кг Класс энергопотребления A+++ Скорость отжима Максимум 1300 об/мин (EWT1367VDW) 1500 об/мин (EWT1567VDW) 1) Присоедините наливной шланг к водопроводному крану с резьбой 3/4". 15. ОХРАНА ОКРУЖАЮЩЕЙ СРЕДЫ Материалы с символом следу...