Страница 6 - БҰЙЫМ СИПАТТАМАСЫ; Құрылғының жалпы көрінісі; БАСҚАРУ ПАНЕЛІ; Басқару панелінің сипаттамасы
3. БҰЙЫМ СИПАТТАМАСЫ 3.1 Құрылғының жалпы көрінісі 2 3 1 4 5 6 1 Басқару панелі 2 Қақпақ 3 Қақпақтың тұтқасы 4 Су төгетін сорғының сүзгісі 5 Құрылғы деңгейін реттеуге арналған тірек 6 Техникалық ақпарат тақтайшасы 4. БАСҚАРУ ПАНЕЛІ 4.1 Басқару панелінің сипаттамасы Температура Отжим Легкая глажка От...
Страница 27 - ПОДДЕРЖКА ПОТРЕБИТЕЛЕЙ И СЕРВИСНОЕ
СОДЕРЖАНИЕ 1. СВЕДЕНИЯ ПО ТЕХНИКЕ БЕЗОПАСНОСТИ...............................................28 2. УКАЗАНИЯ ПО БЕЗОПАСНОСТИ................................................................. 29 3. ОПИСАНИЕ ИЗДЕЛИЯ................................................................................... 31 4....
Страница 29 - Установка
1.2 Общие правила техники безопасности • Не изменяйте параметры данного прибора. • Соблюдайте максимально допустимую загрузку в 6 кг (см. Главу «Таблица программ»). • Рабочее давление воды (минимальное и максимальное) должно находиться в пределах 0,5 бар (0,05 МПа) и 8 бар (0,8 МПа). • Вентиляционны...
Страница 31 - ОПИСАНИЕ ИЗДЕЛИЯ; Обзор прибора
дополнительные принадлежности могут использоваться с Вашим прибором, обратитесь в авторизованный сервисный центр. 2.5 Сервис • Для ремонта прибора обратитесь в авторизованный сервисный центр. • Применяйте только оригинальные запасные части. 2.6 Утилизация ВНИМАНИЕ! Существует опасность травмы или уд...
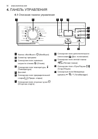
Страница 32 - ПАНЕЛЬ УПРАВЛЕНИЯ; Описание панели управления
4. ПАНЕЛЬ УПРАВЛЕНИЯ 4.1 Описание панели управления Температура Отжим Легкая глажка Отсрочка старта Предв. стирка Доп. полоскание Старт/Пауза Хлопок Хлопок Eco Синтетика Тонкие ткани Шерсть/ Ручная стирка Джинсы Вкл/Выкл Полоскание Отжим/Слив Шторы Шелк Одеяла Спорт 5 Рубашек Белье 1 2 3 4 5 8 7 9 6...
Страница 33 - ТАБЛИЦА ПРОГРАММ
4.2 Дисплей A B C D E F G A) Область температуры: : индикатор температуры : индикатор холодной воды B) : индикатор Менеджера времени. C) Область отображения времени: • : продолжительность программы • : отсрочка пуска • : коды ошибок • : сообщение об ошибке • работа программы завершена. D) : индикато...
Страница 36 - Woolmark Apparel Care -; ПОКАЗАТЕЛИ ПОТРЕБЛЕНИЯ
Программа ■ ■ ■ ■ ■ ■ ■ ■ ■ ■ ■ ■ ■ 1) Задайте скорость отжима. Удостоверьтесь, что она соответствует типу белья. При выборе режима «Без отжима» доступен только этап слива. 5.1 Woolmark Apparel Care - Синий Компания Вулмарк (Woolmark) одобрила применение используемой в данной машине программы стирки...
Страница 37 - РЕЖИМЫ
Программы Загруз ка (кг) Потребл ение электроэ нергии (кВт·ч) Потреблен ие воды (в литрах) Приблизительная продолжительнос ть программы (в минутах) Хлопок 60°С 6 1,10 56 180 «Энергосберегающая программа для хлопка»при 60°C 1) 6 0,79 47 248 Хлопок 40°С 6 0,65 54 150 Синтетика 40°С 2,5 0,45 46 105 Дел...
Страница 38 - Oтсрочка старта
• Крышка остается заблокированной. Чтобы разблокировать крышку, необходимо слить воду. • На дисплее отображается индикатор . Для слива воды см. Главу «По окончании программы». Очень тихая • Используйте эту функцию, чтобы пропустить все фазы отжима и выполнить бесшумную стирку. • Для некоторых програ...
Страница 39 - ПАРАМЕТРЫ; Защита от детей; Звуковая сигнализация
Индикатор Хлопок Eco 1) 1) ■ ■ ■ ■ 3) ■ 3) ■ ■ 3) ■ ■ ■ ■ 4) ■ ■ ■ 3) ■ 3) ■ ■ 3) 1) Если имеется в наличии. 2) Самая быстрая: для освежения белья. 3) Продолжительность программы по умолчанию. 4) Наиболее длительная: постепенное увеличение продолжительности программы уменьшает энергопотребление. Опт...
Страница 40 - ПЕРЕД ПЕРВЫМ ИСПОЛЬЗОВАНИЕМ; Загрузка белья
полоскание при установке новой программы.• Чтобы включить/выключить этот режим, одновременно нажмите и удерживайте и до тех пор, пока не загорится/отключится индикатор . 9. ПЕРЕД ПЕРВЫМ ИСПОЛЬЗОВАНИЕМ 1. Поместите небольшое количество моющего средства в отсек для этапа стирки. 2. Не загружая в прибо...
Страница 41 - Жидкое или порошковое
Отсек средства для стирки, используемого на этапе предварительной стирки. Отметки «МАКС» указывают на максимально допустимые уровни средства для стирки (порошкового или жидкого).Отсек средства для стирки, используемого на этапе стирки. Отметки «МАКС» указывают на максимально допустимые уровни средст...
Страница 44 - ПОЛЕЗНЫЕ СОВЕТЫ
Для слива воды: 1. Нажмите на . Прибор произведет слив воды и отжим. 2. Для того, чтобы прибор произвелтолько слив, выберите . При необходимости понизьте скорость отжима. 3. По окончании программыиндикатор блокировки крышки погаснет и дверцу можно будет открыть. 4. Нажмите кнопку на несколько секунд...
Страница 45 - УХОД И ОЧИСТКА
Такие загрязнения рекомендуется удалять до загрузки одежды в прибор.В продаже имеются специализированные средства для выведения пятен. Используйте пятновыводители, подходящие к конкретному типу пятен и ткани. 11.3 Средства для стирки и добавки • Используйте только средства для стирки и добавки, пред...
Страница 49 - ПОИСК И УСТРАНЕНИЕ НЕИСПРАВНОСТЕЙ; Введение; Возможные неисправности
13. ПОИСК И УСТРАНЕНИЕ НЕИСПРАВНОСТЕЙ ВНИМАНИЕ! См. Главы, содержащие Сведения по технике безопасности. 13.1 Введение Прибор не запускается или останавливается во время работы.Сначала попытайтесь найти решение проблемы (см. Таблицу). Если решение не найдено, обратитесь в авторизованный сервисный цен...
Страница 51 - ТЕХНИЧЕСКИЕ ДАННЫЕ
Неисправность Возможное решение Добавьте в барабан еще белья. Возможно, нагрузка недостаточна велика. Цикл заканчивается быстрее, чем указано на дисплее. Прибор может изменить время стирки сообразно конкретной загрузке белья. См. Главу «Показатели потребления». Цикл требует больше времени, чем указа...
Страница 52 - ОХРАНА ОКРУЖАЮЩЕЙ СРЕДЫ
Максимальная загрузка Хлопок 6 кг Класс энергопотребления A+++ Скорость отжима Максимум 1000 об/мин 1) Присоедините наливной шланг к водопроводному крану с резьбой 3/4". 15. ОХРАНА ОКРУЖАЮЩЕЙ СРЕДЫ Материалы с символом следует сдавать на переработку. Положите упаковку в соответствующие контейнер...