Страница 28 - ПОДДЕРЖКА ПОТРЕБИТЕЛЕЙ И СЕРВИСНОЕ
СОДЕРЖАНИЕ 1. СВЕДЕНИЯ ПО ТЕХНИКЕ БЕЗОПАСНОСТИ...............................................29 2. УКАЗАНИЯ ПО БЕЗОПАСНОСТИ................................................................. 30 3. ОПИСАНИЕ ИЗДЕЛИЯ................................................................................... 32 4....
Страница 30 - Установка
1.2 Общие правила техники безопасности • Не изменяйте параметры данного прибора. • Соблюдайте максимально допустимую загрузку в 6.5 кг (см. Главу «Таблица программ»). • Рабочее давление воды (минимальное и максимальное) должно находиться в пределах 0,5 бар (0,05 МПа) и 8 бар (0,8 МПа). • Вентиляцион...
Страница 32 - Утилизация; ОПИСАНИЕ ИЗДЕЛИЯ; Обзор прибора
могут использоваться с Вашим прибором, обратитесь в авторизованный сервисный центр. • Не прикасайтесь к стеклянной части дверцы во время работы программы. Дверца может быть горячей. 2.5 Утилизация ВНИМАНИЕ! Существует опасность травмы или удушья. • Отключите прибор от электросети. • Отрежьте и утили...
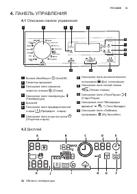
Страница 33 - ПАНЕЛЬ УПРАВЛЕНИЯ; Описание панели управления
4. ПАНЕЛЬ УПРАВЛЕНИЯ 4.1 Описание панели управления 5 3 4 10 12 11 8 7 9 6 1 2 1 Кнопка «Вкл/Выкл» (AutoOff) 2 Селектор программ 3 Сенсорное поле сниженияскорости отжима (Отжим) 4 Сенсорное поле температуры (Температура) 5 Дисплей 6 Сенсорное поле предварительнойстирки (Предварит. стирка) 7 Сенсорно...
Страница 34 - ПРОГРАММЫ; Таблица программ
: индикатор температуры : индикатор холодной воды B) : Максимальная загрузка белья 1 C) : Индикатор Time Manager D) Область отображения времени: • : продолжительность программы • : отсрочка пуска • : коды ошибок • : сообщение об ошибке • : программа завершена. E) : индикатор отсрочки пуска F) : инди...
Страница 37 - ПОКАЗАТЕЛИ ПОТРЕБЛЕНИЯ
Программа ■ ■ ■ ■ ■ ■ ■ ■ ■ ■ ■ ■ ■ ■ ■ ■ ■ ■ ■ ■ ■ ■ ■ ■ ■ ■ ■ ■ ■ ■ ■ 1) ■ ■ ■ ■ ■ ■ ■ ■ ■ ■ ■ ■ ■ ■ ■ ■ ■ ■ ■ ■ ■ ■ ■ ■ ■ 1) Задайте скорость отжима. Удостоверьтесь, что она соответствует типу белья. При выборе параметра «Без отжима» доступен только этап слива. 6. ПОКАЗАТЕЛИ ПОТРЕБЛЕНИЯ Приведенн...
Страница 38 - РЕЖИМЫ
Программ ы Загрузка (кг) Потреблен ие электроэне ргии (кВт·ч) Потреблен ие воды (в литрах) Приблизит ельная продолжит ельность программ ы (в минутах) Остаточна я влажность(%) 1) Хлопок 60°C 6.5 1.15 62 166 53 2) / 52 3) Хлопок Eco60°C 4) 6.5 0.81 51 190 53 2) / 52 3) Хлопок 40°C 6.5 0.75 62 165 53 2...
Страница 39 - Легкая глажка
• Используйте эту функцию для пропуска всех фаз отжима. • Используйте для очень деликатных тканей. • Для некоторых программ стирки на этапе полоскания используется больший объем воды. • На дисплее отображается индикатор . Остановка с водой в баке • Используйте эту функцию для предотвращения образова...
Страница 41 - ПАРАМЕТРЫ; Защита от детей; Постоянное; Звуковая сигнализация; ПЕРЕД ПЕРВЫМ ИСПОЛЬЗОВАНИЕМ; Загрузка белья
Как выбрать записанную программу1. Включите прибор нажатием накнопку . 2. Нажмите на MyFavourite коротким нажатием. Функция отсрочки пуска записи не подлежит. 8. ПАРАМЕТРЫ 8.1 Защита от детей С помощью этой функции можно заблокировать панель управления от детей.• Чтобы включить/выключить эту функцию...
Страница 43 - Жидкое или порошковое; Включение прибора
10.4 Жидкое или порошковое средство для стирки. 1. A 2. 3. B 4. • Положение A для стирального порошка (заводская настройка). • Положение B для жидкого средства для стирки. При использовании жидкого средства для стирки: • Не используйте гелеобразные или густые жидкие средства для стирки. • Не превыша...
Страница 45 - Открывание дверцы; По окончании; Функция
10.11 Открывание дверцы ОСТОРОЖНО! Если температура или уровень воды в барабане слишком высоки и барабан еще вращается, дверцу нельзя будет открыть. При выполнении программы или в случае использования задержки пуска дверца прибора блокируется, а надисплее отображается индикатор . Как открыть дверцу ...
Страница 46 - ПОЛЕЗНЫЕ СОВЕТЫ
11. ПОЛЕЗНЫЕ СОВЕТЫ 11.1 Загрузка белья • Разделите белье на: белое белье, цветное белье, синтетику, тонкое деликатное белье и изделия из шерсти. • Следуйте инструкциям, приведенным на ярлыках вещей с информацией по уходу за ними. • Не стирайте одновременно белое и цветное белье. • Некоторые цветные...
Страница 47 - УХОД И ОЧИСТКА
программу стирки, не включающую цикл предварительной стирки; • всегда запускайте программу стирки при максимальной загрузке белья; • при необходимости используйте пятновыводитель и выбирайте программу с более низкой температурой стирки; • для того, чтобы правильно выбрать нужное количество средства ...
Страница 51 - Меры против замерзания; ПОИСК И УСТРАНЕНИЕ НЕИСПРАВНОСТЕЙ; Введение; Возможные неисправности
воды в отсек дозатора моющего средства для основной стирки. 2. Запустите программу, чтобы слить воду. 12.9 Меры против замерзания Если прибор установлен в месте, где температура может опускаться ниже 0°C, удалите из наливного шланга и сливного насоса оставшуюся там воду. 1. Выньте вилку сетевого каб...
Страница 54 - ТЕХНИЧЕСКИЕ ДАННЫЕ; ОХРАНА ОКРУЖАЮЩЕЙ СРЕДЫ
После проверки включите прибор. Выполнение программы продолжится с того момента, на котором она была прервана. Если неисправность появится снова, обратитесь в авторизованный сервисный центр. Если на дисплее отображаются другие коды ошибок. Выключите и включите прибор. В случае повторного возникновен...