Страница 2 - ПОДДЕРЖКА ПОТРЕБИТЕЛЕЙ И СЕРВИСНОЕ
СОДЕРЖАНИЕ 1. СВЕДЕНИЯ ПО ТЕХНИКЕ БЕЗОПАСНОСТИ...............................................33 2. УКАЗАНИЯ ПО БЕЗОПАСНОСТИ................................................................. 34 3. ОПИСАНИЕ ИЗДЕЛИЯ................................................................................... 36 4....
Страница 4 - возможностями
1. СВЕДЕНИЯ ПО ТЕХНИКЕ БЕЗОПАСНОСТИ Перед установкой и эксплуатацией прибора внимательно ознакомьтесь с приложенным руководством. Производитель не несет ответственность за травмы и повреждения, полученные/вызванные неправильной установкой и эксплуатацией. Позаботьтесь о том, чтобы данное руководство...
Страница 8 - Описание панели управления
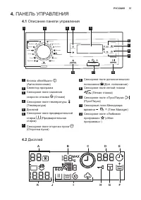
4. ПАНЕЛЬ УПРАВЛЕНИЯ 4.1 Описание панели управления Jeans Delicates Synthetics Cottons Rinse Duvet Spin/Drain Sports 14 Min. AutoOff Refresh Synthetics Cottons Wool/Handwash TimeManager MyFavourite Start/Pause Extra Rinse Delay Start Easy Iron Prewash Temperature Spin Cottons Eco 5 3 4 10 12 11 8 7 ...
Страница 12 - Синий; ПОКАЗАТЕЛИ ПОТРЕБЛЕНИЯ
Совместимость программных режимов Программа ■ ■ ■ ■ ■ ■ ■ ■ ■ ■ ■ ■ ■ ■ ■ ■ ■ ■ ■ ■ ■ ■ ■ ■ ■ ■ ■ ■ ■ ■ ■ ■ ■ ■ ■ ■ ■ ■ ■ ■ ■ ■ ■ ■ ■ 1) ■ ■ ■ ■ ■ ■ ■ ■ ■ ■ ■ ■ 1) Задайте скорость отжима. Удостоверьтесь, что она соответствует типу белья. При выборе режима «Без отжима» доступен только этап слива. 5....
Страница 16 - дополнительное полоскание; Звуковая сигнализация; ПЕРЕД ПЕРВЫМ ИСПОЛЬЗОВАНИЕМ; ЕЖЕДНЕВНОЕ ИСПОЛЬЗОВАНИЕ
Как выбрать записанную программу1. Включите прибор нажатием на кнопку . 2. Нажмите на MyFavourite коротким нажатием. Функция отсрочки пуска записи не подлежит. 8. ПАРАМЕТРЫ 8.1 Защита от детей С помощью этой функции можно заблокировать панель управления от детей.• Чтобы включить/выключить эту функци...
Страница 17 - Добавление средства; для стирки и добавок; Отделения дозатора моющих средств
Не превышайте норму загрузки при укладке белья в барабан. 4. Плотно закройте дверцу. ОСТОРОЖНО! Убедитесь, что белье не зажато между уплотнением и дверцей. Это может привести к протечке или повреждению белья. 10.2 Добавление средства для стирки и добавок 1. Отмерьте количество средства для стирки и ...
Страница 18 - Жидкое или порошковое; Включение прибора
10.4 Жидкое или порошковое средство для стирки. 1. A 2. 3. B 4. • Положение A для стирального порошка (заводская настройка). • Положение B для жидкого средства для стирки. При использовании жидкого средства для стирки: • Не используйте гелеобразные или густые жидкие средства для стирки. • Не превыша...
Страница 19 - Запуск программы без; отсрочки пуска; Запуск программы с; отсрочкой пуска
При ошибочной установке на дисплее отобразитсясообщение . 10.7 Запуск программы без отсрочки пуска Нажмите на . • Индикатор перестанет мигать и загорится постоянным светом. • Индикатор начнет мигать на дисплее. • Программа запускается, дверца блокируется, на дисплеепоявляется индикатор . В случае ми...
Страница 20 - Прерывание программы; и изменение выбранных
10.9 Прерывание программы и изменение выбранных функций Ряд функций можно изменить до того, как они будут запущены. 1. Нажмите на . Замигает индикатор. 2. Внесите изменения в функции.3. Вновь нажмите . Выполнение программы будет продолжено. 10.10 Отмена выполняющейся программы 1. Нажмите кнопку на н...
Страница 21 - АВТООТКЛЮЧЕНИЕ
погаснет, и дверцу можно будет открыть. 4. Нажмите кнопку Автоотключение на несколько секунд, чтобы отключить прибор. Прибор автоматически произведет слив воды и отжим приблизительно через 18 часов (за исключением программ стирки шерстяных изделий). 10.13 Режим АВТООТКЛЮЧЕНИЕ Функция АВТООТКЛЮЧЕНИЕ ...
Страница 22 - Средства для стирки и; добавки; Очистка наружных; поверхностей
11.3 Средства для стирки и добавки • Используйте только средства для стирки и добавки, предназначенные специально для стиральных машин: – стиральные порошки для всех типов тканей, – стиральные порошки для изделий из деликатных тканей (макс. температура 40°C) и шерсти, – жидкие моющие средства, предп...
Страница 23 - Профилактическая; стирка; Уплотнитель дверцы
предназначенные для стиральных машин средства для удаления накипи.Регулярно проверяйте состояние барабана, во избежание образования накипи и частичек ржавчины.Для удаления частиц ржавчины используйте только специальные средства для стиральной машины. Данную операцию следует производить отдельно от с...
Страница 26 - Меры против замерзания; ПОИСК И УСТРАНЕНИЕ НЕИСПРАВНОСТЕЙ
3. 4. 45° 20° 12.8 Экстренный слив В результате неисправности прибор может быть не в состоянии произвести слив воды.В этом случае выполните действия с (1) по (9), описанные в Главе «Очистка сливного фильтра». При необходимости очистите насос.После выполнения операций экстренного слива воды необходим...
Страница 27 - Возможные неисправности
• - В прибор не поступает как следует вода. • - Прибор не сливает воду. • - Дверца прибора открыта или не закрыта как следует. Пожалуйста, проверьте дверцу! В случае перегрузки прибора выньте из барабана несколько вещей и/или, продолжая нажимать на дверцу, одновременно нажмите на кнопку Пуск/ Пауза,...
Страница 31 - Дополнительные технические данные
Давление в водопроводной сети Минимум Максимум 0,5 бар (0,05 МПа) 8 бар (0,8 МПа) Подключение воды 1) Холодная вода Максимальная загрузка Хлопок 8 кг Класс энергопотребления A+++ Скорость отжима Максимум 1200 об/мин 1) Присоедините наливной шланг к водопроводному крану с резьбой 3/4". 15.1 Допол...
Страница 32 - ОХРАНА ОКРУЖАЮЩЕЙ СРЕДЫ
Шум при отжиме для стандартной программы «60°C – хлопок» дБ/А 73 1) В соответствии со стандартом EN60456. 16. ОХРАНА ОКРУЖАЮЩЕЙ СРЕДЫ Материалы с символом следует сдавать на переработку. Положите упаковку в соответствующие контейнеры для сбора вторичного сырья. Принимая участие в переработке старого...