Страница 2 - ПОДДЕРЖКА ПОТРЕБИТЕЛЕЙ И СЕРВИСНОЕ
СОДЕРЖАНИЕ 1. СВЕДЕНИЯ ПО ТЕХНИКЕ БЕЗОПАСНОСТИ.................................................3 2. УКАЗАНИЯ ПО БЕЗОПАСНОСТИ................................................................... 5 3. УСТАНОВКА.................................................................................................
Страница 3 - СВЕДЕНИЯ ПО ТЕХНИКЕ БЕЗОПАСНОСТИ; возможностями
Информация по охране окружающей среды Право на изменения сохраняется. 1. СВЕДЕНИЯ ПО ТЕХНИКЕ БЕЗОПАСНОСТИ Перед установкой и эксплуатацией прибора внимательно ознакомьтесь с настоящей Инструкцией. Производитель не несет ответственности за какие-либо травмы или ущерб, возникший вследствие неправильно...
Страница 4 - Общие правила техники безопасности
• Храните все упаковочные материалы вне досягаемости детей и утилизируйте материалы надлежащим образом. • Храните моющие средства вне досягаемости детей. • Не подпускайте детей и домашних животных к прибору, когда его дверца открыта. • Если прибор оснащен устройством защиты детей, его следует включи...
Страница 5 - УКАЗАНИЯ ПО БЕЗОПАСНОСТИ
• При подключении прибора к водопроводу должны использоваться новые поставляемые с ним комплекты шлангов или другие новые комплекты шлангов, поставленные авторизованным сервисным центром. • Использовать старые комплекты шлангов нельзя. • В случае повреждения кабеля электропитания во избежание пораже...
Страница 9 - выравнивание
Рекомендуется сохранить упаковку и транспортировочные болты на случай, если потребуется любое дальнейшее перемещение прибора. 3.2 Размещение и выравнивание Выровняйте прибор надлежащим образом, чтобы предотвратить появление вибрации, шума и перемещение прибора во время работы. x4 1. Установите прибо...
Страница 11 - Комплект для установки; приборов один на другой
Обязательно согните сливной шланг в форме подковы, чтобы предотвратить попадание содержимого слива из раковины обратно в прибор. 6. Подсоедините шланг непосредственно к сливной трубе, встроенной в стену помещения: вставьте шланг и закрепите муфтой. 4. ПРИНАДЛЕЖНОСТИ 4.1 Набор крепежных накладок (405...
Страница 12 - авторизованных магазинах
4.3 Цоколь с ящиком Поднимает ваш прибор и облегчает загрузку и выгрузку белья.Ящик может быть использован для хранения белья (например, полотенец, моющих средств и т.д.)Внимательно прочитайте инструкцию, прилагаемую к данному аксессуару. 4.4 Доступно по адресу www.electrolux.com/shop или в авторизо...
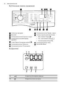
Страница 13 - Описание панели управления
5 Табличка с техническими данными 6 Фильтр сливного насоса 7 Ножки для выравнивания прибора 8 Сливной шланг 9 Штуцер для подсоединения наливного шланга 10 Сетевой кабель 11 Транспортировочные болты 12 Держатель для шланга 6. ПАНЕЛЬ УПРАВЛЕНИЯ 6.1 Особые функции Ваша новая стиральная машина отвечает ...
Страница 22 - Звуковая сигнализация
Программа Отжим Предв. cтирка +Полоскание +Мягкость Отсрочка старта Менеджер времени Шелк ■ ■ ■ Шерсть ■ ■ ■ ■ Спорт ■ ■ ■ ■ ■ ■ Kypтки ■ ■ ■ ■ ■ Дeним ■ ■ ■ ■ ■ ■ ■ 8.2 Woolmark Apparel Care - Синий Компания Woolmark Company одобрила применение используемой в данной ма‐ шине программы стирки шерстя...
Страница 23 - Включение прибора
При обнаружении неисправности звуковые сигналы будут выдаваться даже в случае их отключения. 9.2 Защита от детей С помощью этой опции можно заблокировать панель управления от детей.• Чтобы включить/выключить эту опцию, нажмите кнопку +Мягкость и удерживайте ее, пока на дисплее не включится и не выкл...
Страница 24 - положения заслонки моющих
11.3 Добавление средства для стирки и добавок Отделение для моющего сред‐ ства, используемого на этапе предварительной стирки, за‐ мачивания или выведения пя‐ тен.Отделение средства для стир‐ ки, используемого на этапе стирки.Отделение для жидких доба‐ вок (кондиционера для тканей, средства для подк...
Страница 25 - отсрочкой пуска
• Не используйте этап предварительной стирки. • Не используйте функцию задержки пуска. 5. Отмерьте количество средства для стирки и кондиционера для ткани. 6. Осторожно закройте дозатор средства для стирки. Убедитесь, что заслонка не препятствует закрыванию ящичка. 11.5 Выбор программы 1. Поверните ...
Страница 26 - Система определения; Прерывание программы
паузы. Замигает соответствующий индикатор. 3. Последовательным касанием кнопки Отсрочка старта добейтесь отображения надисплее и выключенияиндикатора . 4. Снова коснитесь кнопки Старт/ Пауза , чтобы сразу же запустить программу. Изменение отсрочки пуска после запуска обратного отсчета Для изменения ...
Страница 29 - Моющие средства и; другие добавки; Очистка наружных; поверхностей
Такие загрязнения рекомендуется обработать заранее до загрузки одежды в прибор.В продаже имеются специализированные средства для выведения пятен. Используйте пятновыводители, подходящие к конкретному типу пятен и ткани. 12.3 Моющие средства и другие добавки • Используйте только моющие средства и доб...
Страница 30 - Профилактическая; стирка; Дверной уплотнитель со; уловителем
ПРЕДУПРЕЖДЕНИЕ Не используйте составы на основе спирта, растворителей или химических веществ. ПРЕДУПРЕЖДЕНИЕ Не производите очистку металлических поверхностей при помощи моющего средства на основе хлора. 13.2 Удал. накипи Если вода в вашем регионе имеет высокую или среднюю жесткость, рекомендуется и...
Страница 31 - Очистка дозатора; моющего средства
Всегда следуйте инструкциям, приведенным на упаковке данных средств. Не используйте для чистки барабана чистящие средства, имеющую кислотную основу или содержащие хлор, а также металлические губки. Для основательной очистки:1. Выньте все белье из барабана. 2. Выберите программу Хлопок и установите м...
Страница 32 - Очистка фильтра сливного насоса
4. Установите дозатор моющих средств на направляющие и закройте его. Запустите программу полоскания без белья в баке. 13.7 Очистка фильтра сливного насоса Регулярно проверяйте состояние фильтра сливного насоса и не забывайте его очищать.Выполните очистку сливного насоса, если:• Прибор не сливает вод...
Страница 34 - Очистка наливного шланга и фильтра клапана; замерзания
13.8 Очистка наливного шланга и фильтра клапана 3 1 2 45° 20° 13.9 Экстренный слив Если прибор не может выполнить слив воды, произведите процедуру, описанную в Параграфе «Чистка сливного насоса». При необходимости очистите насос. 13.10 Меры против замерзания Если прибор установлен в месте, где темпе...
Страница 35 - ПОИСК И УСТРАНЕНИЕ НЕИСПРАВНОСТЕЙ
14. ПОИСК И УСТРАНЕНИЕ НЕИСПРАВНОСТЕЙ ВНИМАНИЕ! См. главы, содержащие Сведения по технике безопасности. 14.1 Введение Прибор не запускается или останавливается во время работы.Сначала попытайтесь найти решение проблемы (см. Таблицу). В случае повторного возникновения неисправности обратитесь в автор...
Страница 36 - Возможные неисправности
14.2 Возможные неисправности Неисправность Возможное решение Программа не запу‐ скается. • Убедитесь, что вилка сетевого шнура вставлена в розетку электропитания. • Убедитесь, что дверца прибора закрыта. • Убедитесь, что предохранитель на электрощите не поврежден. • Убедитесь, что кнопка Старт/Пауза...
Страница 38 - ПОКАЗАТЕЛИ ПОТРЕБЛЕНИЯ
Неисправность Возможное решение Результаты стирки не‐ удовлетворительны. • Увеличьте количество моющего средства или ис‐ пользуйте другое моющее средство. • Перед стиркой используйте специальные средства для удаления стойких пятен. • Убедитесь в правильности выбранной температуры. • Уменьшите объем ...
Страница 39 - ТЕХНИЧЕСКИЕ ДАННЫЕ
Программы За‐ грузка (кг) Потребле‐ ние элек‐ троэнергии (кВт·ч) Потребле‐ ние воды (в литрах) Приблизи‐ тельная продолжи‐ тельность програм‐ мы (в ми‐ нутах) Хлопок 60°C 8 1,35 70 159 Энергосберегающая програм‐ма для хлопка 60°C 1) 8 0,96 52 244 Хлопок 40°C 8 0,87 69 158 Синтетика 40°C 3 0,60 56 10...
Страница 40 - использование
Давление в водопро‐ водной сети Минимум Максимум 0,5 бар (0,05 МПа) 8 бар (0,8 МПа) Подключение воды 1) Холодная вода Максимальная за‐ грузка Хлопок 8 кг Класс энергопотребления A+++ Скорость отжима Максимум 1000 об/мин 1) Присоедините наливной шланг к водопроводному крану с резьбой 3/4'' . 17. НЕИС...
Страница 41 - Чистка фильтра сливного насоса
2. Выберите требуемые опции (1) при помощи соответствующих сенсорных кнопок. Коснитеськнопки Старт/Пауза (2) для запуска программы. 3. Прибор начнет работу. По окончании работы программы выгрузите белье.Нажмите на кнопку Вкл/Выкл для выключения прибора. 18.2 Чистка фильтра сливного насоса 1 3 2 180˚...
Страница 42 - ОХРАНА ОКРУЖАЮЩЕЙ СРЕДЫ
Программы Загрузка Описание изделия Одеяла 3 кг Одно одеяло из синтетики, стеганая оде‐ жда, одеяла, пуховые куртки. Шелк 1 кг Специальная программа для стирки шелковых и смесовых синтетических тканей. Шерсть 1,5 кг Шерсть, пригодная для машинной стир‐ ки, а также шерстяные изделия, подле‐ жащие руч...