De Dietrich MS 24 MI FF - инструкции и руководства
Котел De Dietrich MS 24 MI FF - инструкции пользователя по применению, эксплуатации и установке на русском языке читайте онлайн в формате pdf
Инструкции:
Инструкция по эксплуатации De Dietrich MS 24 MI FF
Краткое содержание
266 РУКОВОДСТВО ДЛЯ ПОЛЬЗОВАТЕЛЯ 71.03982.03 - RU Уважае мый покупатель! Мы убеждены, что приобретенное Вами изделие будет соответствовать всем Вашим требованиям. Приобретение одного из изделий De Dietrich отвечает вашим ожиданиям: хорошая работа, простота и легкость пользования.Сохраните это руково...
267 РУКОВОДСТВО ДЛЯ ПОЛЬЗОВАТЕЛЯ 71.03982.03 - RU К от е л пр е дн а зн а ч ен для нагрева воды не выше температуры кипения при атмосферном давлении. Он подключается к системе отопления и к системе приготовления горячей воды в соответствии с его характеристиками и мощностью. Котел должен устанавлива...
270 РУКОВОДСТВО ДЛЯ ПОЛЬЗОВАТЕЛЯ 71.03982.03 - RU Для выключения котла необходимо отключить электропитание прибора. Когда переключатель режимов находится в положении«ВЫКЛЮЧЕНО» (см. параграф 5) , то котел не работает (на дисплее появляется надпись OFF), но электрический контур котла остается под нап...
271 РУКОВОДСТВО ДЛЯ ПОЛЬЗОВАТЕЛЯ 71.03982.03 - RU 10. СИСТЕМА БЕЗОПАСНОСТИ: ИНДИКАТОРЫ И СРАБАТЫВАНИЕ Р екомендуется избегать частых сливов воды из системы отопления, т.к. частая замена воды приводит к ненужным и вредным отложениям накипи внутри котла и теплообменников. Если котел не используется в ...
272 РУКОВОДСТВО ДЛЯ ТЕХНИЧЕСКОГО ПЕРСОНАЛА 71.03982.03 - RU К от е л пр е дн а зн а ч ен для нагрева воды не выше температуры кипения при атмосферном давлении. Он подключается к системе отопления и к системе приготовления горячей воды в соответствии с его характеристиками и мощностью. До установки к...
273 РУКОВОДСТВО ДЛЯ ТЕХНИЧЕСКОГО ПЕРСОНАЛА 71.03982.03 - RU 13. INSTALLAZIONE DELLA CALDAIA 14. МОНТАЖ КОТЛА П осл е определения точного места положения котла следует проверить, что место монтажа позволяет проводить легкое техобслуживание (необходимо минимальное свободное пространство 450 мм в верхн...
275 РУКОВОДСТВО ДЛЯ ТЕХНИЧЕСКОГО ПЕРСОНАЛА 71.03982.03 - RU 16. УСТАНОВКА ДЫМОХОДА И ВОЗДУХОВОДА Модель 24 MI FF - 24 FF К от е л л егко устанавливается, благодаря принадлежностям в комплекте, описанным далее.Котел первонача льно предназначен для соединения с вертикальным или горизонтальным каналом ...
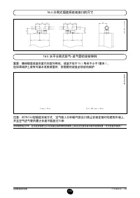
276 РУКОВОДСТВО ДЛЯ ТЕХНИЧЕСКОГО ПЕРСОНАЛА 71.03982.03 - RU 16.1 ВАРИАНТЫ ГОРИЗОНТАЛЬНОЙ УСТАНОВКИ НАКОНЕЧНИКА ДЫМОХОДА 16.2 ПРИМЕРЫ УСТАНОВКИ С ДЫМОХОДАМИ ТИПА С42 16.3 ВАРИАНТЫ ВЕРТИКАЛЬНОЙ УСТАНОВКИ НАКОНЕЧНИКА ДЫМОХОДА Т а кая установка может быть выполнена как на плоской, так и на наклонной кры...
277 РУКОВОДСТВО ДЛЯ ТЕХНИЧЕСКОГО ПЕРСОНАЛА 71.03982.03 - RU … СИСТЕМА ПРИТОКА ВОЗДУХА И ОТВОДА ПРОДУКТОВ СГОРАНИЯ ПО ДВУМ ОТДЕЛЬНЫМ ТРУБАМ Этот тип уст а н о вки позволяет отводить продукты сгорания, как через стену, так и в коллективный дымоход. Приток воздуха для сгорания может осуществляться такж...
279 РУКОВОДСТВО ДЛЯ ТЕХНИЧЕСКОГО ПЕРСОНАЛА 71.03982.03 - RU 17. ПОДКЛЮЧЕНИЕ К ЭЛЕКТРОПИТАНИЮ Э л ектробезопасность Электробезопаснос ть котла гарантируе тся только при правильном заземлении в соотве тс твии с дейс твующими нормативами.С помощью прилагаемого трехжильного кабеля подключите котел к одн...
280 РУКОВОДСТВО ДЛЯ ТЕХНИЧЕСКОГО ПЕРСОНАЛА 71.03982.03 - RU 18. ПОДСОЕДИНЕНИЕ КОМНАТНОГО ТЕРМОСТАТА • открыть доступ к клеммам подключения электропитания (рис.9), в соответствии с инструкциями, изложенными в предыдущем параграфе; • снять перемычку с клемм 1 и 2 клеммной колодки; • протянуть кабель и...
281 РУКОВОДСТВО ДЛЯ ТЕХНИЧЕСКОГО ПЕРСОНАЛА 71.03982.03 - RU 19. ПОРЯДОК ЗАМЕНЫ ГАЗА К от е л может быть переоборудован для работы на метане (G. 20) или сжиженном газе (G. 31) специалистами авторизованного сервисного центра. С этой целью необходимо последовательно выполнить следующие операции: A) зам...
282 РУКОВОДСТВО ДЛЯ ТЕХНИЧЕСКОГО ПЕРСОНАЛА 71.03982.03 - RU 19.1 ФУНКЦИЯ КАЛИБРОВКИ ГАЗОВОГО КЛАПАНА Примечание Эт а функция автоматически отключается по истечении приблизительно 15 минут, после чего электронная плата возвращается к предыдущему состоянию работы, до включения данной функции, или до д...
283 РУКОВОДСТВО ДЛЯ ТЕХНИЧЕСКОГО ПЕРСОНАЛА 71.03982.03 - RU 20. ВЫВОД ИНФОРМАЦИИ НА ДИСПЛЕЙ КОТЛА Для вывода информации о работе котла на дисплей, расположенный на передней панели котла, нажимать не менее 5 сек кнопку «i». • нажимать кнопки
286 РУКОВОДСТВО ДЛЯ ТЕХНИЧЕСКОГО ПЕРСОНАЛА 71.03982.03 - RU При н е об ходимости контроля отходящих газов котлы с принудительной тягой имеют две точки замера, расположенных на коаксиальной входной муфте.Одна из них находится на вытяжном дымоходе и позволяет контролировать соответствие отходящих газо...
287 РУКОВОДСТВО ДЛЯ ТЕХНИЧЕСКОГО ПЕРСОНАЛА 71.03982.03 - RU 26. ПРИСОЕДИНЕНИЕ ДАТЧИКА УЛИЧНОЙ ТЕМПЕРАТУРЫ Из пр о в одо в, которые выходят из приборного щитка, два провода КРАСНОГО цвета оснащены изолированными ножевыми контактами. Подсоединить датчик уличной температуры к данным проводам.При подсое...
288 РУКОВОДСТВО ДЛЯ ТЕХНИЧЕСКОГО ПЕРСОНАЛА 71.03982.03 - RU Для пр а вильной и надежной работы котла необходимо ежегодно проверять: • внешний вид и непроницаемость прокладок газового контура и камеры сгорания; • состояние и правильное положение электрода зажигания и электрода-датчика пламени; • сост...
289 РУКОВОДСТВО ДЛЯ ТЕХНИЧЕСКОГО ПЕРСОНАЛА 71.03982.03 - RU Фи льтр н а в ходе холодной воды системы ГВС и фильтр на обратке системы отопления располагаются внутри специальных съемных картриджей. Картридж с фильтром системы отопления располагается на возврате из системы (рис.16 F), картридж с фильтр...
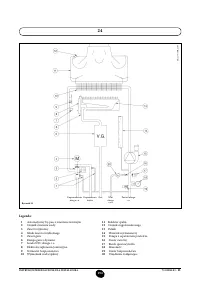
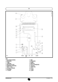
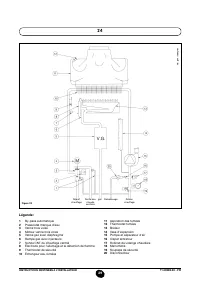
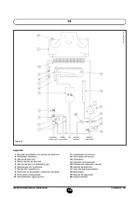
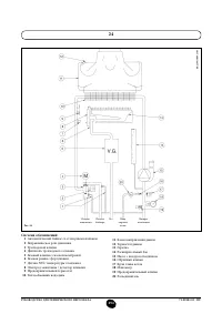
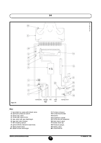
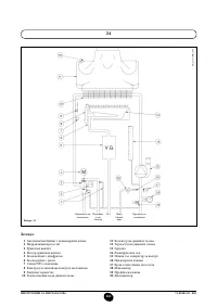
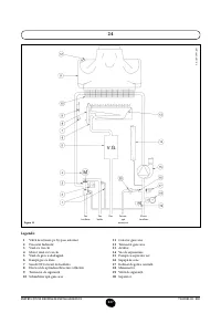
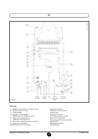
291 РУКОВОДСТВО ДЛЯ ТЕХНИЧЕСКОГО ПЕРСОНАЛА 71.03982.03 - RU 33. ФУНКЦИОНАЛЬНАЯ СХЕМА КОНТУРОВ 24 MI FF Система обозначений: 1 Н асос с воздухоотводчиком 2 Обратный клапан 3 Трехходовой клапан 4 Двигатель трехходового клапана 5 Манометр 6 Съемный фильтр контура отопления 7 Разъединитель 8 Кран подачи...
295 РУКОВОДСТВО ДЛЯ ТЕХНИЧЕСКОГО ПЕРСОНАЛА 71.03982.03 - RU 34. СХЕМЫ ЭЛЕКТРИЧЕСКИХ СОЕДИНЕНИЙ 24 F Цвет проводов C = г олубой М = коричн евый N = черный R = красный G/V = желтый/зеленый B = белый V = зеленый ЭЛЕКТРОД ДЕТЕКТОРА/ ЗАЖИГАНИЯ ТЕРМОСТАТ ТРЕХХОДОВОЙ КЛАПАН НАСОС ВЕНТИЛЯТОР ДАТЧИК ПЕРВООЧЕ...
299 РУКОВОДСТВО ДЛЯ ТЕХНИЧЕСКОГО ПЕРСОНАЛА 71.03982.03 - RU 35. ТЕХНИЧЕСКИЕ ДАННЫЕ Модель MS 24 MI FF 24 FF 24 MI 24 Категория II 2H3P II 2H3P II 2H3P II 2H3P М а к симальная потребляемая тепловая мощность кВт 25,8 25,8 26,3 26,3 Минимальная потребляемая тепловая мощность кВт 10,6 10,6 10,6 10,6 Мак...
De Dietrich Котлы Инструкции
-
De Dietrich EVODENS AMC PRO AMC 65, DIEMATIC EVOLUTION
Инструкция по эксплуатации
-
De Dietrich EVODENS AMC PRO AMC 90, DIEMATIC EVOLUTION
Инструкция по эксплуатации
-
De Dietrich EVODENS AMC PRO, AMC 45, DIEMATIC EVOLUTION
Инструкция по эксплуатации
-
De Dietrich MCA 45
Инструкция по эксплуатации
-
De Dietrich MS 24 BIC
Инструкция по эксплуатации
-
De Dietrich MS 24 BIC FF
Инструкция по эксплуатации
-
De Dietrich MS 24 MI
Инструкция по эксплуатации
-
De Dietrich MSL 24 FF
Инструкция по эксплуатации
-
De Dietrich MSL 24 MI
Инструкция по эксплуатации
-
De Dietrich MSL 24 MI FF
Инструкция по эксплуатации
-
De Dietrich MSL 28 MI FF
Инструкция по эксплуатации
-
De Dietrich MSL 31 FF
Инструкция по эксплуатации
-
De Dietrich MSL 31 MI FF
Инструкция по эксплуатации
-
De Dietrich NEOVO ECONOX EF 22
Инструкция по эксплуатации
-
De Dietrich NEOVO ECONOX EF 29
Инструкция по эксплуатации
-
De Dietrich NEOVO ECONOX EF 36
Инструкция по эксплуатации
-
De Dietrich NEOVO ECONOX EF 46
Инструкция по эксплуатации
-
De Dietrich PMC-M 24 PLUS HR117
Инструкция по эксплуатации
-
De Dietrich PMC-M 24/28 MI PLUS HR118
Инструкция по эксплуатации
-
De Dietrich PMC-M 30/35 MI PLUS HR119
Инструкция по эксплуатации