Champion DG3601E - инструкции и руководства
Генератор Champion DG3601E - инструкции пользователя по применению, эксплуатации и установке на русском языке читайте онлайн в формате pdf
Инструкции:
Инструкция по эксплуатации Champion DG3601E
1
2
3
4
5
6
7
8
9
10
11
12
13
14
15
16
17
18
19
20
21
22
23
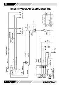
24
25
26
27
28
29
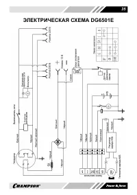
30
31
32
33
34
35
36
Champion Генераторы Инструкции
-
Champion ATS GG6501E
Инструкция по эксплуатации
-
Champion GG7501E
Инструкция по эксплуатации
-
Champion IGG1200
Инструкция по эксплуатации
-
Champion IGG3600
Инструкция по эксплуатации
-
Champion 4.5/5 Квт 200А 100кг эл.старт колеса GW200AE
Инструкция по эксплуатации
-
Champion газ, 2/2,3кВт, 15л, 43,5кг, 1,6л/ч, 12V, счетчик, 16А LPG2500
Инструкция по эксплуатации
-
Champion 3,2/3,5кВт, 7лс, 5,7л, 26кг IGG3200
Инструкция по эксплуатации
-
Champion GG11000E
Инструкция по эксплуатации
-
Champion GG2000
Инструкция по эксплуатации
-
Champion GG3000
Инструкция по эксплуатации
-
Champion GG3200EW (3,2/3,5кВт OHV 7,5лс 15л 48кг эл.старт колеса)
Инструкция по эксплуатации
-
Champion GG3300
Инструкция по эксплуатации
-
Champion GG3301
Инструкция по эксплуатации
-
Champion GG5000EW (5/5,5кВт OHV 15лс 25л 81кг эл.старт колеса)
Инструкция по эксплуатации
-
Champion GG6500
Инструкция по эксплуатации
-
Champion GG6500EBS
Инструкция по эксплуатации
-
Champion GG7001EW (6,8/7,5кВт OHV 17лс 25л 88кг эл.старт колеса)
Инструкция по эксплуатации
-
Champion GG7500ES
Инструкция по эксплуатации
-
Champion GG7501E-3
Инструкция по эксплуатации
-
Champion GG951DC
Инструкция по эксплуатации