Champion LPG2500 - Инструкция по эксплуатации

Champion LPG2500

Генератор Champion LPG2500 - инструкция пользователя по применению, эксплуатации и установке на русском языке. Мы надеемся, она поможет вам решить возникшие у вас вопросы при эксплуатации техники.

Если остались дополнительные вопросы — свяжитесь с нами через контактную форму.

1 Страница 1
2 Страница 2
3 Страница 3
4 Страница 4
5 Страница 5
6 Страница 6
7 Страница 7
8 Страница 8
9 Страница 9
10 Страница 10
11 Страница 11
12 Страница 12
13 Страница 13
14 Страница 14
15 Страница 15
16 Страница 16
17 Страница 17
18 Страница 18
19 Страница 19
20 Страница 20
21 Страница 21
22 Страница 22
23 Страница 23
24 Страница 24
25 Страница 25
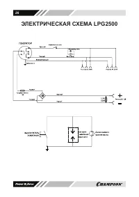
26 Страница 26
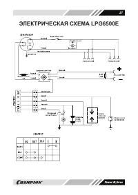
27 Страница 27
28 Страница 28
Страница: / 28
Загрузка инструкции

РУКОВОДСТВО ПО ЭКСПЛУАТАЦИИ

ГЕНЕРАТОР ГАз-бЕНзИН

LPG2500/LPG6500E

АГ 85

"Загрузка инструкции" означает, что нужно подождать пока файл загрузится и можно будет его читать онлайн. Некоторые инструкции очень большие и время их появления зависит от вашей скорости интернета.

Характеристики

Другие модели - Генераторы Champion

Все генераторы Champion