Champion LPG6500E - Инструкция по эксплуатации

Champion LPG6500E

Генератор Champion LPG6500E - инструкция пользователя по применению, эксплуатации и установке на русском языке. Мы надеемся, она поможет вам решить возникшие у вас вопросы при эксплуатации техники.

Если остались дополнительные вопросы — свяжитесь с нами через контактную форму.

1 Страница 1
2 Страница 2
3 Страница 3
4 Страница 4
5 Страница 5
6 Страница 6
7 Страница 7
8 Страница 8
9 Страница 9
10 Страница 10
11 Страница 11
12 Страница 12
13 Страница 13
14 Страница 14
15 Страница 15
16 Страница 16
17 Страница 17
18 Страница 18
19 Страница 19
20 Страница 20
21 Страница 21
22 Страница 22
23 Страница 23
24 Страница 24
25 Страница 25
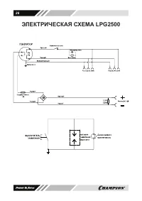
26 Страница 26
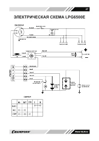
27 Страница 27
28 Страница 28
Страница: / 28
Загрузка инструкции

РУКОВОДСТВО ПО ЭКСПЛУАТАЦИИ

ГЕНЕРАТОР ГАз-бЕНзИН

LPG2500/LPG6500E

АГ 85

"Загрузка инструкции" означает, что нужно подождать пока файл загрузится и можно будет его читать онлайн. Некоторые инструкции очень большие и время их появления зависит от вашей скорости интернета.

Характеристики

Другие модели - Генераторы Champion

Все генераторы Champion