Страница 2 - Используемые обозначения; ПРИМЕЧАНИЕ; В тексте данной инструкции инфракрасные обо-; Содержание
Используемые обозначения ВНИМАНИЕ! Требования, несоблюдение которых может привести к тяжелой травме или серьезному повреждению оборудования. ОСТОРОЖНО! Требования, несоблюдение которых может привести к серьезной травме или летальному исходу. ПРИМЕЧАНИЕ 1. В тексте данной инструкции инфракрасные обо-...
Страница 3 - Правила безопасности; Не используйте данный прибор с про-
3 Правила безопасности ВНИМАНИЕ! • Электрообогреватель является электриче-ским прибором и, как всякий прибор, его необходимо оберегать от ударов, попа-дания пыли и влаги. Особенно осторожно нужно относиться к теплоизлучающему элементу. • Прибор должен подключаться к отдельному источнику электропитан...
Страница 4 - Назначение и применение прибора; Назначение и применение; экономия электроэнергии; Устройство инфракрасного
4 Назначение и применение прибора Назначение и применение прибора Обогреватели инфракрасные BALLU BIH-T-1.0-E, BIH-T-1.5-E, BIH-T-2.0-E; BIH-T-3.0; BIH-T-4.5, BIH-T-6.0 (далее – обогреватели) представляют собой электронагревательные приборы с теплоотдачей преимущественно инфракрасным излучением. Обо...
Страница 5 - Модель; Подготовка к работе; Правила установки обогревателя; Модель; Интенсивность теплового облучения
5 Подготовка к работе Примерная площадь обогрева инфракрасных обогревателей BALLU: Модель Площадь обогрева Дополнительный обогрев (м 2 ) Основной обогрев (м 2 ) BIH-T-1.0-E до 20 до 10 BIH-T-1.5-E до 30 до 15 BIH-T-2.0-E до 40 до 20 BIH-T-3.0 до 60 до 30 BIH-T-4.5 до 80 до 45 BIH-T-6.0 до 120 до 60 ...
Страница 7 - Назначение; Наименование; Установка терморегулятора
7 Подключение обогревателей к электрической сети Подключение обогревателя к сети произво-дить согласно приложению, при этом в стаци-онарной проводке должно быть установлено средство для отсоединения от источника пи-тания с обеспечением полного снятия напря-жения питания. ВНИМАНИЕ! При подключении об...
Страница 9 - Поиск и устранение неисправностей; Неисправность; Отсутствует излучаемое тепло; Утилизация прибора
9 Поиск и устранение неисправностей Поиск и устранение неисправностей При устранении неисправностей соблюдайте меры безопасности, изложенные в настоящем руководстве. Неисправность Вероятная причина Способ устранения Отсутствует излучаемое тепло Отсутствует напряжение в сети или неисправен кабель пит...
Страница 10 - Адрес; Приборы и аксессуары можно приобрести
10 щими в месте утилизации. Не выбрасывайте прибор вместе с бытовыми отходами.По истечении срока службы прибора, сдавай-те его в пункт сбора для утилизации, если это предусмотрено нормами и правилами вашего региона. Это поможет избежать возможных последствий на окружающую среду и здоро-вье человека,...
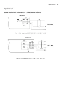
Страница 11 - Приложение; Схемы подключения обогревателей к стационарной проводке
11 Приложение Приложение Схемы подключения обогревателей к стационарной проводке Рис. 1. Обогреватель BIH-T-1.0-E, BIH-T-1.5-E, BIH-T-2.0-E Рис. 2. Обогреватель BIH-T-3.0; BIH-T-4.5, BIH-T-6.0
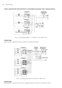
Страница 12 - Выключатель, терморегулятор в комплект поставки не входят.
12 Приложение Схемы подключения обогревателей к стационарной проводке через терморегулятор Рис. 4. Обогреватель BIH-T-1.0-E, BIH-T-1.5-E, BIH-T-2.0-E ПРИМЕЧАНИЕ Выключатель, терморегулятор в комплект поставки не входят. Рис. 4. Обогреватель BIH-T-3.0; BIH-T-4.5, BIH-T-6.0 ПРИМЕЧАНИЕ: Выключатель, пу...
Страница 13 - ГАРАНТИЙНЫЙ ТАЛОН; ТИП
ГАРАНТИЙНЫЙ ТАЛОН Настоящий документ не ограничивает определенные законом права потребителей,но дополняет и уточняет оговоренные законом обязательства, предполагающие соглашение сторон либо договор ТИП Срок службы Сплит-системы, мобильные кондиционеры, осушители, электрические обогреватели (конвекто...
Страница 14 - Настоящая гарантия не распространяется на:; аксессуары, входящие в комплект поставки.; тепловентиляторы
Настоящая гарантия распространяется на произ-водственный или конструкционный дефект изделия Выполнение уполномоченным сервисным центром ре- монтных работ и замена дефектных деталей изделия про-изводятся в сервисном центре или у Покупателя (по усмо-трению сервисного центра). Гарантийный ремонт издели...
Страница 15 - Особые условия эксплуатации кондиционеров; В обязательном порядке при эксплуатации ультразву-
• неправильного хранения изделия; • необходимости замены ламп, фильтров, элементов пита-ния, аккумуляторов, предохранителей, а также стеклян-ных/фарфоровых/матерчатых и перемещаемых вручную деталей и других дополнительных быстроизнашиваю-щихся/сменных деталей изделия, которые имеют соб-ственный огра...
Страница 16 - Памятка по уходу за кондиционером:; • вся необходимая информация о купленном изделии
2. Перед началом эксплуатации воздухоочистителя извле- ките фильтры из упаковки. Для нормального распреде-ления очищенного воздуха по объему помещения не устанавливайте воздухоочиститель в воздушном потоке (на сквозняке, перед вентилятором и т. д.). Повреждение фильтра может привести к снижению эффе...
Страница 17 - сохраняется у клиента; УНИВЕРСАЛЬНЫЙ ОТРЫВНОЙ ТАЛОН; УНИВЕРСАЛЬНЫЙ ОТРЫВНОЙ ТАЛОН
ГАРАНТИЙНЫЙ ТАЛОН сохраняется у клиента Модель ____________________________________ Серийный номер __________________________ Дата продажи _____________________________ Название продавца ________________________ ____________________________________________ Адрес продавца ____________________________...