Ballu BHC-18.000 TR - Инструкция по эксплуатации

Ballu BHC-18.000 TR

Обогреватель Ballu BHC-18.000 TR - инструкция пользователя по применению, эксплуатации и установке на русском языке. Мы надеемся, она поможет вам решить возникшие у вас вопросы при эксплуатации техники.

Если остались дополнительные вопросы — свяжитесь с нами через контактную форму.

1 Страница 1
2 Страница 2
3 Страница 3
4 Страница 4
5 Страница 5
6 Страница 6
7 Страница 7
8 Страница 8
9 Страница 9
10 Страница 10
11 Страница 11
12 Страница 12
13 Страница 13
14 Страница 14
15 Страница 15
16 Страница 16
17 Страница 17
18 Страница 18
19 Страница 19
20 Страница 20
21 Страница 21
22 Страница 22
Страница: / 22

Содержание:

  • Страница 2 – Гарантийный талон; Тепловая завеса
  • Страница 3 – Содержание; Используемые обозначения; Требования, не соблюдение которых может
  • Страница 4 – Правила безопасности
  • Страница 5 – Назначение и применение; Устройство и принцип; Управление завесой
  • Страница 6 – Технические характеристики; Комплектность; Наименование; Подготовка к работе; Монтаж тепловой завесы
  • Страница 7 – Подключение к электрической сети; Порядок работы
  • Страница 9 – Уход и обслуживание; Номер
  • Страница 10 – Неисправности и устранение; Утилизация; Если завеса не включается
  • Страница 11 – Сертификация; ООО “Ижевский завод тепло-; Гарантии изготовителя
  • Страница 12 – Свидетельство о приемке; (личная подпись) (расшифровка подписи)
  • Страница 13 – Приложение 1; Установочные размеры завес
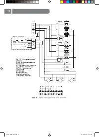
  • Страница 14 – Приложение 2; ХТ1 – колодка клеммная.
  • Страница 21 – сохраняется у клиента; на гарантийное обслуживание
Загрузка инструкции

Инструкция
по эксплуатации

Электрическая тепловая завеса Ballu BHC-18.000 TR

Цены на товар на сайте:

http://www.vseinstrumenti.ru/klimat/teplovie_zavesi/elektricheskie/ballu/bhc-18000_tr/

Отзывы и обсуждения товара на сайте:

http://www.vseinstrumenti.ru/klimat/teplovie_zavesi/elektricheskie/ballu/bhc-18000_tr/#tab-Responses

"Загрузка инструкции" означает, что нужно подождать пока файл загрузится и можно будет его читать онлайн. Некоторые инструкции очень большие и время их появления зависит от вашей скорости интернета.

Краткое содержание

Страница 2 - Гарантийный талон; Тепловая завеса

Перед началом эксплуатации тепловой завесы внимательноизучите данное руководство и храните его в доступном месте. Руководствопо эксплуатации Гарантийный талон Тепловая завеса BHC-3.000SB | BHC-5.000SB BHC-6.000SR | BHC-9.000SR BHC-3.000TR | BHC-6.000TR BHC-9.000TR | BHC-12.000TR BHC-18.000TR | BHC-2...

Страница 3 - Содержание; Используемые обозначения; Требования, не соблюдение которых может

2 Содержание Используемые обозначения ВНИМАНИЕ! Требования, не соблюдение которых может при вести к тяжелой травме или серьезному повреждению оборудования. ОС ТО РОЖ НО! Требования, несоблюдение которых может при вести к серьезной травме или летальному исходу. ПРИ МЕ ЧА НИЕ: 1. В тексте данной инстр...

Страница 4 - Правила безопасности

3 Правила безопасности Правила безопасности ВНИ МА НИЕ! • Запрещается эксплуатация тепловой завесы в помещениях: со взрывоопасной средой; с биологоактивной средой; с запыленной средой; со средой вызывающей коррозию материалов. • Запрещается эксплуатация тепловой заве- сы в помещениях с относительной...

Характеристики

Другие модели - Обогреватели Ballu

Все обогреватели Ballu