Страница 2 - Гарантийный талон; Тепловая завеса
Перед началом эксплуатации тепловой завесы внимательноизучите данное руководство и храните его в доступном месте. Руководствопо эксплуатации Гарантийный талон Тепловая завеса BHC-3.000SB | BHC-5.000SB BHC-6.000SR | BHC-9.000SR BHC-3.000TR | BHC-6.000TR BHC-9.000TR | BHC-12.000TR BHC-18.000TR | BHC-2...
Страница 3 - Содержание; Используемые обозначения; Требования, не соблюдение которых может
2 Содержание Используемые обозначения ВНИМАНИЕ! Требования, не соблюдение которых может при вести к тяжелой травме или серьезному повреждению оборудования. ОС ТО РОЖ НО! Требования, несоблюдение которых может при вести к серьезной травме или летальному исходу. ПРИ МЕ ЧА НИЕ: 1. В тексте данной инстр...
Страница 4 - Правила безопасности
3 Правила безопасности Правила безопасности ВНИ МА НИЕ! • Запрещается эксплуатация тепловой завесы в помещениях: со взрывоопасной средой; с биологоактивной средой; с запыленной средой; со средой вызывающей коррозию материалов. • Запрещается эксплуатация тепловой заве- сы в помещениях с относительной...
Страница 5 - Назначение и применение; Устройство и принцип; Управление завесой
4 Назначение и применение Назначение и применение прибора • Воздушно-тепловая завеса предназначена для создания направленного воздушного потока препятствующего проникновению внутрь помещения холодного наружного воздуха и снижения тепловых потерь в по- мещении, а также в качестве дополнитель- ного ис...
Страница 6 - Технические характеристики; Комплектность; Наименование; Подготовка к работе; Монтаж тепловой завесы
5 Технические характеристики ПРИ МЕ ЧА НИЕ: Для увеличения эксплуатационного срока службы ре- комендуется перед выключением оставить завесу рабо- тать несколько минут в режиме вентилятора для снятия остаточного тепла с нагревательных элементов. Технические характеристики Комплектность Комплектность ...
Страница 7 - Подключение к электрической сети; Порядок работы
6 Подготовка к работе в стену крепеж. В качестве крепежа рекомен- дуются шурупы или болты с диаметром шляп- ки от 9 до 11 мм. Установочные размеры завес приведены в Приложении 1. Завеса устанавливается как можно ближе к верхней стороне проема, при этом необходимо выдержать расстояние между верхней с...
Страница 9 - Уход и обслуживание; Номер
8 Подготовка к работе • Вентиляция (режим «0») Включение. Для включения завесы в режим вентиляции (без нагрева) необходимо пере- вести переключатель 1 в положение , при этом начинают работать вентиляторы завесы. Выключение. Для отключения перевести переключатель 1 в положение 0 и отклю- чить завесу ...
Страница 10 - Неисправности и устранение; Утилизация; Если завеса не включается
9 Неисправности и устранение • Завесы должны храниться в упаковке из- готовителя в отапливаемом, вентилируе- мом помещении при температуре от +1°С до +40°С и среднемесячной относитель- ной влажности 80% (при +25°С). ПРИ МЕ ЧА НИЕ: После транспортирования при отрицательных температурах выдержать заве...
Страница 11 - Сертификация; ООО “Ижевский завод тепло-; Гарантии изготовителя
10 Если появляется запах и дым при первом включении Возможные причины: • При первом включении завесы возможно появление характерного запаха и дыма (происходит сгорание масла с поверхнос- ти электронагревателей). Поэтому реко- мендуется перед установкой включить за- весу в режиме подогрева на 10–20 м...
Страница 12 - Свидетельство о приемке; (личная подпись) (расшифровка подписи)
11 Свидетельство о приемке Свидетельство о приемке и упаковывании Упаковывание произвел __________________________ __________________________________ (личная подпись) (расшифровка подписи) М.П. «_____» ______________________ 20__г. . Для штрих-кода Ballu BHC all.indd 11 Ballu BHC all.indd 11 23.06.2...
Страница 13 - Приложение 1; Установочные размеры завес
12 Приложение 1 Приложение 1 Установочные размеры завес Рис. 1. Рис. 2 Рис. 3 A C B Наименование параметра Модель тепловой техники BHC- 3.000SB BHC- 5.000SB BHC- 6.000SR BHC- 9.000SR BHC- 3.000TR BHC- 6.000TR BHC- 9.000TR BHC-12.000TR, BHC- 18.000TR, BHC-24.000TR А – высота завесы, мм 135 135 135 13...
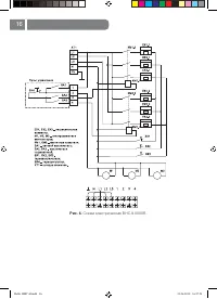
Страница 14 - Приложение 2; ХТ1 – колодка клеммная.
13 Приложение 2 Рис. 4 Приложение 2 Рис. 1. Схема электрическая BHC-3.000SB. Рис. 2. Схема электрическая BHC-5.000SB. ЕК1, ЕК2 – нагревательные элементы, М1, М2 – электродвигатели вентиляторов; SA1, SA2 – выключатели; SK1, SK2 – термозащита; ХТ1 – колодка клеммная. ЕК1.1 ЕК2.1 ЕК1.2 ЕК2.2 ХТ1 L N SA...
Страница 21 - сохраняется у клиента; на гарантийное обслуживание
ГАРАНТИЙНЫЙ ТАЛОН сохраняется у клиента Заполняется продавцом Модель ____________________________________ Серийный номер __________________________ Дата прода жи _____________________________ Название продавца ________________________ ____________________________________________ А дрес продавца ____...