Страница 2 - Гарантийный талон; Тепловая завеса
Перед началом эксплуатации тепловой завесы внимательноизучите данное руководство и храните его в доступном месте. Руководствопо эксплуатации Гарантийный талон Тепловая завеса BHC-3.000SB | BHC-5.000SB BHC-6.000SR | BHC-9.000SR BHC-3.000TR | BHC-6.000TR BHC-9.000TR | BHC-9.001TR BHC-12.000TR | BHC-18...
Страница 3 - Содержание; Используемые обозначения; Требования, не соблюдение которых может
2 Содержание Используемые обозначения ВНИМАНИЕ! Требования, не соблюдение которых может при вести к тяжелой травме или серьезному повреждению оборудования. ОС ТО РОЖ НО! Требования, несоблюдение которых может при вести к серьезной травме или летальному исходу. ПРИ МЕ ЧА НИЕ: 1. В тексте данной инстр...
Страница 4 - Правила безопасности
3 Правила безопасности Правила безопасности ВНИ МА НИЕ! • Запрещается эксплуатация тепловой завесы в помещениях: со взрывоопасной средой; с био- логоактивной средой; с запыленной средой; со средой вызывающей коррозию материалов. • Запрещается эксплуатация тепловой заве- сы в помещениях с относительн...
Страница 5 - Устройство и принцип работы; Устройство и принцип; Управление завесой
4 Управление завесой осуществляется с по- мощью выносного проводного пульта (кроме моделей BHC-3.000SB, BHC-5.000SB, BHC- 3.000TR). Пульт управления, при помощи встроенного в него термостата, позволяет поддерживать необходимую температуру воз- духа вблизи проема и регулировать тепловую мощность заве...
Страница 6 - Технические характеристики; Параметр
5 Технические характеристики Технические характеристики Модель (нагревательный стич-элемент) Параметр BHC-3.000SB BHC-5.000SB BHC-6.000SR BHC-9.000SR Мощность обогрева, кВт 0 /1,5/3,0 0/2,5/5,0 0/3,0/6,0 0/4,5/9,0 Номинальная потребляемая мощность, кВт 3,0 5,0 6,0 9,0 Напряжение питания, В/Гц 220~50...
Страница 7 - Подготовка к работе; Монтаж тепловой завесы; Комплектность; Наименование; Завеса
6 Подготовка к работе Монтаж тепловой завесы ВНИМАНИЕ! При установке, монтаже и запуске в эксплуа- тацию необходимо соблюдать правила техни- ческой эксплуатации электроустановок потре- бителей (ПТЭЭП) и межотраслевые правила по охране труда при эксплуатации электроус- тановок (ПОТ РМ-016-2001). В за...
Страница 8 - Подключение пульта управления; Порядок работы; Подключение к электрической сети; Шнур с вилкой
7 ВНИМАНИЕ! Тепловая завеса должна подключаться спе- циалистами, имеющими соответствующий до- пуск по технике безопасности. ВНИМАНИЕ! При первом включении завесы возможно по- явление характерного запаха и дыма (проис- ходит сгорание масла с поверхности электро- нагревателей). Поэтому рекомендуется п...
Страница 11 - Уход и обслуживание; Номер; Осторожное обращение
10 Уход и обслуживание ВНИМАНИЕ! Во избежание поражения электрическим током перед началом чистки или технического обслу- живания отключите прибор от электросети. При правильной эксплуатации завеса почти не требует специального технического обслу- живания. Для надежной работы завесы необходимо: – пер...
Страница 12 - Если воздушный поток не нагревается; После транспортирования при отрицательных темпе-; Утилизация; Если завеса не включается; Транспортировка и хранение
11 включения вентиляторов, неисправную за- менить (возможно только у моделей BHC- 3.000SB, BHC-5.000SB где управление за- весой происходит с помощью кнопок на самой завесе). • Неисправен или неправильно подключен пульт управления завесой. Проверить пра- вильность подключения пульта управления. При н...
Страница 13 - Сертификация; ООО “Ижевский завод тепло-; Поиск неисправностей
12 дождаться остывания ТЭНов, устранить при- чины, вызвавшие перегрев, нажать на кнопку защитного термостата на верхней плоскости завесы и повторно включить завесу. Если снизилась скорость воздушного потока, наружный воздух легко проникаетв помещение Возможные причины: • Произошло сильное загрязнени...
Страница 14 - Свидетельство о приемке; (личная подпись) (расшифровка подписи)
13 Свидетельство о приемке Свидетельство о приемке и упаковывании Упаковывание произвел __________________________ __________________________________ (личная подпись) (расшифровка подписи) М.П. «_____» ______________________ 20__г. Для штрих-кода Manual Ballu BHC all.indd 13 Manual Ballu BHC all.ind...
Страница 15 - Приложение 1; Установочные размеры завес; Модель
14 Приложение 1 Приложение 1 Установочные размеры завес Схема задней пластины завес для горизонтальной установки B C E F Рис. 1. Рис. 2. Модель Размеры, мм L A B C E F BHC-3.000SB 580 420 80 30 135 190 BHC-5.000SB 800 640 80 30 135 190 BHC-6.000SR 1085 995 45 30 135 190 BHC-9.000SR 1570 1480 45 30 1...
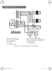
Страница 16 - Приложение 2; SK1 – защитный термостат
15 Приложение 1 Модель Размеры, мм* L A B C D E F BHC-12.500TR 1095 1015 40 40 218 300 280 BHC-18.500TR 1500 1420 40 40 218 300 280 BHC-24.500TR 2010 1930 40 40 218 300 280 BHC-36.500TR 2010 1930 40 40 218 300 280 * Минимальное расстояние от потолка до верхней плоскости завесы – 100 мм. При монтаже ...
Страница 17 - КМ1 – электромагнитное реле
16 Приложение 2 PE КМ1.1 SK1 EK1, EK2 – нагревательные элементы; SA1, SA2 – выключатели; M1, M2 – электродвигатели вентиляторов; SK1, SK2 – защитные термостаты; КМ1 – электромагнитное реле; XT1 – колодка клеммная. Рис. 2. Схема электрическая BHC-5.000SB EK1, EK2 – нагревательные элементы; SА2, SA3 –...
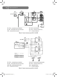
Страница 18 - SK4 – терморегулятор; SK1, SK2 – защитные термостаты без автовозврата
17 Приложение 2 380 В L1 L2 L3 EK1, EK2, EK3 – электронагревательные элементы; SA2, SA3 – выключатели нагревателей; M1, М2, М3 – электродвигатели вентиляторов; SK1, SK2, SK3 – защитные термостаты; КM1, КМ2 – магнитные пускатели; SK4 – терморегулятор; SA1 – сетевой выключатель; XT1 – колодка клеммная...
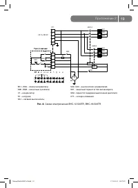
Страница 20 - SK1 - защитный термостат без автовозврата
19 Приложение 2 EK1 EK2 EK3 EK4 EK5 EK6 SK1 C1 5 2 1 3 6 SK2 M1 M ~ R1 XT1 L1 L2 L3 N PE KM1.1 KM2.1 KM1.2 KM2.2 SA1 SA2 SA3.1 SK3 SA3.2 ~50 Гц, 380 Вт L1 L2 L3 5 6 EK1...EK6 – электронагреватели; SА2, SA3 – выключатели нагревателей; KM1, КМ2 – магнитные пускатели; SK1 - защитный термостат без автов...
Страница 21 - SK3– термостат задержки выключения двигателя
20 Приложение 2 ~ M1 ~ 5 2 1 3 EK1 EK2 EK3 EK4 EK5 EK6 6 SK2 SK1 KM2.1 KM1.1 KM1.2 KM2.2 SK3 R1 M ~ M2 M1 C2 M ~ C1 XT1 L1 L2 L3 N PE L1 L2 L3 5 6 SA1 SA2 SA3.1 SK3 SA3.2 ~50 Гц, 380 Вт EK1...EK6 – электронагреватели; SА2, SA3 – выключатели нагревателей; KM1, КМ2 – магнитные пускатели; SK1, SK2 - за...
Страница 22 - ГАРАНТИЙНЫЙ ТАЛОН
ГАРАНТИЙНЫЙ ТАЛОН На сто я щий до ку мент не ог ра ни чи ва ет оп ре де лен ные за ко ном пра ва по тре би те лей,но до пол ня ет и у точ ня ет ого во рен ные за ко ном обя за тель ст ва, пред по ла га ю щие со гла ше ние сто рон ли бо до го вор По здрав ля ем Вас с при об ре те ни ем тех ни ки от л...
Страница 24 - сохраняется у клиента; УНИВЕРСАЛЬНЫЙ ОТРЫВНОЙ ТАЛОН; на гарантийное обслуживание
ГАРАНТИЙНЫЙ ТАЛОН сохраняется у клиента Заполняется продавцом Модель ____________________________________ Серийный номер __________________________ Дата прода жи _____________________________ Название продавца ________________________ ____________________________________________ А дрес продавца ____...