Ballu BHC-3.000 SB - Инструкция по эксплуатации

Ballu BHC-3.000 SB

Обогреватель Ballu BHC-3.000 SB - инструкция пользователя по применению, эксплуатации и установке на русском языке. Мы надеемся, она поможет вам решить возникшие у вас вопросы при эксплуатации техники.

Если остались дополнительные вопросы — свяжитесь с нами через контактную форму.

1 Страница 1
2 Страница 2
3 Страница 3
4 Страница 4
5 Страница 5
6 Страница 6
7 Страница 7
8 Страница 8
9 Страница 9
10 Страница 10
Страница: / 10

Содержание:

  • Страница 2 – ТЕПЛОВАЯ ЗАВЕСА; РУКОВОДСТВО ПО ЭКСПЛУАТАЦИИ
  • Страница 3 – СОДЕРЖАНИЕ; ся с настоящим Руководством.; Наименование; Завеса
  • Страница 4 – Технические данные; Наименование параметра; Подготовка к работе
  • Страница 6 – Таблица 4; Товар соответствует требованиям нормативных документов:; Правила транспортировки и хранения; Характер неисправности и; Для устранения неисправностей, связанных с заменой комплекту-; Гарантии изготовителя
  • Страница 7 – Таблица 1; Модель
  • Страница 8 – ГАРАНТИЙНЫЙ ТАЛОН; По здрав ля ем Вас с при об ре те ни ем тех ни ки от лич но го ка че с т ва!
Загрузка инструкции

Инструкция
по эксплуатации

Электрическая тепловая завеса Ballu BHC-3.000 SB

Цены на товар на сайте:

http://www.vseinstrumenti.ru/klimat/teplovie_zavesi/elektricheskie/ballu/bhc-3000_sb/

Отзывы и обсуждения товара на сайте:

http://www.vseinstrumenti.ru/klimat/teplovie_zavesi/elektricheskie/ballu/bhc-3000_sb/#tab-Responses

"Загрузка инструкции" означает, что нужно подождать пока файл загрузится и можно будет его читать онлайн. Некоторые инструкции очень большие и время их появления зависит от вашей скорости интернета.

Краткое содержание

Страница 2 - ТЕПЛОВАЯ ЗАВЕСА; РУКОВОДСТВО ПО ЭКСПЛУАТАЦИИ

ТЕПЛОВАЯ ЗАВЕСА РУКОВОДСТВО ПО ЭКСПЛУАТАЦИИ ГАРАНТИЙНЫЙ ТАЛОН Благодарим Вас за покупку техники BALLU. Перед началом эксплуатации прибора внимательно изучите данное руководство. BHC-3SB(N) BHC-5SB(N)

Страница 3 - СОДЕРЖАНИЕ; ся с настоящим Руководством.; Наименование; Завеса

3 3 1. Общие указания СОДЕРЖАНИЕ 1. Общие указания . . . . . . . . . . . . . . . . . . . . . . . . . . . . . . . . . . . . . . . . . . . . . . . . .32. Комплектность . . . . . . . . . . . . . . . . . . . . . . . . . . . . . . . . . . . . . . . . . . . . . . . . . .33. Технические характеристики . . ...

Страница 4 - Технические данные; Наименование параметра; Подготовка к работе

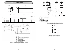
4 5 3.1. Технические характеристики завес указаны в таблице 2 Таблица 2 4.1. Завеса соответствует обязательным требованиям ГОСТ Р МЭК 60335-2-30-99, ГОСТ Р 51318.14.1-2006 и техническим условиям ТУ 3468-009-14739128-2008. 4.2. Завеса состоит из корпуса 1 (см. рис. 1), изготовленного из листовой стал...

Характеристики

Другие модели - Обогреватели Ballu

Все обогреватели Ballu