Страница 2 - Используемые обозначения; Требования, несоблюдение которых может при-; ПРИМЕЧАНИЕ; Содержание; Свидетельство о приемке
Используемые обозначения ВНИМАНИЕ! Требования, несоблюдение которых может при- вести к тяжелой травме или серьезному повреж- дению оборудования. ОСТОРОЖНО! Требования, несоблюдение которых может при- вести к серьезной травме или летальному исходу. ПРИМЕЧАНИЕ 1. В тексте данной инструкции инфракрасны...
Страница 4 - Примерная площадь обогрева:
4 Устройство и принципы работы прибора • более низкая конвекция (тепловое движение объемов воздуха) снижает количество пыли, поднимаемой с пола; • обогреватели не создают «эффекта жженого воздуха» в отличии от обогревателей с высо- кой температурой рабочей поверхности. Конструкция обогревателей позв...
Страница 5 - Подготовка к работе; Правила установки обогревателя; Технические характеристики
5 Технические характеристики Подготовка к работе Монтаж обогревателей и подключение их к сети должны проводить аттестованные работники специализированных мастерских в строгом соот- ветствии с требованиями безопасности, и с тре- бованиями ПУЭ («Правила устройства электро- установок»). Правила установ...
Страница 6 - Монтаж обогревателей
6 Интенсивность теплового облучения* Интенсивность теплового облучения на человека не должна превышать норм, указанных в таблице. Темпера- тура воздуха, °С Нормы интенсив- ности теплового облучения, Вт/м 2 Относи- тельная влажность воздуха, % Скорость движения воздуха, м/с, не более Головы Туловища ...
Страница 9 - Товар сертифицирован на территории
9 Сертификация продукции Дата изготовления Дата изготовления указана на стикире на приборе. Сертификация продукции Товар сертифицирован на территории Таможенного союза. Товар соответствует требованиям нормативных документов: ТР ТС 004/2011 «О безопасности низковольтного оборудования» Информация о се...
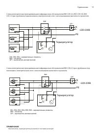
Страница 10 - PE; электрической сети через автоматический выключатель; PE; NC; PE; NC; Приложение
10 Приложение Схема электрическая принципиальная инфракрасных обогревателей BIH-CM-0.6, BIH-CM 0.8, BIH-CM 1.0 при подключении к электрической сети через автоматический выключатель EK1, EK2, EK3 - нагревательные элементы; КМ1 - контактор; QF1 - выключатель автоматический. QF1 L N ~220-230В PE ЕК1 QF...
Страница 13 - ГАРАНТИЙНЫЙ ТАЛОН; ТИП
ГАРАНТИЙНЫЙ ТАЛОН Настоящий документ не ограничивает определенные законом права потребителей,но дополняет и уточняет оговоренные законом обязательства, предполагающие соглашение сторон либо договор ТИП Срок службы Сплит-системы, мобильные кондиционеры, осушители, электрические обогреватели (конвекто...
Страница 17 - сохраняется у клиента
ГАРАНТИЙНЫЙ ТАЛОН сохраняется у клиента ГАРАНТИЙНЫЙ ТАЛОН сохраняется у клиента Заполняется продавцом Заполняется продавцом Модель _____________________________________ Серийный номер ____________________________ Дата продажи _______________________________ Название продавца ________________________...