Ballu BHG-60 S - инструкции и руководства

model-name

Обогреватель Ballu BHG-60 S - инструкции пользователя по применению, эксплуатации и установке на русском языке читайте онлайн в формате pdf

1 Page 1
2 Page 2
3 Page 3
4 Page 4
5 Page 5
6 Page 6
7 Page 7
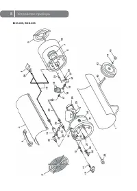
8 Page 8
9 Page 9
10 Page 10
11 Page 11
12 Page 12
13 Page 13
14 Page 14
15 Page 15
16 Page 16
17 Page 17
18 Page 18
19 Page 19
20 Page 20
21 Page 21

Краткое содержание

Страница 2 - Гарантийный талон

Руководствопо эксплуатации Гарантийный талон Перед началом эксплуатации воздухонагревателя внимательноизучите данное руководство и храните его в доступном месте. BHG-10S | BHG-20S | BHG-40S | BHG-60S | BHG-85S Генератор горячего воздуха газовый(воздухонагреватель) АB 59

Страница 3 - Содержание; Используемые обозначения

2 2 Используемые обозначения 3 Правила безопасности 4 Общие указания 4 Указания по технике безопасности 5 Устройство прибора 9 Управление прибором 9 Техническое обслуживание 10 Технические характеристики 11 Комплектность 11 Поиск и устранение неисправностей 12 Хранение и транспортировка 12 Срок служ...

Страница 4 - Правила безопасности

3 Правила безопасности Правила безопасности ВНИ МА НИЕ! • При эксплуатации воздухонагревателя соб- людайте общие правила безопасности при пользовании электроприборами. • Генератор газовый является электрическим прибором и, как всякий прибор, его необхо- димо оберегать от ударов, попадания пыли и вла...

Ballu Обогреватели Инструкции