Ballu BHC-U20T18-PS НС-1248463 - инструкции и руководства

model-name

Обогреватель Ballu BHC-U20T18-PS НС-1248463 - инструкции пользователя по применению, эксплуатации и установке на русском языке читайте онлайн в формате pdf

1 Page 1
2 Page 2
3 Page 3
4 Page 4
5 Page 5
6 Page 6
7 Page 7
8 Page 8
9 Page 9
10 Page 10
11 Page 11
12 Page 12
13 Page 13
14 Page 14
15 Page 15
16 Page 16
17 Page 17
18 Page 18
19 Page 19
20 Page 20
21 Page 21
22 Page 22
23 Page 23
24 Page 24

Краткое содержание

Страница 2 - Используемые обозначения; ПРИМЕЧАНИЕ; Содержание; Свидетельство о приемке

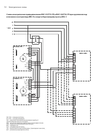
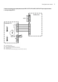
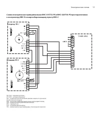
Используемые обозначения ВНИМАНИЕ! Требования, несоблюдение которых может при- вести к тяжелой травме или серьезному повреж- дению оборудования. ОСТОРОЖНО! Требования, несоблюдение которых может при- вести к серьезной травме или летальному исходу. ПРИМЕЧАНИЕ 1. В тексте данной инструкции воздушно- т...

Страница 4 - Монтаж завесы; Варианты монтажа; Технические характеристики

4 Устройство и принципы работы прибора 1. Корпус завесы 2. Осевой вентилятор (IP54) 3. Воздуховыпускное сопло 4. Пульт управления (опция) 5. Транспортировочные кронштейны Монтаж завесы ВНИМАНИЕ! • Перед проведением монтажных работ необходимо ознакомится с разделом «Меры безопасности» настоящей инстр...

Страница 5 - Горизонтальный монтаж на транспортировочные кронштейны; Модель завесы

5 Монтаж завесы Горизонтальный монтаж на транспортировочные кронштейны Горизонтальный монтаж на шпильки М6 и угловые кронштейны Модель завесы Размеры, мм A1 A2 A3 B2 BHC-U15T12-PS 122 590 590 256 BHC-U20T18-PS 121 601 580 256 L Всасывание Нагнетание 300 min 655 387 176 480 66 49 15 8 отв. А2 А1 А3 А...

Ballu Обогреватели Инструкции