Страница 2 - Используемые обозначения; ПРИМЕЧАНИЕ; Содержание; Свидетельство о приемке
Используемые обозначения ВНИМАНИЕ! Требования, несоблюдение которых может при- вести к тяжелой травме или серьезному повреж- дению оборудования. ОСТОРОЖНО! Требования, несоблюдение которых может при- вести к серьезной травме или летальному исходу. ПРИМЕЧАНИЕ 1. В тексте данной инструкции воздушно- т...
Страница 4 - Монтаж завесы; Варианты монтажа; Технические характеристики
4 Устройство и принципы работы прибора 1. Корпус завесы 2. Осевой вентилятор (IP54) 3. Воздуховыпускное сопло 4. Пульт управления (опция) 5. Транспортировочные кронштейны Монтаж завесы ВНИМАНИЕ! • Перед проведением монтажных работ необходимо ознакомится с разделом «Меры безопасности» настоящей инстр...
Страница 5 - Горизонтальный монтаж на транспортировочные кронштейны; Модель завесы
5 Монтаж завесы Горизонтальный монтаж на транспортировочные кронштейны Горизонтальный монтаж на шпильки М6 и угловые кронштейны Модель завесы Размеры, мм A1 A2 A3 B2 BHC-U15T12-PS 122 590 590 256 BHC-U20T18-PS 121 601 580 256 L Всасывание Нагнетание 300 min 655 387 176 480 66 49 15 8 отв. А2 А1 А3 А...
Страница 7 - Подключение к электрической сети
7 Подключение к электросети ВНИМАНИЕ! При установке завес непосредственно на пол, для избегания травм и повреж дения оборудования связанного с возможным опрокидыванием завесы обязательно крепление корпуса завесы к полу при помощи анкерных болтов. Кронштейны для крепления к полу (опция) позволяют рег...
Страница 9 - Электрические схемы; к контроллеру BRC-E
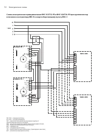
9 Электрические схемы Схема электрическая принципиальная BHC-U15T12-PS и BHC-U20T18-PS при подключении к контроллеру BRC-E SK1 – терморегулятор; ХT1-ХТЗ – колодка клеммная; SA1 – переключатель режимов вентиляции; RK1 – термодатчик; YA1 – электромагнитный привод двух-/треххобового вентиля.
Страница 11 - к контроллеру BRC-E и энергосберегающему пульту BRC-C
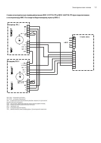
11 Схема электрическая принципиальная BHC-U15T12-PS и BHC-U20T18-PS при подключении к контроллеру BRC-E и энергосберегающему пульту BRC-C SK1, SK2 – терморегуляторы; ХT1-ХТ5 – колодка клеммная; SA1 – переключатель включения режима защиты от проникно- вения уличного воздуха; SA2 – регулятор задержки ...
Страница 12 - ключении к контроллеру BRC-E и энергосберегающему пульту BRC-C
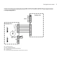
12 Схема электрическая принципиальная BHC-U15T12-PS и BHC-U20T18-PS при групповом под- ключении к контроллеру BRC-E и энергосберегающему пульту BRC-C SK1, SK2 – терморегуляторы; ХT1-ХTn – колодка клеммная; SA1 – переключатель включения режима защиты от проникновения уличного воздуха; SA2 – регулятор...
Страница 13 - Управление прибором; Вентиляция с подогревом потока воздуха.
13 Управление прибором Управление прибором Управление завесами осуществляется с помо- щью выносного проводного пульта BRC-E и BRC-C (опция, продается отдельно). Пульт BRC-E, при по- мощи встроенного датчика температуры, позво- ляет поддерживать необходимую температуру воздуха вблизи проема и регулир...
Страница 15 - Поиск и устранение неисправностей; Примечание; Уход и обслуживание; Для контроля работы завесы необходимо
15 Поиск и устранение неисправностей Поиск и устранение неисправностей При устранении неисправности соблюдайте меры безопасности, изложенные в настоящем руководстве. Примечание Для устранения неисправностей, связанных с заменой комплектующих изделий и обрывом цепи, обращайтесь в спе-циализированные ...
Страница 16 - приведенной в Таблице 4.; Транспортирование и хранение
16 Транспортирование и хранение Предприятие потребитель должно вести учет технического обслуживания по форме, приведенной в Таблице 4. При ТО-2 производятся: • ТО-1; • Проверка сопротивления изоляции завесы; • Проверка тока потребления электродвигате- лей завесы; • Проверка уровня вибрации и шума ор...
Страница 17 - Сделано в России; Гарантия; Товар сертифицирован на территории
17 Изготовитель: Общество с ограниченной ответственностью «Ижевский завод тепловой техники» Россия, 426052, Удмуртская Республика, город Ижевск, ул. Лесозаводская, дом 23/110 Тел: +73412905410 E-mail: office@iztt.ru Сделано в России www.ballu.ru Гарантия Гарантия Гарантийное обслуживание прибора про...
Страница 19 - ГАРАНТИЙНЫЙ ТАЛОН; ТИП
ГАРАНТИЙНЫЙ ТАЛОН Настоящий документ не ограничивает определенные законом права потребителей,но дополняет и уточняет оговоренные законом обязательства, предполагающие соглашение сторон либо договор ТИП Срок службы Сплит-системы, мобильные кондиционеры, осушители, электрические обогреватели (конвекто...
Страница 20 - Настоящая гарантия не распространяется на:
Настоящая гарантия распространяется на произ-водственный или конструкционный дефект изделия Выполнение уполномоченным сервисным центром ре- монтных работ и замена дефектных деталей изделия про-изводятся в сервисном центре или у Покупателя (по усмо-трению сервисного центра). Гарантийный ремонт издели...
Страница 21 - Особые условия эксплуатации кондиционеров
• неправильного хранения изделия;• необходимости замены ламп, фильтров, элементов пита- ния, аккумуляторов, предохранителей, а также стеклян-ных/фарфоровых/матерчатых и перемещаемых вручную деталей и других дополнительных быстроизнашиваю-щихся/сменных деталей изделия, которые имеют соб-ственный огра...
Страница 22 - Памятка по уходу за кондиционером:
2. Перед началом эксплуатации воздухоочистителя извле- ките фильтры из упаковки. Для нормального распреде-ления очищенного воздуха по объему помещения не устанавливайте воздухоочиститель в воздушном потоке (на сквозняке, перед вентилятором и т. д.). Повреждение фильтра может привести к снижению эффе...
Страница 23 - сохраняется у клиента; на гарантийное обслуживание; на гарантийное обслуживание
ГАРАНТИЙНЫЙ ТАЛОН сохраняется у клиента Заполняется продавцом Модель _____________________________________ Серийный номер ____________________________ Дата продажи _______________________________ Название продавца __________________________ ____________________________________________ Адрес продавца...