Страница 2 - Содержание; Используемые обозначения; Производитель оставляет за собой право без; Свидетельство о приемке
2 Содержание Используемые обозначения ВНИМАНИЕ! Требования, несоблюдение которых может приве-сти к тяжелой травме или серьезному поврежде-нию оборудования. ОСТОРОЖНО! Требования, несоблюдение которых может при-вести к серьезной травме или летальному исходу. ПРИМЕЧАНИЕ: 1. В тексте данной инструкции ...
Страница 5 - Подготовка к работе; Монтаж тепловой завесы
5 Технические характеристики Параметр / Модель BHC-H10T12-PS BHC-H15T18-PS BHC-H20T24-PS BHC-H20T36-PS Номинальная потребляемая мощность, кВт 12,0 18,0 24,0 36,0 Частичная потребляемая мощность, кВт 6,0 9,0 12,0 18,0 Мощность в режиме максимальной вентиляции, Вт 320 360 650 650 Напряжение питания, В...
Страница 7 - Крепежные элементы для кронштейна; Расположение кронштейнов для горизонтального установки
7 Подготовка к работе Крепежные элементы для кронштейна Расположение кронштейнов для горизонтального установки Расположение кронштейнов для установки завесы на шпильки Расположение кронштейнов для вертикальной установки Изделие A1, мм A2, мм B1, мм C1, мм D1, мм C2, мм D2, мм C3, мм D3, мм C4, мм D4...
Страница 8 - Инструкция по установке завес:; закрепить кронштейны к несущей конструкции, согласно размерам
8 Подготовка к работе Схема крепления завесы горизонтально над проемом к стене с помощью кронштейнов 1. Закрепить кронштейнык несущей конструкции 2. Вкрутить наполовину 4 болтав резьбовые отверстия завесы 3. Навесить завесу на крон-штейны 4. Затянуть накидным ключомс трещёткой все болты Инструкция п...
Страница 10 - Подключение к электрической сети; Далее приведены электрические схемы завес:; Схема электрическая принципиальная
10 Подготовка к работе Подключение к электрической сети ВНИМАНИЕ! Тепловая завеса должна подключаться специали-стами, имеющими соответствующую группу допу-ска по электробезопасности. Подключение к электросети осуществляется че-рез автоматический выключатель в соответствии с «Правилами эксплуатации э...
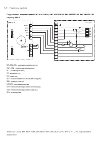
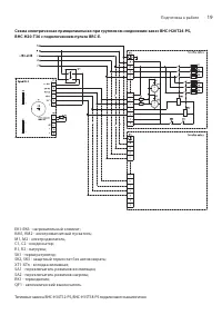
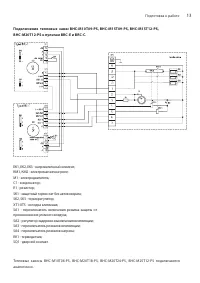
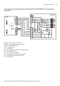
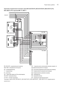
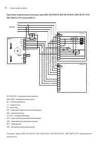
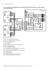
Страница 16 - Схема электрическая принципиальная завес; SK1 - защитный термостат без автовозврата
16 Схема электрическая принципиальная завесы ВНС- Н10Т12-PS. Схема электрическая принципиальная завесы ВНС- Н15Т18-PS. Подготовка к работе Схема электрическая принципиальная завес ВНС- Н20Т24-PS, ВНС- Н20Т36-PS. EK1-EK6 - нагревательный элемент; КМ1, КМ2 - электромагнитный пускатель; М1, М2 - электр...
Страница 22 - Управление прибором; Вентиляция с подогревом потока воздуха.
22 ние характерного запаха и дыма (происходит сго- рание масла с поверхности электронагревателей). Поэтому рекомендуется перед установкой вклю- чить завесу в режиме подогрева на 10-20 минут в хорошо проветриваемом помещении. Управление прибором Управление завесами осуществляется с помо- щью выносног...
Страница 23 - ПРИМЕЧАНИЕ; Поиск и устранение неисправностей; Если завеса не включается
23 ного цвета); 5 - поворотный потенциометр (термостат) для за- дания необходимой температуры воздуха в поме- щении. 6 – переключатель включения режима защиты от проникновения уличного воздуха; 7 – переключатель выбора времени работы в ре- жиме защиты от проникновения уличного воздуха после закрытия...
Страница 24 - Уход и обслуживание; Транспортировка и хранение
24 грев, открутить колпачковую гайку, нажать на кнопку защитного термостата на верхней плоскости завесы и повторно включить завесу. Расположение аварийного термостата с кол- пачковой гайкой на картинке ниже: ВНИМАНИЕ! При срабатывании устройства аварийного от- ключения, пульт продолжает подавать сиг...
Страница 27 - ГАРАНТИЙНЫЙ ТАЛОН; ТИП
ГАРАНТИЙНЫЙ ТАЛОН Настоящий документ не ограничивает определенные законом права потребителей,но дополняет и уточняет оговоренные законом обязательства, предполагающие соглашение сторон либо договор ТИП Срок службы Сплит-системы, мобильные кондиционеры, осушители, электрические обогреватели (конвекто...
Страница 28 - Настоящая гарантия не распространяется на:
Настоящая гарантия распространяется на произ-водственный или конструкционный дефект изделия Выполнение уполномоченным сервисным центром ре- монтных работ и замена дефектных деталей изделия про-изводятся в сервисном центре или у Покупателя (по усмо-трению сервисного центра). Гарантийный ремонт издели...
Страница 29 - Особые условия эксплуатации кондиционеров
• неправильного хранения изделия;• необходимости замены ламп, фильтров, элементов пита- ния, аккумуляторов, предохранителей, а также стеклян-ных/фарфоровых/матерчатых и перемещаемых вручную деталей и других дополнительных быстроизнашиваю-щихся/сменных деталей изделия, которые имеют соб-ственный огра...
Страница 30 - Памятка по уходу за кондиционером:
2. Перед началом эксплуатации воздухоочистителя извле- ките фильтры из упаковки. Для нормального распреде-ления очищенного воздуха по объему помещения не устанавливайте воздухоочиститель в воздушном потоке (на сквозняке, перед вентилятором и т. д.). Повреждение фильтра может привести к снижению эффе...
Страница 31 - сохраняется у клиента; УНИВЕРСАЛЬНЫЙ ОТРЫВНОЙ ТАЛОН; УНИВЕРСАЛЬНЫЙ ОТРЫВНОЙ ТАЛОН
ГАРАНТИЙНЫЙ ТАЛОН сохраняется у клиента ГАРАНТИЙНЫЙ ТАЛОН сохраняется у клиента Заполняется продавцом Заполняется продавцом Модель _____________________________________ Серийный номер ____________________________ Дата продажи _______________________________ Название продавца ________________________...