Ballu BHC-M10W12-PS НС-1116107 - инструкции и руководства

model-name

Обогреватель Ballu BHC-M10W12-PS НС-1116107 - инструкции пользователя по применению, эксплуатации и установке на русском языке читайте онлайн в формате pdf

1 Page 1
2 Page 2
3 Page 3
4 Page 4
5 Page 5
6 Page 6
7 Page 7
8 Page 8
9 Page 9
10 Page 10
11 Page 11
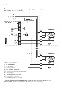
12 Page 12
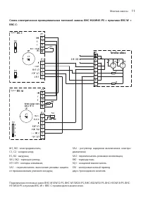
13 Page 13
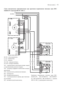
14 Page 14
15 Page 15
16 Page 16
17 Page 17
18 Page 18
19 Page 19
20 Page 20
21 Page 21
22 Page 22
23 Page 23
24 Page 24
25 Page 25
26 Page 26
27 Page 27
28 Page 28
29 Page 29
30 Page 30
31 Page 31
32 Page 32

Краткое содержание

Страница 2 - Используемые обозначения; ПРИ МЕ ЧА НИЕ; Свидетельство о приемке; Содержание

Используемые обозначения ВНИМАНИЕ! Требования, несоблюдение которых может при-вести к тяжелой травме или серьезному по-вреждению оборудования. ОС ТО РОЖ НО! Требования, несоблюдение которых может при-вести к серьезной травме или летальному исходу. ПРИ МЕ ЧА НИЕ 1. В тексте данной инструкции тепловые...

Страница 4 - Устройство и принцип работы прибора; Устройство и принцип работы

4 Устройство и принцип работы прибора ях с температурой окружающего воздуха от -30 °С до +60  °С и относительной влажности воздуха не более 80% (при температуре +25  °С) в условиях, исключающих попадание на нее капель и брызг, а также атмосферных осадков (климатическое ис-полнение УХЛ4 по ГОСТ 15150...

Страница 5 - Технические характеристики

5 Технические характеристики Технические характеристики Параметр/Модель** ВНС-М10W12-PS ВНС-М15W20-PS ВНС-M20W30-PS ВНС-H10W18-PS ВНС-H15W30-PS ВНС-H20W45-PS Напряжение питания, В~Гц 220 ~ 50 220 ~ 50 220 ~ 50 220 ~ 50 220 ~ 50 220 ~ 50 Номинальная тепловая мощность при t 95/70/15, кВт 11,0 20,0 29,...

Ballu Обогреватели Инструкции