Страница 5 - Параметр
4 Устройство и принцип работы прибора температуре +25 ˚ С) в условиях, исключаю- щих попадание на нее капель и брызг, а так-же атмосферных осадков (климатическое исполнение УХЛ4 по ГОСТ 15150). Устройство и принцип работы прибора Завеса состоит из корпуса* (1), изготовлен-ного из листовой стали, пок...
Страница 6 - Подготовка к работе; Модель
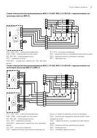
5 Подготовка к работе Подготовка к работе Монтаж тепловой завесы ВНИМАНИЕ! При установке, монтаже и запуске в эксплуа-тацию необходимо соблюдать правила техни-ческой эксплуатации электроустановок потре-бителей (ПТЭЭП) и правила по охране труда при эксплуатации электроустановок.В задней стенке корпус...
Страница 14 - Управление прибором; поддерживать
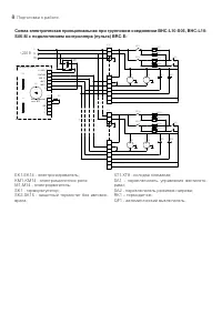
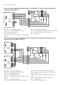
13 установкой включить завесу в режиме подо-грева на 10 -20 минут в хорошо проветривае-мом помещении. Управление прибором Управление завесами ВНС -L06- S03, ВНС- L08- S05 и ВНС -L08- S05-M осуществляется блоком управления, расположенном на корпусе завесы. Управление завесами ВНС- L10- S06, ВНС- L15 ...
Страница 19 - ГАРАНТИЙНЫЙ ТАЛОН; Тщательно проверьте внешний вид изделия и его; ТИП; Остальные изделия
ГАРАНТИЙНЫЙ ТАЛОН Настоящий документ не ограничивает определенные законом права потребителей,но дополняет и уточняет оговоренные законом обязательства, предполагающие соглашение сторон либо договор Поздравляем Вас с приобретением техники от-личного качества! Внимательно ознакомьтесь с гарантийным та...
Страница 21 - Особые условия эксплуатации кондиционеров; В обязательном порядке при эксплуатации
ческой или водопроводной сети, а также неис-правностей (несоответствие рабочих параметров) электрической или водопроводной сети и прочих внешних сетей; • дефектов, возникших вследствие попадания внутрь изделия посторонних предметов, жидкостей, кроме предусмотренных инструкцией по эксплуатации, на-се...
Страница 22 - Памятка по уходу за кондиционером
увлажнителей воздуха рекомендуется использо-вать только оригинальные (фирменные) аксессуары изготовителя. 2. Перед началом эксплуатации воздухоочистителя извлеките фильтры из упаковки. Для нормального распределения очищенного воздуха по объему по-мещения не устанавливайте воздухоочиститель в воздушн...
Страница 23 - Заполняется продавцом; сохраняется у клиента; Заполняется установщиком; УНИВЕРСАЛЬНЫЙ ОТРЫВНОЙ ТАЛОН; Изымается мастером при обслуживании; на гарантийное обслуживание
ГАРАНТИЙНЫЙ ТАЛОН сохраняется у клиента Заполняется продавцом Модель ____________________________________ Серийный номер __________________________ Дата продажи _____________________________ Название продавца ________________________ ____________________________________________ Адрес продавца ______...