Страница 2 - эксклюзивный дистрибьютор; Представительство в России:; Г арантийный ремонт; СЕРВИС-ЦЕНТР “СтудиоСаунд Сервис”; Эксклюзивный импортер
TRIA International, Ltd. эксклюзивный дистрибьютор http://www.tria.ru Main office: 185 North Redwood Drive, ste 120, San Rafael California 94903 USA Tel.: 415.444.0820 Fax.: 415.499.8120 Представительство в России: Россия, 109088, Москва, ул. Угрешская, 14, стр.1, офис 414 Тел.: 7 495. 221.6465 Факс...
Страница 3 - РУССКИЙ; Содержание; Настройка источников
1 -RU РУССКИЙ Содержание Руководство по использованию ПРЕДУПРЕЖДЕНИЕ ПРЕДУПРЕЖДЕНИЕ .............................. 4ВНИМАНИЕ! ............................................ 4МЕРЫ ПРЕДОСТОРОЖНОСТИ ............ 4 Приступая к работе Список компонентов ................................... 7Расположение эле...
Страница 4 - Внешний аудиопроцессор
2 -RU Переключение функции датчика дистанционного управления .............. 21 Настройка входа камеры заднего вида ......................................................... 21 Настройка входного сигнала камеры заднего вида .......................................... 21 Настройка режима навигации .......
Страница 5 - Установка и соединения
3 -RU Журнал вызовов ......................................... 43 Повторный набор номера из журнала исходящих вызовов ............................. 43 Набор номера из журнала принятых вызовов .................................................. 43 Набор номера из журнала пропущенных вызовов .............
Страница 6 - Руководство по использованию; МЕРЫ; ПРЕДУПРЕЖДЕНИЕ
4 -RU Руководство по использованию УСТАНАВЛИВАЙТЕ ДАННЫЙ ПРОДУКТ ТАКИМ ОБРАЗОМ, ЧТОБЫ ВОДИТЕЛЬ НЕ МОГ ВИДЕТЬ ЭКРАН, ЕСЛИ АВТОМОБИЛЬ НЕ ОСТАНОВЛЕН И НЕ ЗАДЕЙСТВОВАН СТОЯНОЧНЫЙ ТОРМОЗ. Просмотр водителем телевизионных программ или видео в процессе вождения опасен. Неправильная установка этого продукта...
Страница 7 - Обращение с USB-накопителями
5 -RU • После выключения системы на экране временно останется ореол изображения. Этот эффект присущ технологии LCD и не является неисправностью. • При низкой температуре экран может временно иметь пониженную контрастность. После короткого разогрева контрастность экрана восстановится. Устройствами Al...
Страница 8 - Обращение с переносным аудиоплеером
6 -RU Обращение с переносным аудиоплеером • Устройство может управлять портативным аудиоплеером с помощью интерфейса USB. Возможно воспроизведение форматов аудиофайлов MP3 и WMA. • Корректная работа портативного аудиоплеера не гарантируется. Используйте портативный аудиоплеер в соответствии с услови...
Страница 9 - Список компонентов; Приступая к работе
7 -RU Список компонентов • Основной блок ...................................................................1• Кабель питания ..................................................................1• Монтажный стакан ............................................................1• Ключ для кронштейна.........
Страница 10 - Настройка уровня громкости; Как просматривать; Работа с сенсорными кнопками; Выбор источника
8 -RU Включение и выключение питания Во время движения автомобиля некоторые функции устройства недоступны. Перед выполнением этих операций остановите автомобиль в безопасном месте и включите стояночный тормоз. 1 Нажмите кнопку SOURCE, чтобы включить устройство. • Устройство можно включить, нажав люб...
Страница 11 - Прослушивание радио; Радио
9 -RU Пример главного экрана FM-радио Здесь отображается имя выбранного источника, например, частота радиостанции и т.д.Отображается время, пропущенные вызовы * 1 , уровень сигнала * 1 и т.д. Строка функций: Содержание строки функций зависит от выбранного источника. Содержимое строки функций изменяе...
Страница 12 - Работа RDS
10 -RU Предварительная настройка станций вручную 1 Настройте радиостанцию, которую требуется сохранить в памяти, в ручном или автоматическом режиме. 2 Нажмите [PRESET], чтобы открыть экран со списком предварительно настроенных станций. 3 Нажмите и удерживайте одну из кнопок предварительно настроенны...
Страница 13 - Прием информации о трафике
11 -RU Прием информации о трафике * 1 Нажмите и удерживайте кнопку /VISUAL (ПАРАМЕТР) не менее 2 секунд, чтобы включить режим приема информации о трафике. Если приемник настроен на станцию, передающую информацию о трафике, загорается индикатор TA. Информацию о трафике можно получить, только если она...
Страница 14 - Настройка звука
12 -RU Настройка звука 1 Нажмите и удерживайте кнопку SETUP не менее 2 секунд, чтобы отобразился экран выбора SETUP. 2 Нажмите [ ] раздела Audio Setup. Откроется экран настроек AUDIO SETUP. Пример экрана настройки AUDIO SETUP * Если запустить параметр или список поиска, отобразится курсор. • Чтобы п...
Страница 15 - Экран мирового времени
13 -RU Настройка параметра Bass/TrebleМожно изменить усиление частот Bass/Treble, чтобы сформировать предпочтительную тональность. Нажмите [ ] , чтобы отобразить экран настройки Bass/ Treble.С помощью [ ] и [ ] на полосе прокрутки выполните построчную прокрутку элементов настройки. • Настройку выпол...
Страница 16 - Календарь
14 -RU Это устройство может отображать время в 4 крупнейших городах мира. Чтобы отобразить время в требуемом городе, выполните следующие операции. 1 В области нажмите одно из 4 отображений времени (см. в правом столбце предыдущей страницы). Отобразится экран выбора города. 2 Нажмите континент в прав...
Страница 17 - Функция вывода изображения; Переключение режимов экрана; Контроллер IMPRINT
15 -RU С помощью этой функции можно выполнить прямую настройку уровня высоких, низких частот, а также уровня сабвуфера. Настройка высоких и низких частот 1 С помощью диска Treble/Bass выберите нужный уровень настройки. Значения: Уровень высоких частот: от -7 до +7Уровень низких частот: от -7 до +7 2...
Страница 18 - Настройка; Radio Setup
16 -RU Операции по изменению настроек источников 1 Нажмите и удерживайте кнопку SETUP не менее 2 секунд. Откроется экран SETUP для выбора настроек. 2 Нажмите [ ] раздела Source Setup. Откроется экран SOURCE SETUP. 3 Нажмите название нужного режима настройки. Radio Setup/Bluetooth Setup * 1 /USB Setu...
Страница 19 - USB Setup; Настройка дисплея; Настройка яркости подсветки
17 -RU Параметр “USB Setup” выбран в главном меню настройки источника в шаге 3. Настройка режима поиска iPod Данное устройство позволяет осуществлять поиск по устройству iPhone/iPod с помощью восьми различных режимов поиска.Если режим поиска находится в Playlists/Artists/Albums/ Podcasts/Audiobooks,...
Страница 20 - Переключение фоновых изображений; Калибровка сенсорной панели
18 -RU Можно настроить минимальную яркость подсветки дисплея (LOW). Эту функцию, например, можно использовать для изменения яркости экрана ночью. Элемент настройки: Dimmer Low Level Значения: от -15 до +15 Для уровня яркости можно установить значение от -15 до +15. Можно выбрать одно из предлагаемых...
Страница 21 - Общие настройки; Отображение времени; Настройка часового пояса
19 -RU Операции по измен ению общих настроек 1 Нажмите и удерживайте кнопку SETUP не менее 2 секунд. Откроется экран SETUP для выбора настроек. 2 Нажмите [ ] раздела General Setup. Откроется экран GENERAL SETUP. 3 С помощью [ ] , [ ] или [ ] и т.д. нужного элемента измените его настройку. Элемент ы ...
Страница 22 - Настройка языка; Системные настройки
20 -RU Фу нкция прокрутки работает в том случае, если введено имя папки, имя файла или информация тега. Элемент настройки: Auto Scroll Значения: OFF / ON • Прокрутка текста осуществляется при заполнении экрана устройства. • При подключении устройства iPhone/iPod выполняется прокрутка композиции, име...
Страница 23 - Настройка входа камеры заднего вида; Настройка прерывания навигации
21 -RU При подключении блока прерывания Alpine Ai-NET (NVE-K200) к устройству дополнительный источник сможет прерывать текущий источник аудиосигнала. Например, можно будет прослушивать голосовые сообщения системы навигации даже во время воспроизведения композиции с USB-накопителя. Во время голосовог...
Страница 24 - Настройка режима AUX; Настройка вывода изображения
22 -RU Данное устройство оснащено двумя комплектами разъемов AUX IN. Можно установить для параметра AUX1 IN и AUX2 IN значение ON или OFF. Элемент настройки: AUX1 IN (AUX2 IN) Значения: OFF / ON • Значение OFF не отображается для параметра AUX2 IN при подключении дополнительного проигрывателя DVD ил...
Страница 25 - Операции по изменению настроек
23 -RU Элемент настройки: Bluetooth INЗначения: OFF / BUILT-IN / NAV. • Для получения дополнительной информации о работе BLUETOOTH см. “Работа BLUETOOTH” на стр. 40. • Функцию голосового вызова можно использовать при подключении мобильного телефона, совместимого с этой функцией. При использовании ад...
Страница 26 - Функция насыщенного черного
24 -RU Операции по изменению настроек Visual EQ 1 После выполнения шагов 1 и 2 в разделе “Операции по изменению настроек дисплея” (стр. 17) нажмите [ ] раздела Visual EQ. О ткроется экран VISUAL EQ. 2 С помощью [ ] или [ ] и т. д. нужного элемента измените его настройки. Элементы настройки: BK RICH ...
Страница 27 - Загрузка данных фона; Настройка оттенка изображения; Загрузка данных
25 -RU Элемент настройки: Tint Значение: -15 ~ +15 Установите для оттенка значения от –15 до +15. • Когда подключена навигационная система с функцией RGB, оттенок изображения не будет меняться, несмотря на то, что этот параметр можно изменить. • Когда в качестве системы входного видеосигнала использ...
Страница 29 - Настройка A.Processor; Настройка регулировки низких частот
27 -RU Настройка A.Processor 1 Убедитесь в том, что режим Defeat отключен (значение OFF) (стр. 12). 2 Нажмите и удерживайте кнопку SETUP не менее 2 секунд. Откроется экран SETUP для выбора настроек. 3 Нажмите [ ] раздела Audio Setup. Откроется экран настроек AUDIO SETUP. 4 Нажмите [ ] раздела A.Proc...
Страница 30 - Настройка параметра X-Over
28 -RU В случае выбора функции PL II MUSIC можно настроить широту центрального поля с помощью следующих операций. Эта функция позволяет получить оптимальное положение вокала с помощью настройки положения центрального канала между центральным динамиком и левым/правым динамиком. (При включении этой фу...
Страница 31 - Переключение фазы
29 -RU Д ругими словами, применение временной поправки 5,1 мс к переднему левому динамику создает эффект равноудаленности слушателя от всех динамиков. 4 Нажмите [ ] или [ ] раздела T.Corr. Выберите L+R или L/R. 5 Нажмите [ ] раздела T.Corr. Откроется экран настроек T.Corr. 6 Установите значение врем...
Страница 32 - Настройка акустических систем
30 -RU Диапазоны частот графического эквалайзера фиксированы. Это затрудняет коррекцию нежелательных пиков и провалов определенных частот. Можно подстроить центральную частоту параметрического эквалайзера для этих частот. Затем можно независимо точно подстроить полосу пропускания (Q) и уровень, чтоб...
Страница 33 - Настройка типа акустических систем
31 -RU Подмешивание баса в тыловые каналы (Rear MIX) С помощью этой функции можно направить аудиосигналы передних каналов для воспроизведения в задних динамиках для улучшения звука в районе задних сидений автомобиля. • В процессе выполнения этой настройки избегайте остановки, приостановки воспроизве...
Страница 34 - Сохранение настроек в памяти; Настройка режима MultEQ; Настройка параметра DVD Level
32 -RU Можно настроить уровень громкости (уровень сигнала) в режиме Dolby Digital, Dolby PL II, DTS и PCM. • В процессе выполнения этой настройки избегайте остановки, приостановки воспроизведения, смены диска, установки меток, быстрой перемотки вперед или переключения аудиоканалов. Эта настройка отм...
Страница 38 - Вызов предварительной; Настройка сабвуфера; Настройка системы сабвуфера
36 -RU Настройка уровня Нажмите [ ] или [ ] раздела Level, а затем настройте уровень HPF или LPF. Диапазон настройки выходного сигнала: от –12 до 0 дБ. Настройка крутизны среза Нажмите [ ] или [ ] раздела Slope, а затем настройте крутизну среза HPF или LPF. Значения крутизны среза: FLAT * , –6 дБ/ок...
Страница 39 - Временная коррекция; Пример 2. Точка прослушивания: все сидения
37 -RU Временная коррекция Расстояние между слушателем и динамиками в салоне автомобиля меняется в широких пределах из-за нестандартного расположения динамиков. Из-за разницы в расстояниях между динамиками и слушателем происходит смещение звукового образа и частотных характеристик. Причиной этого яв...
Страница 40 - Разделительный фильтр
38 -RU Разделительный фильтр (Кроссовер) Частота раздела (X-Over): Это устройство оснащено активным кроссовером. Кроссовер ограничивает частоты выходных сигналов. Каждый канал управляется независимо. Таким образом, каждая пара динамиков может быть настроена независимо.Кроссовер позволяет настраивать...
Страница 41 - О технологии IMPRINT; ЗАМЫСЕЛ И ДЕЙСТВИТЕЛЬНОСТЬ
39 -RU О технологии IMPRINT Все выдающиеся музыкальные произведения появляются как замысел автора. После бесконечных репетиций, записи и микширования готовое музыкальное произведение можно прослушать по радио, на диске или другом носителе. Но соответствуют ли прослушиваемые композиции изначальному з...
Страница 42 - BLUETOOTH Setup; Работа; О BLUETOOTH
40 -RU Настройка перед использованием BLUETOOTH – это беспроводная технология, которая позволяет устанавливать связь между мобильным устройством или персональным компьютером на небольших расстояниях. С помощью этой технологии можно осуществить вызов по мобильному телефону с использованием функции “С...
Страница 44 - Функция телефона “Hands-free”; Прием вызова; Окончание вызова; Функция повторного набора; О функции телефона “Hands-free”
42 -RU Настройка громкости входа микрофона Уровень громкости входа можно увеличить или уменьшить. Элемент настройки: Mic Input С помощью [ ] или [ ] выберите нужный уровень громкости (0 ~15). • Эту настройку не удастся выполнить при выполнении телефонного вызова. Выполните ее перед выполнением вызов...
Страница 45 - Журнал вызовов
43 -RU Операция переключения вызовов Эта функция позволяет начать передачу звука с мобильного телефона на динамики машины при выполнении вызова. Во время вызова нажмите [ ], чтобы переключить звук вызова между устройством и мобильным телефоном. • В зависимости от мобильного телефона эту операцию, во...
Страница 46 - Голосовой набор номера
44 -RU С мобильного телефона на устройство с поддержкой BLUETOOTH можно загрузить до 1000 телефонных номеров. Выберите имя из списка телефонной книги и выполните вызов. Элемент настройки: Phone Book Чтобы прокрутить список по одной строке, нажмите [ ] или [ ] . Прокрутите список по одной букве алфав...
Страница 47 - Функция BLUETOOTH Audio; Использование BLUETOOTH Audio
45 -RU Функция BLUETOOTH Audio З вуковыми функциями мобильного телефона с поддержкой BLUETOOTH, переносного плеера и т.д. можно управлять на расстоянии с помощью данного устройства без использования проводов*. * Для воспроизведения звука требуется мобильный телефон или переносной плеер с поддержкой ...
Страница 48 - Работа с дополнительным устройством; Дополнительное
46 -RU Включение системы навигации (приобретается дополнительно) Если к устройству iXA-W407BT подключена дополнительная система навигации Alpine, экран навигации можно отобразить на этом устройстве. • Обязательно установите для параметра “NAV. IN” значение ON, прежде чем использовать навигацию. См. ...
Страница 49 - Работа с устройством
47 -RU Работа с устройством TUE-T200DVB (приобретается дополнительно) Применяется при подключении дополнительного устройства TUE-T200DVB.При выборе значения DVB-T в разделе “Настройка режима AUX name” (стр. 22) источник отображается на экране выбора AUX. 1 Нажмите SOURCE, чтобы активировать экран пе...
Страница 50 - Воспроизведение; приобретается дополнительно)
48 -RU К данному устройству можно подключить дополнительный CD-чейнджер, если он совместим с шиной Ai-NET. Если к разъему Ai-NET устройства подключить CD-чейнджер, им можно управлять с устройства. Если подключен чейнджер, совместимый с MP3, то на этом устройстве можно воспроизводить диски CD-ROM, CD...
Страница 51 - Поиск по именам файлов/папок; Переносной аудиоплеер
49 -RU M.I.X. (воспроизведение в случайном порядке) Нажимая [ ], выберите режим воспроизведения M.I.X. Композиции будут воспроизводиться в случайном порядке. * 1 При подключенном CD-чейнджере с поддержкой формата MP3. * 2 Если подключен CD-чейнджер с функцией ALL M.I.X. • Чтобы отменить, выберите вы...
Страница 52 - Многократное воспроизведение; Воспроизведение в случайном; Поиск нужной композиции
50 -RU Воспроизведение 1 Нажмите SOURCE, чтобы активировать экран переключения режима. 2 Прокрутите дисплей пальцем по горизонтали для выбора режима Audio/Visual. При прокрутке дисплея режимы будут циклически меняться следующим образом: Audio/Visual Navigation Camera Telephone Multi Info Audio/Visua...
Страница 53 - Выбор папки; Поиск по имени исполнителя
51 -RU На пример: поиск по имени исполнителя В следующем примере объясняется, как выполняется поиск по имени исполнителя. Для этой же операции можно использовать другой режим поиска, но без смены иерархии. 1 Нажмите [ ]. Активизируется режим поиска, и отображается экран списка поиска. • Чтобы вернут...
Страница 54 - Терминология
52 -RU О форматах MP3/WMA/AAC Что такое MP3? MP3, официальное название которого “MPEG-1 Audio Layer 3”, является стандартом сжатия, описанным международной организацией по стандартизации (ИСО), и группы MPEG, продукта совместной деятельности ИСО и IEC (Международной электротехнической комиссии). MP3...
Страница 56 - Функция пропуска страницы/
54 -RU Поиск нужной композиции Устройство iPhone/iPod может содержать сотни композиций. Организация композиций по спискам воспроизведения облегчает поиск нужной композиции.Используйте собственную иерархию режима поиска, чтобы сузить поиск с помощью представленной ниже таблицы. <Меню поиска MUSIC&...
Страница 59 - Замена батарей
57 -RU Кнопка Кнопка отключения звука Нажмите эту кнопку для мгновенного уменьшения уровня громкости на 20 дБ. Для отмены нажмите на эту кнопку повторно. При использовании пульта дистанционного управления • Направляйте пульт дистанционного управления на датчик дистанционного управления с расстояния ...
Страница 61 - При возникновении трудностей
59 -RU При возникновении трудностей Основные функцииНе функционирует или не работает экран. • Выключено зажигание автомобиля.- Если подключение выполнено по инструкции, устройство не должно работать при выключенном зажигании. • Неверное подключение выводов питания.- Проверьте подключение выводов пит...
Страница 63 - Технические характеристики
61 -RU Технические характеристики МОНИТОР FM-ТЮНЕР MW-ТЮНЕР LW-ТЮНЕР USB-РАЗЪЕМ PAЗДEЛ BLUETOOTH ПУЛЬТ ДИСТАНЦИОННОГО УПРАВЛЕНИЯ ОБЩИЕ РАЗМЕР КОРПУСА (блок монитора) • Из-за непрерывного совершенствования продукта его технические характеристики и дизайн могут изменяться без предварительного уведомле...
Страница 64 - Предупреждение
62 -RU Установка и соединения Чтобы правильно использовать устройство, перед его установкой и подключением ознакомьтесь с информацией из данного руководства, представленной ниже, а также на стр. 4 – 6. Предупреждение ВЫПОЛНЯЙТЕ ПРАВИЛЬНЫЕ ПОДКЛЮЧЕНИЯ. Неправильное подключение может привести к возгор...
Страница 65 - Установка
63 -RU Установка Предупреждение о выборе места установки 1 Угол установки Устанавливайте под углом от 0° до 30° по горизонтали. Обратите внимание, что установка под другим углом приведет к плохой работе и, возможно, к повреждению устройства. 2 Снимите монтажный стакан с основного блока (см. раздел “...
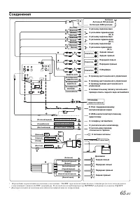
Страница 67 - Соединения
65 -RU Соединения • Переведите переключатели системы в положение “NORM” при подключении только чейнджера (если не используется совместимый с шиной Ai-NET эквалайзер). Если подключен аудиопроцессор IMPRINT, выберите положение EQ/DIV. * Два переключателя системы находятся на нижней панели устройства. ...
Страница 70 - Пример системы
68 -RU Пример системы Подключите совместимый с шиной Ai-NET аудиопроцессор (поддерживающий цифровое оптическое подключение), систему навигации, проигрыватель DVD-дисков и CD-чейнджер. При использовании оптического кабеля (оптического цифрового кабеля) соблюдайте следующие меры предосторожности. • Не...