Alpine INE-W928R - инструкции и руководства
Магнитола Alpine INE-W928R - инструкции пользователя по применению, эксплуатации и установке на русском языке читайте онлайн в формате pdf
Инструкции:
Инструкция по эксплуатации Alpine INE-W928R
Краткое содержание
3 -RU РУССКИЙ Содержание Инструкция по эксплуатации МЕРЫ ПРЕДОСТОРОЖНОСТИ ВАЖНАЯ ИНФОРМАЦИЯ, ПЕРЕД ИСПОЛЬЗОВАНИЕМ УСТРОЙСТВА ВНИМАТЕЛЬНО ОЗНАКОМЬТЕСЬ С ДАННЫМ РУКОВОДСТВОМ. ....... 8 ПРЕДУПРЕЖДЕНИЕ Пункты по обеспечению безопасности .............................................. 8 ПРЕДУПРЕЖДЕНИЕ ......
4 -RU Радио Прослушивание радио ............................... 30Предварительная настройка станций вручную ..................................................... 30 Автоматическая предварительная настройка станций .................................. 30 Вызов предварительно настроенных станций ..........
6 -RU Удаление всех журналов ........................... 58 Настройка камеры Операции настройки камеры .................. 59Настройка камеры прямого подключения ............................................ 59Настройка входа камеры ...................... 59 Настройка камеры Aux .........................
8 -RU Инструкция по эксплуатации ВАЖНАЯ ИНФОРМАЦИЯ, ПЕРЕД ИСПОЛЬЗОВАНИЕМ УСТРОЙСТВА ВНИМАТЕЛЬНО ОЗНАКОМЬТЕСЬ С ДАННЫМ РУКОВОДСТВОМ. Данное устройство предназначено для обеспечения инструкций, чтобы водитель мог безопасно добраться до требуемого места. Прочтите следующие меры предосторожности и испол...
9 -RU УСТАНАВЛИВАЙТЕ ДАННЫЙ ПРОДУКТ ТАКИМ ОБРАЗОМ, ЧТОБЫ ВОДИТЕЛЬ НЕ МОГ ВИДЕТЬ ЭКРАН, ЕСЛИ АВТОМОБИЛЬ НЕ ОСТАНОВЛЕН И НЕ ЗАДЕЙСТВОВАН СТОЯНОЧНЫЙ ТОРМОЗ. Просмотр водителем телевизионных программ или видео в процессе вождения опасен. Неправильная установка этого продукта позволяет водителю просматри...
10 -RU ПРИМЕЧАНИЕ Очистка продукта Используйте мягкую сухую ткань для периодической очистки данного продукта. Для удаления более серьезных пятен намочите ткань, используя только воду. При использовании других средств можно растворить краску или повредить пластик. Температура Прежде чем включать устр...
11 -RU Принадлежности для дисков На рынке доступны различные принадлежности для защиты поверхности дисков и улучшения качества звучания. Однако большинство из них влияет на толщину и/или диаметр диска. Использование таких принадлежностей может привести к проблемам с эксплуатацией. Не рекомендуется и...
12 -RU Диски, воспроизведение которых не поддерживается DVD-ROM, DVD-RAM, CD-ROM (за исключением файлов MP3/WMA/AAC), фото CD и т. д. DualDisc Это устройство не поддерживает стандарт DualDisc.Использование дисков стандарта DualDisc может повредить устройство и привести к повреждению самого диска при...
13 -RU Использование дисков DVD-R/DVD-RW/DVD+R/DVD+RW • Это устройство поддерживает воспроизведение дисков, записанных в стандартном формате DVD-Video. • Обратите внимание, что нефинализированные диски (созданные для воспроизведения на проигрывателях DVD-дисков только с функцией чтения) не удастся в...
15 -RU Автоматическая смена настроек пользователя На INE-W920R/INE-W928R можно зарегистрировать до двух пользователей.Каждый пользователь может настроить параметры по своему усмотрению.После регистрации на устройстве соответствующего оборудования BLUETOOTH каждый пользователь может определяться авто...
16 -RU Простая настройка звука в соответствии с типом автомобиля (i-Personalize) С помощью этой функции можно настроить и воспроизвести наилучшую звуковую среду в автомобиле.На устройстве выберите и установите тип автомобиля/положение руля/тип и размер динамика/материал сидений.Для получения дополни...
17 -RU Можно переключить правый и левый экраны перетаскиванием.Для переключения экранов нажмите на центр экрана, который необходимо переместить, и перетащите его в нужное положение. Положение экранов будет изменено при отпускании пальца от экрана. Положение отображения двойного экрана
18 -RU Комплектация • INE-W920R/INE-W928R .....................................................1• Кабель питания ..................................................................1• Винт с плоской головкой (M5 × 8) (только для INE-W920R) ...................................................6 • Винт (M...
19 -RU Включение системы С системой Alpine, если ключ зажигания находится в положении ACC или ON, то автоматически отобразится начальный экран. 1 При использовании системы впервые отобразится меню выбора языка. Можно выбрать один из 21 языков. Коснитесь кнопки [ ] или [ ] для перемещения по списку, ...
20 -RU Первоначальный запуск системы Обязательно нажимайте кнопку RESET при первом использовании устройства, после замены автомобильного аккумулятора и т. д. 1 Выключите питание устройства. 2 Нажмите кнопку (Открыть панель), чтобы открыть переднюю панель. 3 Нажмите RESET, используя ручку или подобны...
23 -RU Использование My Favorites Пример дисплея экрана My Favorites Имя пользователя: отображается имя пользователяЗначок My Favorites: при нажатии значка на экране My Favorites будет выполнен переход к экрану с выбранными приложениями.Кнопка добавления: используйте для добавления (регистрации) зна...
24 -RU Регистрация пользователя 2 7 Нажмите кнопку (My Favorites). Будет закрыт экран My Favorites, снова отобразится исходный экран. 8 Нажмите и удерживайте кнопку (My Favorites) не менее 3 секунд. Отобразится руководство My Favorites. Повторите шаги 2-6 для регистрации пользователя 2. Настройка My...
25 -RU Можно удалить имена в My Favorites или сменить расположение. Коснитесь кнопки [ ]. Отобразится “ ”, включится режим редактирования. • При нажатии [Отмена] выполняется возврат на предыдущий экран без сохранения каких-либо изменений. Изменение имени 1 Нажмите значок, который следует изменить. О...
26 -RU Можно настроить параметры звука в соответствии с типом автомобиля. Нажмите [i-Personalize]. Откроется экран настройки i-Personalize. Звук в вашем автомобиле С помощью этой функции можно настроить и воспроизвести наилучшую звуковую среду в автомобиле. 1 Нажмите [Звук в вашем автомобиле]. Откро...
28 -RU Настройка исчезания верхнего и нижнего заголовков Если для параметра “Убирать верх/ниж баннер” установлено значение [ON], верхний и нижний заголовки на экране воспроизведения аудио/видео исчезнут через 5 секунд, если не выполняется никаких действий. Для отображения кнопок нажмите по центру эк...
29 -RU Полный экран Управление касанием Системой можно управлять при помощи сенсорной панели на экране. • Чтобы защитить дисплей, аккуратно касайтесь сенсорных кнопок подушечкой пальца. • Если при касании сенсорной кнопки отсутствует реакция, уберите палец с панели и повторите попытку. • Сенсорные к...
30 -RU Пример основного экрана радио Отображение диапазона частотОтображение частотыКнопка предварительно настроенной частотыРежим SEEK Прослушивание радио 1 Нажмите кнопку (AUDIO). 2 Нажмите кнопку [Radio] в верхнем заголовке. Активируется режим радио и откроется экран режима радио. • Содержимое ра...
31 -RU Пример дисплея информации RDS Отображение радиотекста (при приеме радиостанции, передающей текстовые сообщения).Индикатор RDS Включение и выключение режима AF (альтернативных частот) RDS (Radio Data System) — это система радиоинформации, использующая под несущую частоту 57 кГц обычного FM-рад...
33 -RU Пример основного экрана MP3/WMA/AAC Информационный режим Название композицииИсполнительНазвание альбома№ текущей композиции/общее количество композицийИстекшее время • Если на CD нет текста, появится сообщение “NO TEXT”. Воспроизведение 1 Нажмите кнопку (AUDIO). 2 Нажмите [Disc] в верхнем заг...
34 -RU Поиск из текста CD 1 Нажмите кнопку [ (Поиск)] в нижнем заголовке во время воспроизведения. Откроется экран поиска текста CD. 2 Коснитесь выбранного названия дорожки. Начнется воспроизведение выбранной дорожки. • Для получения дополнительной информации по выполнению прокрутки списка см. “Выбо...
36 -RU Пример основного экрана DVD Video Пример главного экрана DivX ® Информационный дисплей 1 DVD-Video:Название заголовка/номер главыDivX ® : Название заголовка/номер файла/номер текущего файла/общее количество файлов в текущей папке Информационный дисплей 2 DVD-Video:Выход аудио сигнала/Подзагол...
37 -RU 1 Нажмите кнопку (AUDIO). 2 Нажмите [Disc] в верхнем заголовке. Откроется экран режима DISC.Или вставьте диск лицевой стороной вверх. Начнется воспроизведение диска. • В этом устройстве не поддерживается автоматическое воспроизведение обратной стороны двухстороннего диска DVD. Извлеките диск,...
39 -RU Выбор папки 3 Нажмите [ ] или [ ] в нижнем заголовке для выбора папки. • Коснитесь [ ] для воспроизведения с первого файла предыдущей папки. Коснитесь [ ] для воспроизведения с первого файла следующей папки. Повторное воспроизведение Используйте эту функцию для повторного воспроизведения эпиз...
40 -RU Переключение угла просмотра Если диск DVD содержит сцены, снятые с разных углов, требуемый угол можно выбрать во время воспроизведения. Нажмите [ANGLE] в нижнем заголовке. Записанные на диск углы просмотра меняются при каждом нажатии кнопки.Если [ANGL] не отображается, нажмите [<<] или ...
41 -RU Нажмите значок [SETUP] на экране воспроизведения аудио/видео для отображения главного экрана настройки. Операции по изменению основных настроек 1 Нажмите кнопку [Настройка] в верхнем заголовке. Откроется основной экран Setup. 2 Нажмите [General]. Откроется экран General Setup. 3 Выберите треб...
42 -RU Настройка датчика ДУ Выберите параметр [Датчик ДУ] в шаге 3 в меню настройки звука. См. “Операции по изменению основных настроек” (стр. 41).Для дистанционного управления можно использовать датчик внешнего устройства (монитора и т. д.). Элемент настройки: Датчик ДУЗначения: Front (начальная на...
43 -RU Для цвета дисплея можно установить один из 5 разных цветов. Элемент настройки: Цвет экранаЗначения: Blue (начальная настройка) / Red / Green / Amber / Black Данная настройка необходима в случае несовпадения положений отображаемого на ЖК-дисплее символа и соответствующей ему сенсорной точки. Н...
45 -RU Отображение кода отмены регистрации 1 Коснитесь [Информ. о гарантии/правах]. 2 Коснитесь [DivX(R) VOD]. 3 Коснитесь [Deregistration]. Откроется диалоговый экран подтверждения. 4 Коснитесь [OK]. На экране отобразится код отмены регистрации. • По окончании коснитесь кнопки [Отмена] . Если Вы хо...
46 -RU Настройка баланса/фейдера/сабвуфера Выберите параметр [Balance/Fader/Subwoofer] в шаге 3 в меню настройки звука. См. “Операции настройки звука” (стр. 45). Коснитесь необходимого пункта в области изображения. Или нажмите [ ] [ ] [ ] [ ]. Balance: L15 – R15Fader: F15 – R15 Можно установить для ...
47 -RU MX Compress Media Корректирует информацию, потерянную при сжатии. Обеспечивает сбалансированный звук с качеством близким к оригиналу. MX AUX/AUX3 Выберите режим MX (сжатие данных, видео или музыка), соответствующий типу используемого носителя. • Для отмены режима MX для всех музыкальных прило...
52 -RU Операции по изменению настроек источников 1 Нажмите кнопку [Настройка] в верхнем заголовке. Откроется основной экран Setup. 2 Нажмите [ (Источник)]. Откроется экран Source Setup. 3 Выберите требуемый пункт. Элементы настройки:Источник/Диск/Радио/AUX/RSE 4 Коснитесь кнопки [ ] или [ ] и т.д., ...
53 -RU Используется для выбора языка субтитров, отображаемых на экране. Элемент настройки: SUBT. Язык субт.Значения: Auto (начальная настройка) / EN / JP / DE / ES / FR / IT / SE / RU / CN • Если выбрать значение “Auto”, будет использоваться первый из записанных языков субтитров. • Для просмотра инф...
54 -RU 4:3 PAN-SCAN:Выберите это значение при подключении монитора с соотношением сторон 4:3. Изображение будет занимать всю площадь экрана ТВ. Однако из-за несоответствия соотношения cторон, левая и правая части изображения будут скрыты (при воспроизведении фильма с соотношением сторон 16:9). 16:9 ...
55 -RU Настройка AUX Выберите [Aux] в меню настройки источника в шаге 3. См. “Операции по изменению настроек источников” (стр. 52). Элемент настройки: AUX-входЗначения: Off / On (начальная настройка) Если для параметра AUX-вход выбрано значение “ON”, данная функция доступна. Элемент настройки: Имя и...
56 -RU Операция настройки BLUETOOTH 1 Нажмите кнопку [Настройка] в верхнем заголовке. Откроется основной экран Setup. 2 Нажмите (BLUETOOTH). Откроется экран BLUETOOTH Setup. 3 Выберите требуемый пункт. Значения: BLUETOOTH / Информ. BLUETOOTH. / Настройка BLUETOOTH-устр. / Автоподключение / Смена пар...
57 -RU Удаление устройства BLUETOOTH из списка Можно удалить информацию о ранее подключенных устройствах с поддержкой BLUETOOTH. 1 Коснитесь кнопки [Настройка BLUETOOTH-устр.]. 2 Коснитесь кнопки [Delete] устройства с поддержкой BLUETOOTH, которое требуется удалить из списка парных устройств. 3 Косн...
58 -RU Настройка времени для автоматического приема звонка Выберите [Время автоответа] в шаге 3 меню настройки BLUETOOTH. См. “Операция настройки BLUETOOTH” (стр. 56).Когда для параметра “Автоответ” установлено значение “On”, можно настроить, сколько секунд пройдет прежде, чем функция Автоответа при...
59 -RU Операции настройки камеры Если подключена приобретаемая дополнительно камера, изображение с нее можно выводить на монитор. Если подключена камера, установите данный параметр. 1 Нажмите кнопку [Настройка] в верхнем заголовке. Откроется основной экран Setup. 2 Нажмите [ (CAMERA)]. Откроется экр...
60 -RU Пример дисплея для режима передней камеры 4 Коснитесь кнопки [ ], [ ], [ ] или [ ], чтобы настроить расположение направляющей. • Кнопка [Clear] очищает настройки и возвращает настройки перед изменением направляющей линии. 5 После завершения настройки коснитесь кнопки [Set]. Одновременная кали...
62 -RU Настройка перед использованием BLUETOOTH – это беспроводная технология, которая позволяет устанавливать связь между мобильным устройством или персональным компьютером на небольших расстояниях. С помощью этой технологии можно осуществить вызов по мобильному телефону с использованием функции “С...
63 -RU Смена подключенного устройства BLUETOOTH Если в системе зарегистрировано несколько устройств BLUETOOTH, есть возможность менять подключения между зарегистрированными устройствами. 1 Нажмите кнопку (PHONE). Откроется экран меню телефона. 2 Коснитесь [Изменить]. Отобразится экран настроек устро...
64 -RU 1 Нажмите кнопку (PHONE). Откроется экран меню телефона. 2 Коснитесь . Откроется экран ввода номера. 3 Введите нужный телефонный номер. • Можно ввести не более 31 цифры. 4 Коснитесь кнопки [ ]. 5 Коснитесь [Вызвать]. С этого момента начнется дозвон. Последний набранный номер можно набрать пов...
65 -RU Функция телефонной книги Пример экрана Phone Book Данный значок отображается в случае, если для абонента зарегистрировано несколько телефонных номеров. Есть возможность согласовать телефонную книгу системы и телефонную книгу мобильного телефона. 1 Нажмите кнопку (PHONE). Откроется экран меню ...
66 -RU Назначение с использованием телефонной книги. 1 Нажмите кнопку (PHONE). Откроется экран меню телефона. 2 Коснитесь кнопки [ ]. Отобразится экран телефонной книги. 3 Коснитесь телефонного номера, для которого следует назначить быстрый вызов. Отобразится информационный экран телефонной книги. 4...
67 -RU Воспроизведение 1 Нажмите кнопку (AUDIO). 2 Нажмите кнопку [BLUETOOTH-AUDIO] в верхнем заголовке. 3 Нажмите кнопку [ ] или [ ], чтобы выбрать требуемую звуковую дорожку (файл). Возврат к началу текущего файла: Коснитесь кнопки [ ]. Перемотка текущего файла назад: Нажмите и удерживайте кнопку ...
68 -RU Работа с дополнительным устройством (приобретается дополнительно) Чтобы управлять устройствами, подключенными к AUX-разъемам INE-W920R/INE-W928R, выполните процедуру, описанную далее. • Установите для параметра AUX-вход значение “On.” См. “Настройка режима AUX” (стр. 55). • В зависимости от п...
70 -RU Когда отображается экран воспроизведения внешнего DVD-чейнджера, можете коснуться дисплея для отображения операционного экрана. Для получения дополнительной информации о работе DVD-плеера см. руководство пользователя подключенного DVD-чейнджера. • Экран режима работы DVD-CHG. и экран режима у...
72 -RU Если подключена дополнительная камера, изображение с нее можно выводить на монитор.К данному устройству можно подключать переднюю камеру или камеру заднего вида.В зависимости от камеры сначала выберите способ подключения (Direct или AUX) и тип камеры (Front, Rear или OTHER). Дополнительные св...
74 -RU Расхождение показаний экранного изображения и реального рельефа дороги Перечисленные ниже условия способствуют расхождениям между показаниями направляющих на экране и фактическим состоянием поверхности дороги. (Изображение на иллюстрациях для случая, когда камера установлена в стандартное пол...
75 -RU 1 Коснитесь экрана, когда отображается изображение с передней камеры. Отобразится операционный экран. • Операционный экран отображается в течение 5 секунд, после этого возобновляется показ изображения с камеры. 2 Коснитесь [Panorama], [Corner] или [Top]. Соответственно меняется ракурс. [Panor...
77 -RU Воспроизведение в случайном порядке (M.I.X.) Выполнение операции отличается в зависимости от того, каким режимом пользовались для поиска последней аудиозаписи: Поиск по тегу или Поиск папки. Нажмите кнопку [ ] во время воспроизведения. Дорожки (файлы) диска будут воспроизводиться в случайной ...
78 -RU Поиск композиции в альбоме исполнителя 1 Нажмите требуемое имя исполнителя. Будут отображены все альбомы выбранного исполнителя. 5 Нажмите название нужного альбома. Будут отображены все композиции из выбранного альбома. 6 Нажмите название нужной композиции. Начнется воспроизведение выбранной ...
80 -RU Воспроизведение 1 Нажмите кнопку (AUDIO). 2 Нажмите кнопку [iPod (Audio or Video)] в верхнем заголовке. Откроется экран режима iPod. 3 Нажимайте [ ] или [ ], чтобы выбрать нужную дорожку (файл). Возвращение к началу текущей дорожки (файла): Коснитесь кнопки [ ]. Перемотка назад: Нажмите и уде...
82 -RU Обновление программного обеспечения Данное устройство использует программное обеспечение, которое можно обновлять с помощью USB-накопителя. Загрузите программное обеспечение с сайта компании Alpine и установите обновления на устройство с помощью USB-накопителя. Обновление для данного устройст...
89 -RU Технические характеристики МОНИТОР FM-ТЮНЕР MW-ТЮНЕР LW-ТЮНЕР USB-РАЗЪЕМ CD/DVD Частотная Оптический звукосниматель GPS РАЗДЕЛ BLUETOOTH ОБЩИЕ РАЗМЕР КОРПУСА (INE-W920R/INE-W928R) РАЗМЕР ВЫСТУПАЮЩЕЙ ЧАСТИ (INE-W920R/INE-W928R) • Из-за непрерывного совершенствования продукта его технические ха...
90 -RU ВНИМАНИЕ ЛИЦЕНЗИОННОЕ СОГЛАШЕНИЕ КОНЕЧНОГО ПОЛЬЗОВАТЕЛЯ (Microsoft) Данное устройство (“DEVICE”) включает программное обеспечение, лицензированное Alpine Electronics, Inc. (далее “ALPINE”) у филиала Microsoft Corporation (далее “MS”). Установленное программное обеспечение MS, а также связанны...
93 -RU РЕГУЛИРУЮЩЕЕ ЗАКОНОДАТЕЛЬСТВО Данное соглашение должно быть определено законами юрисдикции, в которой получена база данных. Если в данный момент вы находитесь за пределами Европейского Союза или Швейцарии, то будет применяться закон той юрисдикции Европейского Союза или Швейцарии, где была по...
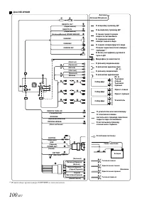
94 -RU Установка и соединения Чтобы правильно использовать устройство, перед его установкой и подключением ознакомьтесь с информацией из данного руководства, представленной ниже, а также на стр. 8 – 13. Предупреждение ВЫПОЛНЯЙТЕ ПРАВИЛЬНЫЕ ПОДКЛЮЧЕНИЯ. Неправильное подключение может привести к возго...
98 -RU Соединения Для INE-W920R * 1 В настоящее время камера TOPVIEW не используется. К выходному проводу ДУ К линии приостановки скорости автомобиля (Коричневый) (Зеленый/Белый) (Синий/Белый) (Синий) (Желтый/Синий) (Желтый) (Черный) К усилителю или эквалайзеру Тыловой левый REMOTE IN SPEED SENSOR C...
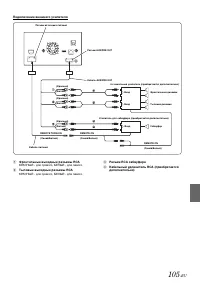
102 -RU Пример системы Подключение USB-накопителя, телефона NOKIA • Не оставляйте USB-накопитель в автомобиле на долгое время. Высокая температура и влажность могут повредить USB-накопитель. Подключение iPod/iPhone * 1 Если iPod поддерживает видео, используйте удлинительный кабель iPod VIDEO. • Чтоб...
Alpine Магнитолы Инструкции
-
Alpine CDA-105Ri
Инструкция по эксплуатации
-
Alpine CDA-117Ri
Инструкция по эксплуатации
-
Alpine CDA-137BTi
Инструкция по эксплуатации
-
Alpine CDA-7998R
Инструкция по эксплуатации
-
Alpine CDA-9884R
Инструкция по эксплуатации
-
Alpine CDA-9886R
Инструкция по эксплуатации
-
Alpine CDE-101R (RM)
Инструкция по эксплуатации
-
Alpine CDE-102Ri
Инструкция по эксплуатации
-
Alpine CDE-103BT
Инструкция по эксплуатации
-
Alpine CDE-104BTi
Инструкция по эксплуатации
-
Alpine CDE-111R (RM)
Инструкция по эксплуатации
-
Alpine CDE-112Ri
Инструкция по эксплуатации
-
Alpine CDE-113BT
Инструкция по эксплуатации
-
Alpine CDE-114BTi
Инструкция по эксплуатации
-
Alpine CDE-120R(RM)(RR)
Инструкция по эксплуатации
-
Alpine CDE-123R
Инструкция по эксплуатации
-
Alpine CDE-125BT
Инструкция по эксплуатации
-
Alpine CDE-126BT
Инструкция по эксплуатации
-
Alpine CDE-130R(RM)(RR)
Инструкция по эксплуатации
-
Alpine CDE-131R
Инструкция по эксплуатации