Страница 2 - эксклюзивный дистрибьютор; Представительство в России:; Г арантийный ремонт; СЕРВИС-ЦЕНТР “СтудиоСаунд Сервис”; Эксклюзивный импортер
TRIA International, Ltd. эксклюзивный дистрибьютор http://www.tria.ru Main office: 185 North Redwood Drive, ste 120, San Rafael California 94903 USA Tel.: 415.444.0820 Fax.: 415.499.8120 Представительство в России: Россия, 109088, Москва, ул. Угрешская, 14, стр.1, офис 414 Тел.: 7 495. 221.6465 Факс...
Страница 3 - PYCСКИЙ; Содержание; Руководство по использованию; BLUETOOTH IN; Регулировка уровней сигналов; Настройка визуального представления
PYCСКИЙ 1 -RU Содержание Руководство по использованию ПРЕДУПРЕЖДЕНИЕ ПРЕДУПРЕЖДЕНИЕ .............................. 3 ОСТОРОЖНО .......................................... 3 МЕРЫ ПРЕДОСТОРОЖНОСТИ ............ 3 Приступая к работе Список компонентов ................................... 6Включение и выкл...
Страница 4 - Информация; Установка и соединения
2 -RU Внешнее устройство Подключение к внешнему усилителю .... 19Включение/отключение режима Mute (INT MUTE) .............................................. 20 Настройка режима AUX+SETUP ............ 20Настройка режима AUX+ NAME ........... 20Настройка уровня AUX+ (AUX IN GAIN) .........................
Страница 5 - МЕРЫ ПРЕДОСТОРОЖНОСТИ; ПРЕДУПРЕЖДЕНИЕ
3 -RU Руководство по использованию НЕ ПРЕДПРИНИМАЙТЕ НИКАКИХ ДЕЙСТВИЙ, КОТОРЫЕМОГУТ ОТВЛЕЧЬ ВАС ОТ БЕЗОПАСНОГО ВОЖДЕНИЯ АВТОМОБИЛЯ. Любые действия, отвлекающие внимание на продолжительный срок, должны выполняться только после полной остановки. Перед выполнением таких действий всегда останавливайте а...
Страница 7 - ОСТОРОЖНО
5 -RU Для клиентов, использующих диски CD-R/CD-RW • Если не удается воспроизвести диск CD-R/CD-RW, убедитесь в том, последний сеанс записи закрыт (завершен). • При необходимости завершите последний сеанс записи на диск CD-R/CD-RW и повторите попытку воспроизведения. О носителях, которые можно проигр...
Страница 8 - Список компонентов; Включение и выключение питания; Приступая к работе
6 -RU Список компонентов • Главный блок ....................................................................1 • Кабель питания ................................................................1 • USB-кабель ............................................................................... 1 • Соединител...
Страница 9 - Первоначальный запуск системы; Настройка уровня громкости
7 -RU Первоначальный запуск системы Обязательно нажимайте переключатель RESET при первоначальном использовании устройства, после замены автомобильного аккумулятора и т.п. 1 Выключите питание устройства. 2 Нажмите (OPEN), чтобы открыть переднюю панель, и извлеките ее. 3 Нажмите RESET, используя ручку...
Страница 10 - Прослушивание радио; Предварительная настройка станций вручную; Радио
8 -RU Прослушивание радио 1 Нажмите SOURCE/ , чтобы выбрать режим TUNER. 2 Нажимайте кнопку BAND/TA несколько раз, пока не будет выбран нужный радиодиапазон. F1 (FM1) F2 (FM2) F3 (FM3) MW LW F1 (FM1) 3 Нажмите TUNE/A.ME, чтобы выбрать режим настройки. DX SEEK (дистанционный режим) SEEK (локальный ре...
Страница 11 - RDS
9 -RU Установка режима приема RDS и прием RDS-станций RDS (Radio Data System) — это система радиоинформации, использующая поднесущую частоту 57 кГц обычного FM-радиовещания. Функция RDS позволяет принимать различную информацию, например, сведения о трафике, названия станций, и автоматически подстраи...
Страница 13 - Настройка приоритетов трансляции новостей; Воспроизведение
11 -RU Если не удается принять сигнал от станции, передающей информацию о трафике: В режиме CD:Если больше не удается принять TP-сигнал, автоматически выбирается передающая информацию о трафике станция с другой частотой. • Приемник оснащен функцией EON (радиосети с расширенными сервисными возможност...
Страница 14 - Многократное воспроизведение
12 -RU 6 После нажатия (OPEN) для открытия передней панели нажмите , чтобы извлечь диск. • Не удаляйте компакт-диск во время цикла его извлечения. Не загружайте более одного диска за раз. Несоблюдение этого требования может привести к неисправности. • Если компакт-диск не извлекается, нажмите и удер...
Страница 15 - Поиск по именам файлов/папок; Быстрый поиск
13 -RU Поиск по именам файлов/папок (Данные MP3/WMA/AAC) Имена папок и файлов можно искать и выводить на экран во время воспроизведения. 1 Во время воспроизведения файлов MP3/WMA/AAC нажмите / ENT, чтобы активировать режим поиска. 2 Поворотом Кругового регулятора выберите режим поиска имени папки ил...
Страница 16 - Терминология
14 -RU Поддерживаемая частота дискретизации и скорость передачи битов MP3 WMA AAC В зависимости от частоты дискретизации устройство может неправильно воспроизводить музыкальный фрагмент.В режиме USB при воспроизведении файла, записанного с переменной скоростью передачи битов (VBR), может отображатьс...
Страница 17 - Настройка регулировки нижних частот; Настройка звука; Настройка центральной низкой частоты
15 -RU Настройка параметров Subwoofer Level/Bass Level/Treble Level/Balance (между правым и левым)/Fader (между передним и задним)/Defeat 1 Несколько раз нажмите Круговой регулятор (AUDIO) , чтобы выбрать нужный режим. При каждом нажатии режим меняется следующим образом: SUBW LEVEL * BASS LEVEL TREB...
Страница 18 - Настройка фильтра верхних частот; Настройка центральной высокой частоты
16 -RU Настройка регулировки высоких частот (Treble Control) Можно изменить характер выделения высоких частот, чтобы сформировать предпочтительную тональность. 1 Нажмите SOUND, чтобы включить режим настройки звука. 2 Поворотом Кругового регулятора выберите режим настройки TREBLE и нажмите /ENT. SUBW...
Страница 19 - Отображение текста; Другие функции
17 -RU Отображение текста Текстовая информация, такая как название диска или фрагмента, отображается в случае проигрывания компакт-диска, поддерживающего текстовую информацию. Кроме того, при проигрывании файлов MP3/WMA/AAC на экран можно выводить имя папки, имя файла, содержимое тега и т.д. Нажмите...
Страница 20 - Меню SETUP
18 -RU Устройство можно гибко настроить под свои предпочтения для более удобного использования. Из меню SETUP можно изменить настройки звука, визуального представления и т.д. 1 Нажмите и удерживайте кнопку F/SETUP не менее 2 секунд, чтобы выключить режим настройки (SETUP). 2 Поворотом Кругового регу...
Страница 21 - Внешнее устройство
19 -RU Регулировка подсветки Задайте параметру регулировки подсветки (DIMMER control) значение AUTO, чтобы уменьшить яркость подсветки устройства, и включите фары. Этот полезно в тех случаях, когда требуется уменьшить яркость подсветки устройства в ночное время. • Если в Вашем автомобиле предусмотре...
Страница 23 - Поиск нужной композиции
21 -RU К данному устройству можно подключить устройство iPod с помощью соединительного кабеля ALPINE FULL SPEED™ (KCE-422i) (прилагается). Если устройство подключено с помощью такого кабеля, то функции управления iPod не работают. • Установите настройку AUX + SETUP в состояние OFF, если подключено i...
Страница 24 - Функция прямого поиска
22 -RU 5 Поворотом Кругового регулятора выберите композицию и нажмите /ENT. Начнется воспроизведение выбранной композиции. • Если нажать и удерживать / ENT не менее 2 секунд в любой иерархии (кроме Song и Audiobook), начнется воспроизведение всех композиций из выбранной иерархии. • Выберите [ALL] в ...
Страница 26 - При возникновении трудностей; Основные функции
24 -RU При возникновении трудностей При обнаружении проблемы, выключите, а затем включите питание. Если устройство все равно работает неправильно, просмотрите элементы следующего контрольного списка. Данное руководство поможет справиться с проблемой в случае неисправности устройства. В противном слу...
Страница 27 - Индикатор USB-накопителя; DEVICE ERROR; Индикаторы в режиме iPod; NO USB UNIT
25 -RU • Не вставлен компакт-диск. - Вставьте компакт-диск. • Диск вставлен, но на экране отображается сообщение “NO DISC”, а устройство не начинает воспроизведение или выброс диска. - Извлеките диск с помощью следующих действий: Снова нажмите кнопку и удерживайте не менее 2 секунд. Если устройство ...
Страница 28 - Технические характеристики; CLASS 1
26 -RU Технические характеристики FM-ТЮНЕР MW-ТЮНЕР LW-ТЮНЕР CD-ПЛЕЕР СЧИТЫВАНИЕ СИГНАЛА РАЗДЕЛ USB ОБЩИЕ РАЗМЕР КОРПУСА РАЗМЕР ДЕРЖАТЕЛЯ • Из-за непрерывного совершенствования продукта его технические характеристики и дизайн могут изменяться без предварительного уведомления. ОСТОРОЖНО Диапазон наст...
Страница 29 - Предупреждение; ВЫПОЛНЯЙТЕ ПРАВИЛЬНЫЕ ПОДКЛЮЧЕНИЯ.; Осторожно
27 -RU Установка и соединения Чтобы правильно использовать устройство, перед его установкой и подключением ознакомьтесь с информацией из данного руководства, представленной ниже, а также на страницах 3 и 5. Предупреждение ВЫПОЛНЯЙТЕ ПРАВИЛЬНЫЕ ПОДКЛЮЧЕНИЯ. Неправильное подключение может привести к в...
Страница 30 - Установка
28 -RU Установка • Основной блок должен быть установлен с наклоном не более 35 градусов по отношению к горизонтальной плоскости. Удаление 1. Удалите съемную переднюю панель. 2. Используя маленькую отвертку (или подобный инструмент), толкайте стопорные штифты, пока они не займут “верхнее” положение (...
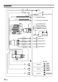
Страница 32 - Соединения
30 -RU Соединения Антенна (Розовый/черный) ВХОДНОЙ ПРЕРЫВАТЕЛЬ ЗВУКА (Синий/белый) УДАЛЕННОЕ ВКЛЮЧЕНИЕ (Оранжевый) Регулятор яркости (Красный) ЗАЖИГАНИЕ (Черный) ЗАЗЕМЛЕНИЕ (Синий) ПИТАНИЕ АНТЕННЫ БАТАРЕЯ (Зеленый) (Зеленый/черный) (Серый/черный) (Белый/черный) (Серый) (Фиолетовый/черный) (Фиолетовы...