Бортовые компьютеры ШТАТ Шеви Вектор-М - инструкция пользователя по применению, эксплуатации и установке на русском языке. Мы надеемся, она поможет вам решить возникшие у вас вопросы при эксплуатации техники.
Если остались вопросы, задайте их в комментариях после инструкции.
"Загружаем инструкцию", означает, что нужно подождать пока файл загрузится и можно будет его читать онлайн. Некоторые инструкции очень большие и время их появления зависит от вашей скорости интернета.
Загружаем инструкцию

маршрутный
бортовой
компьютер
ШТАТ
16
Рис
. 1
2
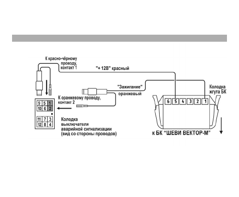
Сх
ем
а
по
дк
люче
ни
я
жг
ут
а
№
2
для
а
/
м
55
-
й
ко
мп
ле
кта
ции
c
за
гл
уш
ко
й
(
бе
з
АБ
С
и
ПБ
)
с
20
09
г
.
Содержание
- 2 ГРУППЫ
- 3 НАСТРОЙКИ
- 5 КОМПЛЕКТАЦИЯ; DATA Cable
- 6 ТЕХНИЧЕСКИЕ
- 7 УСТАНОВКА
- 11 Рис
- 18 Опционально
- 22 ТРОПИК
- 28 ЛЮБИМАЯ
- 29 ПОРЯДОК
- 30 МАРШРУТНЫЙ
- 34 ДИАГНОСТИКА
- 37 ИДЕНТИФИКАТОР
- 38 ТЕХ
- 40 день
- 41 КОРРЕКЦИЯ
- 44 ОБЪЁМ
- 49 СИГНАЛИЗАТОР; ОШИБКИ
- 50 ВНИМАНИЕ; МУЛЬТИДИСПЛЕИ; дисплея; МУЛЬТИДИСПЛЕИ; МУЛЬТИДИСПЛЕЙ
- 51 По
- 53 ЧАСЫ; маршрутный
- 55 ИНСТРУКЦИЯ; “Data cable”
- 56 ВОЗМОЖНЫЕ; НЕИСПРАВНОСТЬ
- 58 СЕРВИСНЫЕ; штат
- 60 ШТАТ; СВИДЕТЕЛЬСТВО
