Ballu BHC-M15W20-PS - Инструкция по эксплуатации

Ballu BHC-M15W20-PS

Тепловая завеса Ballu BHC-M15W20-PS - инструкция пользователя по применению, эксплуатации и установке на русском языке. Мы надеемся, она поможет вам решить возникшие у вас вопросы при эксплуатации техники.

Если остались дополнительные вопросы — свяжитесь с нами через контактную форму.

1 Страница 1
2 Страница 2
3 Страница 3
4 Страница 4
5 Страница 5
6 Страница 6
7 Страница 7
8 Страница 8
9 Страница 9
10 Страница 10
11 Страница 11
12 Страница 12
13 Страница 13
14 Страница 14
15 Страница 15
16 Страница 16
17 Страница 17
18 Страница 18
19 Страница 19
20 Страница 20
21 Страница 21
22 Страница 22
23 Страница 23
24 Страница 24
25 Страница 25
26 Страница 26
27 Страница 27
28 Страница 28
29 Страница 29
30 Страница 30
31 Страница 31
32 Страница 32
Страница: / 32

Содержание:

  • Страница 2 – Используемые обозначения; ПРИ МЕ ЧА НИЕ; Свидетельство о приемке; Содержание
  • Страница 4 – Устройство и принцип работы прибора; Устройство и принцип работы
  • Страница 5 – Технические характеристики
  • Страница 6 – • Перед проведением монтажных работ необхо-; Размещение завесы; Вертикальная установка; Монтаж завесы
  • Страница 7 – Крепежные размеры для кронштейнов; Модель; Монтаж завесы на кронштейны
  • Страница 8 – Схема крепления завесы; Схема задней пластины завес для; вкрутить наполовину болты в верхние отвер-
  • Страница 9 – Подключение к электрической сети; Переустановка теплообменника
  • Страница 10 – Пульт
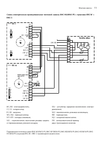
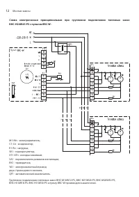
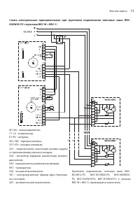
  • Страница 14 – Подключение пультов; в соответствии; H E A T L; H EA T L; КМ
  • Страница 15 – Управление прибором; Управление завесами пультом BRC-W; Для включения завесы в режим ми-
  • Страница 16 – Управление завесами пультом BRC-W и BRC-C
  • Страница 17 – • Функция «энергосбережения» пульта BRC-C предус-; Поиск и устранение неисправностей
  • Страница 19 – Сделано в России
  • Страница 20 – Приложение; При
  • Страница 27 – ГАРАНТИЙНЫЙ ТАЛОН; ТИП
  • Страница 28 – Настоящая гарантия не распространяется на:
  • Страница 29 – Особые условия эксплуатации кондиционеров; В обязательном порядке при эксплуатации ультразвуко-
  • Страница 30 – Памятка по уходу за кондиционером:
  • Страница 31 – сохраняется у клиента; УНИВЕРСАЛЬНЫЙ ОТРЫВНОЙ ТАЛОН; УНИВЕРСАЛЬНЫЙ ОТРЫВНОЙ ТАЛОН
Загрузка инструкции

Code-128

Руководство

по эксплуатации

Гарантийный талон

Тепловые завесы электрические

стационарные с водяным теплообменником

Пульт BRC-W

c электронным термостатом

в комплекте

BHC-M10W12-PS | BHC-H10W18-PS |
BHC-M15W20-PS | BHC-H15W30-PS |
BHC-M20W30-PS | BHC-H20W45-PS |

Перед началом эксплуатации прибора внимательно

изучите данное руководство и храните его в доступном месте.

"Загрузка инструкции" означает, что нужно подождать пока файл загрузится и можно будет его читать онлайн. Некоторые инструкции очень большие и время их появления зависит от вашей скорости интернета.

Краткое содержание

Страница 2 - Используемые обозначения; ПРИ МЕ ЧА НИЕ; Свидетельство о приемке; Содержание

Используемые обозначения ВНИМАНИЕ! Требования, несоблюдение которых может при-вести к тяжелой травме или серьезному по-вреждению оборудования. ОС ТО РОЖ НО! Требования, несоблюдение которых может при-вести к серьезной травме или летальному исходу. ПРИ МЕ ЧА НИЕ 1. В тексте данной инструкции тепловые...

Страница 4 - Устройство и принцип работы прибора; Устройство и принцип работы

4 Устройство и принцип работы прибора ях с температурой окружающего воздуха от -30 °С до +60  °С и относительной влажности воздуха не более 80% (при температуре +25  °С) в условиях, исключающих попадание на нее капель и брызг, а также атмосферных осадков (климатическое ис-полнение УХЛ4 по ГОСТ 15150...

Страница 5 - Технические характеристики

5 Технические характеристики Технические характеристики Параметр/Модель** ВНС-М10W12-PS ВНС-М15W20-PS ВНС-M20W30-PS ВНС-H10W18-PS ВНС-H15W30-PS ВНС-H20W45-PS Напряжение питания, В~Гц 220 ~ 50 220 ~ 50 220 ~ 50 220 ~ 50 220 ~ 50 220 ~ 50 Номинальная тепловая мощность при t 95/70/15, кВт 11,0 20,0 29,...

Характеристики

Другие модели - Тепловые завесы Ballu

Все тепловые завесы Ballu