Страница 2 - Используемые обозначения; ПРИ МЕ ЧА НИЕ; Свидетельство о приемке; Содержание
Используемые обозначения ВНИМАНИЕ! Требования, несоблюдение которых может при-вести к тяжелой травме или серьезному по-вреждению оборудования. ОС ТО РОЖ НО! Требования, несоблюдение которых может при-вести к серьезной травме или летальному исходу. ПРИ МЕ ЧА НИЕ 1. В тексте данной инструкции тепловые...
Страница 4 - Устройство и принцип работы прибора; Устройство и принцип работы
4 Устройство и принцип работы прибора ях с температурой окружающего воздуха от -30 °С до +60 °С и относительной влажности воздуха не более 80% (при температуре +25 °С) в условиях, исключающих попадание на нее капель и брызг, а также атмосферных осадков (климатическое ис-полнение УХЛ4 по ГОСТ 15150...
Страница 5 - Технические характеристики
5 Технические характеристики Технические характеристики Параметр/Модель** ВНС-М10W12-PS ВНС-М15W20-PS ВНС-M20W30-PS ВНС-H10W18-PS ВНС-H15W30-PS ВНС-H20W45-PS Напряжение питания, В~Гц 220 ~ 50 220 ~ 50 220 ~ 50 220 ~ 50 220 ~ 50 220 ~ 50 Номинальная тепловая мощность при t 95/70/15, кВт 11,0 20,0 29,...
Страница 6 - • Перед проведением монтажных работ необхо-; Размещение завесы; Вертикальная установка; Монтаж завесы
6 Монтаж завесы ВНИМАНИЕ! • Перед проведением монтажных работ необхо- димо ознакомиться с разделом «Меры безопас-ности» настоящей инструкции. • К монтажу и техническому обслуживанию завес допускаются лица, изучившие их устройство, правила монтажа и эксплуатации, и прошедшие инструктаж по соблюдению ...
Страница 7 - Крепежные размеры для кронштейнов; Модель; Монтаж завесы на кронштейны
7 Крепежные размеры для кронштейнов Монтаж завесы Модель Размеры, мм А1 В1 С1 D1 А2 В2 ВНС-М10W12-PS 831 128 139 139 784 152 ВНС-М15W20-PS 1194 128 139 139 1147 152 ВНС-M20W30-PS 1644 128 139 139 1597 152 ВНС-H10W18-PS 845 146 157 157 798 170 ВНС-H15W30-PS 1252 146 157 157 1205 170 ВНС-H20W45-PS 170...
Страница 8 - Схема крепления завесы; Схема задней пластины завес для; вкрутить наполовину болты в верхние отвер-
8 Монтаж завесы А (1:1) B (1:1) Шайба ø6 оцинкованная стопорная с наружными зубцами Шайба увеличенная ø6 оцинкованная Монтажный кронштейн Болт М6х20 Схема крепления завесы Схема задней пластины завес для горизонтальной или вертикальной установки В задней стенке корпуса завесы имеются пазы для устано...
Страница 9 - Подключение к электрической сети; Переустановка теплообменника
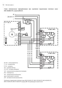
9 • Для расширения функциональных возможно- стей прибора потребитель может предусмо-треть установку смесительного узла. • При подключении завесы к тепловой сети без использования смесительного узла необходима обязательная установка водяного фильтра. Подключение к электрической сети Подключение к эле...
Страница 10 - Пульт
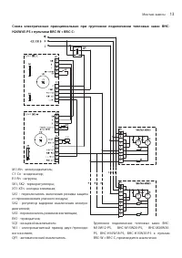
10 Монтаж завесы Схема электрическая принципиальная тепловых завес ВНС-М10W12-PS, ВНС-М15W20-PS, ВНС-М20W30-PS, ВНС-H10W18-PS, ВНС-Н15W30-PS с подключением пульта BRC-W: М1 - электродвигатель;C1 - конденсатор;R1, R2 - нагрузка;SK1 - терморегулятор; ХТ1-XT3 - колодка клеммная; SA1 - переключатель реж...
Страница 14 - Подключение пультов; в соответствии; H E A T L; H EA T L; КМ
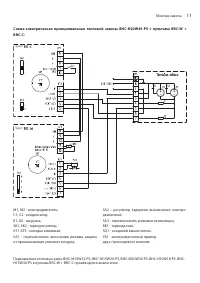
14 Подключение пультов ВНИМАНИЕ! Есть возможность подключения электромагнитно-го клапана вентиля к пульту BRC-W. Номинальный ток клапана не должен превышать 1 А. ВНИМАНИЕ! Приведенные схемы электрические принципи-альные подразумевают подключение электро-привода двух/трехходового клапана с наличием в...
Страница 15 - Управление прибором; Управление завесами пультом BRC-W; Для включения завесы в режим ми-
15 Управление прибором пускается подключать разные модели завес к од-ному пульту. Автоматический выключатель цепи управления пульта должен быть рассчитан на номинальный ток 10 А. Сечение медного кабеля, подводимого от автоматического выключателя к пульту, должно быть не менее 1 мм². При групповом с...
Страница 16 - Управление завесами пультом BRC-W и BRC-C
16 Управление прибором ВНИМАНИЕ! • Пульт поддерживает заданную температуру только при наличии в цепи смесительного узла (опция). • В теплое время года изделие может использо- ваться как воздушная завеса без подогрева воз-духа (теплоноситель отключен). Выключение. Для отключения завесы необходи- мо п...
Страница 17 - • Функция «энергосбережения» пульта BRC-C предус-; Поиск и устранение неисправностей
17 Поиск и устранение неисправностей Для включения завесы в режим максимальной производительности необходимо перевести пе-реключатель «4» в положение 1 и переключатель «1» в положение 3. ПРИ МЕ ЧА НИЕ • Функция «энергосбережения» пульта BRC-C предус- матривает, что при температуре в помещении больше...
Страница 19 - Сделано в России
19 Дата изготовления последствия на окружающую среду и здоровье че-ловека, а также будет способствовать повторному использованию компонентов изделия.Информацию о том, где и как можно утилизиро-вать прибор можно получить от местных органов власти. Дата изготовления Дата изготовления указана на стикер...
Страница 20 - Приложение; При
20 Приложение При ло ж ение Д ополни те льные т ехни ческие хар ак терис тики Изделие ВНС-M10W12-PS Темпера тура во ды на вх од е/вых од е, °С 60/40 80/60 95/70 105/70 130/70 150/70 Темпера тура возд уха вх од е, °С 0 5 10 15 20 0 5 10 15 20 0 5 10 15 20 0 5 10 15 20 0 5 10 15 20 0 5 10 15 20 Произв...
Страница 27 - ГАРАНТИЙНЫЙ ТАЛОН; ТИП
ГАРАНТИЙНЫЙ ТАЛОН Настоящий документ не ограничивает определенные законом права потребителей,но дополняет и уточняет оговоренные законом обязательства, предполагающие соглашение сторон либо договор ТИП Срок службы Сплит-системы, мобильные кондиционеры, осушители, электрические обогреватели (конвекто...
Страница 28 - Настоящая гарантия не распространяется на:
ТИП Гарантийный срок 4 Инфракрасные обогреватели для встройки в подвесные потолки (серия BIH-S) 5 (пять) лет Сплит-системы (BSE, BSEI, BSA, BSAI, B2OI-FM, B3OI-FM, B4OI-FM, BSEI-FM, BCFI-FM, BDI-FM, BCI-FM) 1 , мобильные кондиционеры (BPHS), осушители воздуха (BDM), электрические конвекторы, электри...
Страница 29 - Особые условия эксплуатации кондиционеров; В обязательном порядке при эксплуатации ультразвуко-
• дефектов, возникших вследствие попадания внутрь из- делия посторонних предметов, жидкостей, кроме пред-усмотренных инструкцией по эксплуатации, насекомых и продуктов их жизнедеятельности и т. д.; • неправильного хранения изделия;• необходимости замены ламп, фильтров, элементов пита- ния, аккумулят...
Страница 30 - Памятка по уходу за кондиционером:
2. Перед началом эксплуатации воздухоочистителя извле- ките фильтры из упаковки. Для нормального распреде-ления очищенного воздуха по объему помещения не устанавливайте воздухоочиститель в воздушном потоке (на сквозняке, перед вентилятором и т. д.). Повреждение фильтра может привести к снижению эффе...
Страница 31 - сохраняется у клиента; УНИВЕРСАЛЬНЫЙ ОТРЫВНОЙ ТАЛОН; УНИВЕРСАЛЬНЫЙ ОТРЫВНОЙ ТАЛОН
ГАРАНТИЙНЫЙ ТАЛОН сохраняется у клиента ГАРАНТИЙНЫЙ ТАЛОН сохраняется у клиента Заполняется продавцом Заполняется продавцом Модель _____________________________________ Серийный номер ____________________________ Дата продажи _______________________________ Название продавца ________________________...